1.下列物理量中属于标量的是( )
(A)速度 (B)位移 (C)功 (D)力
【答案】
C
2.磁感应强度的单位是( )
(A)T (B)Wb (C)N/A (D)Wb/m
【答案】
A
3.直流电动机通电后,使线圈发生转动的力是( )
(A)电场力 (B)磁场力 (C)万有引力 (D)重力
【答案】
B
4.下列射线中,穿透本领最强的是( )
(A)α射线 (B)β射线 (C)γ射线 (D)X射线
【答案】
C
5.下列电磁波中,波长最长的是( )
(A)无线电波 (B)红外线 (C)可见光 (D)紫外线
【答案】
A
6.一定量气体的体积保持不变,其压强随温度变化关系的图像是( )

【答案】
C
7.
如图,通有电流I的直导线处于方向向左的匀强磁场B中,则导线受到磁场力的方向( )
(A)向左 (B)向右 (C)向上 (D)向下
【答案】
C
8.一个铀原子核23892U中有( )
(A)238个核子 (B)238个质子 (C)146个质子 (D)92个中子
【答案】
A
9.卢瑟福根据α粒子散射实验提出了原子的核式结构模型。能大致反映α粒子散射特点的是图( )

【答案】
B
10.水的温度从17℃升高到100℃,用热力学温标表示,水温升高了( )
(A)83K (B)300K (C)356K (D)373K
【答案】
A
11.物体沿斜面匀速下滑,在此过程中物体的( )
(A)机械能守恒 (B)机械能增加 (C)重力势能增加 (D)重力势能减少
【答案】
D
12.
右图为甲、乙两物体在同一直线上运动的s-t图像,在0~t1时间内( )
(A)甲做加速运动,乙做减速运动 (B)甲、乙均做匀速运动
(C)甲做减速运动,乙做加速运动 (D)甲、乙均做加速运动
【答案】
B
13.
如图,O为弹簧振子的平衡位置,小球在B、C间做无摩擦振动。若小球从O运动到C的最短时间为0.2s,则该振子的周期为( )
(A)0.2s (B)0.4s
(C)0.6s (D)0.8s
【答案】
D
14.若F1、F2是F的两个分力,则能表示F1、F2、F三者关系的是图( )

【答案】
C
15.
如图,在直导线中通以垂直纸面向里的恒定电流I,P点位于导线右侧,则P点的磁场方向( )
(A)向左 (B)向右 (C)向上 (D)向下
【答案】
D
16.在光滑水平桌面上,质量为1 kg的物体,受到沿水平方向、大小分别为2N和4N两个力的作用,其加速度大小可能为( )
(A)1 m/s2 (B)2 m/s2 (C)7 m/s2 (D)8 m/s2
【答案】
B
17.
如图,在正点电荷的电场中有A、B、C三点,其中A、B两点到电荷的距离相等。A、B、C三点的电场强度大小分别为EA、EB、EC,则( )
(A)EA=EC (B)EA>EC (C)EB<EC (D)EB>EC
【答案】
C
18.汽车以80kW的功率在水平公路上匀速行驶,速度大小为20m/s,则汽车行驶过程中受到的阻力大小为( )
(A)4N (B)40N (C)400N (D)4000N
【答案】
D
19.
如图,两质量不等的小球分别从光滑斜面顶端由静止释放。若以地面为零势能面,不计空气阻力,则两小球达到斜面底端时具有相同的( )
(A)速度 (B)动能
(C)重力势能 (D)机械能
【答案】
A
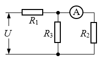
20.
右图电路中,电阻R1、R2、R3的阻值相同。在A、B间加上恒定电压,R1与R2的电功率之比为( )
(A)2∶1 (B)4∶1
(C)1∶2 (D)1∶4
【答案】
B
【解析】
无
21.一个小球自由下落,经过3s落地。若小球落地时的速度大小为v,下落的高度为h,则(g取10m/s2)( )
(A)v=30m/s,h=45m (B)v=30m/s,h=30m
(C)v=15m/s,h=45m (D)v=15m/s,h=30m
【答案】
A
22.水的摩尔质量为M,则质量为m的水所含分子数为(阿伏伽德罗常数为NA)( )
(A)\(\frac{m}{M}\)NA (B)\(\frac{M}{m}\)NA (C)mNA (D)MNA
【答案】
A
23.下列过程中,主要通过做功方式改变物体内能的是( )
(A)湿衣服中的水蒸发 (B)水中的冰融化
(C)池水在阳光的照射下温度升高 (D)锤子敲击钉子后钉子变热
【答案】
D
24.质量为m的物体在地球表面受到地球的万有引力大小为F。质量为2m的卫星在离地高度为地球半径的2倍处,受到地球的万有引力大小为( )
(A)F/9 (B)2F/9 (C)F/3 (D)2F/3
【答案】
B
【解析】
无
25.某同学在直跑道赛跑,15s跑完全程,前5s平均速度大小为8m/s,后10s平均速度大小为6m/s,则他全程的平均速度大小为( )
(A)6.33m/s (B)6.67m/s (C)7.00m/s (D)7.33m/s
【答案】
B
26.
如图,在电荷量为Q的点电荷电场中,电荷量为q的正检验电荷受到的电场力大小为F,方向向右。则检验电荷所处位置的电场强度( )
(A)大小为F/q,方向向右 (B)大小为F/q,方向向左
(C)大小为F/Q,方向向右 (D)大小为F/Q,方向向左
【答案】
A
27.
如图,地球表面a、b两点因地球自转而做圆周运动,转动周期分别为Ta、Tb,线速度大小分别为va、vb,则( )
(A)Ta>Tb,va>vb (B)Ta<Tb,va<vb
(C)Ta=Tb,va<vb (D)Ta=Tb,va=vb
【答案】
C
28.
右图为一列沿x轴传播的横波在某时刻的波形图,波的频率为4Hz,此时质点b的运动方向沿y轴正向,则该波的传播方向及波速分别为( )
(A)沿x轴正向,8m/s (B)沿x轴正向,16m/s
(C)沿x轴负向,8m/s (D)沿x轴负向,16m/s
【答案】
B
29.
右图电路中,电压U为20V,电阻R1、R2的阻值分别为10Ω、20Ω,理想电流表A的示数为0.6A,则电阻R3的阻值为( )
(A)15Ω (B)20Ω
(C)60Ω (D)100Ω
【答案】
C
30.把一物体匀速搬到某高度,第一次所用时间为5s,克服重力做功为W1,对应的功率为P1;第二次所用时间为8s,克服重力做功为W2,对应的功率为P2。则( )
(A)W1=W2,P1<P2 (B)W1=W2,P1>P2
(C)W1<W2,P1=P2 (D)W1>W2,P1=P2
【答案】
B
31.
在“用DIS研究加速度与力的关系”的实验中,小车质量为m。改变小车所受拉力的大小F,测得小车加速度大小a与F的关系如右图所示。图中直线斜率表示( )
(A)a (B)F (C)m (D)1/m
【答案】
D
32.
如图,气缸倒挂在天花板上,用光滑的活塞密闭一定量的气体,活塞下悬挂一个沙漏。保持温度不变,在沙缓慢漏出的过程中,气体的( )
(A)压强变大,体积变大 (B)压强变大,体积变小
(C)压强变小,体积变大 (D)压强变小,体积变小
【答案】
B
33.
如图,金属线框abcd的平面与匀强磁场方向垂直,开始时ad边在磁场边界处。线框从实线位置向左移动到虚线位置的过程中,框内( )
(A)先有感应电流,后无感应电流 (B)始终存在感应电流
(C)先无感应电流,后有感应电流 (D)始终不存在感应电流
【答案】
A
34.
如图,电压U恒定,A、B两灯泡的电阻阻值不随温度变化。若向右移动滑动变阻器的滑片,则( )
(A)A、B两灯均变亮 (B)A灯变亮,B灯亮度不变
(C)A灯变暗,B灯变亮 (D)A灯变暗,B灯亮度不变
【答案】
D
35.
如图,开口向上且足够长的玻璃管竖直放置,管内长为5cm的水银柱封闭了一段长为6cm的气柱。保持温度不变,将管缓慢转动至水平位置,气柱长度变为(大气压强为75cmHg)( )
(A)5.6cm (B)6.0cm (C)6.4cm (D)7.1cm
【答案】
C
36.
数字化信息系统(DIS)是由传感器、________和计算机三部分构成。“用DIS测变速直线运动的瞬时速度”的实验装置如图所示,则图中实验器材A为_______传感器。
【答案】
数据采集器;光电门
37.在“研究共点力的合成”的实验中,测力前,要先对弹簧测力计进行_______。用一个测力计以及用两个测力计拉橡皮筋时,需将橡皮筋的活动端拉到_______(选填:“相同”或“不同”)位置。
【答案】
调零;相同
38.
右图为“研究感应电流产生的条件”的实验电路图,保持电键S始终闭合。列举使线圈B中产生感应电流的两种方法:①_____________,②____________。
【答案】
上下移动线圈A;移动滑动变阻器滑动片P
39.
如图,一点电荷位于电场中的A点,受到的电场力为F。
(1)该点电荷带有何种电荷?
(2)若A点的电场强度大小为EA,则该点电荷的电荷量是多少?
【答案】
(1)该点电荷带有负电荷。
(2)该点电荷的电荷量为F/EA。
40.
如图,竖直平面内有一光滑轨道abc。小球从a点静止释放,沿轨道在a、c两点间往复运动(不计空气阻力)。
(1)小球从a下降至b的过程中,动能和机械能是如何变化的?
(2)比较a、c两点的高度,并说明原因。
【答案】
(1)小球从a下降至b的过程中,动能增加,机械能不变。
(2)a、c两点高度相同。
因机械能守恒,小球在a、c两点机械能相等,动能均为零,所以重力势能相等,因而高度相等。
2006 - 2026,推荐分辨率 1024*768 以上,推荐浏览器 Chrome、Edge 等现代浏览器,截止 2021 年 12 月 5 日的访问次数:1872 万 9823。 站长邮箱
