1.光的干涉或衍射现象说明光具有______性,而光电效应现象说明光又具有_______性。
【答案】
波动,粒子
2.新华网上海频道2006年3月2日消息:连年强势的“暖冬”天气,去年再次止步上海。中国气象局国家气候中心最新发布的去年冬天全国气温评估报告表明,去年12月至今年2月,上海地区的平均气温为5.4℃,仅比常年(1971~2000年的平均值)同期偏高0.1℃,达不到“暖冬”标准。由此可知,上海地区去年的平均气温相当于______K,仅比常年同期偏高_______K。
【答案】
278.4,0.1
3.已知地球表面赤道附近地磁场为水平方向,则它的磁感线指向地球的地理_______极,若沿赤道架设一条沿水平方向东西走向的输电线,输电线中电流的方向由西向东,则输电线受到地磁场的作用力的方向为________。
【答案】
北,竖直向上
4.
一辆公共汽车出站的过程可以近似地看作匀加速直线运动,其速度-时间图象如右图所示。从图像可以判定:该汽车出站过程加速度的大小为________m/s2,出站过程所通过的位移为_______m。
【答案】
1.5,27
【解析】
无
5.
地铁在设计时使车辆进站时要上坡,出站时要下坡,如下图所示,这样设计车站的好处是_______________________。如果站台高h=3.2m,车辆到达A处时的速度是36km/h,此后关闭发动机,不考虑阻力,车辆到达B处时的速度是_______km/h。
【答案】
节约能源,21.6
【解析】
无
6.
一列沿x轴正方向传播的横波,某时刻的波形如右图所示,则这列波的波长为_______米,该时刻波形上某质点P正在向y轴的_________方向运动(填“正”或“负”)。
【答案】
4,负
【解析】
无
7.一段导体两端电压是4 V,在2 min内通过导体横截面的电量是15 C,则通过该导体电流的大小为______A,这段导体的电阻为________Ω。
【答案】
0.125,32
【解析】
无
8.
带电量大小为3×10-8C的电荷从电场中的A点移到B点时,它的电势能减少了6×10-7J,则,在这个过程中,电场力对该电荷做功的大小为_______J,该电荷带_______电(选填“正”或“负”)。
【答案】
6×10-7,负
9.电扇的叶片上有A、B两点,A点离轴的距离是B点离轴的距离的2倍,当电扇高速运转时,则A、B两点的周期之比TA∶TB=________,加速度之比aA∶aB=_______。
【答案】
1∶1,2∶1
10.
已知某心电图记录仪的出纸速度(纸带移动的速度)是2.5cm/s。下图是用此仪器记录下的某人的心电图,图中每格的边长是0.5cm。由图可知此人的心脏每跳动一次所需要的时间约为__________s,他的心率是_______次/分。
【答案】
0.8,75
11.龟兔赛跑时,兔子运动情况如s-t图中的图线A所示,乌龟不如兔子跑得快,但不停地匀速沿直线向前爬行,结果比兔子早到达同一终点,请在该s-t图中画出乌龟运动的图线。

【答案】
如图

【解析】
无
12.如图所示为一皮带传动装置,请在图中标出皮带上质点A的线速度方向和质点B的加速度方向。

【答案】
如图

【解析】
无
13.如图所示,竖直放置的平行导轨上搁置了一根与导轨接触良好的金属棒ab,水平方向的匀磁场强垂直穿过导轨平面,请在图上标出当金属棒ab下落时,ab棒中感应电流的方向和ab棒所受的磁场力方向。

【答案】
略
【解析】
无
14.如图所示为向“与”门电路的输入端A、B输入的电势信号波形图,请在虚线框内画出“与”门输出的波形图。

【答案】
略
【解析】
无
15.通过斜面理想实验,纠正“维持物体运动需要力”这种错误说法的科学家是( )
(A)牛顿 (B)卡文迪许 (C)伽利略 (D)亚里斯多德
【答案】
C
16.原子的核式结构学说,是卢瑟福根据以下哪个实验或现象提出来的( )
(A)光电效应实验 (B)α粒子散射实验
(C)原子核衰变现象 (D)天然放射现象
【答案】
B
17.下面不属于由万有引力引起的现象是( )
(A)月球绕地球运动而不离去 (B)银河系球形星团聚集不散
(C)树上自由落下的果子总是落向地面 (D)电子绕核旋转而不离去
【答案】
D
18.下列能源中,不是“可再生能源”的是( )
(A)太阳能 (B)天然气 (C)风能 (D)潮汐能
【答案】
B
19.在用DIS实验系统做实验时,通过传感器在显示屏上观察到不同物体的振动图像如下图所示,则弹簧振子振动的图像是( )

【答案】
C
20.原来静止在光滑水平面上的物体,在刚受到一个水平力作用的瞬间( )
(A)物体立刻获得加速度,但速度仍等于零
(B)物体立刻获得速度,但加速度为零
(C)物体立刻获得加速度,也同时也获得速度
(D)物体的加速度和速度都要经过少许时间才能获得
【答案】
A
21.下列各图中,p表示压强,V表示体积,T表示热力学温度,t表示摄氏温度,在下列各图中,正确描述一定质量理想气体等压变化规律的是( )

(A)1和3 (B)3和4
(C)1和2 (D)1和4
【答案】
D
22.在“求共点力的合力”的实验中,用两只弹簧秤分别挂住细绳套,互成夹角地拉橡皮条,使结点到某一位置O点时静止,当用一只弹簧秤拉橡皮条时使结点仍要在_____点静止,这是因为要使合力与其两个分力产生的_______相同。
【答案】
O;效果
23.用多用表可以测量电流、电压和电阻,以上各物理量中在多用表的刻度盘上其刻度分布不均匀的物理量是_______。用多用表测量一只电阻的阻值,以下给出了必要的操作步骤:
a.将红、黑表笔短接,调节欧姆档调零旋钮,使指针指在右端的0Ω刻度处;
b.根据被测电阻的估计值,选择欧姆档的适当倍率;
c.将选择开关旋到OFF档;
d.将红、黑表笔分别接到被测电阻两端的引线上;
e.将指针所指刻度值乘以所选倍率,得到被测电阻的阻值。
将以上步骤前的字母,按正确的操作顺序排列:______________。
【答案】
电阻;badec
24.学生实验“用DIS研究机械能守恒定律”的装置如图(a)所示,某组同学在一次实验中,选择DIS以图像方式显示实验的结果,所显示的图像如图(b)所示。图像的横轴表示小球距D点的高度h,纵轴表示摆球的重力势能Ep、动能Ek或机械能E。试回答下列问题:

(1)图(b)的图像中,表示小球的重力势能Ep、动能Ek、机械能E随小球距D点的高度h变化关系的图线分别是________(按顺序填写相应图线所对应的文字)。
(2)图(a)所示的实验装置中,固定于小球下端、宽度为Δs,且不透光的薄片J是_______,传感器K的名称是________。
(3)根据图(b)所示的实验图像,可以得出的结论是___________。
【答案】
(1)丙?、甲?、乙?
(2)挡光片(或遮光片、遮光板),光电门传感器(或光电门、光电传感器);
(3)在误差允许的范围内,在只有重力做功的情况下,小球的机械能守恒。
【解析】
无
25.在《研究电磁感应现象》的实验中,有如图所示的一些器材,
(1)请选择实验需要的器材,用笔线代替导线将这些实验器材连接成实验电路。

(2)在连接实验电路时,电键S应处于______状态,滑动变阻器的滑动片P应移动到滑动变阻器的_____端(选填“左”或“右”)。
(3)如果要用实验装置获得感应电流,你认为可以有哪些操作方法?写出其中的两种:
①______________________________________________________________________;
②______________________________________________________________________。
【答案】
(2)断开,右端;
(3)①闭合或断开电键瞬间;②电键闭合后向左或向右移动滑动变阻器的滑动片或插入(拔出)原线圈A(软铁芯)。
26.
如图所示,在一个玻璃气缸内,用活塞封闭了一定质量的气体,活塞和柄的总质量为m,活塞的面积为S。当活塞自由放置时,气体体积为V。现缓慢地用力向下推动活塞,使气体的体积减少为0.5V,已知大气压强为p0,求:
(1)活塞自由放置时,气体的压强p1。
(2)气体的体积减少为0.5V时的压强p2。
(3)气体的体积减少为0.5V时,加在活塞手柄上的外力F。
【答案】
(1)p1=p0+\(\frac{{mg}}{S}\)
(2)p2=2(p0+\(\frac{{mg}}{S}\))
(3)F=p0S+mg
【解析】
以气缸中的气体为研究对象
(1)p1=p0+\(\frac{{mg}}{S}\)
(2)因为缓慢推动活塞,所以气缸内气体的温度保持不变,根据玻意耳定律,有
p1V1=p2V2
式中,V1=V,V2=0.5V
得p2=2(p0+\(\frac{{mg}}{S}\))
(3)对手柄进行受力分析有:
mg+F+p0S=p2S
得:F=p0S+mg
评分说明
本题共6分。其中:
(1)1分;
(2)写出玻意耳定律表达式得1分;算出结果2分;
(3)2分。
27.
如图所示,一枚自重为15t的火箭,竖直向上发射,从开始发射到升高3000m的阶段,其发动机产生的向上推力F始终为9.2×105N,不计空气阻力,若火箭在发射阶段的运动可看作匀加速直线运动,求在这个阶段内:
(1)火箭上升的加速度a。
(2)发动机推力F做的功WF。
(3)重力所做的功WG。
(4)到达3000m高空时,火箭的动能Ek。
【答案】
(1)a=51.3 m/s2
(2)WF=2.76×109J
(3)WG=-4.5×103J
(4)Ek=2.31×109J
【解析】
以火箭为研究对象,共受两个力:竖直向下的重力G、竖直向上的推力F
(1)F-mg=ma,
9.2×105-15×103×10=15×103a,
a=51.3 m/s2
(2)WF=Fh=9.2×105×3000J = 2.76×109 J
(3)WG=-mgh=-15×103×10×3000 J=-4.5×103 J
(4)因为v2=2ah,所以
Ek=\(\frac{{1}}{2}\)mv2=mah=15×103×51.3×3000 J=2.31×109 J
评分说明
本题共8分,每小题2分。
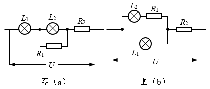
28.有两个小灯泡L1、L2,它们的额定电压和额定功率分别为:“9V 0.5A”、“6.3V 0.3A”。现用两个电阻R1、R2与两个小灯泡组成图(a)与图(b)两个电路,并且每个电路两端的的电压均为U=18V。试问:

(1)当小灯泡在两个电路中都正常发光时,电阻R2消耗的电功率P2与P2ʹ分别为多大。
(2)比较这两个电路哪个更省电?并说明理由。
【答案】
(1)P2=1.35W
P2ʹ=7.2W
(2)图a接法更省电
【解析】
(1)图a中:I2=I10=0.5 A,U2=U-U10-U20=(18-9-6.3)V=2.7 V,
P2=I2U2=0.5×2.7 W=1.35 W
图b中:I2ʹ=I10+I20=0.5A+0.3A=0.8 A,U2ʹ=U-U10=(18-9)V=9 V
P2ʹ=I2ʹU2ʹ=(0.8×9)W=7.2 W
(2)图a中:Pa=UIR1=18×0.5 W=9 W
图b中:Pb=U(IR1+IR2)=18×(0.5+0.3) W=14.4 W
∵ Pa>Pb
∴ 图a接法更省电。
或:∵I1<I2ʹ=I1+I2,∴ Pa=I1U<Pb=I2ʹU,图a接法更省电。
评分说明
本题共8分。
(1)共4分。P2、P2ʹ正确,各得2分。
(2)共4分。Pa、Pb正确,各得1分;结论正确,得2分。
其它各种解法参照给分。
29.
在石油日益紧张的今天,取之不竭的太阳能受到人们的亲睐,如图为一利用太阳能的概念汽车,汽车上表面上的光电池板装置能把40%的太阳能转化成电能,车内电动机又能把90%的电能转化成汽车行驶的机械能。若汽车在行驶时受到的阻力保持不变,光电池板位置能自动调节,与太阳光照射方向始终保持垂直。已知每平方米垂直照射到电池板上太阳光的功率为1.25kW,电池板的总面积为10m2,试问:
(1)3h内照射在电池板上的太阳能有多少?
(2)汽车获得的机械功率是多大?当汽车以最大速度9m/s匀速运动时,汽车的动力F为多大?
【答案】
(1)W=1.35×108 J
(2)P机=4.5 kW
F=500 N
【解析】
(1)W=P0ts=1.25×103×3×3600×10 J=1.35×108 J
(2)P机=P0s·η1·η2=1.25×103×10×0.4×0.9 W=4500 W=4.5 kW
P机=Fvm,
汽车匀速运动时,F=f,
∴F=\(\frac{P}{{{v_m}}}\)=\(\frac{{4500}}{9}\) N=500 N
评分说明
(1)共4分。公式得1分,数据代入得1分,结果得2分。
(2)共4分。算出机械功率得2分,算出汽车动力F得2分。
2006 - 2026,推荐分辨率 1024*768 以上,推荐浏览器 Chrome、Edge 等现代浏览器,截止 2021 年 12 月 5 日的访问次数:1872 万 9823。 站长邮箱
