1.图中 P 为放在匀强电场中的天然放射源,其放出的射线在电场的作用下分成 a、b、c 三束,以下判断正确的是( )
(A)a 为 α 射线、b 为 β 射线
(B)a 为 β 射线、b 为 γ 射线
(C)b 为 γ 射线、c 为 α 射线
(D)b 为 α 射线、c 为 γ 射线
【答案】
BC
2.下列各图中,p 表示压强,V 表示体积,T 表示热力学温度,t 表示摄氏温度,各图中正确描述一定质量理想气体等压变化规律的是( )
【答案】
AC
3.在如图所示电路中,当变阻器 R3 的滑动头 P 向 b 端移动时( )
(A)电压表示数变大,电流表示数变小
(B)电压表示数变小,电流表示数变大
(C)电压表示数变大,电流表示数变大
(D)电压表示数变小,电流表示数变小
【答案】
B
4.如图所示,S1、S2 是振动情况完全相同的两个机械波波源,振幅为 A,a、b、c 三点分别位于 S1、S2 连线的中垂线上,且 ab = bc,某时刻 a 是两列波的波峰相遇点,c 是两列波的波谷相遇点,则( )
(A)a 处质点的位移始终为 2A
(B)c 处质点的位移始终为 − 2A
(C)b 处质点的振幅为 2A
(D)c 处质点的振幅为 2A
【答案】
CD
5.如图所示,A、B 为大小、形状均相同且内壁光滑,但用不同材料制成的圆管,竖直固定在相同高度,两个相同的磁性小球,同时从 A、B 管上端的管口无初速释放,穿过 A 管的小球比穿过 B 管的小球先落到地面,下面对于两管的描述中可能正确的是( )
(A)A 管是用塑料制成的、B 管是用铜制成的
(B)A 管是用铝制成的、B 管是用胶木制成的
(C)A 管是用胶木制成的、B 管是用塑料制成的
(D)A 管是用胶木制成的、B 管是用铝制成的
【答案】
AD
6.如图所示,在粗糙水平面上固定一点电荷 Q,在 M 点无初速释放一带有恒定电量的小物块,小物块在 Q 的电场中运动到 N 点静止,则从 M 点运动到 N 点的过程中( )
(A)小物块所受电场力逐渐减小
(B)小物块具有的电势能减小
(C)M 点的电势一定高于 N 点的电势
(D)小物块电势能变化量的大小一定等于克服摩擦力做的功
【答案】
ABD
7.一航天探测器完成对月球的探测任务后,在离开月球的过程中,由静止开始沿着与月球表面成一倾斜角的直线飞行,先加速运动,再匀速运动,探测器通过喷气而获得推动力,以下关于喷气方向的描述中正确的是( )
(A)探测器加速运动时,沿直线向后喷气
(B)探测器加速运动时,竖直向下喷气
(C)探测器匀速运动时,竖直向下喷气
(D)探测器匀速运动时,不需要喷气
【答案】
C
8.太阳从东方升起西边落下,是地球上的自然现象,但在某些条件下,在纬度较高地区上空飞行的飞机上,旅客可以看到太阳从西边升起的奇妙现象,这些条件是( )
(A)时间必须是在清晨,飞机正在由东向西飞行,飞机的速度必须较大
(B)时间必须是在清晨,飞机正在由西向东飞行,飞机的速度必须较大
(C)时间必须是在傍晚,飞机正在由东向西飞行,飞机的速度必须较大
(D)时间必须是在傍晚,飞机正在由西向东飞行,飞机的速度不能太大
【答案】
C
9.研究物理问题时,常常需要忽略某些次要因素,建立理想化的物理模型,例如“质点”模型忽略了物体的体积、形状,只计其质量。请再写出两个你所学过的物理模型的名称:___________和___________模型。
【答案】
点电荷、理想气体等
10.完成核反应方程:23490Th→23491Pa + __________。
23490Th 变为 23491Pa 的半衰期是 12 分钟,则 64 克23490Th 经过 60 分钟还有____克尚未衰变。
【答案】
0−1e,2
11.按照有关规定,工作场所受到的电磁辐射强度(单位时间内垂直通过单位面积的电磁辐射能量)不得超过 0.50 W/m2,若某一小型无线电通讯装置的电磁辐射功率是1 W,那么在距离该通讯装置_________m 以外是符合规定的安全区域(已知球面面积为 S = 4πR2)。
【答案】
0.40(\(\sqrt {\frac{1}{{2\pi }}} \))
12.在与 x 轴平行的匀强电场中,一带电量为 1.0×10−8 C、质量为 2.5×10−3 kg 的物体在光滑水平面上沿x轴作直线运动,其位移与时间的关系是 x = 0.16t − 0.02t2,式中 x 以 m 为单位,t 以 s 为单位,从开始运动到 5 s 末物体所经过的路程为__________m,克服电场力所作的功为________J。
【答案】
0.34,3.0×10-5
13.磁场具有能量,磁场中单位体积所具有的能量叫做能量密度,其值为 \(\frac{{{B^2}}}{{2\mu }}\),式中 B 是磁感强度,μ 是磁导率,在空气中 μ 为一已知常数,为了近似测得条形磁铁磁极端面附近的磁感强度 B,一学生用一根端面面积为A的条形磁铁吸住一相同面积的铁片 P,再用力将铁片与磁铁拉开一段微小距离 Δl,并测出拉力 F,如图所示,因为 F 所作的功等于间隙中磁场的能量,所以由此可得磁感强度 B 与 F、A 之间的关系为 B =_________________。
【答案】
\(\sqrt {\frac{{2\mu F}}{A}} \)
14.如图所示为一显示薄膜干涉现象的实验装置,P 是附有肥皂膜的铁丝圈,S是一点燃的酒精灯,往火焰上洒些盐后,在肥皂膜上观察到的干涉图象应是下图中的( )

【答案】
D
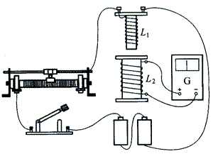
15.
如图所示器材可用来研究电磁感应现象及判定感应电流方向。
(1)在给出的实物图中,用实线作为导线将实验仪器连成实验电路。
(2)将线圈 L1 插入 L2中,合上开关,能使感应电流与原电流的绕行方向相同的实验操作是( )
(A)插入软铁棒
(B)拨出线圈 L1
(C)使变阻器阻值变大
(D)断开开关
【答案】
(1)

(2)BCD
16.如图所示为一实验小车中利用光电脉冲测量车速和行程的装置的示意图,A 为光源,B 为光电接收器,A、B 均固定在车身上,C 为小车的车轮,D 为与 C 同轴相连的齿轮,车轮转动时,A 发出的光通过旋转齿轮上齿的间隙后变成光脉冲信号,被 B 接收并转换成电信号,由电子电路记录和显示,若实验显示单位时间内的脉冲数为 n,累计脉冲数为 N,则要测出小车的速度和行程还必须测量的物理量或数据是___________;小车速度的表达式为 v =___________;行程的表达式为 s =___________。
【答案】
车轮半径 R 和齿轮的齿数 p,\(\frac{{2\pi Rn}}{p}\),\(\frac{{2\pi RN}}{p}\)
17.有一组同学对温度计进行专题研究,他们通过查阅资料得知十七世纪时伽利略曾设计过一个温度计,其结构为:一麦杆粗细的玻璃管,一端与一鸡蛋大小的玻璃泡相连,另一端竖直插在水槽中,并使玻璃管内吸入一段水柱,根据管中水柱高度的变化可测出相应的温度。为了研究“伽利略温度计”,同学们按照资料中的描述自制了如图所示的测温装置,图中 A 为一小塑料瓶,B 为一吸管,通过软木塞与 A 连通,管的下端竖直插在大水槽中,使管内外水面有一高度差 h,然后进行实验研究:
(1)在不同温度下分别测出对应的水柱高度 h,记录的实验数据如下表所示
|
温度(℃) |
17 |
19 |
21 |
23 |
25 |
27 |
|
h(cm) |
30.0 |
24.9 |
19.7 |
14.6 |
9.4 |
4.2 |
|
Δh = hn − 1 − hn |
5.1 |
|
|
|
|
|
(2)根据表中数据计算相邻两次测量水柱的高度差,并填入表内的空格,由此可得结论:
①当温度升高时,管内水柱高度 h 将_________(填:变大,变小,不变);
②水柱高度 h 随温度的变化而_________(填:均匀,不均匀)变化。试从理论上分析并证明结论②的正确性(提示:管内水柱产生的压强远远小于一个大气压)。
__________________________________________________________________________________________。
(2)通过实验,同学们发现用“伽利略温度计”来测温度,还存在一些不足之处,其中主要的不足之处有:
①____________________________________;
②____________________________________。
【答案】
(1)5.2,5.1,5.2,5.2
①变小
②均匀,①变小,②均匀,封闭气体近似作等压变化:\(\frac{V}{T}\) = \(\frac{{\Delta V}}{{\Delta T}}\) = k(k 为常数),ΔV = kΔT = kΔt,所以 Δh = \(\frac{{\Delta V}}{S}\) = \(\frac{{k\Delta t}}{S}\),即 h 随温度的变化而均匀变化(S 为管的截面积)
(2)①测量温度范围小,②温度读数受大气压影响
18.已知某一区域的地下埋有一根与地表面平行的直线电缆,电缆中能有变化的电流,在其周围有变化的磁场,因此可以通过在地面上测量闭合试探小线圈中的感应电动势来探测电缆的确切位置、走向和深度。当线圈平面平行地面测量时,在地面上 a、c 两处测得试探线圈中的电动势为零,b、d 两处线圈中的电动势不为零;当线圈平面与地面成 45° 夹角时,在 b、d 两处测得试探线圈中的电动势为零,经过测量发现,a、b、c、d 好位于边长为 1 米的正方形的四个顶角上,如图所示,据此可以判断地下电缆在________两点的正下方,离地表面的深度为_________米。
【答案】
ac,0.71
19.上端开口的圆柱形气缸竖直放置,截面积为 0.2 m2 的活塞将一定质量的气体和一形状不规则的固体 A 封闭在气缸内,温度为 300 K 时,活塞离气缸底部的高度为 0.6 m;将气体加热到 330 K 时,活塞上升了 0.05 m,不计摩擦力及固体体积的变化,求物体 A 的体积。
【答案】
设 A 的体积为 V,由题意知,T1 = 300 K,T2 = 330 K,S = 0.2 m2,h1 = 0.6 m,h2 = 0.65 m,由盖-吕克萨定律得
\(\frac{{{h_1}S - V}}{{{T_1}}}\) = \(\frac{{{h_2}S - V}}{{{T_2}}}\)
代入数据解得 V = 0.02 m3。
20.一卫星绕某行星作匀速圆周运动,已知行星表面的重力加速度为 g行,行星的质量 M 与卫星的质量 m 之比 \(\frac{M}{m}\)= 81,行星的半径 R行 与卫星的半径 R卫 之比 \(\frac{{{R_行}}}{{{R_卫}}}\) = 3.6,行星与卫星之间的距离 r 与行星的半径 R行 之比 \(\frac{r}{{{R_行}}}\) = 60。设卫星表面的重力加速度为 g卫,则在卫星表面有:
G \(\frac{{Mm}}{{{r^2}}}\) = mg卫,…………
经过计算得出:卫星表面的重力加速度为行星表面的重力加速度的三千六百分之一。上述结果是否正确?若正确,列式证明;若错误,求出正确结果。
【答案】
所得结果是错误的。式中的 g卫 并不是卫星表面的重力加速度,而是卫星绕行星作匀速圆周运动的向心加速度。
g卫 = 0.16g行
【解析】
所得结果是错误的。
式中的 g卫 并不是卫星表面的重力加速度,而是卫星绕行星作匀速圆周运动的向心加速度。
正确解是:
卫星表面 G \(\frac{m}{{R_卫^2}}\) = g卫 ①
行星表面 G \(\frac{m}{{R_行^2}}\) = g行 ②
联立得 \(\frac{{{g_卫}}}{{{g_行}}}\) = \({\left( {\frac{{{R_行}}}{{{R_卫}}}} \right)^2}\frac{m}{M}\)
代入数据得 g卫 = 0.16g行。
21.
如图所示,一自行车上连接踏脚板的连杆长 R1,由踏脚板带动半径为 r1 的大齿盘,通过链条与半径为 r2 的后轮齿盘连接,带动半径为 R2 的后轮转动。
(1)设自行车在水平路面上匀速行进时,受到的平均阻力为 f,人蹬踏脚板的平均作用力为 F,链条中的张力为 T,地面对后轮的静摩擦力为 fs,通过观察,写出传动系统中有几个转动轴,分别写出对应的力矩平衡表达式;
(2)设 R1 = 20 cm,R2 = 33 cm,踏脚大齿盘与后轮齿盘的齿数分别为 48 和 24,计算人蹬踏脚板的平均作用力与平均阻力之比;
(3)自行车传动系统可简化为一个等效杠杆,以 R1 为一力臂,在右框中画出这一杠杆示意图,标出支点,力臂尺寸和作用力方向。
【答案】
(1)自行车传动系统中的转动轴个数为 2,对踏脚齿盘中心的轴可列出:FR1 = Tr1
对后轮的轴:Tr2 = fsR2
(2)3.3
(3)
【解析】
(1)自行车传动系统中的转动轴个数为 2,对踏脚齿盘中心的轴,由力矩平衡得:
FR1 = Tr1 ①
对后轮的轴,,由力矩平衡得:
Tr2 = fsR2 ②
(2)由上两式及 fs = f ③
可得 \(\frac{{F{R_1}}}{{{f_s}{R_2}}}\) = \(\frac{{{r_1}}}{{{r_2}}}\) = \(\frac{{48}}{{24}}\) ④
解得 \(\frac{F}{f}\) = \(\frac{{{r_1}{R_2}}}{{{r_2}{R_1}}}\) = \(\frac{{48 \times 33}}{{24 \times 20}}\) = 3.3 ⑤
(3)杠杆示意图如图所示。
22.如图所示,两条互相平行的光滑金属导轨位于水平面内,距离为 l = 0.2 m,在导轨的一端接有阻值为 R = 0.5 Ω 的电阻,在 x ≥ 0 处有一与水平面垂直的均匀磁场,磁场的磁感应强度 B = 0.5 T。一质量为 m = 0.1 kg 的金属直杆垂直放置在导轨上,并以 v0 = 2 m/s 的初速度进入磁场,在安培力和一垂直于杆的水平外力 F 的共同作用下作匀变速直线运动,加速度大小为 a = 2 m/s2,方向与初速度方向相反。设导轨和金属杆的电阻都可以忽略,且接触良好。求:
(1)电流为零时金属杆所处的位置。
(2)电流为最大值的一半时施加在金属杆上外力 F 的大小和方向。
(3)保持其他条件不变,而初速度 v0 取不同值,求开始时 F 的方向与初速度 v0 取值的关系。
【答案】
(1)x = 1 m
(2)向右运动时 F =0.18 N,方向与 x 轴正方向相反。
向左运动时 F = 0.22 N,方向与 x 轴正方向相反。
(3)当 v0 < 10 m/s 时,方向与 x 轴正方向相反,
当 v0 > 10 m/s 时,方向与 x 轴正方向相同。
【解析】
(1)金属直杆切割产生的感应电动势为 E = Blv,感应电流的大小为 I = \(\frac{E}{R}\),当 I = 0 时,v0 = 0。
由运动学公式得
x = \(\frac{{v_0^2}}{{2a}}\) = \(\frac{{{2^2}}}{{2 \times 2}}\) m = 1 m ①
(2)金属直杆运动的速度最大时有最大电流
Imax = \(\frac{{Bl{v_0}}}{R}\),I′ = \(\frac{1}{2}\)Imax = \(\frac{{Bl{v_0}}}{2R}\)
金属直杆受到的安培力为
FA = BI′l = \(\frac{{{B^2}{l^2}{v_0}}}{{2R}}\) = \(\frac{{{{0.5}^2} \times {{0.2}^2} \times 2}}{{2 \times 0.5}}\) N = 0.02 N ②
金属直杆向右运动时,由牛顿第二定律得
F + FA = ma
解得 F = ma – FA = 0.18 N,方向与 x 轴正方向相反。 ③
金属直杆向左运动时,由牛顿第二定律得
F − FA = ma
解得 F = ma + FA = 0.22 N,方向与x轴正方向相反。 ④
(3)开始时:v = v0,FA = \(\frac{{{B^2}{l^2}{v_0}}}{R}\)
由牛顿第二定律得
F + FA = ma,解得 F = ma – FA = ma − \(\frac{{{B^2}{l^2}{v_0}}}{R}\) ⑤
当 v0 < \(\frac{{maR}}{{{B^2}{l^2}}}\) = \(\frac{{0.1 \times 2 \times 0.5}}{{{{0.5}^2} \times {{0.2}^2}}}\) m/s = 10 m/s 时,F > 0,方向与 x 轴正方向相反,⑥
当 v0 > \(\frac{{maR}}{{{B^2}{l^2}}}\) = 10 m/s 时,F < 0,方向与 x 轴正方向相同。 ⑦
23.如图所示为利用电磁作用输送非导电液体装置的示意图,一边长为 L、截面为正方形的塑料管道水平放置,其右端面上有一截面积为 A 的小喷口,喷口离地的高度为 h,管道中有一绝缘活塞,在活塞的中部和上部分别嵌有两根金属棒 a、b,其中棒 b 的两端与一电压表相连,整个装置放在竖直向上的匀强磁场中,当棒 a 中通有垂直纸面向里的恒定电流 I 时,活塞向右匀速推动液体从喷口水平射出,液体落地点离喷口的水平距离为 s,若液体的密度为 ρ,不计所有阻力,求:
(1)活塞移动的速度
(2)该装置的功率
(3)磁感强度 B 的大小
(4)若在实际使用中发现电压表的读数变小,试分析其可能的原因。
【答案】
(1)v = \(\frac{{As}}{{{L^2}}}\sqrt {\frac{g}{{2h}}} \)
(2)P = \(\frac{{A\rho ({L^4} - {A^2}){s^3}}}{{2{L^4}}}\sqrt {{{\left( {\frac{g}{{2h}}} \right)}^3}} \)
(3)B = \(\frac{{\rho ({L^4} - {A^2}){s^2}g}}{{4Ih{L^3}}}\)
(4)喷口液体的流量减少,活塞移动速度减小,或磁场变小等
【解析】
(1)设液体从喷口水平喷出的速度为v0,活塞移动的速度为v,则 v0=s,v0A=vL2,所以v=\(\frac{{As}}{{{L^2}}}\sqrt {\frac{g}{{2h}}} \)
(2)设装置功率为P,Δt时间内有Δm质量的液体喷出
PΔt=Δm(v02-v2)/2,Δm=vL2Δtρ,
所以P=Aρ (1-A2/L4 )v03/2=\(\frac{{A\rho ({L^4} - {A^2}){s^3}}}{{2{L^4}}}\sqrt {{{\left( {\frac{g}{{2h}}} \right)}^3}} \)
(3)P=F安v,得L2ρv(1-)v02=BILv,得B=\(\frac{{\rho ({L^4} - {A^2}){s^2}g}}{{4Ih{L^3}}}\)
(4)因为U=BLv,所以喷口液体的流量减少,活塞移动速度减小,或磁场变小等会引起电压表读数变小。
2006 - 2026,推荐分辨率 1024*768 以上,推荐浏览器 Chrome、Edge 等现代浏览器,截止 2021 年 12 月 5 日的访问次数:1872 万 9823。 站长邮箱
