1.国际单位制中,属于基本单位的是( )
(A)千克 (B)特斯拉 (C)牛顿 (D)库仑
【答案】
A
【解析】
2.下列各种射线中,属于电磁波的是( )
(A)α射线 (B)β射线 (C)γ射线 (D)阴极射线
【答案】
C
【解析】
3.
如图,质量为m的物体沿倾角为α的固定光滑斜面下滑,则物体对斜面压力的大小为( )
(A)mgsinα (B)mgcosα
(C)mgtanα (D)mgcotα
【答案】
B
【解析】
4.静电场的电场线( )
(A)可以相交 (B)是闭合的曲线
(C)起始于正电荷,终止于负电荷 (D)是点电荷在电场中运动的轨迹
【答案】
C
【解析】
5.
如图,O点为弹簧振子的平衡位置,小球在B、C间做无摩擦的往复运动。若小球从C点第一次运动到O点历时0.ls,则小球振动的周期为( )
(A)0.1s (B)0.2s
(C)0.3s (D)0.4s
【答案】
D
【解析】
6.
如图,一固定光滑斜面高为H,质量为m的小物体沿斜面从顶端滑到底端。在此过程( )
(A)物体的重力势能增加了mgH
(B)物体的重力势能减少了mgH
(C)重力对物体做的功大于mgH
(D)重力对物体做的功小于mgH
【答案】
B
【解析】
7.质量为2kg的质点仅受两个力作用,两个力的大小分别为16N和20N。则该质点加速度的最大值为( )
(A)2m/s2 (B)4m/s2 (C)18m/s2 (D)36m/s2
【答案】
C
【解析】
8.
右图为一物体运动的s-t图像,在0到4s的时间内,该物体的位移为( )
(A)1m (B)2m
(C)5m (D)6m
【答案】
A
【解析】
9.某种气体在不同温度下的分子速率分布曲线如图所示,f(v) 表示分子速率v附近单位速率区间内的分子数百分率。曲线 Ⅰ 和 Ⅱ 所对应的温度分别为 TⅠ 和 TⅡ,所对应的气体分子平均动能分别为 Ek1 和 Ek2,则( )
(A)TⅠ>TⅡ,Ek1>Ek2 (B)TⅠ>TⅡ,Ek1<Ek2
(C)TⅠ<TⅡ,Ek1>Ek2 (D)TⅠ<TⅡ,Ek1<Ek2
【答案】
D
【解析】
10.质量为1kg的物体做自由落体运动,下落1s时重力的瞬时功率为(g取10m/s2)( )
(A)5W (B)10W (C)50W (D)100W
【答案】
D
【解析】
11.
如图,时钟正常工作,比较时针、分针和秒针转动的角速度和周期,秒针的( )
(A)角速度最大,周期最大
(B)角速度最大,周期最小
(C)角速度最小,周期最大
(D)角速度最小,周期最小
【答案】
B
【解析】
12.
右图为电阻①和电阻②的I-U图像,两电阻的阻值分别为R1和R2。把两电阻串联后接入电路,通过它们的电流大小分别为I1和I2,则( )
(A)R1>R2,I1=I2 (B)R1<R2,I1=I2
(C)R1>R2,I1<I2 (D)R1<R2,I1>I2
【答案】
A
【解析】
13.
右图为一质点运动的v-t图像,则该质点在1s末的加速度和3s末的速度分别为( )
(A)4m/s2,4m/s (B)2m/s2,2m/s
(C)2m/s2,4m/s (D)4m/s2,2m/s
【答案】
C
【解析】
14.
如图,水平直线表示电场中的一条电场线,A、B为电场线上的两点。一负点电荷仅在电场力作用下,从静止开始由A向B做匀加速运动。则从A到B,电场强度( )
(A)逐渐增大,方向向左 (B)保持不变,方向向左
(C)逐渐增大,方向向右 (D)保持不变,方向向右
【答案】
B
【解析】
15.
竖直墙上A、B、C三处各有一个水平细钉子,光滑圆环如图悬挂,圆环与三个钉子均有接触。A、B、C三点中,A在圆环的最高点,C与圆环的圆心等高,则圆环受到钉子的弹力情况是( )
(A)可能只有A处有 (B)可能只有A、B两处有
(C)一定只有B、C两处有 (D)A、B、C三处一定都有
【答案】
A
【解析】
对圆环进行受力分析,A、B、C、D四个选项的对应的受力分析图如下图(a)、(b)(c)、(d)所示:

由(a)可以看出,圆环受到G和FA两个力作用,两者等大反向一直线,符合平衡条件,所以选项A正确。图(b)显示圆环受到三个力作用,这三个力明显合力不为零,因此不可能受力平衡,选项B不正确。图(c)和图(d)的情况圆环都有可能静止,但并不是唯一的情况,因此选项C和D都是不正确的。
16.卢瑟福通过________实验,否定了汤姆孙的原子结构模型,提出了原子的_______结构模型。
【答案】
α粒子散射,核式
【解析】
17.
右图为一列横波在某一时刻的波形图,则该波的波长为_______m;若波速为2m/s,则该波的周期为_______s。
【答案】
8,4
【解析】
18.密闭在钢瓶中的气体,温度从27℃变为57℃,用热力学温标表示,温度升高了_____K,气体的压强变为原来的____倍。
【答案】
30,1.1
【解析】
19.A、B两质点相距为R,质量分别为mA和mB,且mA=3mB。A受到B的万有引力大小为FA,B受到A的万有引力大小为FB,则FA∶FB=________;若将它们之间的距离增大到2R,这时A受到B的万有引力大小为FAʹ,则FA∶FAʹ=_______。
【答案】
1∶1,4∶1
【解析】
20.
如图,面积S=5.0×10-4m2的正方形导线框处于磁感应强度B=2.0×10-3T的匀强磁场边缘,线框平面与磁场方向垂直。在线框向左进入磁场的过程中,线框中的感应电流为________(选填“顺时针”或“逆时针”)方向,穿过线框磁通量的最大值为_______Wb。
【答案】
逆时针,1.0×10-6
【解析】
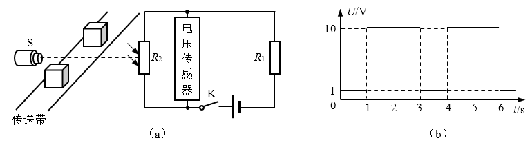
21.图(a)是流水线上的产品输送及计数装置示意图,其中S为光源,R1为定值电阻,R2为光敏电阻(无光照射时阻值大,有光照射时阻值小),电源电压恒为12V。产品随传送带匀速运动,当产品通过S与R2之间时,射向R2的光束会被挡住。合上电键K,R2两端的电压随时间变化的关系如图(b)所示。则每分钟通过计数装置的产品个数为______个,有光照射和无光照射时R2的功率之比为______。

【答案】
20,11∶20
【解析】
22.如图,小球沿一竖直面内的光滑圆弧轨道下滑,O为圆心。画出小球在图示位置处的受力示意图。

【答案】

【解析】
22.
如图,导体棒ab在匀强磁场中沿金属导轨运动时,产生的感应电流I到的方向从a到b,MN为螺线管中的一根磁感线。在图中画出:
①导体棒ab受到的磁场力的方向;
②磁感线MN的方向。
【答案】

【解析】
23.在练习使用多用表的实验中
(1)用多用表的欧姆档测量阻值Rx约为数十kΩ的电阻。以下是测量过程中的一些主要实验步骤:
a.将两表笔短接,调节欧姆档调零旋钮,使指针对准刻度盘上欧姆档的零刻度,然后断开两表笔
b.旋转选择开关至交流电压最大量程处(或“OFF”档),并拔出两表笔
c.旋转选择开关至欧姆档×1k
d.将两表笔分别连接到被测电阻的两端,读出阻值Rx,断开两表笔
以上实验步骤的正确顺序是________(填写步骤前的字母)。
实验中,多用表的指针位置如图(a)所示,则此被测电阻的阻值约为_____kΩ。
(2)为了较精确地测量另一定值电阻的阻值Ry,采用图(b)所示的电路。电源电压U恒定,电阻箱接入电路的阻值可调且能直接读出。
①用多用表测电路中的电流,则与a点相连的是多用表的____(选填“红”或“黑”)表笔。
②闭合电键,多次改变电阻箱阻值R,记录相应的R和多用表读数I,得到R-的关系如图(c)所示。则Ry=______Ω,电源电压U=____V。

【答案】
(1)cadb,17
(2)①红,②200,8
【解析】
24.
如图(a)所示,内壁光滑、粗细均匀、左端封闭的玻璃管水平放置。横截面积S=2.0×10-5m2的活塞封闭一定质量的气体,气柱长度l0=20cm,压强与大气压强相同。缓慢推动活塞,当气柱长度变为l=5cm时,求:(大气压强p0=1.0×105Pa,环境温度保持不变)
(1)玻璃管内气体的压强p;
(2)作用在活塞上的推力大小F。
(3)在图(b)中画出推动活塞过程中,气体经历的状态变化过程。

【答案】
(1)p=4.0×105 Pa
(2)F=6 N
(3)管内气体变化过程如图所示

【解析】
(1)玻璃管内气体等温变化,由玻意耳定律 p0V0=pV,
得 p=\(\frac{{{p_0}{V_0}}}{V}\)=\(\frac{{{p_0}{l_0}}}{l}\)=\(\frac{{1.0 \times {{10}^5} \times 0.2}}{{0.05}}\)Pa=4.0×105 Pa
(2)活塞受力平衡,p0+F=pS
F=(p-p0)S=(4.0×105-1.0×105)×2×10-5 N=6 N
(3)等温变化中p-\(\frac{1}{V}\)图线为过原点的倾斜直线。
25.
如图所示电路中,电源电压U恒定,Ⅰ和Ⅱ是电阻箱,Ⅲ是定值电阻。调节两电阻箱Ⅰ、Ⅱ的阻值R1、R2,但保持R1与R2之和不变,当R1=R2时,安培表A的示数为0.4A,伏特表V1和V2的示数分别为4V和9V。求:
(1)R1与R2之和;
(2)定值电阻Ⅲ的阻值R3。
(3)调节电阻箱的过程中,安培表A的示数会发生变化。分别求出安培表A的示数最大和最小时,电阻箱Ⅰ的阻值。
【答案】
(1)R1+R2=20Ω
(2)R3=40Ω
(3)当R1=0Ω或R1=20Ω时,安培表示数有最大值。
当R1=10Ω时,安培表示数有最小值。
【解析】
(1)在题设条件下,电阻箱Ⅰ的阻值为R1=\(\frac{{{U_1}}}{{{I_1}}} = \frac{4}{{0.4}}\)Ω=10Ω
按题意有 R2=R1=10Ω
则 R1+R2=20Ω
(2)通过电阻箱Ⅱ的电流I2=\(\frac{{{U_2} - {U_1}}}{{{R_2}}} = \frac{{9 - 4}}{{10}}\)A=0.5A
通过定值电阻的电流 I3=I2-I1=(0.5-0.4)A=0.lA
定值电阻的阻值为 R3=\(\frac{{{U_1}}}{{{I_3}}} = \frac{4}{{0.1}}\)Ω=40Ω
(3)当两个电阻箱阻值分别为R1和R2=20-R1时,设安培表的示数为I1,有
\({I_1} = {I_总}\frac{{{R_3}}}{{{R_1} + {R_3}}} = \frac{{{U_2}}}{{\frac{{{R_1}{R_3}}}{{{R_1} + {R_3}}} + {R_2}}} \times \frac{{{R_3}}}{{{R_1} + {R_3}}} = \frac{{360}}{{ - R_1^2 + 20{R_1} + 800}} = \frac{{360}}{{ - {{({R_1} - 10)}^2} + 900}}\)
当R1=0Ω或R1=20Ω时,安培表示数有最大值。
当R1=10Ω时,安培表示数有最小值。
26.如图,ABC为一竖直面内的光滑轨道,AB段和BC段均为直线,且在B处平滑连接,AB段与水平面的夹角为37°。D、E是轨道上的两点,D点的高度h1=0.6m,E点的高度h2=0.2m。质量m=1.6kg的小物体,受水平向左的恒力F的作用,从D点由静止开始,沿AB向下做匀加速直线运动。当物体运动到B点时撤去F,物体继续沿BC段斜向上运动,至E点时速度为零。求:(sin37°=0.6,cos37°=0.8,g取10m/s2)
(1)物体经过B点时的速率;
(2)物体所受恒力F的大小。
(3)在保持其他条件不变的前提下,F的大小变为4.8N:
①若物体在BC上运动的最大高度与D点的高度相同,求F的方向;
②若F取不同方向,则物体在BC上能达到不同的最大高度,求最大高度的取值范围。

【答案】
(1)vB=2m/s
(2)F=8N
(3)①F可以取垂直于AB向下或向上两个方向
②0.3m≤h≤0.9m
【解析】
(1)物体从B点到E点过程中机械能守恒
\(\frac{1}{2}\)mvB2=mgh2
得: vB=\(\sqrt {2g{h_2}} = \sqrt {2 \times 10 \times 0.2} \)m/s=2m/s (3分)
(2)DB长 s=\(\frac{{{h_1}}}{{\sin 37^\circ }} = \frac{{0.6}}{{0.6}}\)m=1m
沿AB下滑的加速度大小 a=\(\frac{{v_B^2}}{{2s}} = \frac{{{2^2}}}{{2 \times 1}}\)m/s2=2m/s2
由牛顿第二定律:mgsin37°-Fcos37°=ma
得: F=\(\frac{{mg\sin 37^\circ - ma}}{{\cos 37^\circ }} = \frac{{1.6 \times 10 \times 0.6 - 1.6 \times 2}}{{0.8}}\)N=8N (3分)
(3)
①因为物体在BC轨道上到达的最大高度与D点等高,可以断定:除重力做功之外,其他力不做功,即F不做功,F一定垂直于物体运动方向。因为F<mgcos37°,F可以取垂直于AB向下或向上两个方向。
②(a)当F沿斜面向上时,物体的加速度最小,到达B点时的速度vB1最小,在BC轨道上能到达的最大高度值最小。设此种情况下的加速度为a1,由牛顿第二定律
mgsin37°-F=ma1,得a1=3m/s2,vB1=\(\sqrt {2{a_1}s} = \sqrt {2 \times 3 \times 1} m/s = \sqrt 6 m/s\),
物体在BC轨道上能到达的最大高度为 hmax1=\(\frac{{v_{B1}^2}}{{2g}}\)=0.3m。
(b)当F沿斜面向下时,物体的加速度最大,到达B点时的速度vB2最大,在BC轨道上能到达的最大高度值最大。设此种情况下的加速度为a2,由牛顿第二定律
mgsin37°+F=ma2,得a2=9m/s2,vB2=\(\sqrt {2{a_2}s} = \sqrt {2 \times 9 \times 1} m/s = 3\sqrt 2 m/s\),
物体在BC轨道上能到达的最大高度为 hmax2=\(\frac{{v_{B2}^2}}{{2g}}\)=0.9m。
因此,物体在BC上能到达的最大高度范围是0.3m≤h≤0.9m。
2006 - 2026,推荐分辨率 1024*768 以上,推荐浏览器 Chrome、Edge 等现代浏览器,截止 2021 年 12 月 5 日的访问次数:1872 万 9823。 站长邮箱
