1.2025 年 5 月我国成功发射通信技术试验卫星十九号,若该系列试验卫星中 A、B 两颗卫星均可视为绕地球做匀速圆周运动,轨道半径 rA > rB,则卫星 A 比 B( )
A.线速度小、角速度小 B.线速度小、运行周期小
C.加速度大、角速度大 D.加速度大、运行周期大
【答案】
A
2.许多放射性元素要经过多次衰变才能达到稳定,衰变过程中既有 α 衰变也有 β 衰变。下列说法正确的是( )
A.元素发生 α 衰变后质量数增加 B.衰变过程中存在质量亏损
C.低温会增大放射性元素的半衰期 D.β 衰变说明原子核内存在电子
【答案】
B
【解析】
A.α 衰变会释放出氦核(质量数 4),母核质量数减少 4,故 A 错误;
B.衰变释放能量,根据质能方程,总质量减少(质量亏损),故 B 正确;
C.半衰期由核内部结构决定,与温度无关,故 C 错误;
D.β 衰变的电子是中子转化为质子时产生的,并非核内原有电子,故 D 错误。
故选 B。
3.
一种名为“飞椅”的游乐设施如图所示,该设施中钢绳一端系着座椅,另一端系在悬臂边缘。绕竖直轴转动的悬臂带动座椅在水平面内做匀速圆周运动,座椅可视为质点,则某座椅运动一周的过程中( )
A.动量保持不变 B.所受合外力做功为零
C.所受重力的冲量为零 D.始终处于受力平衡状态
【答案】
B
【解析】
座椅在水平面内做匀速圆周运动,速度大小不变,方向改变
A.根据 p = mv 可知动量大小不变,方向改变,故 A 错误;
B.速度大小不变,则座椅的动能不变,根据动能定理可知所受合外力做功为零,故 B 正确;
C.根据 IG = mgt 可知所受重力的冲量不为零,故 C 错误;
D.座椅在水平面内做匀速圆周运动,一定有向心加速度,所以不是处于受力平衡状态,故 D 错误。
故选 B。
4.
如图所示,一定质量的理想气体可经三个不同的过程从状态 A 变化到状态 C,则( )
A.AC 和 ADC 过程,外界对气体做功相同
B.ABC 和 ADC 过程,气体放出的热量相同
C.在状态 A 时和在状态 C 时,气体的内能相同
D.在状态 B 时和在状态 D 时,气体分子热运动的平均动能相同
【答案】
C
【解析】
A.根据 W = pV,AC 过程的压强总比 ADC 过程的压强大,则 AC 过程外界对气体做功多,故 A 错误;
B.同理可知 ABC 过程外界对气体做功比 ADC 过程大,根据热力学第一定律 ΔU = W + Q 可知 ABC 过程气体放出的热量多,故 B 错误;
C.根据理想气体状态方程结合题图可知状态 A 时和在状态 C 温度相等,则气体内能相同,故 C 正确;
D.根据理想气体状态方程可知状态 B 的温度高于状态 D 的温度,则状态 B 气体分子热运动的平均动能大,故 D 错误。
故选 C。
5.
在进行双缝干涉实验时,用光传感器测量干涉区域不同位置的光照强度,可以方便地展示干涉条纹分布。a、b 两束单色光分别经过同一双缝干涉装置后,其光照强度与位置的关系如图所示,图中光照强度极大值位置对应亮条纹中心,极小值位置对应暗条纹中心,上下两图中相同横坐标代表相同位置,则( )
A.a、b 的光子动量大小相同
B.a 的光子能量小于 b 的光子能量
C.在真空中,a 的波长大于 b 的波长
D.通过同一单缝衍射装置,a 的中央亮条纹窄
【答案】
D
6.
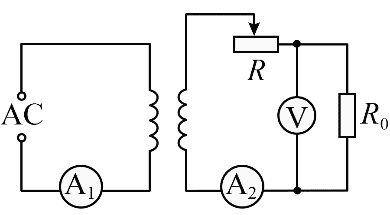
如图所示,理想变压器的原线圈接在电压有效值不变的正弦交流电源上,副线圈接有滑动变阻器和定值电阻,各电表均为理想交流电表。当滑动变阻器的滑动片向右滑动时,则( )
A.电流表 A1 的示数变小 B.电流表 A2 的示数变小
C.电压表 V 的示数变大 D.变压器的输入功率变大
【答案】
CD
7.
位于坐标原点的波源从平衡位置开始沿 y 轴运动,在均匀介质中形成了一列沿 x 轴正方向传播的简谐波,P 和 Q 是平衡位置分别位于 x = 3 m 和 x = 7 m 处的两质点,t = 0 时波形如图所示,此时 Q 刚开始振动,t = 1 s 时 Q 第一次到达波谷。则( )
A.该波在此介质中的波速为 2 m/s
B.波源开始振动时的运动方向沿 y 轴负方向
C.P 的位移随时间变化的关系式为 y = sinπt cm
D.平衡位置位于 x = 9 m 处的质点在 t = 6 s 时第一次到达波峰
【答案】
AB
8.
如图所示,在一固定点电荷形成的电场中,一试探电荷仅在静电力作用下先后经过 a、b 两点,图中箭头方向表示试探电荷在 a、b 两点处的受力方向,则( )
A.a 点电势一定高于 b 点电势 B.试探电荷与场源电荷电性一定相同
C.a 点电场强度一定大于 b 点电场强度 D.试探电荷的电势能一定先减小后增大
【答案】
BC
【解析】
AB.根据点电荷电场分布特点和试探电荷受力情况,试探电荷轨迹如图所示。
可知,点电荷位于 O 点,两电荷带同种电荷,由于电性无法判断,所以点电荷周围电场方向无法判断,a 点电势和 b 点电势高低无法判断,故 A 错误,B 正确;
C.由于 a 点离点电荷较近,由 E = \(\frac{{kQ}}{{{r^2}}}\) 可知,a 点电场强度一定大于 b 点电场强度,故 C 正确;
D.由轨迹图可知,电场力方向与运动方向的夹角先为钝角,后为锐角,所以电场力先做负功,后做正功,试探电荷的电势能一定先增大后减小,故 D 错误;
故选 BC。
9.
某实验小组探究平抛运动的特点。
(1)实验采用图示装置,将白纸和复写纸重叠并固定在竖直背板上,钢球在斜槽中某一高度滚下,从末端水平飞出,落在挡板上,在白纸上挤压出一个痕迹点。移动挡板,重复实验,在白纸上留下若干痕迹点。为正确研究钢球运动的规律,将白纸从背板上取下前还应根据___________在白纸上标记竖直方向;
(2)利用手机和计算机可以方便地记录钢球做平抛运动的轨迹并分析其运动规律。该实验小组利用视频处理软件分析钢球某次平抛运动的录制视频,得到的水平位移和竖直位移随时间变化的图像如图所示。图中图线___________(选填“甲”或“乙”)为水平位移随时间变化的图线,此次钢球做平抛运动的初速度为___________米/秒。

【答案】
(1)铅垂线
(2)甲,2
9.某同学用伏安法测量电阻 Rx 的阻值(约为 5 Ω)。除滑动变阻器、电源(电动势为 3 V,内阻不计)、开关、导线外,还有下列器材可供选择:
A.电压表(量程 0 ~ 3 V,内阻约为 3 kΩ)
B.电压表(量程 0 ~ 15 V,内阻约为 15 kΩ)
C.电流表(量程 0 ~ 0.6 A,内阻约为 0.1 Ω)
D.电流表(量程 0 ~ 3 A,内阻约为 0.02 Ω)
(1)为使测量尽量准确,实验中电压表应选___________,电流表应选___________(均填器材前的字母代号);
(2)该同学连接好的电路如下图所示,闭合开关后,电流表和电压表的读数均为零,经排查,发现电路中的七条导线中混进了一条内部断开的导线。为了确定哪条导线断开,该同学用多用电表的直流电压挡测量电源正极 a 与接线柱 b 间电压,读数为零;测量 a 与接线柱 c 间电压,读数不为零,则可以确定导线___________内部断开(填图中导线编号);

(3)更换导线后进行实验,该同学测得多组电压数据 U 和电流数据 I,描绘出 U–I 图像如图所示,测得图中直线的斜率为 k,已知电压表的内阻为 RV,若考虑电压表内阻的影响,则 Rx 阻值的表达式为___________。
【答案】
(1)A,C
(2)6
(3)\(\frac{{k{R_{\rm{V}}}}}{{{R_{\rm{V}}} - k}}\)
10.
如图所示,半径为 R = 0.45 m 的四分之一圆轨道AB竖直固定放置,与水平桌面在 B 点平滑连接。质量为 m = 0.12 kg 的玩具小车从 A 点由静止释放,运动到桌面上 C 点时与质量为 M = 0.18 kg 的静置物块发生碰撞并粘在一起,形成的组合体匀减速滑行 x = 0.20 m 至 D 点停止。A 点至 C 点光滑,小车和物块碰撞时间极短,小车、物块及组合体均视为质点,g 取 10 m/s2,不计空气阻力。求:
(1)小车运动至圆轨道 B 点时所受支持力 FN 的大小;
(2)小车与物块碰撞后瞬间组合体速度 v 的大小;
(3)组合体与水平桌面 CD 间的动摩擦因数 μ 的值。
【答案】
(1)FN = 3.6 N
(2)v = 1.2 m/s
(3)μ = 0.36
11.
如图所示,纸面内水平虚线下方存在竖直向上的匀强电场,虚线上方存在垂直于纸面的匀强磁场。一质量为 m、电荷量为 q 的粒子从电场中的 O 点以水平向右的速度开始运动,在静电力的作用下从 P 点进入磁场,射入磁场时的速度大小为 v、方向与竖直方向夹角为 θ,粒子返回电场前的运动轨迹过 P 点正上方的 Q 点,P、Q 间距离及 O、P 间的水平距离均为 L。不计粒子重力。
(1)判断粒子的电性;
(2)求电场强度大小 E;
(3)求磁感应强度大小 B。
【答案】
(1)正电
(2)E = \(\frac{{m{v^2}\sin \theta \cos \theta }}{{qL}}\)
(3)B = \(\frac{{2mv\sin \theta }}{{qL}}\)
12.轴向磁通风力发电机在新能源领域中有广泛应用,其原理可简化为一圆盘发电机。如图所示,发电机的中心轴为固定不动的圆柱,一外半径为 3l、厚度均匀的环形导体盘套在轴上,接触良好并可绕轴转动,导体盘轴线与中心轴的轴线重合。整个装置处在方向与轴线平行的匀强磁场中,磁感应强度大小为 B。在风力的作用下,导体盘以角速度 ω 匀速转动,导体盘的内、外缘为发电机的两个电极。两极接在外电阻两端后,导体盘上各处均有沿半径流动的电流。

(1)磁场方向与导体盘转动方向如图所示,试判断导体盘的外缘是发电机的正极还是负极;
(2)若外电阻阻值为 R,导体盘电阻忽略不计、内半径为 l,通过导体盘上相同圆心角区域内的电流相同。求作用在导体盘上圆心角为 θ 区域(θ 很小,可视为导体棒)上的安培力大小 F 与 θ 的关系式;
(3)若外电阻阻值忽略不计,导体盘电阻不可忽略,距离轴线为 r 处的电阻率 ρ 与 r 成正比,比例系数为 k,即 ρ = kr,导体盘厚度为 d、内半径大小可调。求导体盘发热功率最大时内半径的大小。
【答案】
(1)正极
(2)F = \(\frac{{4{B^2}{l^3}\omega }}{{\pi R}}\)θ
(3)x = l
【解析】
(1)根据右手定则可知导体盘的外缘是发电机的正极。
(2)……
(3)如图所示,设距离轴线为 r 处的沿半径方向的微小长度为 Δr、横截面积为 θrd 的导体电阻为 ΔRʹ,有
……
2006 - 2026,推荐分辨率 1024*768 以上,推荐浏览器 Chrome、Edge 等现代浏览器,截止 2021 年 12 月 5 日的访问次数:1872 万 9823。 站长邮箱
