1.光子能量 E = hν,式中 ν 是光子的频率,h 是普朗克常量。h 的单位是( )
A.J·s B.N·s C.kg D.m
【答案】
A
2.2025 年 4 月 30 日,“神舟十九号载人飞船”返回舱安全着陆,宇航员顺利出舱。在其返回过程中,下列说法正确的是( )
A.研究返回舱运行轨迹时,可将其视为质点
B.随着返回舱不断靠近地面,地球对其引力逐渐减小
C.返回舱落地前,反推发动机点火减速,宇航员处于失重状态
D.用返回舱的轨迹长度和返回时间,可计算其平均速度的大小
【答案】
A
3.
如图所示,在水平桌面上放置一斜面,在桌边水平放置一块高度可调的木板。让钢球从斜面上同一位置静止滚下,越过桌边后做平抛运动。当木板离桌面的竖直距离为 h 时,钢球在木板上的落点离桌边的水平距离为 x,则( )
A.钢球平抛初速度为 x\(\sqrt {\frac{{2h}}{g}} \)
B.钢球在空中飞行时间为 \(\sqrt {\frac{{2h}}{g}} \)
C.增大 h,钢球撞击木板的速度方向不变
D.减小 h,钢球落点离桌边的水平距离不变
【答案】
B
4.
一束高能电子穿过铝箔,在铝箔后方的屏幕上观测到如图所示的电子衍射图样则( )
A.该实验表明电子具有粒子性
B.图中亮纹为电子运动的轨迹
C.图中亮纹处电子出现的概率大
D.电子速度越大,中心亮斑半径越大
【答案】
C
5.
如图所示的 LC 振荡电路,能减小其电磁振荡周期的措施是( )
【答案】
D
6.
如图所示,两根相同的橡皮绳,一端连接质量为 m 的物块,另一端固定在水平桌面上的 A、B 两点。物块处于 AB 连线的中点 C 时,橡皮绳为原长。现将物块沿 AB 中垂线水平拉至桌面上的 O 点静止释放。已知 CO 距离为 L,物块与桌面间的动摩擦因数为 μ,橡皮绳始终处于弹性限度内,不计空气阻力,则释放后( )
A.物块做简谐运动
B.物块只受到重力、橡皮绳弹力和摩擦力的作用
C.若 ∠AOB = 90° 时每根橡皮绳的弹力为 F,则物块所受合力大小为 \(\sqrt 2 \)F
D.若物块第一次到达 C 点的速度为 v0,此过程中橡皮绳对物块做的功 W = \(\frac{1}{2}\)mv02 + μmgL
【答案】
D
7.
如图所示,风光互补环保路灯的主要构件有:风力发电机,单晶硅太阳能板,额定电压 48 V 容量 200 Ah 的储能电池,功率 60 W 的 LED 灯。已知该路灯平均每天照明 10 h;1 kg 标准煤完全燃烧可发电 2.8 度,排放二氧化碳 2.6 kg。则( )
A.风力发电机的输出功率与风速的平方成正比
B.太阳能板上接收到的辐射能全部转换成电能
C.该路灯正常运行6年,可减少二氧化碳排放量约 1.2×106 kg
D.储能电池充满电后,即使连续一周无风且阴雨,路灯也能正常工作
【答案】
D
8.
一束 α 粒子撞击一静止的金原子核,它们的运动轨迹如图所示。图中虚线是以金原子核为圆心的圆。已知静电力常量 k = 9.0×109 N·m2/C2,元电荷 e = 1.6×10−19 C,金原子序数为 79,不考虑 α 粒子间的相互作用,则( )
A.沿轨迹 1 运动的 α 粒子受到的库仑力先做正功,后做负功
B.沿轨迹 2 运动的 α 粒子到达 P 时动能为零、电势能最大
C.位于图中虚线圆周上的 3 个 α 粒子的电势能不相等
D.若 α 粒子与金原子核距离为 10−14 m,则库仑力数量级为 102 N
【答案】
D
9.高空抛物伤人事件时有发生,成年人头部受到 500 N的冲击力,就会有生命危险。设有一质量为 50 g 的鸡蛋从高楼坠落,以鸡蛋上、下沿接触地面的时间差作为其撞击地面的时间,上、下沿距离为 5 cm,要产生 500 N 的冲击力,估算鸡蛋坠落的楼层为( )
A.5 层 B.8 层 C.17 层 D.27 层
【答案】
C
10.如图甲所示,有一根长 1 m、两端固定紧绷的金属丝,通过导线连接示波器。在金属丝中点处放置一蹄形磁铁,在中点附近 1.00 cm 范围内产生 B = 10−3 T、方向垂直金属丝的匀强磁场(其他区域磁场忽略不计)。现用一激振器使金属丝发生垂直于磁场方向的上下振动,稳定后形成如图乙所示的不同时刻的波形,其中最大振幅 A = 0.5 cm。若振动频率为f,则振动最大速度 v = 2πfA。已知金属丝接入电路的电阻 r = 0.5 Ω,示波器显示输入信号的频率为 150 Hz。下列说法正确的是( )

A.金属丝上波的传播速度为 \(\frac{3}{2}\)π m/s
B.金属丝产生的感应电动势最大值约为 \(\frac{3}{2}\)π×10−3 V
C.若将示波器换成可变电阻,则金属丝的最大输出功率约为 \(\frac{9}{16}\)π2×10−10 W
D.若让激振器产生沿金属丝方向的振动,其他条件不变,则金屑丝中点的振幅为零
【答案】
C
11.下列说法正确的是( )
A.热量能自发地从低温物体传到高温物体
B.按照相对论的时间延缓效应,低速运动的微观粒子寿命比高速运动时更长
C.变压器原线圈中电流产生的变化磁场,在副线圈中激发感生电场,从而产生电动势
D.热敏电阻和电阻应变片两种传感器,都是通过测量电阻,确定与之相关的非电学量
【答案】
CD
12.氢原子从 n = 4、6 的能级向 n = 2 的能级跃迁时分别发出光 P、Q。则( )

A.P、Q 经过甲图装置时屏上谱线分别为 2、1
B.若乙图玻璃棒能导出 P 光,则一定也能导出 Q 光
C.若丙图是 P 入射时的干涉条纹,则 Q 入射时条纹间距减小
D.P、Q 照射某金属发生光电效应,丁图中的点 1、2 分别对应 P、Q
【答案】
BC
13.
月球有类似于地球的南北两极和纬度。如图所示,月球半径为 R,表面重力加速度为 g月,不考虑月球自转。从月球北极正上方水平发射一物体,要求落在纬度 φ = 60° 的 M 处,其运动轨迹为椭圆的一部分。假设月球质量集中在球心 O 点,如果物体沿椭圆运动的周期最短,则( )
A.发射点离月面的高度 h = \(\frac{{\sqrt 3 }}{4}\)R
B.物体沿椭圆运动的周期为 \(\frac{{3\pi }}{4}\sqrt {\frac{{3R}}{{{g_月}}}} \)
C.此椭圆两焦点之间的距离为 \(\frac{{\sqrt 3 }}{2}\)R
D.若水平发射的速度为 v,发射高度为 h,则物体落到 M 处的速度 \(\sqrt {{v^2} + 2{g_月}h} \)
【答案】
BC
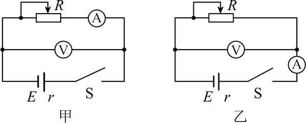
14.在测量一节干电池的电动势和内阻的实验中。

(1)为了减小测量误差,如图所示的电路中应该选择的是___________(选填“甲”或“乙”);
(2)通过调节滑动变阻器,测得多组 U、I 数据,记录于下表。试在答题纸上的方格纸中建立合适的标度,描点并作出 U–I 图像,由此求得电动势 E =________V,内阻 r =________Ω。(结果均保留到小数点后两位)
|
次数 |
1 |
2 |
3 |
4 |
5 |
|
U/V |
1.35 |
1.30 |
1.25 |
1.20 |
1.15 |
|
I/A |
0.14 |
0.22 |
0.30 |
0.37 |
045 |
【答案】
(1)甲
(2)1.46 ~ 1.48,0.61 ~ 0.63

14.在用单摆测重力加速度的实验中。

(1)如图 1 所示,可在单摆悬点处安装力传感器,也可在摆球的平衡位置处安装光电门。甲同学利用力传感器,获得传感器读取的力与时间的关系图像,如图 2 所示,则单摆的周期为___________s(结果保留 3 位有效数字)。乙同学利用光电门,从小钢球第 1 次遮光开始计时,记下第 n 次遮光的时刻 t,则单摆的周期为 T =___________;
(2)丙同学发现小钢球已变形,为减小测量误差,他改变摆线长度 l,测出对应的周期T,作出相应的 l–T2 关系图线,如图 3 所示。由此算出图线的斜率 k 和截距 b,则重力加速度 g =___________,小钢球重心到摆线下端的高度差 h =___________;(结果均用 k、b 表示)
(3)丁同学用 3D 打印技术制作了一个圆心角等于 5°、半径已知的圆弧槽,如图 4 所示。他让小钢球在槽中运动,测出其运动周期,算出重力加速度为 8.64 m/s2。若周期测量无误,则获得的重力加速度明显偏离实际值的最主要原因是___________。
【答案】
(1)1,\(\frac{{2t}}{{n - 1}}\)
(2)\(\frac{{4{\pi ^2}}}{k}\),kb
(3)小钢球有具体形状和大小,不能将其看作质点,其质心的运动轨迹半径与圆弧槽半径有偏差,导致计算时所用“摆长”不准确。
15.
“拔火罐”是我国传统医学的一种疗法。治疗时,医生将开口面积为 S 的玻璃罐加热,使罐内空气温度升至 t1,然后迅速将玻璃罐倒扣在患者皮肤上(状态 1)。待罐内空气自然冷却至室温 t2,玻璃罐便紧贴在皮肤上(状态 2)。从状态 1 到状态 2 过程中罐内气体向外界放出热量 7.35 J。已知 S = 1.6×10−3 m2,t1 = 77℃,t2 = 27℃。忽略皮肤的形变,大气压强 p0 = 1.05×105 Pa。求 :
(1)状态 2 时罐内气体的压强;
(2)状态 1 到状态 2 罐内气体内能的变化;
(3)状态 2 时皮肤受到的吸力大小。
【答案】
(1)9×104 Pa
(2)减少 7.35 J
(3)24 N
16.某兴趣小组设计了一传送装置,其竖直截面如图所示。AB 是倾角为 30° 的斜轨道,BC 是以恒定速率 v0 顺时针转动的水平传送带,紧靠 C 端有半径为 R、质量为 M 置于光滑水平面上的可动半圆弧轨道,水平面和传送带 BC 处于同一高度,各连接处平滑过渡。现有一质量为 m 的物块,从轨道 AB 上与 B 相距 L 的 P 点由静止下滑,经传送带末端 C 点滑入圆弧轨道。物块与传送带间的动摩擦因数为 μ,其余接触面均光滑。已知 R = 0.36 m,L = 1.6 m,v0 = 5 m/s,m = 0.2 kg,M = 1.8 kg,μ = 0.25。不计空气阻力,物块可视为质点,传送带足够长。求物块

(1)滑到 B 点处的速度大小;
(2)从 B 点运动到 C 点过程中摩擦力对其做的功;
(3)在传送带上滑动过程中产生的滑痕长度;
(4)即将离开圆弧轨道最高点的瞬间,受到轨道的压力大小。
【答案】
(1)4 m/s
(2)09 J
(3)0.2 m
(4)3 N
17.如图所示,某兴趣小组设计了一新型两级水平电磁弹射系统。第一级由间距为l的水平金属导轨、可在导轨上滑行的导电动子、输出电压恒为U的电源和开关 S 组成,由此构成的回路总电阻为 R1;第二级由固定在动子上间距也为 l 的导电“⊂”形滑杆、锁定在滑杆上可导电的模型飞机组成,由此构成的回路总电阻为 R2。另外在第二级回路内固定一超导线圈,它与第一、第二两级回路三者彼此绝缘。导轨间存在方向竖直向下、磁感应强度大小为 B 的匀强磁场。接通开关 S,动子从静止开始运动,所受阻力与其速度成正比,比例系数为 k。当动子运动距离为 xm 时(可视为已匀速),立即断开 S,在极短时间内实现下列操作:首先让超导线圈通上大电流,产生竖直方向的强磁场,在第二级回路中产生磁通量 Φ;再让超导线圈断开,磁场快速消失,同时解锁飞机,对飞机实施第二次加速,飞机起飞。已知动子及安装其上所有装备的总质量为 M,其中飞机质量为 m,在运动过程中,动子始终与导轨保持良好接触,忽略导轨电阻。

(1)求动子在接通 S 瞬间受力的大小;
(2)求第一级弹射过程中动子能达到的最大速度 vm;
(3)求第一级弹射过程中电源输出的总能量 W;
(4)判断超导线圈中电流方向(俯视),并求飞机起飞时的速度大小。
【答案】
(1)F = \(\frac{{BUl}}{{{R_1}}}\)
(2)vm = \(\frac{{BUl}}{{{B^2}{l^2} + k{R_1}}}\)
(3)W = (\(\frac{{U - Bl{v_{\rm{m}}}}}{{{R_1}}}\))2R1\(\frac{{{x_{\rm{m}}}}}{{{v_{\rm{m}}}}}\) + B\(\frac{{U - Bl{v_{\rm{m}}}}}{{{R_1}}}\)lxm
(4)电流方向(俯视)为顺时针,v = \(\frac{{BUl}}{{{B^2}{l^2} + k{R_1}}}\) + \(\frac{{B\Phi l}}{{m{R_2}}}\)
18.利用磁偏转系统可以测量不同核反应中释放的高能粒子能量,从而研究原子核结构。如图 1 所示,用回旋加速器使氘原子核(21H)获得 2.74 MeV 动能,让其在 S 处撞击铝(2713Al)核发生核反应,产生处于某一激发态和基态的同位素核(2813Al)以及两种不同能量的质子(11H)。产生的质子束经狭缝X沿水平直径方向射入半径为 R,方向垂直纸面向里、大小为 B 的圆形匀强磁场区域,经偏转后打在位于磁场上方的探测板上 A、D 处(探测板与磁场边界相切于 A 点,D 点与磁场圆心 O 处在同一竖直线上),获得如图 2 所示的质子动能的能谱。

(1)写出氘核撞击铝核的核反应方程;
(2)求 A、D 的间距 L;
(3)若从回旋加速器引出的高能氘核流为 1.0 mA,求回旋加速器的输出功率;
(4)处于激发态的 2813Al 核会发生 β 衰变,核反应方程是 2813Al→2814Si + 0−1e。若 2813Al 核质量等于 2814Si 核质量,电子质量为 0.51 MeV/c2,在上述两个核反应过程中,原子核被视为静止,求衰变释放的能量。
【答案】
(1)21H + 2713Al→2813Al + 11H
(2)\(\frac{{\sqrt 3 }}{3}\)R
(3)2.74×103 W
(4)0.25 MeV
2006 - 2025,推荐分辨率 1024*768 以上,推荐浏览器 Chrome、Edge 等现代浏览器,截止 2021 年 12 月 5 日的访问次数:1872 万 9823。 站长邮箱
