1.关于原子核衰变,下列说法正确的是( )
A.原子核衰变后生成新核并释放能量,新核总质量等于原核质量
B.大量某放射性元素的原子核有半数发生衰变所需时间,为该元素的半衰期
C.放射性元素的半衰期随环境温度升高而变长
D.采用化学方法可以有效改变放射性元素的半衰期
【答案】
B
【解析】
A.原子核衰变时释放能量,根据质能方程,总质量会减少,新核总质量小于原核质量,故 A 错误;
B.半衰期定义为大量放射性原子核半数发生衰变所需的时间,题干中强调“大量”,符合定义,故 B 正确;
C.半衰期由原子核内部结构决定,与温度无关,故 C 错误;
D.半衰期不受化学方法影响,因化学变化不改变原子核性质,故 D 错误。
故选 B。
2.如图,物块以某一初速度滑上足够长的固定光滑斜面,物块的水平位移、竖直位移、水平速度、竖直速度分别用 x、y、vx、vy 表示。物块向上运动过程中,下列图像可能正确的是( )
【答案】
C
3.如图,ABC 为半圆柱体透明介质的横截面,AC 为直径,B 为 ABC 的中点。真空中一束单色光从 AC 边射入介质,入射点为 A 点,折射光直接由 B 点出射。不考虑光的多次反射,下列说法正确的是( )
A.入射角 θ 小于 45°
B.该介质折射率大于 \(\sqrt 2 \)
C.增大入射角,该单色光在 BC 上可能发生全反射
D.减小入射角,该单色光在 AB 上可能发生全反射
【答案】
D
4.我国研制的“天问二号”探测器,任务是对伴地小行星及彗星交会等进行多目标探测。某同学提出探究方案,通过释放卫星绕小行星进行圆周运动,可测得小行星半径 R 和质量 M。为探测某自转周期为 T0 的小行星,卫星先在其同步轨道上运行,测得距离小行星表面高度为 h,接下来变轨到小行星表面附近绕其做匀速圆周运动,测得周期为 T1。已知引力常量为 G,不考虑其他天体对卫星的引力,可根据以上物理得到 R = \(\frac{{{a^{\frac{2}{3}}}}}{{{b^{\frac{2}{3}}} - {a^{\frac{2}{3}}}}}\)h,M = \(\frac{{4{\pi ^2}{R^3}}}{{G{c^2}}}\)。下列选项正确的是( )
A.a 为 T1,b 为 T0,c 为 T1 B.a 为 T1,b 为 T0,c 为 T0
C.a 为 T0,b 为 T1,c为 T1 D.a 为 T0,b 为 T1,c 为 T0
【答案】
A
5.
如图,两带电小球的质量均为 m,小球 A 用一端固定在墙上的绝缘轻绳连接,小球 B 用固定的绝缘轻杆连接。A 球静止时,轻绳与竖直方向的夹角为 60°,两球连线与轻绳的夹角为 30°,整个系统在同一竖直平面内,重力加速度大小为 g。下列说法正确的是( )
A.A 球静止时,轻绳上拉力为 2mg
B.A 球静止时,A 球与 B 球间的库仑力为 2mg
C.若将轻绳剪断,则剪断瞬间 A 球加速度大小为 g
D.若将轻绳剪断,则剪断瞬间轻杆对 B 球的作用力变小
【答案】
C
【解析】
AB.根据题意 A 球静止时,对 A 球受力分析,如图所示
由平行四边形定则及几何关系,轻绳上拉力为 T = mg
A 球与 B 球间的库仑力 F = 2mgcos30° = \(\sqrt 3 \)mg
故 AB 错误;
C.若将轻绳剪断,则剪断瞬间A球受到轻绳的拉力消失,其它两力保持不变,根据三力平衡知识,此时A球的合外力大小为 mg,则加速度大小为 g,故 C 正确;
D.若将轻绳剪断,则剪断瞬间 B 球受到的库仑力、重力不变,小球仍然处在静止状态,则轻杆对 B 球的作用力不变,故 D 错误。
故选 C。
6.
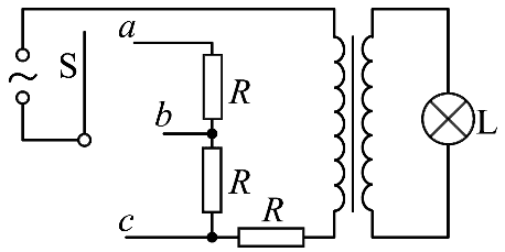
如图,某小组设计了灯泡亮度可调的电路,a、b、c 为固定的三个触点,理想变压器原、副线圈匝数比为 k,灯泡 L 和三个电阻的阻值均恒为 R,交变电源输出电压的有效值恒为 U。开关 S 与不同触点相连,下列说法正确的是( )
A.S 与 a 相连,灯泡的电功率最大
B.S 与 a 相连,灯泡两端的电压为 \(\frac{{kU}}{{{k^2} + 3}}\)
C.S 与 b 相连,流过灯泡的电流为 \(\frac{U}{{({k^2} + 2)R}}\)
D.S 与 c 相连,灯泡的电功率为 \(\frac{{{U^2}}}{{({k^2} + 1)R}}\)
【答案】
B
7.
如图,A(0,0)、B(4,0)、C(0,3)在 xy 平面内,两波源分别置于 A、B 两点。t = 0 时,两波源从平衡位置起振,起振方向相同且垂直于 xy 平面。频率均为 2.5 Hz。两波源持续产生振幅相同的简谐横波,波分别沿 AC、BC 方向传播,波速均为 10 m/s。下列说法正确的是( )
A.两横波的波长均为 4 m
B.t = 0.4 s 时,C 处质点加速度为 0
C.t = 0.4 s 时,C 处质点速度不为 0
D.t = 0.6 s 时,C 处质点速度为 0
【答案】
AD
8.
一匀强电场的方向平行于 xOy 平面,平面内 A 点和 B 点的位置如图所示。电荷量为 + q、− q 和 + 2q 的三个试探电荷先后分别置于 O 点、A 点和 B 点时,电势能均为 Ep(Ep > 0)。下列说法正确的是( )
A.OA 中点的电势为零
B.电场的方向与 x 轴正方向成 60° 角
C.电场强度的大小为 \(\frac{{\sqrt 2 {E_{\rm{p}}}}}{{qd}}\)
D.电场强度的大小为 \(\frac{{2\sqrt 2 {E_{\rm{p}}}}}{{qd}}\)
【答案】
AD
【解析】
A.根据题意可知 O 点、A 点和 B 点的电势分别为 φO = \(\frac{{{E_{\rm{p}}}}}{q}\),φA = − \(\frac{{{E_{\rm{p}}}}}{q}\),φB = \(\frac{{{E_{\rm{p}}}}}{2q}\)。故 OA 中点的电势为 φM = \(\frac{1}{2}\)(φO + φA) = 0。
故 A 正确;
B.如图,设 N 点为 AB 的三等分点,同理易知 N 点电势为 0,连接 MN 为一条等势线,过 A 点做 MN 的垂线,可知电场线沿该垂线方向,指向右下方,由 AM = AN 可知 ∠NMA = 45°,故电场的方向与 x 轴正方向成 45° 角,故 B 错误;
CD.电场强度的大小为
E = \(\frac{{0 - ( - \frac{{{E_{\rm{p}}}}}{q})}}{{\frac{1}{2}d\cos 45^\circ }}\) = \(\frac{{2\sqrt 2 {E_{\rm{p}}}}}{{qd}}\)
故 C 错误,D 正确。
故选 AD。
9.
如图,关于 x 轴对称的光滑导轨固定在水平面内,导轨形状为抛物线,顶点位于 O 点。一足够长的金属杆初始位置与 y 轴重合,金属杆的质量为 m,单位长度的电阻为 r0。整个空间存在竖直向上的匀强磁场,磁感应强度为 B。现给金属杆一沿 x 轴正方向的初速度 v0,金属杆运动过程中始终与 y 轴平行,且与电阻不计的导轨接触良好。下列说法正确的是( )
A.金属杆沿 x 轴正方向运动过程中,金属杆中电流沿 y 轴负方向
B.金属杆可以在沿 x 轴正方向的恒力作用下做匀速直线运动
C.金属杆停止运动时,与导轨围成的面积为 \(\frac{{m{v_0}{r_0}}}{{{B^2}}}\)
D.若金属杆的初速度减半,则金属杆停止运动时经过的距离小于原来的一半
【答案】
AC
10.如图,某爆炸能量测量装置由装载台和滑轨等构成,C 是可以在滑轨上运动的标准测量件,其规格可以根据测量需求进行调整。滑轨安装在高度为 h 的水平面上。测量时,将弹药放入装载台圆筒内,两端用物块 A 和 B 封装,装载台与滑轨等高。引爆后,假设弹药释放的能量完全转化为 A 和 B 的动能。极短时间内 B 嵌入 C 中形成组合体 D,D 与滑轨间的动摩擦因数为 μ。D 在滑轨上运动 s1 距离后抛出,落地点距抛出点水平距离为 s2,根据 s2 可计算出弹药释放的能量。某次测量中,A、B、C 质量分别为 3m、m、5m,s1 = \(\frac{h}{\mu }\),整个过程发生在同一竖直平面内,不计空气阻力,重力加速度大小为 g。则( )
A.D 的初动能与爆炸后瞬间 A 的动能相等
B.D 的初动能与其落地时的动能相等
C.弹药释放的能量为 36mgh(1 + \(\frac{{s_2^2}}{{4{h^2}}}\))
D.弹药释放的能量为 48mgh(1 + \(\frac{{s_2^2}}{{4{h^2}}}\))
【答案】
BD
11.某同学通过观察小球在黏性液体中的运动,探究其动力学规律,步骤如下:

(1)用螺旋测微器测量小球直径 D 如图 1 所示,D =__________mm。
(2)在液面处由静止释放小球,同时使用频闪摄影仪记录小球下落过程中不同时刻的位置,频闪仪每隔 0.5 s 闪光一次。装置及所拍照片示意图如图 2 所示(图中的数字是小球到液面的测量距离,单位是 cm)。
(3)根据照片分析,小球在 A、E 两点间近似做匀速运动,速度大小 v =__________m/s(保留 2 位有效数字)。
(4)小球在液体中运动时受到液体的黏滞阻力 f = kDv(k 为与液体有关的常量),已知小球密度为 ρ,液体密度为 ρ0,重力加速度大小为 g,则 k 的表达式为 k =__________(用题中给出的物理量表示)。
(5)为了进一步探究动力学规律,换成直径更小的同种材质小球,进行上述实验,匀速运动时的速度将__________(填“增大”“减小”或“不变”)。
【答案】
(1)2.207
(3)0.010
(4)\(\frac{{(\rho - {\rho _0})g\pi {D^2}}}{{6v}}\)
(5)减小
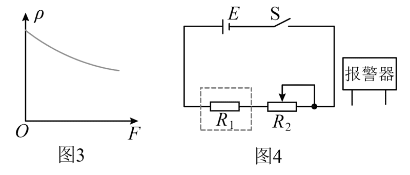
12.车辆运输中若存在超载现象,将带来安全隐患。由普通水泥和导电材料混合制成的导电水泥,可以用于监测道路超载问题。某小组对此进行探究。
(1)选择一块均匀的长方体导电水泥块样品,用多用电表粗测其电阻。将多用电表选择开关旋转到“×1 k”挡,正确操作后,指针位置如图 1 所示,则读数为__________Ω。
(2)进一步提高实验精度,使用伏安法测量水泥块电阻,电源 E 电动势 6 V,内阻可忽略,电压表量程 0 ~ 6 V,内阻约 10 kΩ,电流表程 0 ~ 600 μA,内阻约 100 Ω。实验中要求滑动变阻器采用分压接法,在图 2 中完成余下导线的连接__________。

(3)如图 2,测量水泥块的长为 a,宽为 b,高为 c。用伏安法测得水泥块电阻为 R,则电阻率 ρ =__________(用 R、a、b、c 表示)。
(4)测得不同压力 F 下的电阻 R,算出对应的电阻率 ρ,作出 ρ–F 图像如图 3 所示。

(5)基于以上结论,设计压力报警系统,电路如图 4 所示。报警器在两端电压大于或等于 3 V 时启动,R1 为水泥块,R2 为滑动变阻器,当 R2 的滑片处于某位置,R1 上压力大于或等于 F0 时,报警器启动。报警器应并联在__________两端(填“R1”或“R2”)。
(6)若电源 E 使用时间过长,电动势变小,R1 上压力大于或等于 F1 时,报警器启动,则 F1__________F0(填“大于”“小于”或“等于”)。
【答案】
(1)8000
(2)如图(采用电流表内接法)

(3)\(\frac{{Rab}}{c}\)
(5)R2
(6)大于
13.
用热力学方法可测量重力加速度。如图所示,粗细均匀的细管开口向上竖直放置,管内用液柱封闭了一段长度为 L1 的空气柱。液柱长为 h,密度为 ρ。缓慢旋转细管至水平,封闭空气柱长度为 L2,大气压强为 p0。
(1)若整个过程中温度不变,求重力加速度 g 的大小;
(2)考虑到实验测量中存在各类误差,需要在不同实验参数下进行多次测量,如不同的液柱长度、空气柱长度、温度等。某次实验测量数据如下,液柱长 h = 0.20 m,细管开口向上竖直放置时空气柱温度 T1 = 305.7 K。水平放置时调控空气柱温度,当空气柱温度 T2 = 300.0 K 时,空气柱长度与竖直放置时相同。已知 ρ = 1.0×103 kg/m3,p0 = 1.0×105 Pa。根据该组实验数据,求重力加速度 g 的值。
【答案】
(1)g = \(\frac{{{p_0}({L_2} - L)}}{{\rho h{L_1}}}\)
(2)g = 9.5 m/s2
14.
如图。直流电源的电动势为 E0,内阻为 r0,滑动变阻器 R 的最大阻值为 2r0,平行板电容器两极板水平放置,板间距离为 d,板长为 \(\sqrt 3 \)d,平行板电容器的右侧存在方向垂直纸面向里的匀强磁场。闭合开关 S,当滑片处于滑动变阻器中点时,质量为 m 的带正电粒子以初速度 v0 水平向右从电容器左侧中点 a 进入电容器,恰好从电容器下极板右侧边缘 b 点进入磁场,随后又从电容器上极板右侧边缘 c 点进入电容器,忽略粒子重力和空气阻力。
(1)求粒子所带电荷量 q;
(2)求磁感应强度 B 的大小;
(3)若粒子离开 b 点时,在平行板电容器的右侧再加一个方向水平向右的匀强电场,场强大小为 \(\frac{{4\sqrt 3 {E_0}}}{{3d}}\),求粒子相对于电容器右侧的最远水平距离 xm。
【答案】
(1)q = \(\frac{{mv_0^2}}{{{E_0}}}\)
(2)B = \(\frac{{2{E_0}}}{{d{v_0}}}\)
(3)\(\frac{{2 + \sqrt 3 }}{2}\)d
15.
某地为发展旅游经济,因地制宜利用山体举办了机器人杂技表演。表演中,需要将质量为 m 的机器人抛至悬崖上的 A 点,图为山体截面与表演装置示意图。a、b 为同一水平面上两条光滑平行轨道,轨道中有质量为 M 的滑杆。滑杆用长度为 L 的轻绳与机器人相连。初始时刻,轻绳绷紧且与轨道平行,机器人从 B 点以初速度 v 竖直向下运动,B 点位于轨道平面上,且在 A 点正下方,AB = 1.2L。滑杆始终与轨道垂直,机器人可视为质点且始终作同一竖直平面内运动,不计空气阻力,轻绳不可伸长,sin37° = 0.6,重力加速度大小为 g。
(1)若滑杆固定,v = \(\sqrt {gl} \),当机器人运动到滑杆正下方时,求轻绳拉力的大小;
(2)若滑杆固定,当机器人运动到滑杆左上方且轻绳与水平方向夹角为 37° 时,机器人松开轻绳后被抛至 A 点,求 v 的大小;
(3)若滑杆能沿轨道自由滑动,M = km,且 k ≥ 1,当机器人运动到滑杆左上方且轻绳与水平方向夹角为 37° 时,机器人松开轻绳后被抛至 A 点,求 v 与 k 的关系式及 v 的最小值。
【答案】
(1)F = 4mg
(2)v = \(\sqrt {\frac{{37}}{{10}}gl} \)
(3)v = \(\sqrt {\frac{{9kgl}}{{10(k + 1)}} + \frac{{14}}{5}gl} \),vmin = \(\sqrt {\frac{{13}}{4}gl} \)
2006 - 2025,推荐分辨率 1024*768 以上,推荐浏览器 Chrome、Edge 等现代浏览器,截止 2021 年 12 月 5 日的访问次数:1872 万 9823。 站长邮箱
