1.通过“用油膜法估测油酸分子的大小”的实验可推测油酸分子的直径约为( )
A.10−7 m B.10−9 m C.10−12 m D.10−16 m
【答案】
B
2.如图为电磁振荡过程中的 4 个状态,按照一个周期内发生的先后顺序可将其排序为( )
A.④①②③ B.②③①④ C.①③④② D.③②④①
【答案】
D
3.(多选)当一些不稳定的微观粒子被加速到接近光速时,随着速度的增大可观测到其( )
A.质量变大 B.质量变小 C.“寿命”变长 D.“寿命”变短
【答案】
AC
4.(多选)远距离输送同样的电功率时,输电线上损失的功率( )
A.与输送电压的平方成正比 B.与输送电压的平方成反比
C.与输送电流成正比 D.与输送电流的平方成正比
【答案】
BD
5.屏幕发出的蓝光、微波炉发出微波和医疗检查用的 X 射线的频率分别为 f1、f2 和 f3。三个频率的大小关系应为_______。其中微波的频率 f2 = 2.45×109 Hz,则其在真空中的波长 λ =_______m(保留三位有效数字)。
【答案】
f3 > f1 > f2,0.122
6.
如图(a)所示电路中,定值电阻的阻值为 R,电源内阻不可忽略。t = 0 时闭合开关 S,一段时间后断开 S。图(b)为电流传感器记录的电流 i 随时间 t 变化的图像,其中 I1、I2 和 I3 均为已知。
(1)(作图)以向左为电流正向,在(b)图中画出流经 RL 的 i – t 图线;
(2)断开 S 后,电路中所消耗的电能是由_______转化而来的;
(3)电源内阻 r =_______。
【答案】
(1)

(2)电感器中储存的磁场能
(3)R
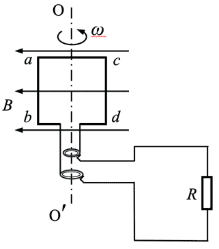
7.
图示为交流发电的装置简图,边长为 L、匝数为 N 的正方形导线框 abcd,在匀强磁场中以恒定的角速度 ω 绕中轴 OO′ 沿图示方向转动。线框总电阻为 r,定值电阻阻值为 R。
(1)图示时刻线框 ab 边中的电流方向为_______;若磁感应强度 大小为 B,ab 边受到的安培力大小为_______。
(2)以图示时刻开始计时,设 t = 0 时电流为 I0,则线框中的电流 I 随时间 t 变化的关系可表示为 I =_______;一个周期内电阻 R 产生的热量 QR =_______。
【答案】
(1)由 a 向 b,\(\frac{{{N^2}{B^2}\omega {L^3}}}{{R + r}}\)
(2)I0cosωt;\(\frac{{\pi I_0^2R}}{\omega }\)
8.光
光作为一种电磁波与机械波在本质上虽然不同,但同样具有波动的一些共同特征。
(1)一束激光通过单缝照射到光强分布传感器上,得到的光强分布图像可能为( )
(2)两圆形偏振片 M、N 平行共轴放置,一束自然光沿图示方向穿过两偏振片,a、b 为光路上两点。N 保持静止的同时缓慢绕轴转动 M,可观察到( )
A.仅 a 处光强变化 B.仅 b 处光强变化
C.a、b 光强均变化 D.a、b 光强均不变
(3)如图所示,一束激光从空气垂直射入透明均匀三棱柱,经折射后传播方向偏转了 22.6°,该三棱柱的材料折射率为________(保留三位有效数字)
(4)已知声波在空气和水中的传播速度大小分别为 340 m/s 和 1500 m/s。类比光的传播规律可知,当声波从________斜射入_______中时可能发生全反射现象,临界角约为________°(保留三位有效数字)。
(5)某校同学使用激光垂直照射一竖直双缝片 ,在远处的墙面上得到如图所示的干涉图样。已知双缝间距为 d,测得双缝到墙面的距离为 L,a、b 两标线间距为 x,可知激光波长 λ =________。

【答案】
(1)C
(2)B
(3)1.59
(4)空气,水,13.1
(5)\(\frac{{xd}}{{9L}}\)
9.智能电源
某小组利用如图(a)所示装置探究线圈匝数和面积均不变时,感应电动势大小与相关因素之间的关系。通过调节智能电源在线圈 a 中产生可控的变化的磁场,用磁传感器测量线圈 b 内的磁感应强度 B,并在 M、N 间接入电压传感器测量线圈 b 内的感应电动势E。某次实验中得到的 B – t、E – t 图像如图(b)所示。

(1)观察图(b)图像,可得:在线圈 b 中产生的感应电动势的大小与_______有关。为进一步确定定量关系,可利用图(b)中的信息,做出_______图像;若得到的图线为过原点的倾斜直线,可得到的实验结论应为:___________________________________。
(2)若在 M、N 间接入保护电阻,当线圈 a 中的电流逐渐增大时( )
A.a、b 中电流方向相同,b 有收缩趋势 B.a、b 中电流方向相反,b 有收缩趋势
C.a、b 中电流方向相同,b 有扩张趋势 D.a、b 中电流方向相反,b 有扩张趋势
(3)若将智能电源替换为交流电源,测得线圈 a 输入端的电压为 Ua,线圈 b 输出端的电压为 Ub。
①已知线圈 a、b 的匝数分别为 Na、Nb,两线圈电阻均可忽略。则应有( )
A.\(\frac{{{U_{\rm{a}}}}}{{{N_{\rm{a}}}}}\) > \(\frac{{{U_{\rm{b}}}}}{{{N_{\rm{b}}}}}\) B.\(\frac{{{U_{\rm{a}}}}}{{{N_{\rm{a}}}}}\) = \(\frac{{{U_{\rm{b}}}}}{{{N_{\rm{b}}}}}\) C.\(\frac{{{U_{\rm{a}}}}}{{{N_{\rm{a}}}}}\) < \(\frac{{{U_{\rm{b}}}}}{{{N_{\rm{b}}}}}\)
②(论证)对上述①中选择做出解释。
【答案】
(1)线圈中的磁感强度 B(或磁通量 Φ)的变化率;E–ΔB/Δt;
当线圈匝数与所包围的面积保持不变,仅磁感应强度发生变化时,线圈中产生的感应电动势 E 与 磁感强度变化率 ΔB/Δt(或磁通量变化率 ΔΦ/Δt)成正比。
(2)D
(3)①A
②根据法拉第电磁感应定律 E = N \(\frac{{\Delta \Phi }}{{\Delta t}}\),不计线圈电阻,输入电压 Ua 和输出电压 Ub 分别等于其感应电动势 Ea 和 Eb,则有 \(\frac{{{U_{\rm{a}}}}}{{{N_{\rm{a}}}}}\) = \(\frac{{\Delta {\Phi _{\rm{a}}}}}{{\Delta t}}\),\(\frac{{{U_{\rm{b}}}}}{{{N_{\rm{b}}}}}\) = \(\frac{{\Delta {\Phi _{\rm{b}}}}}{{\Delta t}}\)
如图所示,由于缺少铁芯约束,交变电流产生的磁场在线圈 a 中的磁通量 Φa 大于线圈 b 中的磁通量 Φb,且 Φa 与 Φb 同比变化 ,相同 Δt 时间内 \(\frac{{\Delta {\Phi _{\rm{a}}}}}{{\Delta t}}\) > \(\frac{{\Delta {\Phi _{\rm{b}}}}}{{\Delta t}}\),故有 \(\frac{{{U_{\rm{a}}}}}{{{N_{\rm{a}}}}}\) > \(\frac{{{U_{\rm{b}}}}}{{{N_{\rm{b}}}}}\)
10.钠离子质量
如图所示为一种测量钠离子质量的实验装置。高真空的玻璃管中插有针状电极 M 与平板电极 N,两电极间电压 U = 90.0 V。
向管中通入稀薄的钠蒸气,蒸气中的钠原子在针状电极附近失去电子而成为电量 q = 1.6×10−19 C 的正离子。带电后的钠离子经电场加速后通过 N 极板中心的小孔进入磁感强度 B = 0.100 T 且方向垂直纸面的匀强磁场区域。钠原子电离后的初速度可忽略不计。
(1)如图为一定温度下液态钠中钠原子的速率分布图线。随着液态钠温度升高,图线峰值点 p 的纵坐标 fp 与横坐标 vp 的变化应为( )
A.fp 增大,vp 增大 B.fp 减小,vp 增大
C.fp 增大,vp 减小 D.fp 减小,vp 减小
(2)蒸气中相距大于 10 倍钠原子直径的两个钠原子相互远离时,两原子间的合力表现为( )
A.增大的斥力 B.增大的引力 C.减小的斥力 D.减小的引力
(3)针状电极 M 应接电源_______极。钠离子在两电极间加速过程中,加速度大小变化情况为_______。为使钠离子在匀强磁场中沿图(a)所示轨迹做圆周运动,匀强磁场方向应为_______。
(4)(计算)测得钠离子在磁场中做圆周运动的半径 r = 0.0660 m,不计离子间相互作用,求钠离子的质量 m(保留三位有效数字)。
【答案】
(1)B
(2)D
(3)正,不断减小,垂直纸面向外
(4)m ≈ 3.87×10−26 kg
11.冲击摆
冲击摆在电子计时器出现前被用来测量高速运动物体的速率。其结构如图所示,两条长度均为 L 的轻质平行长绳水平悬挂一条静止的大木块。一质量为 m 的子弹水平射入质量为 M 的木块后,两者迅速达到相对静止,随即一起向上摆动。测得木块上升的最大高度为 h,运动过程始终保持在同一竖直平面内,且木块保持水平,已知重力加速度大小为 g,不计空气阻力。
(1)木块到达最大高度时,两绳对木块的合力大小 T =_______;
(2)子弹打入木块过程中,子弹与木块的机械能变化量分别为 ΔE1 与 ΔE2,则( )
A.ΔE1 + ΔE2 > 0 B.ΔE1 + ΔE2 = 0 C.ΔE1 + ΔE2 < 0
(3)(计算)求子弹在刚接触木块前瞬间的速度大小 v;
(4)(计算)若木块开始向上摆动后再次回到初始位置所用的时间为 t,求 t 时间内两长绳对木块拉力的总冲量大小 IT。
【答案】
(1)(M + m)g \(\frac{{L - h}}{L}\)
(2)C
(3)v = \(\frac{{M + m}}{m}\sqrt {2gh} \)
(4)IT = (M + m) \(\sqrt {8gh + {g^2}{t^2}} \)
2006 - 2026,推荐分辨率 1024*768 以上,推荐浏览器 Chrome、Edge 等现代浏览器,截止 2021 年 12 月 5 日的访问次数:1872 万 9823。 站长邮箱
