1.我国在许多基础领域都有着领先世界的研究与应用,如光伏发电、高铁技术都涉及能量、电磁学等基础知识。关于这些知识及其应用,请回答:
1.造成酸雨的主要原因是( )
A.滥伐森林 B.浪费水资源
C.煤和石油的燃烧 D.利用太阳能和水力发电
2.把电能转化为机械能的家用电器是( )
A.吸尘器 B.电磁炉 C.电水壶 D.电视机
3.属于静电防范的是( )
A.复印机复印文件 B.高楼顶层安装避雷针
C.车间里进行静电喷漆 D.燃气灶上的电子点火器点火
4.如图,圆形金属线框 a 套在条形磁铁上,磁铁与线框所在的平面垂直且穿过其圆心。若将 a 对称地扩展为 b 的形状,则穿过线框的磁通量( )
A.增大,线框中无感应电流 B.增大,线框中有感应电流
C.减小,线框中无感应电流 D.减小,线框中有感应电流
5.公共场所的感应式水龙头是靠人手遮挡、反射水龙头发出的____________,以实现自动控制.医院里常用电磁波中的____________消毒,从而形成无菌空间(均选填“微波”、“红外线”、“可见光”、“紫外线”)。
【答案】
1.C
2.A
3.B
4.D
5.红外线,紫外线
2.体育运动中,蕴含着很多力学知识。请回答:
1.下列运动过程中,机械能近似守恒的是( )
A.铅球在空中飞行的过程
B.跳伞运动员匀速下降的过程
C.光滑冰面上,运动员推动冰壶加速前进的过程
D.过山车在电动机的带动下,沿轨道匀速上升的过程
2.如图,运动员在平衡木上缓慢做花样动作的过程中( )
A.重力大小不断变化
B.重心位置一定不变
C.重心始终在支撑点的正上方
D.重心始终在运动员的身体内
3.图示为运动员跳水时的精彩瞬间,则运动员( )
A.在最高点时,处于平衡状态
B.在下降过程中,处于失重状态
C.在上升过程中,处于超重状态
D.起跳时,跳板的支持力大于她对跳板的压力
4.如图,将质量为 m 的篮球从离地高度为 h 的 A 处,以初始速度 v 抛出,篮球恰能进入高度为 H 的篮圈。不计空气阻力和篮球转动的影响,经过篮球入圈位置 B 的水平面为零势能面,重力加速度为 g。则篮球经过位置 B 时的机械能为( )
A.\(\frac{1}{2}\)mv2 B.\(\frac{1}{2}\)mv2 + mg(h – H)
C.\(\frac{1}{2}\)mv2 + mg(H – h) D.\(\frac{1}{2}\)mv2 + mgh
5.如图,质量为 20 kg 的冰壶与运动员分离时的速度为 3 m/s,在水平冰面上做匀减速直线运动,经 15 s 停下.冰壶在运动的过程中,加速度为____________m/s2,受到冰面摩擦力的大小为____________N。
【答案】
1.A
2.C
3.B
4.B
5.− 0.2,4
3.
如图,根据天文观测,8 大行星由内向外依次为水星、金星、地球、火星、木星、土星、天王星、海王星,他们几乎在同一个平面内绕太阳做匀速圆周运动。
1.许多科学家对天文学的发展都做出了巨大贡献,其中( )
A.伽利略发现了万有引力定律
B.卡文迪什用扭秤测定了引力常量
C.牛顿发现万有引力定律,并测定了引力常量
D.爱因斯坦发现牛顿力学在强引力场下依然精确
2.做匀速圆周运动的物体,( )
A.速率一定变化 B.角速度一定变化
C.加速度一定变化 D.合力与速度可能在同一条直线上
3.若不计行星之间的相互作用力,则( )
A.水星公转的速率最大 B.海王星公转的加速度最大
C.土星公转的周期比地球短 D.火星与地球公转的角速度相等
4.地球质量为 M、半径为 R,引力恒量为 G。则地球表面处的重力加速度可表示为( )
A.g = \(\frac{R}{{GM}}\) B.g = \(\frac{R^2}{{GM}}\) C.g = \(\frac{GM}{{R}}\) D.g = \(\frac{GM}{{R^2}}\)
5.宇航员在距离火星表面 2.1 m 的位置将一小石块以 4.2 m/s 的初速度水平抛出,经 1 s 落到火星表面,不计空气阻力。则 1 s 内小石块速度改变量 Δv 的方向____________,火星表面处的重力加速度为____________m/s2。
【答案】
1.B
2.C
3.A
4.D
5.竖直向下,4.2
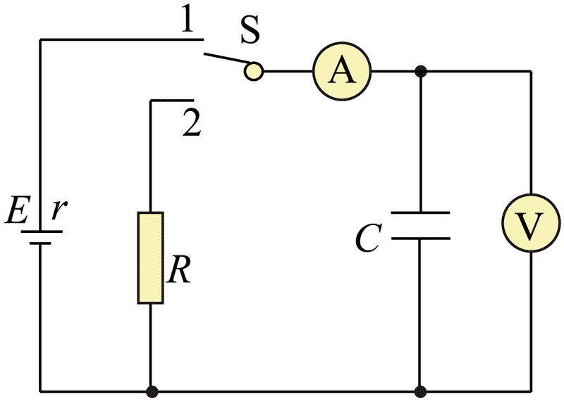
4.图示为工业生产中的静电除尘装置及其示意图。中央悬吊的金属球 M 通过绝缘导线与高压电源的负极相连,外壳与电源的正极相连,在 M 与外壳之间建立电场。

1.关于静电场的场强和电势,下列说法中正确的是( )
A.场强大的位置,电势不一定高 B.电势为零的位置,场强一定为零
C.场强为零的位置,电势一定为零 D.场强相同的位置,电势一定相等
2.在金属球 M 与外壳之间有一条电场线,线上有 a、b、c 三点,b 为 ac 的中点。已知 a、c 两点的电势分别为 – 8 000 V 和 4 000 V。则( )
A.b 点的电势一定为 – 2 000 V B.b 点的电势可能为 6 000 V
C.a 点的场强大于 c 点的场强 D.M 与外壳之间一定是匀强电场
3.在 M 与外壳之间建立电场后,M 附近的电场____________(选填“最强”或“最弱”),周围空气分子被电离为电子和正离子,____________在奔向外壳的过程中遇到尘粒,使尘粒带电,被吸附到外壳,积累到一定程度后,在重力的作用下落入集尘器。
4.某同学查阅资料,得知金属球与外壳之间构成一个电容器。于是,他找一个电容器接在图示电路中进行研究:双掷开关 S 拨至 1 时,电源给电容器充电;拨至 2 时电容器通过电阻 R 放电。则( )
A.充电过程中,电容器的电容逐渐增大
B.放电过程中,电容器的电容逐渐减小
C.充电过程中,电压表、电流表的示数均逐渐增大
D.放电过程中,电压表、电流表的示数均逐渐减小
【答案】
1.A
2.C
3.最强,电子
4.D
5.
图示为“验证机械能守恒定律”的实验装置。实验中,将完全相同的挡光片依次固定在圆弧轨道上,测出部分数据如下表:
|
高度 h/m |
0.10 |
0.08 |
0.06 |
0.04 |
0.02 |
0 |
|
势能 Ep/J |
0.0295 |
0.0236 |
0.0177 |
B |
0.0059 |
0.0000 |
|
动能 Ek/J |
0.0217 |
A |
0.0328 |
0.0395 |
0.0444 |
0.0501 |
|
机械能 E/J |
0.0512 |
0.0504 |
0.0505 |
C |
0.0503 |
0.0501 |
1.关于摆锤机械能守恒的条件,以下理解正确的是( )
A.摆锤仅受重力时,机械能才守恒
B.只有合外力为零时,机械能才守恒
C.只有重力对摆锤做功时,机械能才守恒
D.只有合外力做功为零时,机械能才守恒
2.摆锤内置的传感器是____________传感器。若挡光片的宽度为 d,挡光时间为 Δt,则摆锤经过挡光片时的速度大小为____________。
3.表中 A、B 两处数据应为____________J 和____________J。
4.另一小组记录了每个挡光片所在的高度 h 及其相应的挡光时间 Δt 后,绘制了 \(\frac{1}{{\Delta t}}\) – h 和 \(\frac{1}{{\Delta {t^2}}}\) – h 四幅图像。其中可以说明机械能守恒的图像是( )
【答案】
1.C
2.光电门,\(\frac{d}{{\Delta t}}\)
3.0.0268,0.0118
4.BC
6.
如图,关闭汽车驾驶室内的电源启动键,打开引擎盖,某同学用多用电表测出汽车蓄电池正、负极之间的电压为 12.8 V。查阅资料得知:该汽车正常启动时,蓄电池正、负极间的电压为 11.8 V,电流为 50 A。
1.关于汽车电池,下列说法正确的是( )
A.电动势为 11.8 V B.内电阻为 0.02 Ω
C.输出电压恒为 11.8 V D.电池内电压为 12.8 V
2.若该同学使用多用电表测量电阻,则( )
A.表内没有干电池或其它电源
B.测量时,待测电阻可以接在原电路中
C.测量时,待测电阻不能与其他导电物体接触
D.测量电阻后,直接拔出红、黑表笔,无需其他操作
3.在下图画出电池输出功率随干路电流变化的关系图像,并标出重要的坐标数值_____。
4.该同学又查阅资料得知:蓄电池用久后,内阻会明显增加;汽车启动时外电压低于 11 V,就可能造成汽车启动困难;汽车电脑均有记忆功能,原先开启的各项设备,均在点火重启时同步启动。某驾驶员正常行驶时,开启了制冷空调和音响设备。请给出停车时的操作建议,并说明理由_________________。
【答案】
1.B
2.C
3.
4.延长一段充电时间后停下
7.
某同学在艺术品商店购买了图(a)所示的创意物理摆件。5个完全相同的钢球用等长细线悬挂在支架上、静止时紧密排列在同一水平线上。将球①向左侧拉开,由静止释放,发现:球①撞击球②后,球①立即停止运动,中间三个球静止不动,但球⑤向右摆起相同的高度;球⑤回落后再向左撞击球④,球⑤立即停止运动,中间三个球仍静止不动,球①则向左摆起相同的高度,以后重复不止。
1.此撞击过程中( )
A.系统的机械能守恒,动量有损耗
B.系统的机械能有损耗、动量守恒
C.系统的机械能守恒,动量也守恒
D.系统的机械能有损耗,动量也有损耗
2.该同学模仿这个摆件,制作图(b)装置对其进行研究。光滑轨道 ABC 固定在竖直平面内,AB 段水平,圆弧轨道 BC 与之相切于 B 点,O 为圆心。甲、乙两球的质量分别为 m甲 = 0.1 kg、m乙 = 0.8 kg,乙球静置于 O 点的正下方,甲球以速度 v0 = 5 m/s 向右运动,与乙球碰撞后,以 3 m/s 的速度向左反弹。g 取 10 m/s2。
(1)乙球所能上升的最大高度 h 为多少?
(2)碰撞过程中,系统的机械能是否守恒?说明理由。
3.上问中,已知圆弧轨道 BC 的半径 R = 20 m,不计球的大小,试分析:能否求出碰撞后乙球再次回到 B 点所需的时间?如能,请求出结果;如不能,请说明理由_____。
【答案】
1.C
2.(1)h = 0.05 m;
(2)碰撞前机械能 E1 = \(\frac{1}{2}\)m甲v02 = 1.25 J,碰撞后机械能 E2 = \(\frac{1}{2}\)m甲v甲2 + m乙gh = 0.85 J,可知,在碰撞过程中机械能不守恒。
3.能,\(\sqrt 2 \)π
2006 - 2026,推荐分辨率 1024*768 以上,推荐浏览器 Chrome、Edge 等现代浏览器,截止 2021 年 12 月 5 日的访问次数:1872 万 9823。 站长邮箱
