1.画出下列电路元器件的符号。
|
名 称 |
图形符号 |
名 称 |
图形符号 |
|
开关 |
|
滑动变阻器 |
|
|
可调电阻 |
|
空心线圈 |
|
|
电容器 |
|
电动机 |
|
【答案】
画出下列电路元器件的符号。
|
名 称 |
图形符号 |
名 称 |
图形符号 |
|
开关 |
|
滑动变阻器 |
|
|
可调电阻 |
|
空心线圈 |
|
|
电容器 |
|
电动机 |
|
2.判断下列关于电流的说法正确与否,并简述理由。
(1)电路中电流越大,表示通过导体横截面的电荷量越多。
(2)电流既有大小又有方向,所以是矢量。
(3)金属导体中,电子运动速率越大,电流也越大。
(4)根据 I = \(\frac{U}{R}\) 可知,电流与导体两端电压成正比,与导体电阻成反比。
【答案】
(1)错误,通过导体横截面的电荷量与电流大小和时间有关,时间越长电荷量越多。
(2)错误,电流是一个标量
(3)错误,电流的大小取决于电子的漂移速度和自由电子的数密度,与电子速率无关。
(4)正确,这是欧姆定律的内容。
3.能够在导体中形成持续电流的条件是_______________。
【答案】
导体两端始终存在电势差
4.
如图所示,小鸟落在高压输电线上,虽然通电的高压线是裸露电线,但小鸟却安然无恙,这是因为________________________。
【答案】
小鸟两脚之间的电势差非常小
5.“上海光源”是一个坐落于上海浦东的高性能同步辐射光源。电子储存环是整个“上海光源”的核心设备,它是一个周长为 432 m 的圆形轨道,大量电子以接近光速(约 3 × 108 m/s)的速度在储存环中运动。若储存环中的平均电流为 300 mA,试分析:储存环中约有多少电子在高速运转?
【答案】
以接近光速运动的电子绕行一圈所用的时间 t = \(\frac{{432}}{{3 \times {{10}^8}}}\) = 1.44 × 10−6 s,因此在所有电子均绕行一圈时通过导体截面的电荷量 q = It = 4.32 × 10−7 C,即为环内电子的总电荷量大小,所以电子数目为 2.7 × 1012 个。
6.有两只小灯泡 A、B,A 标有“3 V 0.3 A”;B标有“5 V 0.5 A”。有一电源,输出电压恒为 8 V,还需要什么器材才能使两小灯泡都正常发光,应如何连接电路?
【答案】
可用一个阻值是 15 Ω 的电阻与 A 并联后再与 B 串联(其他的解法亦可)。

【解析】
因为两小灯泡的额定电压之和恰好等于电源的输出电压,但两小灯泡的额定电流不相等,只要灯泡 A 与一电阻 R 并联后再与灯泡 B 串联,使灯泡 A 分去 0.2 A 的电流即可,如图所示。
U3 = U1 = U – U2 = (8 − 5)V = 3 V
I3 = I2 – I1 =(0.5 − 0.3)A = 0.2 A
R = \(\frac{{{U_3}}}{{{I_3}}}\) = \(\frac{3}{{0.2}}\) Ω = 15 Ω
7.
如图所示,电路中五个电阻的阻值均相等,如果 a、b 端输入电压是 6 V,c、d 端接电压表,电压表的示数为多大?如果 a、b 端输入电流是 3 A,c、d 端接电流表,电流表的示数为多大?
【答案】
2 V,1 A
【解析】
当 c、d 端接电压表,由于电压表电阻很大视作断路,与之串联的两个电阻上分得的电压可以忽略不计,所以电路为三个电阻串联,电压表测其中一个电阻的电压,即为 2 V。
当 c、d 端接电流表,由于电流表电阻很小视作导线,与之串联的两个电阻 R 再与一个电阻 R 并联,根据并联电路分流原理,电流表所在支路的电流为 1 A。
8.
试说明在如图所示的电路中,若闭合开关 S,电压表、电流表的示数如何变化?
【答案】
电压表示数变小,电流表示数变大
【解析】
开关闭合前,电路断开,电压表测量电源电压,电流表示数为零;开关闭合后,电路接通,电流表示数增大,电压表测量电阻 R 两端电压,所以示数变小。
9.试判断下列关于电阻定律的说法是否正确,并简述理由。
(1)一段粗细均匀的金属丝的阻值跟它的长度 L 成正比,跟它的横截面积 S 成反比。
(2)电阻率由导体本身的性质决定,与温度无关。
(3)电阻定律适用于计算任何导体的电阻。
【答案】
(1)正确,此表述即为电阻定律的内容
(2)错误,电阻率与温度有关
(3)错误,电阻定律只适合金属电阻与浓度均匀的电解液
10.物理学中,电导率是描述物质中电荷流动难易程度的参数。电导率 σ 的单位是西[门子]/米(简写做 S/m),为电阻率 ρ 的倒数,即 σ = 1/ρ。试判断其他条件相同时,电导率越大,材料的电阻_________(选填“越大”“越小”或“相同”)。根据电导率与电阻率的关系可知,1 S = __________。
【答案】
越小,1 A/V
11.在实验室中,某同学想将一个“2.5 V 0.3 A”的小灯连接在 3 V 的稳压电源两端。试通过计算回答下列问题。
(1)他还需要怎样的器材才能使小灯正常发光?
(2)在第(1)问的计算中,你是否考虑了导线(横截面积为 1 mm2)的电阻?为什么?
【答案】
(1)需要串联一个 1.67 Ω 电阻。IL = 0.3 A,UL = 2.5 V,U = 3 V,得 UR = U – UL = 0.5 V,IL = 0.3 A,故 R = ≈ 1.67 Ω。
(2)未考虑。已知铜导线的电阻率和横截面积,估算导线的长度为 30 cm,则可以根据电阻定律,得到单根导线的电阻为 5.1 × 10−3 Ω,由于导线的阻值远小于其他用电器,因此可以忽略不计。
12.计算说明在图(a)、(b)所示的电路中,当滑动变阻器的滑片移动时,小灯两端的电压变化范围。已知 U = 3 V,滑动变阻器的最大阻值为 20 Ω,小灯规格为“3 V 1.5 W”。
【答案】
根据小灯的标称值可知 RL = 6 Ω。图(a)中滑动变阻器与小灯串联;当滑动变阻器的阻值最大时小灯两端电压最小,为 UL = ≈ 0.69 V;当滑动变阻器的阻值最小时小灯两端电压最大,为 UL = 3 V,所以图(a)中小灯两端电压的变化范围为 0.69 V ≤ UL ≤ 3 V。在图(b)中小灯与滑动变阻器的右侧部分并联,再与左侧部分串联;当滑片滑至最左端时,小灯与滑动变阻器最大阻值并联在电源两端,此时小灯两端电压最大,所以 UL = 3 V;当滑动变阻器滑片移至最右端时,小灯与导线并联被短路,两端电压最小,为 UL = 0,所以在图(b)中 0 ≤ UL ≤ 3 V。
13.在如图所示电路中,电压 U = 8 V。已知 R1 = 8 Ω,R2 = 2.5 Ω,当最大阻值为 10 Ω 的滑动变阻器 R3 的滑片向左移动时,电压表、电流表的示数将如何变化,变化范围如何?
【答案】
当 R3 的滑片向左移动时,R3 接入电路的阻值减小;由于 R2 与 R3 是并联的,则 R2、R3 并联的总电阻 R23 亦将减小,所以 R23 的阻值变化范围为 0 ~ 2 Ω;而 R1 与 R23 是串联的,所以电路的总电阻也将减小,变化范围为 8 ~ 10 Ω。
根据欧姆定律可知,当电路的电压 U 一定时,总电流 I1 将从 0.8 A 增大到 1 A;又因为 R1 是连接在干路中的,所以 R1 两端的电压 U1 = I1R1 将由 6.4 V 增大到 8 V;再根据串联电路的特点,U = U1 + U2。
显然,当 U 一定时,U2 将减小,也就是说并联在 R2 与 R3 两端的电压表的示数将由 1.6 V减小到 0。
由于 U2 减小,R2 保持不变,根据欧姆定律通过 R2 的电流 I2 将减小,而干路中的电流 I1 却是增大的,根据并联电路的总电流与分路电流的关系 I1 = I2 + I3 可知,通过 R3 的电流将增大。
14.实验室有多种长度测量仪器,分别为刻度尺、游标卡尺、螺旋测微器、卷尺。试为下列测量工作选择合适的长度测量仪器。
(1)测量书本的长度。
(2)测量家用铜导线的直径。
(3)测量水杯的直径。
(4)测量操场跑道的长度。
(5)测量家用铝合金窗的材质厚度。
【答案】
(1)刻度尺 (2)螺旋测微器 (3)游标卡尺 (4)卷尺 (5)游标卡尺或螺旋测微器
15.
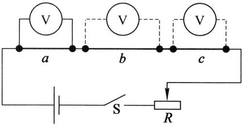
某同学为了探究某种导体的电阻与其影响因素的关系,设计了如图所示的电路图:将长度、横截面积各不相同的相同材料的电阻丝 a、b、c 串联后接入电路,并用电压传感器分别接在 a、b、c 两端。
(1)简单说明该实验需要记录哪些实验数据才能得出电阻丝 a、b、c 阻值间的比值关系,以及如何减小实验误差。
(2)与同学交流讨论,能否通过一组给定的电阻丝 a、b、c 的长度、横截面积,结合实验测得的电阻丝 a、b、c 电阻间的比值关系得出电阻定律。
【答案】
(1)需要分别记录电压传感器接在电阻丝 a、b、c 两端时的电压示数。根据串联电路电流相同可知,电压与电阻阻值成正比,因此可根据电压之比,求得电阻阻值之比。为了减小误差,本实验还可调节滑动变阻器,多次测量取平均值。
(2)不能,至少应更换 b 处、c 处的电阻丝,并多次测量其阻值与长度、横截面间的关系才能得到电阻定律。
16.某同学将待测量的金属丝单层缠绕在圆柱形铅笔上,测得 N 圈的电阻丝宽为 d,电阻丝的总阻值为 R,总长度为 L,试问该电阻丝的电阻率为多大?
【答案】
通过绕在圆柱形铅笔上的圈数及宽度可知电阻丝的直径为 D = \(N\),随后根据电阻定律 R = ρ \(\frac{L}{S}\) 可以得到,电阻率 ρ = \(\frac{{{d^2}\pi R}}{{4{N^2}L}}\)。
17.
在工业生产中,常需要测量液体电阻率。例如,纯水的技术指标中,就有关于电阻率的相关规定。实验室用三级纯水的电阻率应不低于 0.2 MΩ·cm(25 ℃)。为了方便研究纯水的电阻率,现将纯水样本在两侧为电极的圆柱形玻璃管中装满,如图所示。某同学打算使用伏安法测量纯水样本的电阻值,使用到了稳压电源、滑动变阻器、电压及电流传感器等,试完成 A、B 两点间的连接,并简述如何处理实验数据,得出结论。
【答案】
A、B 间的电路连接如图所示。调节滑动变阻器阻值,记录样本两端的电压及流过的电流,计算出电阻阻值。处理数据时可以采用多次测量取平均值的方法,或者绘制 U – I 图像。

18.数字式多用电表可以测量哪些物理量?分别用什么符号表示?
【答案】
直流电流(A⎓)、交流电流(A~)、直流电压(V⎓)、交流电压(V~)、电阻(Ω)、电容(F)等。
19.在使用多用电表测量电阻两端的电压和流过的电流后,可以求得电阻的阻值,这种测量方法叫做间接测量法。简述之前学习中采用间接测量法测量过哪些物理量。
【答案】
瞬时速度、平均速度、密度等。
20.把一只电阻和一只晶体二极管串联,装在盒子里,盒子外面露出三个接线柱 A、B、C,如图所示。现用多用电表的欧姆挡进行测量,测量的电阻值如下表所示,试在虚线框内画出盒内元件的符号和电路。
|
红表笔 |
A |
C |
C |
B |
A |
B |
|
黑表笔 |
C |
A |
B |
C |
B |
A |
|
阻值 |
有阻值 |
阻值同 AC 间测量值 |
很大 |
很小 |
很大 |
接近 AC 间测量值 |

【答案】
如图所示

21.动手做:使用数字式多用电表测量光敏电阻、热敏电阻的阻值随光照、温度的变化情况,并根据测量结果绘制图像。
思考:如何利用已有的数据制作光照强度仪或者温度计?
【答案】
图略。根据已有的温度、光照强度与电阻间的关系,在实验时可以通过测量电阻阻值得到待测温度和光照强度。
22.简述电压与电动势的区别与联系。
【答案】
电动势及电压的单位都为 V,但是能量转换的方向不同。电动势代表非静电力做功,即其他形式的能量转化为电能;电压代表静电力做功,即电能转化为其他形式的能量。
23.判断下列关于电动势的说法是否正确,并对错误的说法做出修改。
(1)电动势的大小等于电源接入电路正常供电时电源正、负两极间的电压。
(2)电动势的单位是 J。
(3)电池在使用后,电动势可能会渐渐降低。
(4)电动势与外电路无关,所以外电路改变,外电压不变。
【答案】
(1)错误,电源接入电路正常供电时电源正、负两极间的电压为外电压的大小,电动势的数值等于外电路断开时,电源两端的电压
(2)错误,电动势单位为V,也等于J/C
(3)正确,电池用旧以后电动势会略微降低,但是内阻会变大很多
(4)错误,电动势与外电路结构无关,但是外电压与外电阻的阻值有关,外电路改变,外电阻变化的话,外电压要相应地发生变化。
24.闭合电路由内电路和外电路组成,试判断下列说法是否正确,并对错误的说法做出修改。
(1)外电路对电流的阻碍作用叫做外电阻,内电路对电流的阻碍作用叫做内电阻。
(2)外电压是外电路中所有用电器两端的电压,内电压是电源正、负两极间的电压。
(3)因为外电阻一定大于内电阻,所以外电压一定大于内电压。
(4)内电压和外电压之和为定值,即电源电动势。
【答案】
(1)正确
(2)错误,内电压是电源内电阻两端的电压
(3)错误,内、外电压之比与内、外电阻阻值之比相等,故外电阻不一定大于内电阻,所以外电压不一定大于内电压
(4)正确
25.
在如图所示的电路中,电源的电动势 E = 3.0 V,内阻 r = 1.0 Ω,R 为滑动变阻器。当闭合开关 S 后,电流表示数为 0.30 A,计算滑动变阻器接入电路的阻值。
【答案】
9.0 Ω
【解析】
闭合开关 S,根据闭合电路欧姆定律得:I = \(\frac{E}{{R + r}}\)
故 R = \(\frac{E}{I}\) − r = (\(\frac{{3.0}}{{0.30}}\) − 1.0)Ω = 9.0 Ω,即滑动变阻器接入电路的阻值为 9.0 Ω。
26.在如图所示的电路中,电源电动势 E = 3.2 V,电阻 R = 30 Ω,小灯泡 L 的额定电压 UL = 3.0 V,额定功率 PL = 4.5 W。当开关 S 接 1 时,电压表的示数 U = 3.0 V;当开关 S 接 2 时,试判断小灯泡 L 的发光情况。
【答案】
灯泡很暗或不亮
【解析】
当 S 接 1 时,U = 3.0 V,则流过电阻的电流 I = \(\frac{U}{R}\) = \(\frac{{3.0}}{{0.30}}\) A = 0.1 A
根据闭合电路的欧姆定律,可以求得电源内阻 r = \(\frac{{E - U}}{I}\) = \(\frac{{3.2 - 3.0}}{{0.10}}\) Ω = 2 Ω
当 S 接 2 时,因小灯泡的电阻 RL = \(\frac{{U_L^2}}{P}\) = \(\frac{{3^2}}{4.5}\) Ω = 2 Ω
此时闭合电路中的电流 I′ = \(\frac{E}{{{R_L} + r}}\) = \(\frac{{3.2}}{{2 + 2}}\) A = 0.8 A
小灯泡两端实际电压 UL′ = I′RL = 0.8 × 2 V = 1.6 V < UL(额定电压)
因此,灯泡很暗或不亮。
27.
如图所示,L1、L2 是两只完全相同的小灯,R 为光敏电阻,当光照越强时,阻值越小。说明开关 S 闭合后,随着光照强度逐渐增大,两灯的亮度变化情况。
【答案】
光照强度逐渐增大,R 阻值逐渐变小,则其与 L1 并联的总阻值变小,根据闭合电路欧姆定律,干路电流变大,内电压变大,L2 两端电压变大,L2 逐渐变亮,L1 与电阻 R 的并联电压减小,L1 逐渐变暗。
28.用电压传感器测量一节旧电池不加负载时的两端电压,发现其两端电压和电动势标称值十分相近。若连接一电阻后再测旧电池两端电压,可能的结果有哪些?为何?
【答案】
旧电池内电阻比较大,但电压传感器的阻值极大,好比电源与一个阻值极大的负载串联,因此测量值约等于电源电动势。在连接负载后,电压传感器示数可取接近于零到电源电动势标称值之间的任何数值,取决于外电路中负载的阻值与内电阻大小间的关系。
我们可将一空载电池等效视为图(a)所示的线路,其中 E 表示电池的电动势,r 为内阻,A 和 B 分别为电池的正、负两极。图(b)为用电压传感器测空载电池两端(两极间)电压的等效线路。RS 代表电压传感器的等效电阻,通常很大,远大于旧电池的内阻 r。图中 A、B 两点之间的电压即为电压传感器测得的电压 VS。由于 RS ≫ r,VS 近似等于E,所必,电池空载时电压传感器测得的电池两端电压接近电池电动势的标称值。

当旧电池接入负载电阻 RL 时,等效线路如图(c)所示。设 RL 远小于电池内阻 r,A、B 间电压很小,在 RL 极小时接近零。因此,在 RL 极小时电压传感器示数接近零。如负载阻值 RL 介于以上两种情形(空载也可视为负载阻值 RL 为 ∞)之间,电压传感器示数便介于零和电动势 E 之间。可见,电池空载时电压传感器示数接近电池电动势 E 的标称值;接入负载电阻时,电压传感器测得电池两极间的电压介于零和电池电动势的标称值之间,视负载电阻 RL 的阻值而定。
29.
在如图(a)所示的电路中改变滑动变阻器阻值,电源的外电压随电流变化的关系如图(b)所示,滑动变阻器的最大阻值为 15 Ω,定值电阻 R0 = 3 Ω。
(1)定值电阻 R0 的作用是什么?
(2)该电源的电动势及内阻分别为多少?
(3)当电流为 1 A 时,试计算滑动变阻器的阻值。
【答案】
(1)保护电路不会短路
(2)由图(b)可知,电动势大小为 20 V;图线的斜率为 7.5,所以内阻的大小为 7.5 Ω
(3)电流为 1 A,电路总电阻为 20 Ω,所以滑动变阻器的阻值为 9.5 Ω。
30.有两个不同的电源,分别用伏安法测量电源电动势和内阻,由实验数据得到的端电压和电流的关系如图所示,试分析两个电路电源的电动势 E、内阻 r 和短路电流 I 短 的关系。
【答案】
U外 – I 图中斜率的绝对值代表 r,纵坐标截距代表电动势,横坐标截距代表短路电流,因此根据图像可知,E1 > E2;r1 > r2;I短1 < I短2。
31.图(a)中的元件符号表示用伏安法测电池电动势和内电阻实验中所用的器件。
(1)试在图中画出连线,将器件连接成为实验电路。
(2)设所得的 U – I 图线如图(b)所示,可求出电池的电动势为_______ V,电池内阻为________ Ω。
【答案】
(1)如图所示
(2)1.5,0.75
32.简述下列公式的含义及适用范围:
① P = \(\frac{W}{t}\) ② P = UI ③ P = I2R ④ P = \(\frac{{U^2}}{R}\)
【答案】
① 为功率的定义式,用于计算各种类型的功率,以表示做功快慢
② 电功率计算公式,用于计算电流做功快慢
③ 热功率计算公式,用于计算用电器单位时间内产生热量的大小
④ 电功率计算公式,仅当用电器为纯电阻时,才可以用于计算电功率
33.某用电器接入电路中。试判断下列有关其功率的说法是否正确,并对错误做出修改。
(1)通电时间越长,电功率越大。
(2)两端所加电压越大,额定功率也越大。
(3)通过的电流越大,实际功率也越大。
(4)工作时间相同,额定功率较大的用电器消耗的电能不一定较多。
【答案】
(1)错误,电功率不随时间变化而变化
(2)错误,额定功率不随用电器两端的电压变化而变化
(3)正确,实际功率随电流增大而增大
(4)正确,消耗的电能与实际功率有关
34.某微波炉的铭牌如图所示,根据表中的信息可以计算出该微波炉在额定电压下工作的电流为________ A。若以额定功率加热食物,则 3 min 内消耗电能________ J。若国家相关规定要求微波炉的效率应不小于 58%,试简述该微波炉是否合格。
【答案】
5.9,234 000,微波炉的输入功率为 1 300 W,输出功率为 850 W,根据计算可知效率 η = × 100% ≈ 65.4%,大于 58%,因此该微波炉为合格产品。
35.在如图所示电路中,电压 U 恒为 12 V,滑动变阻器总电阻为 30 Ω,灯 L 标有“6 V 1.8 W”的字样。试求:为使灯正常发光,滑动变阻器的 Pa 部分电阻应多大?此时,滑动变阻器消耗的电功率为多大?
【答案】
滑动变阻器 Pa 部分的电阻应为 10 Ω,此时,滑动变阻器消耗的电功率为 5.4 W。
【解析】
设滑动变阻器的阻值为 R0 = 30 Ω,Pa 段电阻为 R
由于小灯正常发光,所以小灯两端电压 UL = 6 V,通过小灯的电流 IL = \(\frac{{1.8}}{{6}}\) A = 0.3 A
通过 Pb 段的电流 IPb = \(\frac{U}{{{R_0} - R}}\),通过 Pa 段的电流 IPa = \(\frac{{U - U_L}}{R}\)
又因为 IPa = IL + IPb,解得 R = 10 Ω
Pa 段电阻消耗的功率为 P1 = \(\frac{{{{(U - {U_L})}^2}}}{R}\) = 3.6 W
Pb 段电阻消耗的功率为 P2 = \(\frac{{U_L^2}}{R_0 - R}\) = 1.8 W
所以,整个滑动变阻器消耗的电功率 P = P1 + P2 = 5.4 W
36.根据某电动自行车的技术参数(见下表),回答下列问题:
|
整车规格 |
后轮驱动直流永磁电机规格 |
|
尺寸:1350 mm × 290 mm × 750 mm |
电动机额定输出功率:250 W |
|
最大载重: 150 kg |
额定工作电流:12 A |
|
车重(含电池):28 kg |
额定工作电压:48 V |
(1)该电动自行车电动机的电阻阻值为多少?
(2)该电动机正常工作时,电动机的效率为多少?
(3)该电动自行车的标称最大速度为 25 km/h,若不考虑其他影响因素,车辆所受到的阻力约为多少?实际计算时还应该考虑哪些因素?
【答案】
(1)R ≈ 2.26 Ω
(2)η ≈ 43. 4%
(3)Ff = 36 N,在实际行驶时虽然电动机以额定功率工作,仍然会因机械摩擦等损失能量。
【解析】
(1)P总 = UI = 48 × 12 W = 576 W,又 P总 = P出 + I2R,因此 R ≈ 2.26 Ω
(2)η = \(\frac{P_出}{P_总}\) × 100% = \(\frac{250}{576}\) × 100% ≈ 43. 4%
(3)vmax = \(\frac{P}{F_f}\),所以,Ff = 36 N,在实际行驶时虽然电动机以额定功率工作,仍然会因机械摩擦等损失能量。
37.网络上有使用干电池及电阻丝制作的泡沫塑料切割器售卖,它将 4 节干电池串联在一起,然后直接连接在电阻丝两端。已知电阻丝的电阻约为 2.5 Ω,每节干电池的电动势约为 1.5 V,内电阻约为 0.3 Ω。求电路接通后,电阻丝上的热功率约为多少?这种切割器工作时是否存在危险?简述理由。
【答案】
I = \(\frac{E_总}{{R + r_总}}\) ≈ 1.62 A,因此电阻丝上的热功率为 P = I2R ≈ 6.56 W。根据计算可知,电路中的电流较大,容易导致电源损坏;或者电热丝的防护不是很好,会导致烫伤或引起火灾。
38.电源电压保持不变,用两个电阻 R1 和 R2 来作为加热元件(有隔水保护)加热一定量的水,只用 R1 时将水煮沸需要 5 min,只用 R2 时将水煮沸需要 2 min。某同学认为若将 R1、R2 串联或将 R1、R2 并联作为加热元件,不考虑散热损失,其余条件完全相同,则将等量的水煮沸需要的时间都为 7 min,试通过计算分析该同学的认识是否正确,并说明理由。
【答案】
不正确。当两者并联使用时,两者功率不变,相当于共同加热,所以将等量的水煮沸所用时间将小于 2 min。当两者串联使用时,设煮水需要的热量为 Q,Q = \(\frac{{{U^2}t}}{R}\),则 t = \(\frac{{{U^2}R}}{Q}\),U、Q 不变,t 与 R 成正比,所以将等量的水煮沸所用的时间等于 7 min。
39.现有一显示屏是由某种型号的 LED 灯组成的,每只灯在不同的电压下发出不同颜色的光,发光时的工作电流均约为 20 mA。当电压为 1.4 V 时发红光,当电压为 1.8 V 时发黄光,当电压为 3.2 V 时发蓝光。已知该显示屏面积为 3 m2,每 1 m2 显示屏上 LED 灯的数量为 1.0 × 104个,试问当整个显示屏上所有 LED 灯都发红光时,LED 灯的总功率至少为多少?
【答案】
当 LED 灯发红光时,两端的电压 U = 1.4 V,通过的电流 I = 20 mA = 0.02 A,此时的 LED 屏功率最小,每个 LED 灯的电功率 P = UI = 1.4 × 0.02 W = 0.028 W;显示屏为 3 m2,因此灯的数量为 3.0 × 104 个,则总功率:P总 = nP = 840 W。
40.我国民用照明电路使用的是_________(选填“交变电流”或“恒定电流”),供电电压为___________(选填“220 V”或“380 V”)。
【答案】
交变电流,220 V
41.试查阅资料,列举 1 ~ 2 个家庭电路故障检测仪器,并简要说明它们的功能。
【答案】
常见的家用电器故障检测仪有验电笔和多用电表。验电笔是一种常用的电工工具。它可以用来判断家庭电路中的零线和火线,也可以用来判断家用电器是否存在漏电现象。多用电表交流电压挡可以检测家庭电路中的零线和火线,电阻挡则可测导线等的阻值。
42.在日常生活中,往往当打开大功率电器时,家里电路中照明灯会突然变暗,试分析该现象的原因。
【答案】
大功率的家用电器会导致火线及零线上产生较大电流,因为导线有电阻且和用电器串联,所以此时导线两端的电压增大,从而使得照明灯两端的实际电压变小,灯变暗。
43.在选购家用的导线时,需要关注导线的质量。通常劣质导线的实际横截面积要比标称横截面积小;同时绝缘层采用再生塑料,易老化开裂;且铜材中的杂质多,电阻率高。根据以上信息,分析使用劣质导线可能会存在的安全隐患。
【答案】
① 横截面积小,则可以通过的安全电流较小,因此容易使导线过载。② 导线绝缘层容易开裂老化,会导致漏电,存在安全隐患。③ 导线阻值过大,导线上的电功率会增大,导线两端电压也会增加,因此会增加能耗,也降低用电器分得的电压,导致用电器无法正常工作。
44.观察家中的用电器,完成下表。
|
用电器 |
功率(W) |
用电器 |
功率(W) |
|
空调 |
|
|
|
|
冰箱 |
|
|
|
|
电热水壶 |
|
|
|
在以下两个问题中选择一项完成。
① 根据你家中今年第三季度的电费账单(7 ~ 9月)计算家庭人均用电量;并通过峰谷用电占比,制订合理的家庭用电:计划。提示:可以根据电费账单,了解家庭自然月用电情况,也可登录国家电网了解阶梯电费的信息。
② 根据家庭用电器总的最大功率或电路最大电流,估算入户总线应选择的横截面积大小。
【答案】
略
2006 - 2026,推荐分辨率 1024*768 以上,推荐浏览器 Chrome、Edge 等现代浏览器,截止 2021 年 12 月 5 日的访问次数:1872 万 9823。 站长邮箱
