1.物体做机械运动时,可用物理量________来表示物体的运动状态。
【答案】
速度
2.惯性是物体具有的保持静止或匀速直线运动状态的性质。当汽车的受力情况改变时,其惯性__________,当汽车突然加速时,其惯性____________。(均选填“发生变化”或“不发生变化”)
【答案】
不发生变化 不发生变化
3.伽利略不认同亚里士多德“物体的运动需要力来维持”的观点,他提出力不是__________物体运动的原因。进一步的研究发现,力是____________物体运动状态的原因。
【答案】
维持,改变
4.
如图所示为伽利略的斜面理想实验,伽利略利用该理想实验,通过逻辑推理得到的结论是( )。
A.维持物体运动不需要力
B.力是维持物体运动的原因
C.沿斜面向下运动的小球,到了水平面上就做匀速直线运动
D.沿斜面向下运动的小球,能运动到另一个斜面上相同的高度
【答案】
A
5.
如图所示,在一次交通事故中,一辆载有30 t钢材的载重汽车由于避让违章横穿马路的摩托车而紧急制动,结果车厢上的钢材向前冲出,压扁驾驶室。关于这起事故原因,有以下两种分析,对其做出判断并简述理由。
|
分析 |
判断并简述理由 |
|
由于钢材有惯性,在汽车制动时,继续向前运动,压扁驾驶室 |
|
|
由于汽车紧急制动,使车的惯性减小,而钢材仍有较大的惯性,继续向前运动 |
|
【答案】
正确;
错误,惯性是物体的固有属性,惯性的大小取决于物体的质量,而与物体的运动速度无关
6.伽利略在他的著作中多次提及在匀速行驶的大船上进行的思想实验。假使你在一艘匀速行驶的大船上竖直向上跳起,落地点与起跳点是否重合?说明理由。
【答案】
由于人具有惯性,跳起后在水平方向不受其他力的作用,保持与船相同的运动,所以落地点与起跳点重合
7.在光滑水平面上做匀加速直线运动的物体,如果某时刻物体所受的水平拉力突然变为零,物体会突然停下吗?如果不会,物体将做何种运动?
【答案】
物体不会突然停下,将保持水平拉力变为零时的速度做匀速直线运动
8.
如图所示,列车起初停在车站上,人朝着车前进的方向坐在车厢中,水平桌面上放有一个静止的小球。突然,列车起动,人会发现小球向他滚来,你会如何解释这一现象?
【答案】
小球由于惯性,保持原来的静止状态,列车带着人向前加速,就向着小球运动起来,于是就发现小球向人滚来
9.如果物体运动速度发生变化,物体就具有加速度。使物体具有加速度的原因是____________。
【答案】
物体受到了力的作用
10.弹簧测力计是测量___________的仪器。在质量一定时,探究加速度与力关系的实验中,不选择弹簧测力计的原因是______________________________________________。
【答案】
物体受力,加速运动中准确地读出弹簧测力计的示数比较困难
11.质量一定的物体的加速度与其所受___________成正比,所受合力一定的物体,其加速度与物体的__________成反比,加速度的方向与_________方向始终相同。
【答案】
合力,质量,合力
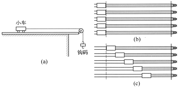
12.五个相同的轨道并排放置,用来研究小车所受拉力与其加速度的关系。如图(a)所示,每辆小车均在钩码拉力的作用下沿导轨做加速直线运动。从俯视的角度同时拍摄五辆完全相同的小车的运动过程,初始位置如图(b)所示。同时释放小车,某时刻的小车位置如图(c)所示。

(1)估算图(c)中各小车加速度大小之比。
(2)如何应用此装置验证小车加速度与小车所受拉力、小车质量的关系?
【答案】
(1)由图(c)可知,在相同时间内5辆小车的位移之比为1∶2∶3∶4∶5。由于小车在拉力作用下做匀加速直线运动,位移x = \(\frac{1}{2}\)at2,各小车的加速度之比也为1∶2∶3∶4∶5
(2)小车的加速度之比可用(1)中的方法,根据相同时间的位移之比确定,小车所受拉力可通过钩码数量确定,利用控制变量法进行实验。保持小车质量相同,5辆小车悬挂不同数量的钩码,通过测量获得小车的加速度之比,根据所得数据作a–F图像,如果为直线,则表明小车的加速度与其所受拉力成正比;保持5辆小车悬挂的钩码数量置相同,每辆小车上放置数量不同的配重片,通过测量获得小车的加速度之比,根据所得数据作a–\(\frac{1}{m}\)图像,如果为直线,则表明小车的加速度与小车的质量成反比
13.一个铁块在6 N的合力作用下产生的加速度是2 m/s2,这个铁块的质量是多大?要使它产生3 m/s2的加速度,需要对它施加多大的合力?
【答案】
3 kg,9 N
14.质量为10 kg的小车在水平面上受到20 N的水平拉力作用时,恰好做匀速直线运动,小车受到的阻力有多大?要使小车获得大小为1 m/s2、与初速度方向相同的加速度,作用于小车上的水平拉力应为多大?
【答案】
20 N,30 N
15.质量为m的物体在粗糙水平面上沿直线运动,物体与水平面间的动摩擦因数为μ。若物体还受到与运动方向一致的大小为F的力作用,物体的加速度是多少?
【答案】
\(\frac{{F - \mu mg}}{m}\)
16.质量为2 kg的物体置于光滑水平面上,物体同时受到两个沿水平方向的力F1和F2的作用。F1 = 8 N,方向向东;F2 = 6 N,方向向西。此时物体的加速度有多大?方向如何?如果F2的大小不变,方向改为向南,此时物体的加速度多大?方向如何?(请画出示意图)
【答案】
1 m/s2,方向向东,5 m/s2,方向为东偏南37°,图略
17.如图所示,某人坐在雪橇上从坡上滑下,人和雪橇的总质量为50 kg,雪坡的倾角θ为30°,雪橇与雪地间的摩擦力恒为100 N,则人从静止开始下滑5 s后的速度有多大?(g取10 m/s2)
【答案】
15 m/s
18.如图所示,滑块沿倾角为α的斜面下滑。利用反射式位移传感器可采集滑块下滑时间t和下滑位移x的多组数据,并据此获得滑块与斜面间的动摩擦因数μ。简述实验数据的处理方案,写出μ与测得的各个物理量之间的关系式。
【答案】
滑块的运动为初速度为零的匀加速直线运动,位移x = \(\frac{1}{2}\)at2。根据实验数据绘制x–t2图像,由图像的斜率走得到a = 2k。对滑块进行受力分析,沿斜面向下和垂直于斜面向下分解重力,根据牛顿第二定律,得mgsinα – μmgcosα = ma,则μ = tanα − \(\frac{{2k}}{{g\cos \alpha }}\)
19.力学中的三个基本物理量是__________、_________和__________,在国际单位制中,力学的三个基本单位是__________、___________和___________。
【答案】
长度质量,时间,米(m),千克(kg),秒(s)
20.国际单位制由__________单位和__________单位组成,选定7个基本物理量的单位作为________单位,其他物理量的单位可通过物理量间的关系推导得到,称为_______单位。
【答案】
基本,导出,基本,导出
21.通过对自由落体运动的研究,我们知道重力加速度g的单位是m/s2;但初中时我们学过,作为物体所受重力与质量的比例系数g的单位是N/kg。证明1 m/s2 = 1 N/kg。
【答案】
\(\frac{{1{\rm{N}}}}{{1{\rm{kg}}}}\) = \(\frac{{1{\rm{kg \cdot m/}}{{\rm{s}}^2}}}{{1{\rm{kg}}}}\) = \(\frac{{1{\rm{m}}}}{{1{{\rm{s}}^2}}}\)
22.《三国演义》中,描述刘备“身高七尺五寸”,张飞“身高八尺”,而关羽身高竟达“九尺”。如果按照现在的换算关系,3尺等于1 m,刘备、张飞、关羽真可谓是“超级巨人”了。古代的“1尺”和现代的“1尺”表示的长度并不一致,不同朝代所规定的“1尺”的长短也不一致。查阅资料,估算刘备、张飞、关羽的实际身高。
【答案】
汉代的1尺约为23.1 cm,刘备的身高约为173 cm,张飞的身高约为185 cm,关羽的身高约为208 cm
23.1983年,在加拿大发生了一起与单位制有关的事故。一架崭新的客机因燃油耗尽失去动力,被迫滑翔降落。飞机燃油不足的原因是起飞前加油时,工作人员误以为飞机采用的是英制单位,加油时所加油量还不到应加量的一半,幸好最后有惊无险。根据上述事例,谈一谈单位制统一的意义。
【答案】
不同的地区采用不同的单位制,不方便交流(言之有理即可)
24.教室内挂着的吊扇不工作时,除了受到重力作用外,还受到与重力平衡的力的作用,这个力是____________,吊扇所受重力的反作用力是______________。
【答案】
杆对吊扇的拉力,吊扇对地球的引力
25.放在水平面上的木块,受到重力G、水平面的支持力FN的作用,木块对水平面的压力为FʹN。
(1)重力G与支持力FN的大小、方向存在什么关系?它们分别作用在什么物体上?性质相同吗?我们通常把它们称为一对什么力?
(2)支持力FN与压力FʹN的大小、方向存在什么关系?它们分别作用在什么物体上?性质相同吗?我们通常把它们称为一对什么力?
【答案】
(1)这两个力大小相等,方向相反;重力G与支持力FN作用在木块上;性质不同;称为一对平衡力
(2)这两个力大小相等,方向相反;支持力FN作用在木块上,压力FNʹ作用在水平面上;性质相同,均为弹力;称为一对作用力与反作用力
26.传说外国有个大力士,他的梦想是把地球举起来,把苍天拉下来,可是大地无“环”,苍天无“把”,这就使得这位大力士“无用武之地”。有一天,他终于在地上找到了一个“环”,他双手抓住“环”,把“环”提得高过了膝盖,而他的膝盖却陷入地里面,他苍白的脸上没有泪却流着血,再也起不来了,他的一生就此完结。我国古代的《论衡·效力篇》中记载:“古之多力者,身能负荷千钧,手能决角引钩,使之自举,不能离地。”你觉得这两个关于大力士的情景描述是否合理,说明理由。
【答案】
这两个情境都是合理的 外国大力士手向上拉大地,大地对大力士也有向下的反作用力,使大力士深陷地中;中国大力士自举,即用手向上抬自己的下肢,下肢对手也有向下的反作用力。根据牛顿第三定律,这两个力大小相等,方向相反,沿同一直线分别作用在下肢和手上。但是这两个力都作用在大力士这个整体上,对大力士的整个身体而言,这两个力的合力为零,所以大力士整体不会被提起
27.如图所示,粗糙水平面上放置一木块,手通过绳子用水平拉力拉木块,木块仍静止。分析在水平方向有哪几对作用力与反作用力。
【答案】
水平方向上共有3对作用力与反作用力:手拉绳子的拉力与绳子对手的拉力,绳子对木块的拉力与木块对绳子的拉力,木块对粗糙水平面的静摩擦力与粗糙水平面对木块的静摩擦力
28.
如图所示,若学生拉着轮胎向前做匀速直线运动。试分析轮胎受到的拉力和学生受到的拉力间存在什么关系。这是一对作用力和反作用力吗?
【答案】
这两个力的大小相等、方向相反;轮胎受到的是绳子对轮胎拉力,学生受到的是绳子对他的拉力,施力物体都是绳子,不是作用力和反作用力
29.由牛顿第二定律可知,物体的加速度与________是瞬时对应的关系,同时产生、同时消失、同时增大、同时减小,加速度的方向与方向始终相同,加速度随________的变化而同时变化。
【答案】
物体所受合力,合力,合力
30.一质量为2 kg的物体受到几个共点力的作用而处于平衡状态。若撤去一个方向向东、大小为8 N的力,其他力保持不变,物体的加速度大小为_________m/s2,方向为__________。
【答案】
4,向西
【解析】
提示:撤去一个向东的力等效为在原有基础上增加一个同样大小的向西的力
31.在竖直方向运行的电梯中,会出现置于电梯地板上的物体对地板的压力__________物体所受重力的现象,这种现象称为超重现象。物体处于超重或失重状态时,物体所受的_________始终存在,大小也没有改变。
【答案】
大于,重力
32.人做俯卧撑向下时,可以简化为人的重心先做________运动,随后做__________运动,体验到_________和_________。
【答案】
向下的加速,向下的减速,失重,超重
【解析】
提示:向下加速运动时,加速度向下,向下减速运动时,加速度向上
33.伽利略在《两种新科学的对话》一书中说:如果从高于地表的竖直圆的顶点到圆周引出不同长度的斜面,物体沿这些斜面降落所用的时间是相等的。用牛顿运动定律证明伽利略的说法是否正确,如果正确需要满足哪些条件。
【答案】
如图所示,圆O位于竖直平面内,A点为圆周上的最高点。伽利略的观点是,无论斜面AB与直径AD的夹角θ多大,物体沿斜面AB下滑的时间均相同。当物体沿与竖直方向成θ角的斜面AB滑下时,合力mgcosθ = ma,物体的加速度为a = gcosθ,斜面AB长x = dcosθ(式中d为圆的直径),所以物体沿斜面滑下的时间t = \(\sqrt {\frac{{2x}}{a}} \) = \(\sqrt {\frac{{2d\cos \theta }}{{g\cos \theta }}} \) = \(\sqrt {\frac{{2d}}{g}} \),与角度θ无关。这说明伽利略的观点是正确的,前提条件是不计斜面与物体间的摩擦
34.试用牛顿第二定律及相关运动学的规律说明:在有空气阻力的情况下,两个质量不同、形状相同的物体,从相同的高度下落,质量大的物体比质量小的物体下落得快。
【答案】
因两个物体的形状相同,它们所受的空气阻力F相等。设下落过程中阻力大小不变,则下落物体的加速度a = g − \(\frac{F}{m}\),m越大a越大,质量越大的物体下落得越快
35.试用牛顿运动定律说明我国的长征运载火箭采用可分离的捆绑式助推器的原因,以及在助推器中燃料用完后,将其与火箭箭体脱离的原因。
【答案】
根据牛顿第二定律,在推力一定的条件下,质量越小获得的加速度越大。将助推器燃料耗尽后脱离,有助于火箭获得更大的加速度。根据牛顿第三定律,脱离时火箭对助推器有一个向后的作用力,助推器会对火箭有向前的反作用力,有利于火箭加速
36.某同学通过视频分析来研究钢球在液体中的阻力大小与速度大小的关系。他拍摄了一段钢球在液体中竖直下落的视频,每隔相等时间间隔Δt提取一帧图像,在同一背景依次描绘钢球的位置,如图所示。他如何推断钢球所受的阻力大小和速度大小间的定性关系?
【答案】
由于相邻两个位置对应的时间间隔相等,相邻两个位置间的距离对应的是钢球在相等时间内的位移。由图可见,钢球在相等时间内的位移减小,说明钢球的速度在减小,所以合力向上。且钢球相邻相等时间的位移之差也在减小,说明钢球的加速度在减小。钢球受向上的阻力和向下的重力,合力减小,所以阻力也在减小。所以,阻力随速度减小
37.如图所示,一质量为M、长为L、高为h的矩形滑块置于水平面上,滑块与水平面间的动摩擦因数为μ;滑块上表面光滑,其前端放置一质量为m的小球(可视为质点)。用水平外力击打滑块左端,使其在极短时间内获得一向右的速度v0,经过一段时间后小球落到地面上。为求小球落地时距滑块左侧的距离,做了如下推理,请补充完整。
以滑块为对象,在竖直方向上,滑块受到重力,小球对它的压力,地面的支持力;在水平方向上,滑块仅受到地面的摩擦力。根据牛顿第二定律,小球在滑块上时,滑块的运动满足μ(M + m)g = Ma,因此,
a = μ \(\left( {1{\rm{ + }}\frac{m}{M}} \right)\)g,
由v2 = v02 – 2aL,得小球脱离滑块时滑块的速度
v = __________。
小球脱离滑块后做自由落体运动的时间
t =\(\sqrt {\frac{{2h}}{g}} \)
小球脱离滑块后滑块以大小为aʹ = ________的加速度做匀减速运动,滑块做匀减速直线运动直至停止的时间
tʹ =\(\frac{v}{{a'}}\)
若t<tʹ,小球落地时滑块尚未停止运动,在时间t内滑块运动的距离即小球落地时距滑块左侧的距离
s = vt − \(\frac{1}{2}\)aʹt2 = _____________。
若t>tʹ,由推理可得sʹ =\(\frac{{v_0^2}}{{2\mu g}}\) − \(\left( {1{\rm{ + }}\frac{m}{M}} \right)\)L,推理过程为:
【答案】
\(\sqrt {v_0^2 - 2\mu \left( {1 + \frac{m}{M}} \right)gL} \),μg,\(\sqrt {\frac{{2h}}{g}\left[ {v_0^2 - 2\mu \left( {1 + \frac{m}{M}} \right)gL} \right]} \)
推理过程:若t>tʹ,小球落地前滑块已停止运动,则由0 = v2 – 2aʹsʹ,得v02 − 2μgL = 2μgsʹ,由此解得sʹ = \(\frac{{v_0^2}}{{2\mu g}}\) − \(\left( {1 + \frac{m}{M}} \right)\)L
38.科学探究活动通常包括以下环节:提出问题,作出假设,设计实验,搜集证据,作出解释,评估交流等。一组同学研究“运动物体所受空气阻力与运动速度关系”的探究过程如下:
|
时间t/s |
下落距离x/m |
|
0.0 |
0.000 |
|
0.4 |
0.036 |
|
0.8 |
0.469 |
|
1.2 |
0.957 |
|
1.6 |
1.447 |
|
2.0 |
X |
(1)有同学认为:运动物体所受的空气阻力可能与其运动速度有关。
(2)他们计划利用一些“小纸杯”作为研究对象,用超声测距仪等仪器测量“小纸杯”在空中直线下落时的下落距离、速度随时间变化的规律,以验证假设。
(3)在相同的实验条件下,同学们首先测量了单只“小纸杯”在空中下落过程中不同时刻的下落距离,将数据填入表中,如图(a)所示是对应的位移–时间图像。然后将不同数量的“小纸杯”叠放在一起使其从空中下落,分别测出它们的速度–时间图像,如图(b)所示。
(4)同学们对实验数据进行分析、归纳后,证实了他们的假设。
①图(a)中的线段AB反映了纸杯在做什么运动?表中X处的值为多少?
②图(b)中的各条图线反映纸杯在做什么运动?如何根据图像证实作出的假设?
【答案】
①匀速直线运动,1.9
②先做加速度减小的加速运动,再做匀速直线运动,纸杯受到重力和空气阻力的作用,阻力随速度增大而增大,合力减小,加速度减小。所以做加速度减小的加速运动,当重力等于阻力时,加速度为零,做匀速直线运动。纸杯越多,其重力越大,阻力与重力相等时的速度也越大,与图像吻合
2006 - 2026,推荐分辨率 1024*768 以上,推荐浏览器 Chrome、Edge 等现代浏览器,截止 2021 年 12 月 5 日的访问次数:1872 万 9823。 站长邮箱
