1.在图所示的电路中。R1=100 Ω,R2=20 Ω,R3=30 Ω,接在电源上时,它们的电功率分别为P1、P2、P3,则( )
(A)P1>P2>P3 (B)P1=P2=P3
(C)P1<P2<P3 (D)P2<P1<P3
【答案】
A
【解析】
该电路中,R2与R3并联,然后与R1串联。因为R2∶R3=2∶3,所以I2∶I3=3∶2,进而可以得到I1∶I2∶I3=5∶3∶2;又根据P=I2R,可以得到P1∶P2∶P3=I12R1∶I22R2∶I32R3=25∶18∶12,所以P1>P2>P3。
2.
某种装饰用的彩灯,串成一串,接在220V电源上,如图所示。每个小灯的灯丝(R)引线上方绕有导线Q,Q外部涂有绝缘层这种绝缘层一般情况下不导电;当两端电压较高时会被击穿,Q成为导体。若本来正常发光的B小灯的灯丝R突然断了,其余小灯会突然熄灭,后又重新发光。则此过程中B小灯两端的电压的变化情况是___________,其余的小灯重新发光后将比之前_______(选填“亮”或“暗”)。
【答案】
先增大后减小;亮
3.
在如图所示的电路中,R1、R2 为定值电阻,R3 为滑动变阻器。已知电源电压 U 恒为 8 V,R1 为 10 Ω,开始时滑动变阻器的滑片 P 处于某一位置。电键 S 断开时电流表的示数为 0.4 A,电键S闭合后电压表的示数为 5 V,求:
(1)定值电阻 R2 的阻值。
(2)电键 S 闭合后电流表的示数。
(3)滑动变阻器 R3 接入电路部分的阻值。
(4)电键S闭合后,若将 R3 的滑片 P 向 a 端移动,整个电路消耗的功率将如何变化?为什么?(需写出判断的依据)
【答案】
(1)R2 = 10 Ω
(2)IAʹ = 0.3 A
(3)R3 = 15 Ω
(4)整个电路消耗的功率将变大。
因为 P总 = \(\frac{{U{}^2}}{{{R_总}}}\),滑片 P 向 a 端移动引起 R总 减小,而电源电压 U 不变,所以整个电路消耗的总功率变大。
或:因为P总=UI,电源电压U不变,滑片P向a端移动引起R总减小,I增大,所以整个电路消耗的总功率变大。
【解析】
本题共9分。其中:
(1)2分。写出公式得1分,计算出结果得1分。
(2)2分。写出公式得1分,计算出结果得1分。
(3)2分。写出公式得1分,计算出结果得1分。
(4)3分。写出功率变大得1分,选择正确的总功率公式得1分,写出R总减小得1分。
每小题其它正确解法均可参照给分。
4.一段导体两端电压是4 V,在2 min内通过导体横截面的电量是15 C,则通过该导体电流的大小为______A,这段导体的电阻为________Ω。
【答案】
0.125,32
【解析】
无
5.
如图所示为某台电风扇的铭牌。当电风扇正常工作时,通过它的电流的大小为_______A。该电风扇正常工作100s,消耗的电能为_____J。
【答案】
0.3,6600
【解析】
6.
如图所示电路,电源电压保持恒定,若滑动变阻器的滑片向右移动,则电流表的示数将______,电压表的示数将______。(均选填“变大”、“变小”或“不变”)
【答案】
变小,变小
7.在实际生活中,我们经常会发现,深夜家里的电灯比傍晚亮一些。产生这种情况的原因是:深夜电路中并联的用电器较少,总电阻较大,干路输电线中的电流就较_____(选填“大”或“小”),输电线电阻分得的电压也就较小,从而导致家里灯泡两端的电压_____(选填“升高”或“降低”),因此电灯比傍晚亮一些。
【答案】
小,升高
8.
电阻R1、R2的I-U图象如图所示,可知R1=_____Ω,R2=______Ω。若把R1、R2并联后接到电源上时。R1消耗的电功率是6 W。则电源的输出功率为_______W。
【答案】
8,12,10
9.在家里使用电热水壶时,会发现电灯会变暗,这是因为( )
(A)电热水壶使电路总电流变小
(B)电热水壶上的电压大于电灯上的电压
(C)电路总电流不变,而电热水壶从电灯中分出了电流
(D)干路电流增大,导致干路导线上的电压增大
【答案】
D
【解析】
由于电热水壶是并联在电路中的,并联后总电阻变小,干路电流增大,导致干路导线上的电压降增大,电灯两端的电压变小而使电灯变暗。
10.电动机的电枢阻值为R,电动机正常工作时,两端的电压为U,通过的电流为I,工作时间为t,下列说法中正确的是( )。
(A)电动机消耗的电能为I2Rt (B)电动机消耗的电能为\(\frac{{{U^2}}}{R}\)t
(C)电动机线圈产生的热量为I2Rt (D)电动机线圈产生的热量为\(\frac{{{U^2}}}{R}\)t
【答案】
C
11.
甲、乙、丙三个灯泡,按如图方式连接到电源上,如果丙灯泡处发生短路,某同学对电路各部分发生的变化作了如下推测(设各灯灯丝不被烧毁):①丙灯两端电压为零,②电源两端电压为零,③甲灯变得更亮,④乙灯变得更亮。其中( )
(A)只有①、②正确
(B)只有②、③正确
(C)只有③、④正确
(D)只有①、③正确
【答案】
D
12.两只额定电压均为110 V的灯泡A和B,额定功率分别为100 W和40 W,为了使它们接到220 V电源上能正常发光,同时电路消耗的电功率又最小,如图所示电路中最合理的是图( )

【答案】
C
13.有两个小灯泡L1、L2,它们的额定电压和额定功率分别为:“9V 0.5A”、“6.3V 0.3A”。现用两个电阻R1、R2与两个小灯泡组成图(a)与图(b)两个电路,并且每个电路两端的的电压均为U=18V。试问:

(1)当小灯泡在两个电路中都正常发光时,电阻R2消耗的电功率P2与P2ʹ分别为多大。
(2)比较这两个电路哪个更省电?并说明理由。
【答案】
(1)P2=1.35W
P2ʹ=7.2W
(2)图a接法更省电
【解析】
(1)图a中:I2=I10=0.5 A,U2=U-U10-U20=(18-9-6.3)V=2.7 V,
P2=I2U2=0.5×2.7 W=1.35 W
图b中:I2ʹ=I10+I20=0.5A+0.3A=0.8 A,U2ʹ=U-U10=(18-9)V=9 V
P2ʹ=I2ʹU2ʹ=(0.8×9)W=7.2 W
(2)图a中:Pa=UIR1=18×0.5 W=9 W
图b中:Pb=U(IR1+IR2)=18×(0.5+0.3) W=14.4 W
∵ Pa>Pb
∴ 图a接法更省电。
或:∵I1<I2ʹ=I1+I2,∴ Pa=I1U<Pb=I2ʹU,图a接法更省电。
评分说明
本题共8分。
(1)共4分。P2、P2ʹ正确,各得2分。
(2)共4分。Pa、Pb正确,各得1分;结论正确,得2分。
其它各种解法参照给分。
14.
如图所示,电阻R1=4 Ω,R2=8 Ω,合上电键S,电压表示数为2 V,电流表示数为0.75 A。求:
(1)通过R2的电流I2;
(2)电阻R3的大小;
(3)电路消耗的总功率P。
【答案】
(1)0.25 A
(2)4 Ω
(3)3 W
15.对普通干电池上标有“1.5V”这一数据的正确理解是( )
(A)接入电路后,电池正负两极之间电压1.5V
(B)每经过1C的电量,有1.5J的电能转为其他能量
(C)若电池与理想电压表直接相连,电压表的示数为1.5V
(D)若电池对1Ω的外电阻供电,流过电池的电流强度是1.5A
【答案】
C
【解析】
16.
如图所示,如果把滑动变阻器的滑片向下移动,则图中各安培表、伏特表的读数会发生什么变化?
【答案】
A1示数减小、A2示数增大、A3示数减小、V1示数增大、V2示数减小、V3示数增大。
【解析】
分析:首先确认:V1测量路端电压,V2测量R1两端的电压,V3测量R2、R3并联电阻R23两端的电压;A1测量干路的电流,A2测量R2中的电流,A3测量R3中的电流。
推理的过程:
①通过R3滑片移动来判断外电路来判电路总电阻的变化;
②根据闭合电路欧姆定律判断总电路的变化;
③判断内电压的变化;
④判断路端电压的变化;
⑤从干路到支路判断各部分电压、各支路电流的变化。
解答:当滑动变阻器的滑片向下移动时,R3变大,引起R2与R3并联后的总电阻R23变大,外电路总电阻变大。根据闭合电路欧姆定律,总电流I减小,所以A1示数减小;
因为U内=Ir,总电流I减小导致内电压U内减小,根据U外=E-U内,可以确定路端电压U外增大,所以V1示数增大;
因为R1两端电压U1=IR1,I减小可确定U1减小,所以V2示数减小;
因为R2与R3两端的电压U2=U3=U外-U1,已确定U外增大、U1减小,所以可判定并联部分的电压增大,即V3示数增大;
因为R2中的电流I2=\(\frac{{{U_2}}}{{{R_2}}}\),已确定U2增大,所以I2增大,即A2示数增大;
因为R3中的电流I3=I-I2,已确定I减小、I2增大,所以I3减小,即A3示数减小。
所以,A1示数减小、A2示数增大、A3示数减小、V1示数增大、V2示数减小、V3示数增大。
启示:从以上的分析可以看出,在讨论中首先要弄清总电阻的变化情况,然后根据闭合电路欧姆定律、部分电路欧姆定律、串并联电路分压分流的规律来分析各部分电路上电压和电流的变化情况。
17.如图所示,电路中R1=R2=R3=1 Ω,闭合电键S时,电压表的读数为1 V,断开电键S时,电压表的读数为0.8 V,求电源的电动势和内阻。
【答案】
E=2 V,r=0.5 Ω
【解析】
解答:当电键S闭合时时,可把电路简化成右图所示电路,
电路中的总电流I= \(\frac{{{U_1}}}{{{R_1}}}\)=\(\frac{1}{1}\) A=1 A,
R2和R3的并联电阻
R23=0.5Ω,
根据欧姆定律有
U23=IR23=1×0.5 V=0.5 V,
路端电压
U=U1+U23=(1+0.5) V=1.5 V。
根据闭合电路欧姆定律列出方程
E=U+ Ir=1.5+r……①
断开电键S时,把电路简化成右图所示电路。
电路中的总电流
I′= \(\frac{{{U_1}^\prime }}{{{R_1}}}\)=0.8 A,
因R1=R2,所以
U2′=U1′=0.8 V,
得UAB′=U1′+U2′=1.6 V
根据闭合电路欧姆定律列出方程
E=U′+I′r=1.6+0.8r……②
解联立方程①、②,得E=2 V,r=0.5 Ω。
启示:由上述计算可以看出进行电路计算的一般解题步骤是:
(1)先要弄清电路中各部分电路之间的串、并联关系,对较复杂的电路,要画出它们的等效电路。
(2)对并联电路应抓住电压相等这个特点,对串联电路应抓住电流相等这个特点,对闭合回路应将电源的总电动势、总内阻、总外阻计算式表达出来,然后应用闭合电路欧姆定律进行计算。
(3)在解题时,有时利用串、并联电路的特点,用比例方法求解是十分快捷的。
18.
在如图所示的电路中,R为电阻,M为电动机,闭合电键后,电路正常工作。在这个电路中,为电路提供能量的装置是___________,电流做功将电能转化为_______能和_______能。
【答案】
电源,内,机械
19.
如图所示为某电学元器件的伏安特性曲线,图中虚线为曲线上P点的切线。随着该元件两端电压的增大,其电阻逐渐________(选填“增大”或“减小”);当通过该元器件的电流为0.4 A时,该元器件的阻值为______Ω。
【答案】
增大,100
【解析】
注意,电阻的定义为R=\(\frac{U}{I}\),代入数据可得R=\(\frac{40}{0.4}\)Ω=100 Ω,典型错误是认为R=\(\frac{{\Delta U}}{{\Delta I}}\),而去求P点切线的斜率。
20.用三节电动势、内阻均相同的电池串联成电池组为某电路供电。当干路电流为0.2 A时,路端电压为4.2 V;当干路电流为0.6 A时,路端电压为3.6 V。则每节电池的电动势为______V,内阻为_____Ω。
【答案】
1.5,0.5
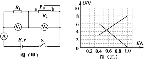
21.如图(甲)所示的电路中,R1为定值电阻,R2为滑动变阻器。闭合电键S后,调节滑动变阻器,将滑动片从a端滑向b端的过程中,两只电压表的示数随电流表示数变化的完整图线如图(乙)所示。则滑动变阻器的最大阻值为_______Ω,滑动变阻器消耗的最大功率为_______W。

【答案】
15,2.5
【解析】
(1)图像中电压随电流增大而减小的直线表示的是V2表的变化情况,若将R1+r看出等效内电阻,则此直线的斜率表示的是等效内电阻的大小,即R1+r=10 Ω,此直线的截距即为电动势,则E=10 V。
易知当U2=6 V时对应的R2最大,此时有
U2=\(\frac{{{R_2}}}{{{R_1} + {R_2} + r}}\)E
代入数据可求得R2=15 Ω。
(2)当R2=R1+r时,R2消耗的功率最大,为P2m=\(\frac{{{E^2}}}{{4({R_1} + r)}}\)=\(\frac{{{{10}^2}}}{{4 \times 10}}\)W=2.5 W
22.电源电动势的大小反映的是( )
(A)1 C电荷量通过电源时,有多少焦耳的电能转化为其他形式的能
(B)1 C电荷量通过电源时,有多少焦耳的其他形式能转化为电能
(C)电源单位时间内传送电荷量的多少
(D)电流做功的快慢
【答案】
B
23.
某款手机电池板如图所示,根据电池板上的标识,所做判断正确的是( )
(A)该电池的电动势为4.2 V,一次可以提供的最大电能为8.4×103 J
(B)该电池的电动势为3.7 V,一次可以提供的最大电能为8.4×103 J
(C)该电池的电动势为4.2 V,一次可以提供的最大电能为2.664×104 J
(D)该电池的电动势为3.7 V,一次可以提供的最大电能为2.664×104 J
【答案】
D
【解析】
电池板标识上产品规格中3.7 V表示电源电动势,2000 mAh指电池容量,即It=2 A×3600 s,由W=EIt可得:
W=3.7×2×3600 J=2.664×104 J
正确选项为D。
24.
如图所示电路中,电键S闭合后,四个灯泡都能发光,某时刻因L4灯丝烧断而突然熄灭,其它三个灯仍能发光,可以观察到的情况是( )
(A)L2、L3变亮 (B)L1、L3变亮
(C)L2变亮 (D)L1变暗
【答案】
B
25.
如图所示,E为内阻不能忽略的电池,R1、R2、R3为定值电阻,S1、S2为开关,电压表和电流表均为理想电表。初始时S1与S2均闭合,现将S2断开,则( )
(A)电压表的示数变大,电流表的示数变大
(B)电压表的示数变大,电流表的示数变小
(C)电压表的示数变小,电流表的示数变小
(D)电压表的示数变小,电流表的示数变大
【答案】
A
26.
如图所示,直线Oac为某一直流电源的总功率P随电流I变化的图线,虚线Obc为这个电源内部热功率Pr随电流I变化的图线,当电路中电流为2 A时( )
(A)外电路电阻等于电源内阻 (B)电源总功率P为6 W
(C)电源输出功率为4 W (D)路端电压为3 V
【答案】
B
【解析】
由P总=EI可知,直线Oac的斜率即为电动势E,为3 V;
在Obc直线上可以看出当I=3 A时Pr=9 W,由Pr=I2r可知r=1 Ω;
当I=2 A时,由I=\(\frac{E}{{R + r}}\),可得R=0.5 Ω≠r,选项A错误;
P总=EI=6 W,选项B正确;
P出=I2R=2 W,选项C错误;
U外=IR=1 V,选项D错误。
27.
如图所示,电源的电动势和内阻分别为E、r,在滑动变阻器的滑片P由a向b移动的过程中,关于电压表、电流表的示数U和I的变化情况,下列说法中正确的是( )
(A)U先增大后减小,I先减小后增大
(B)U先减小后增大,I先增大后减小
(C)U一直增大,I一直减小
(D)U一直减小,I一直增大
【答案】
A
【解析】
滑动变阻器的左右两部分Pa、Pb是并联的,当滑片P在中间时电阻最大,因此在滑动变阻器的滑片P由a向b移动的过程中,外电阻先增大后减小。
电压表测量的是端电压、电流表测量的是干路电流,因此U先增大后减小,I先减小后增大。
正确选项为A。
28.某同学利用如图 a 所示电路来测量一节干电池的电动势和内电阻,实验时共记录 5 组伏特表和安培表的示数(电表均视为理想电表),并绘得如图b所示的 U-I 图线。

(1)由图线可知该干电池的电动势 E =_____V、内电阻 r =______Ω;
(2)改变滑动变阻器阻值,直至电源输出功率达到最大,请在图(b)上画出表示最大输出功率的“面积”图。
【答案】
(1)1.5,\(\frac{2}{3}\)
(2)

【解析】
(1)由U-I图像的截距可求得 E=1.5 V,由斜率可求得 r=\(\frac{2}{3}\)Ω。
(2)当滑动变阻器的阻值与r相同时,输出功率最大。因此可以过原点画出一条斜率为\(\frac{2}{3}\)的直线,与U-I图线相交,过此交点作出的矩形即为功率“面积”图。
30.
在“描绘小灯泡的伏安特性曲线”的实验中,利用实验得到了8组数据,在图(a)所示的I-U坐标系中,通过描点连线得到了小灯泡的伏安特性曲线。
(1)根据图线的坐标数值,请在图(b)中用笔画线代替导线,把实验仪器连接成完整的实验电路。

(2)根据图(a),可判断出图(c)中正确的关系图是(图中P为小灯泡功率)( )

(3)将同种规格的两个这样的小灯泡并联后再与10Ω的定值电阻串联,接在电压恒为8V的电源上,如图(d)所示,则电流表的示数为_____A,每个小灯泡的功率为_______W。

【答案】
(1)如图

(2)D
(3)0.6,0.6
【解析】
(1)由于小灯泡两端电压可以取到0 V,因此需采用分压器解法,如下图所示:

(2)从(a)图像可知,小灯泡的电阻随电流的增大而增大,而且变化率越来越大,根据P=I2R,小灯泡的功率也应随电流的增大而增大,且变化率越来越大。
正确选项为D。
(3)设小灯泡两端的电压为UL,通过的电流为IL,则此电路满足的欧姆定律可表示为:
E=UL+2ILR
8=UL+20IL
对应的直线方程为IL=-\(\frac{1}{{20}}\)UL+\(\frac{2}{{5}}\)。
将此直线画在(a)中,交点的纵坐标即为通过小灯泡的电流大小,为0.3 A,所以电流表示数为0.6 A。此时小灯泡两端电压为2 V,则功率为PL=ULIL=0.6 W。

30.
如图所示,电源电动势E=6 V,内阻r=1 Ω。定值电阻R1=6 Ω,滑动变阻器总阻值R2=10 Ω。虚线框内为一个断路器,其工作特性如下:(a)接入电路时相当于一根导线;(b)若流过断路器的电流达到或超过0.2A时,断路器会自动断开R1所在支路。现将滑片P置于A端,闭合电键,把滑片P缓慢从A端向左滑到B端 ,问:
(1)PA段电阻多大时,断路器会断开?
(2)试用文字定性说明滑片P从右向左移动的过程中电压表读数如何变化?
【答案】
(1)3 Ω
(2)滑片P从右向左移动过程中,电压表从0开始连续增大,当断流器断开时突然变大,然后逐渐增大接近6 V。
【解析】
(1)U1=ImaxR1
U1=E-(Imax+IPA)(RPB+r)
IPA=\(\frac{{{U_1}}}{{{R_{PA}}}}\)
RPB=R2-RPA=10-RPA
其中Imax=0.2 A,R1=6 Ω,E=6 V,r=1 Ω,代入解得RPA=3 Ω
2006 - 2026,推荐分辨率 1024*768 以上,推荐浏览器 Chrome、Edge 等现代浏览器,截止 2021 年 12 月 5 日的访问次数:1872 万 9823。 站长邮箱
