0.
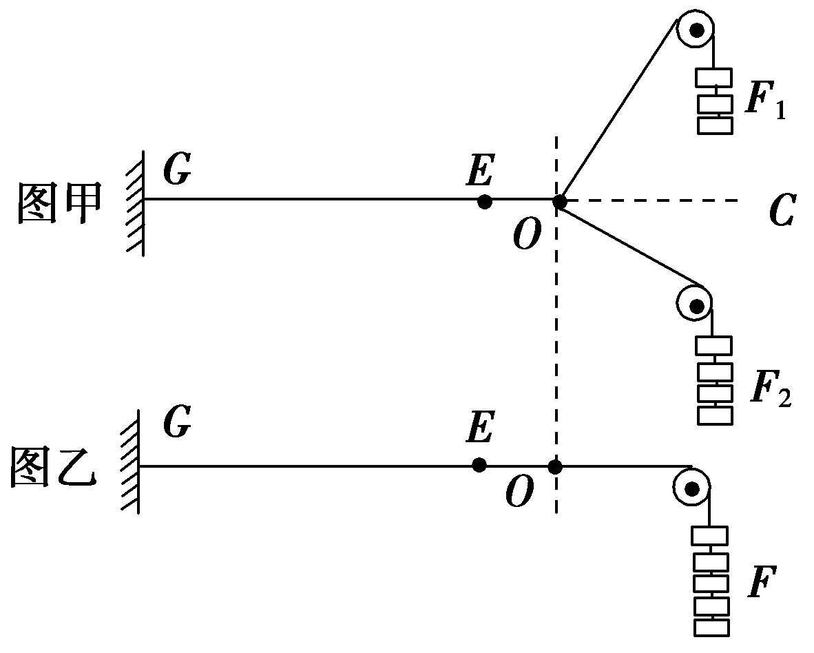
如图所示,舰载机保持牵引力F大小不变在匀速航行的航母上降落时受到阻拦而静止,此时阻拦索夹角θ=120°,空气阻力和甲板阻力不计,则每根阻拦索的拉力大小为( )
(A)\(\frac{F}{2}\) (B)F (C)\(\sqrt 3 \)F (D)2F
【答案】
B
1.下列说法中正确的是( )
(A)“风吹草动”,草受到了力,但没有施力物体,说明没有施力物体的力也是存在的
(B)网球运动员用力击球,网球受力后飞出,网球受力的施力物体是人
(C)每个力都必有施力物体和受力物体
(D)只有直接接触的物体间才有力的作用
【答案】
C
【解析】
力是物体对物体的作用,任何力都有它的施力物体和受力物体,A错误,C正确。网球受力的施力物体是球拍,B错误。有些力如重力、磁力等物体间不接触就可以发生作用,D错误,故选C。
2.下列有关力的说法中正确的是( )
(A)力的产生离不开施力物体,但可以没有受力物体
(B)力的产生离不开受力物体,但可以没有施力物体
(C)力是物体对物体的作用,如果找不到施力物体或受力物体,这个力就不存在
(D)不接触的物体间也可以产生力的作用.例如,磁铁吸引铁钉,可见力可以离开物体单独存在
【答案】
C
3.关于力的作用效果的说法中正确的是( )
(A)物体的运动状态发生变化,一定受到外力作用
(B)物体的运动状态不发生变化,一定不受外力作用
(C)力对物体的作用效果完全由力的大小决定
(D)物体受到力的作用后,一定同时出现形变和运动状态发生变化现象
【答案】
A
4.如图所示,物体A对物体B的压力是10 N,试画出这个力的图示和示意图。
【答案】
如图
5.如图表示的是小车所受外力F的图示,所选标度都相同,则对于小车的运动,作用效果相同的是( )

(A)F1和F2 (B)F1和F4
(C)F1和F3、F4 (D)都不相同
【答案】
B
6.关于重力的大小及重心的位置,以下说法中正确的是( )
(A)重力是物体本身具有的力,大小与物体的质量成正比
(B)静止在水平面上的物体对水平面的压力一定小于其所受的重力
(C)重力只作用在物体的重心上,重心的位置总在物体的几何中心
(D)重力是由于地球对物体的吸引而产生的,重力的施力物体是地球
【答案】
D
【解析】
重力是由于地球对物体的吸引而使物体受到的力,而不是物体本身具有的力,物体重力的计算式G=mg,其中g的值与物体所处的地理位置有关,同一地点,g值相同,物体的重力与物体的质量成正比,不同地点,不同高度,g值一般不同,因此,不能说物体的重力大小与物体的质量成正比,选项A错误;静止在水平面上的物体,对水平面的压力大小等于物体的重力,选项B错误;
重心是物体所受重力的等效作用点,重心的位置与物体的形状和质量分布均有关,只有形状规则、质量均匀分布时,重心的位置才总在物体的几何中心,故选项C错误;由重力的产生可知,选项D正确。
7.关于地面上物体的重力,下列说法正确的是( )
(A)只有静止时,物体才受重力
(B)物体对地面的压力就是物体的重力
(C)弹簧测力计和杆秤都能称量物体的重力大小
(D)同一地点,物体的重力与其质量成正比
【答案】
D
【解析】
物体是否受重力与运动状态无关,A错误;物体对地面的压力与物体的重力的施力物体和受力物体不同,故不是一个力,B错误;杆秤的原理是杠杆原理,只测质量不测重力,C错误;在同一地点g为常数,由G=mg可知,重力与质量成正比,D正确。
8.下列说法中正确的是( )
(A)地球对物体的吸引力就是重力
(B)重心不一定在物体上
(C)形状规则的物体其重心一定在物体的几何中心
(D)当物体浮出水中时,所受重力比在地面上时要小
【答案】
B
【解析】
地球对物体的吸引力产生重力,但引力不等同于重力,A错。重心可以在物体上,也可能不在物体上,B对。形状规则而且质量分布均匀的物体的重心才位于其几何中心,C错。在同一位置,物体的重力为一常量,与它所处运动状态或环境无关,D错。
9.
如图所示的ABC是木匠用的曲尺,它是用粗细不同、质量分布均匀、AB和BC质量相等的木料做成的。D是AC连线的中点,E是AB的中点F和BC的中点G连线的中点,则曲尺的重心在 ( )
(A)B点 (B)D点
(C)E点 (D)G点
【答案】
C
【解析】
由于质量分布均匀,F为AB边重心的位置,G为BC边重心的位置.则该曲尺重心为F与G连线的中点,即E点。
10.
如图所示,一个空心均匀球壳里面注满水,球的正下方有一个小孔,在水由小孔慢慢流出的过程中,空心球壳和水的共同重心将会( )
(A)一直下降 (B)一直上升
(C)先升高后降低 (D)先降低后升高
【答案】
D
【解析】
当注满水时,球壳和水的重心均在球心,故它们共同的重心在球心.随着水的流出,球壳的重心虽然仍在球心,但水的重心逐渐下降,开始一段时间内,球壳内剩余的水较多,随着水的重心下降,球壳和水共同的重心也下降;后来一段时间内,球壳内剩余的水较少,随着水的重心下降,球壳和水共同的重心却升高;最后,水流完时,重心又回到球心.故球壳和水的共同重心先降低后升高,D正确。
11.下列关于力的说法中,正确的是( )
(A)只有相互接触的两物体之间才会产生力的作用
(B)力是不能离开物体而独立存在的,一个力既有施力物体,又有受力物体
(C)一个物体先对别的物体施加力后,才能受到其他物体的作用力
(D)物体的施力和受力是同时的
【答案】
BD
【解析】
有些力如重力、磁力等不需接触就可以产生,A错。力的作用具有相互性和同时性,一个物体对别的物体施加作用力的同时,也一定受其他物体对它的作用力,一个力既有施力物体,又有受力物体,B、D对,C错。
12.
在世界壮汉大赛上有拉汽车前进的一项比赛,如图是某壮汉正通过绳索拉汽车运动,则汽车所受拉力的施力物体和受力物体分别是( )
(A)壮汉、汽车 (B)壮汉、绳索
(C)绳索、汽车 (D)汽车、绳索
【答案】
C
【解析】
汽车所受拉力的施力物体是绳索,受力物体是汽车,C正确。
13.下列关于物体间相互作用的说法中正确的是( )
(A)地面上物体受到重力是引力在地球表面附近的一种表现
(B)爬山时越向上爬,感觉越吃力,这是因为自己的体重增加了
(C)科学家在研究原子核的构成时发现了弱相互作用
(D)科学家在研究原子核放射现象中发现了弱相互作用
【答案】
AD
【解析】
地面上物体受到的重力是由于地球的吸引而产生,是引力在地球表面附近的一种表现,A正确。同一物体的重力在同一个地点不变,B错误。科学家在研究原子核衰变放射现象中发现了弱相互作用,C错误,D正确。
14.关于地球上的物体,下列说法中正确的是( )
(A)物体静止时不受重力作用
(B)物体只有落向地面时才受到重力作用
(C)物体落向地面时比物体上抛时所受的重力小
(D)物体所受重力的大小与物体的质量有关,与物体是否运动及怎样运动无关
【答案】
D
【解析】
重力是由地球的吸引而产生的,不管物体静止还是运动,也不管物体上升还是下落,地面附近同一物体的重力大小、方向都不会发生改变,重力的大小可由公式G=mg求出.可见,重力大小仅与物体的质量m有关,与运动状态无关,故D正确。
15.关于物体的重力,下列说法正确的是( )
(A)重力的方向总是垂直地面向下
(B)重力可以用弹簧测力计测量
(C)物体在地球任何地方重力大小都相等
(D)挂在绳子上静止的物体,它受到的重力就是绳子对它的拉力
【答案】
B
【解析】
重力的方向总是竖直向下,也可以表述为垂直水平面向下,A错。弹簧测力计可以测量力的大小,包括重力的大小,B对。同一物体,处在地球表面的不同位置,重力大小一般不同,C错.用绳子悬挂处于静止状态的物体,所受重力等于绳子对它的拉力大小,但两力性质不同,D错。
16.一个物体所受重力在下列哪些情况下会发生变化( )
(A)把它从赤道拿到南极 (B)把它送到月球上去
(C)把它放到水里 (D)改变它的运动状态
【答案】
AB
【解析】
根据重力的计算公式G=mg知:它的大小不但与物体的质量有关,而且也与重力加速度的大小有关,而重力加速度的大小与地球上的位置、离地面的高度有关,不同的天体上重力加速度不同,所以正确的答案是A、B。
17.
如图所示为两个力的图示,则以下说法中正确的是( )
(A)F1=F2,是因为表示两个力的线段一样长
(B)F1>F2,是因为表示F1的标度大
(C)F1<F2,是因为F1具有两个标准长度,而F2有三个标准长度
(D)无法比较,是因为两图示没有标明一个标准长度所表示的力的大小是多少
【答案】
D
【解析】
因两图都没有标度,所以无法确定力的大小。
18.一个重20 N的物体沿着斜面下滑,在下图中关于物体受到的重力的图示正确的是( )

【答案】
AD
【解析】
重力竖直向下,画力的图示时,标度可以任意选取。
19.
足球运动员已将足球踢向空中,如图所示,下列描述足球在向斜上方飞行过程中某时刻的受力图中,正确的是(G为重力,F为脚对球的作用力、F阻为阻力)( )

(A) (B) (C) (D)
【答案】
B
【解析】
足球在向斜上方飞行的过程中,脚对球已经没有作用力,球只受重力和空气阻力,重力的方向竖直向下,空气阻力的方向与球的运动方向相反,故选B。
20.如图所示,两辆车在以相同的速度做匀速运动,根据图中所给信息和所学知识可以得出的结论是( )

(A)物体各部分都受重力作用,但可以认为物体各部分所受重力集中于一点
(B)重力的方向总是垂直向下的
(C)物体重心的位置与物体形状和质量分布有关
(D)物体只有重心受重力作用,其他部分不受重力作用
【答案】
AC
【解析】
重力作用在物体的各部分,重心是物体所受重力的等效作用点,A正确,D错误;重力的方向总是竖直向下的,B错误;物体的形状和质量分布影响物体的重心位置,C正确。
21.一个质量为60 kg的人,在地球上的重力为588 N,在月球上的重力为98 N。该人在地球上的弹跳高度为0.5 m,那么,他在月球上的弹跳高度为多少?
【答案】
3.0 m
22.
如图所示,把一个平放着的、边长为l的均质立方体绕bc棱翻转,使对角面AbcD处于竖直平面内,则它的重心位置升高了多少?
【答案】
\(\frac{{\sqrt 2 - 1}}{2}\)l
【解析】
均质立方体的重心位于中心,也就是对角面AbcD两对角线Ac、bD的交点O,立方体平放时O点离地面的高度h=\(\frac{l}{2}\)。当把立方体绕bc棱翻转到使对角面AbcD处于竖直平面内时,O点离地的高度等于O点到bc棱的距离,即等于对角面边长Ab或cD的一半,故后来O点离地的高度h′=\(\frac{{\sqrt 2 }}{2}\)l,所以翻转后这个均质立方体的重心位置升高了Δh=h′-h=\(\frac{{\sqrt 2 }}{2}\)l-\(\frac{1}{2}\)l=\(\frac{{\sqrt 2 - 1}}{2}\)l。
23.如图所示,弹簧被压缩后能使小车向右运动,橡皮泥被压缩后不能使小车向右运动,弹簧和橡皮泥被压缩后产生的效果为什么会不同?
【答案】
弹簧被压缩后发生弹性形变,由于恢复原状,对小车产生弹力,使小车向右运动.橡皮泥被压缩后发生的形变不能恢复原状,对小车没有弹力,所以橡皮泥被压缩后不能使小车向右运动。
24.如图所示:物体A、B并排静止在光滑水平面上,A、B之间有弹力吗?
【答案】
A、B间无弹力,因为A、B两物体并排接触,物体没有发生弹性形变,不满足产生弹力的条件。
25.在下列各图中,A、B两球间一定有弹力作用的是( )

(A) (B) (C) (D)
【答案】
B
【解析】
A、C图中若拿去B球,A球均静止不动,故A、B间无弹力作用,B图中若拿去B球,悬挂A球的细绳将会变成竖直方向,故A、B间一定有弹力作用,D图中A、B两球在上面小球的压力下有向两侧运动的趋势,A、B两球相互间应无弹力作用,故B正确。
26.如图所示,将一个钢球分别放在量杯、口大底小的普通茶杯和三角烧杯中,钢球与各容器的底部和侧壁相接触,处于静止状态.若钢球和各容器都是光滑的,各容器的底部均处于水平面内,则以下说法中正确的是( )

(a) (b) (c)
(A)各容器的侧壁对钢球均无弹力作用
(B)各容器的侧壁对钢球均有弹力作用
(C)量杯的侧壁对钢球无弹力作用,其余两种容器的侧壁对钢球均有弹力作用
(D)口大底小的普通茶杯的侧壁对钢球有弹力作用,其余两种容器的侧壁对钢球均无弹力作用
【答案】
A
【解析】
如图所示,将一个钢球分别放在量杯、口大底小的普通茶杯和三角烧杯中,钢球与各容器的底部和侧壁相接触,处于静止状态.若钢球和各容器都是光滑的,各容器的底部均处于水平面内,则以下说法中正确的是( )

(a) (b) (c)
(A)各容器的侧壁对钢球均无弹力作用
(B)各容器的侧壁对钢球均有弹力作用
(C)量杯的侧壁对钢球无弹力作用,其余两种容器的侧壁对钢球均有弹力作用
(D)口大底小的普通茶杯的侧壁对钢球有弹力作用,其余两种容器的侧壁对钢球均无弹力作用
27.
如图所示,一小球用两绳挂于天花板上,球静止,绳1倾斜,绳2恰好竖直,则关于小球受弹力个数正确的是( )
(A)1个 (B)2个 (C)3个 (D)4个
【答案】
A
【解析】
解答该题可用消除法,若撤去绳1球的状态不变,即绳1无弹力,同理可判断绳2有弹力,由此知A正确。
28.请在图中画出杆或球所受的弹力.

(a) (b) (c) (d)
(a)杆靠在墙上
(b)杆放在半球形的槽中
(c)球用细线悬挂在竖直墙上
(d)点1、2、3都可能是球的重心位置,点2是球心,1、2、3点在同一竖直线上
【答案】
请在图中画出杆或球所受的弹力.

(a) (b) (c) (d)
(a)杆靠在墙上
(b)杆放在半球形的槽中
(c)球用细线悬挂在竖直墙上
(d)点1、2、3都可能是球的重心位置,点2是球心,1、2、3点在同一竖直线上
【解析】
(a)杆靠在墙上,挤压墙壁和地面,因此受到墙对杆的弹力与墙垂直,受到地面对杆的弹力与地面垂直,如图甲所示。
(b)杆放在半球形的槽中,C处为杆与球面的接触点,D处为支撑点,所以C处弹力垂直于其切面指向球心,D处弹力垂直于杆斜向上。如图乙所示。
(c)球挤压墙壁且拉紧绳子,所以墙对球的弹力与墙面垂直;绳子对球的弹力沿绳子斜向上。如图丙所示。
(d)当重心不在球心处时,弹力作用也必通过球心O,如图丁所示 .应注意不要错误地认为弹力作用线必定通过球的重心。
29.如图为P物体对Q物体的压力的示意图,其中正确的是( )

(A) (B) (C) (D)
【答案】
A
【解析】
P对Q物体的压力应作用在Q物体上,且力的方向应垂直于接触面并指向Q物体,故B、C、D均是错误的。
30.
如图所示,一根弹性杆的一端固定在倾角为30°的斜面上,杆的另一端固定一个重为2 N的小球,小球处于静止状态,则关于弹性杆对小球的弹力,下列结论正确的是( )
(A)大小为2 N,方向平行于斜面向上
(B)大小为1 N,方向平行于斜面向上
(C)大小为2 N,方向垂直于斜面向上
(D)大小为2 N,方向竖直向上
【答案】
D
【解析】
小球受重力和杆的支持力(弹力)作用处于静止状态,由二力平衡知识可知,杆对小球的弹力与重力等大、反向。
31.一轻弹簧在10.0 N的拉力作用下,长度由原长5.00 cm伸长为6.00 cm。则:
(1)弹簧的劲度系数为多大?
(2)当该弹簧长度为4.20 cm时,弹簧的弹力有多大?
【答案】
(1)1×103 N/m
(2)8 N
32.一根轻质弹簧一端固定,用大小为F1的力压弹簧的另一端,平衡时长度为l1;改用大小为F2的力拉弹簧,平衡时长度为l2,弹簧的拉伸或压缩均在弹性限度内,该弹簧的劲度系数为( )
(A)\(\frac{{{F_2} + {F_1}}}{{{l_2} - {l_1}}}\) (B)\(\frac{{{F_2} + {F_1}}}{{{l_2} + {l_1}}}\) (C)\(\frac{{{F_2} + {F_1}}}{{{l_1} - {l_2}}}\) (D)\(\frac{{{F_2} - {F_1}}}{{{l_2} + {l_1}}}\)
【答案】
A
【解析】
由胡克定律F=kx得,式中x为形变量,设弹簧原长为l0,则有F1=k(l0-l1),F2=k(l2-l0),联立方程组可以解得k=\(\frac{{{F_2} + {F_1}}}{{{l_2} - {l_1}}}\),所以A项正确。
33.
如图所示,轻质弹簧的劲度系数为k,小球重为G,平衡时球在A处,今用力F压球使弹簧缩短x,球至B处,则此时弹簧的弹力为( )
(A)kx (B)kx+G
(C)G-kx (D)以上都不对
【答案】
B
【解析】
设球在A处时弹簧已压缩了Δx,球平衡时弹力FA=G=kΔx,球在B处时,弹簧又压缩了x,球再达平衡时弹力FB=k(Δx+x)=G+kx,故选B。
34.
某物理兴趣小组的同学在研究弹簧弹力的时候,测得弹力的大小F和弹簧长度L的关系如图所示,则由图线可知:
(1)弹簧的劲度系数为________N/m;
(2)当弹簧被压缩,弹力大小为5 N时,弹簧的长度为__cm。
【答案】
(1)200
(2)7.5
【解析】
(1)由图读出,弹簧的弹力F=0时,弹簧的长度为L0=10 cm,即弹簧的原长为10 cm,由图读出弹力为F1=10 N,弹簧的长度为L1=5 cm,弹簧压缩的长度x1=L0-L1=5 cm=0.05 m,由胡克定律得弹簧的劲度系数为k=\(\frac{{{F_1}}}{{{x_1}}}\)=200 N/m。
(2)弹簧的弹力为5 N,弹簧的形变量Δx=\(\frac{F}{x}\)=2.5 cm,弹簧的原长为10 cm,弹簧处于压缩状态,所以弹簧的长度为7.5 cm。
35.
一个实验小组在“探究弹力和弹簧伸长量的关系”的实验中,使用两条不同的轻质弹簧a和b,得到弹力与弹簧长度的图象如图所示。下列表述正确的是( )
(A)a的原长比b的长
(B)a的劲度系数比b的大
(C)a的劲度系数比b的小
(D)测得的弹力与弹簧的长度成正比
【答案】
B
【解析】
由胡克定律知F=k(l-l0),其中k为劲度系数,在F-l图象上为直线的斜率.由图象知ka>kb,即a的劲度系数比b的大,B正确,C错误。a、b两图线与l轴的交点为弹簧的原长,则a、b的原长分别为l1和l2,从图象看出l1<l2,故A错误。弹力F与弹簧的长度l是线性关系而不是正比关系,故D错误。
36.关于弹性形变,下列说法正确的是( )
(A)物体形状的改变叫弹性形变
(B)一根钢筋用力弯折后的形变就是弹性形变
(C)物体在外力停止作用后,能够恢复原来形状的形变,叫弹性形变
(D)物体在外力停止作用后的形变,叫弹性形变
【答案】
C
【解析】
弹性形变指物体在外力停止作用后,能够恢复原状的形变,C正确、A、D错误;钢筋用力弯折后,无法恢复到原来形状,不属于弹性形变,B错误。
37.
如图所示,甲、乙两根金属弹簧除粗细不同外其他均相同,对它们的劲度系数,下列说法正确的是( )
(A)k甲>k乙 (B)k甲<k乙
(C)k甲=k乙 (D)k甲、k乙的大小无法判断
【答案】
A
【解析】
弹簧的劲度系数表示弹簧“软”“硬”程度,甲、乙两根金属弹簧除粗细不同外其他均相同,甲弹簧比乙弹簧粗,所以甲弹簧的劲度系数大于乙弹簧的劲度系数,即k甲>k乙,故选项A正确。
38.书放在桌面上,会受到桌面对它的弹力作用,产生这个弹力的直接原因是( )
(A)书的形变 (B)桌面的形变
(C)书所受到的重力 (D)桌面所受到的重力
【答案】
B
【解析】
书受到的向上的弹力,是由桌面形变产生的;而桌面受到向下的压力是由书形变产生的。
39.
如图所示,轻弹簧的两端各受20 N拉力F的作用,弹簧伸长了10 cm(要弹性限度内)。那么下列说法中正确的是( )
(A)弹簧所受的合力为零
(B)弹簧所受的合力为20 N
(C)该弹簧的劲度系数k为200 N/m
(D)根据公式k=F/x,弹簧的劲度系数k会随弹簧弹力F的增大而增大
【答案】
AC
【解析】
以弹簧为研究对象,受到水平向左、水平向右的拉力F均为20 N,合力为零,选项A正确,选项B错误;由F=kx得k=200 N/m,弹簧的劲度系数k的大小与弹簧的材料有关,与外力无关,选项C正确,选项D错误。
40.关于胡克定律,下列说法正确的是( )
(A)由F=kx可知,在弹性限度内弹力F的大小与弹簧伸长(或缩短)的长度x成正比
(B)由k=\(\frac{F}{x}\)可知,劲度系数k与弹力F成正比,与弹簧的长度改变量成反比
(C)弹簧的劲度系数k是由弹簧本身的性质决定的,与弹力F的大小和弹簧伸长(或缩短)的长度x的大小无关
(D)弹簧的劲度系数在数值上等于弹簧单位长度时弹力的大小
【答案】
AC
【解析】
在弹性限度内,弹簧的弹力与伸长量(或压缩量)遵守胡克定律F=kx,故选项A正确;弹簧的劲度系数由弹簧本身的性质决定,与弹力F及弹簧伸长(或缩短)的长度x无关,故选项C对,B错;由胡克定律得k=\(\frac{F}{x}\),可理解为弹簧每伸长(或缩短)单位长度时弹力的值与k值相等,故选项D错误。
41.
一个球形物体O静止放在光滑的水平地面上,并与竖直墙壁相接触,A、B两点是球与墙和球与地面的接触点,则下列说法正确的是( )
(A)物体受三个力,重力、地面对物体的支持力、墙壁对物体的弹力
(B)物体受两个力,重力、地面对物体的支持力
(C)物体受两个力,重力、物体对地面的压力
(D)物体受三个力,重力、物体对地球的引力、物体对地面的压力
【答案】
B
【解析】
地面光滑且水平,球形物体处于静止状态时,与球只接触无挤压,故墙壁对物体的弹力为零,球形物体只受重力、地面对物体的支持力两个力作用,B正确。
42.
体育课上一学生在水平篮球场上拍篮球,如图所示,试分析篮球与地面作用时,地面给篮球的弹力方向为( )
(A)斜左上 (B)斜右上 (C)竖直向上 (D)竖直向下
【答案】
C
【解析】
篮球与水平地面接触时发生形变,产生弹力.如果认为球的一点与地面接触,则属于点与面接触问题,弹力应垂直于面(即地面),方向向上。
43.
如图所示是探究某根弹簧的伸长量x与所受拉力F之间的关系图,下列说法中正确的是( )
(A)弹簧的劲度系数是2 N/m
(B)弹簧的劲度系数是2×103 N/m
(C)当弹簧受F2=800 N的拉力作用时,弹簧总长度为x2=40 cm
(D)当弹簧伸长量为x1=2 cm时,弹簧产生的拉力是F1=400 N
【答案】
B
44.
如图所示,四个完全相同的弹簧都处于水平位置,它们的右端受到大小皆为F的拉力作用,而左端的情况各不相同:①中弹簧的左端固定在墙上;②中弹簧的左端受大小也为F的拉力作用;③中弹簧的左端拴一小物块,物块在光滑的桌面上滑动;④中弹簧的左端拴一小物块,物块在粗糙的桌面上滑动,若认为弹簧的质量都为零,以l1、l2、l3、l4依次表示四个弹簧的伸长量,则有( )
(A)l1>l2 (B)l2>l3 (C)l3>l4 (D)l1=l2=l3=l4
【答案】
D
【解析】
弹簧的伸长量等于弹簧弹力与弹簧劲度系数的比值,分析四种情况下弹簧所受弹力都等于外力F,又因为弹簧完全相同,劲度系数相同,所以四种情况下弹簧的伸长量相等。
45.三个相同的支座上分别放着三个质量和直径均相同的光滑圆球a、b、c,支点P、Q在同一水平面上。a的重心位于球心,b、c的重心分别位于球心的正上方和正下方,如图,三球皆静止,试分析三种情况下支点P、Q对球的弹力方向是怎样的?

【答案】
三个相同的支座上分别放着三个质量和直径均相同的光滑圆球a、b、c,支点P、Q在同一水平面上。a的重心位于球心,b、c的重心分别位于球心的正上方和正下方,如图,三球皆静止,试分析三种情况下支点P、Q对球的弹力方向是怎样的?

【解析】
三种情况都是点与点接触,圆球所受弹力的方向都是垂直于圆球的切面指向球心,即沿半径指向球心,如图所示,弹力的方向与重心的位置无关。
46.一根弹簧原长为20 cm,当用15 N的力拉它时,弹簧长为25 cm。
(1)求此弹簧的劲度系数;
(2)若此弹簧受21 N的压力,则弹簧长度变为多少?
【答案】
(1)此弹簧的劲度系数是300 N/m
(2)弹簧长度变为13 cm
47.
如图所示,A、B是两个相同的轻弹簧,原长都是l0=10 cm,劲度系数k=500 N/m,如果图中悬挂的两个物体质量均为m,现测得两个弹簧的总长为26 cm,则物体的质量m是多少?(取g=10 N/kg)
【答案】
1 kg
【解析】
B弹簧弹力FB=mg,A弹簧弹力FA=2mg,若两弹簧伸长量分别为xA、xB,
则FA=kxA,FB=kxB
由题意:xA+xB+2l0=0.26 m
由以上各式可得:m=1 kg
48.用手握住瓶子,使瓶子在竖直方向上静止,当担心手中瓶子掉下去时,总是用力握得更紧一些,这时瓶子所受的摩擦力增大了吗?
【答案】
由于手与瓶子保持相对静止,手与瓶子之间的摩擦力为静摩擦力,由二力平衡得,摩擦力总与重力大小相等,当用力握紧瓶子时,手与瓶子接触处压力增大,手对瓶子的最大静摩擦力增大,但静摩擦力保持不变。
49.关于相互接触的两个物体之间的弹力和摩擦力,下列说法中正确的是( )
(A)有弹力必有摩擦力
(B)有摩擦力必有弹力
(C)弹力增大则摩擦力一定增大
(D)弹力是动力,摩擦力是阻力
【答案】
B
【解析】
根据弹力和摩擦力的产生条件知,有摩擦力一定有弹力,有弹力不一定有摩擦力,A错,B对;静摩擦力大小与弹力(压力)大小无关,C错;弹力或摩擦力都既可能是动力,也可能是阻力,D错。
50.以下关于滑动摩擦力的说法中,正确的是( )
(A)滑动摩擦力的方向总是与物体的运动方向相反
(B)滑动摩擦力总是阻碍物体的运动
(C)滑动摩擦力的方向总是与物体的相对运动方向相反
(D)两个相互接触的物体发生相对滑动时,它们都要受到滑动摩擦力的作用
【答案】
C
【解析】
滑动摩擦力的方向总是与物体的相对运动方向相反,但与物体的运动方向既可能相同,也可能相反,既可能促进物体的运动,也可能阻碍物体的运动,A、B错误,C正确。滑动摩擦力的产生必须具备三个条件,两个相互接触的物体发生相对滑动时,接触面间相互挤压和粗糙的条件不一定具备,此时物体间不一定有摩擦力,D错误。
51. 如图所示,汽车上的箱子始终相对车厢静止,试判断以下三种情况下,箱子是否受摩擦力以及所受摩擦力的方向:
(1)汽车匀速前进;
(2)汽车加速前进;
(3)汽车减速前进.
【答案】
(1)汽车匀速前进时,假设箱子受摩擦力作用,则它不会保持匀速运动状态,故此时箱子不受摩擦力;
(2)汽车加速前进时,箱子有相对车厢向后滑动的趋势,所受摩擦力方向向前;
(3)汽车减速前进时,箱子有相对车厢向前滑动的趋势,所受摩擦力方向向后。
52.
如图所示,物体A、B叠放在水平地面上,水平力F作用在A上,使二者一起向左做匀速直线运动,下列说法正确的是( )
(A)A、B之间无摩擦力
(B)A受到B的摩擦力水平向左
(C)B受到A的摩擦力水平向左
(D)地面对B的摩擦力为静摩擦力,水平向右
【答案】
C
【解析】
对A物体,由于A匀速运动,由水平方向二力平衡可知,B对A的摩擦力必与F等值反向,故选项A、B错误;对B物体,由力的作用的相互性可知,A对B的摩擦力一定与B对A的摩擦力反向,故B受到A的摩擦力水平向左,选项C正确;对A、B整体分析,由于A、B一起向左匀速运动,则地面对B的摩擦力为滑动摩擦力,且水平向右,故选项D错误。
53.
水平力F作用在物体B上,A、B一起做匀速直线运动,如图所示,则( )
(A)A、B之间无摩擦力
(B)A受到的摩擦力水平向右
(C)B与地面之间无摩擦力
(D)地面对B的摩擦力水平向右
【答案】
AD
【解析】
假设B对A有摩擦力,则A受力不平衡,不可能做匀速直线运动,故B对A无摩擦力,A正确、B错误;由于A、B一起匀速运动,故把A、B作为一个整体,B相对于地面向左滑动,故地面对B有摩擦力,且方向水平向右,C错误,D正确。
54.如图所示为某运动员在100 m决赛途中的两个瞬间,其中图(甲)、(乙)分别表示运动员脚用力后蹬和前脚刚好接触地面,用F1、F2分别表示运动员在两瞬间所受到的摩擦力,则关于F1、F2的方向,以下说法正确的是( )
(A)F1向后,F2向后 (B)F1向前,F2向前
(C)F1向前,F2向后 (D)F1向后,F2向前

(甲) (乙)
【答案】
C
【解析】
奔跑过程中脚与地面接触时,脚与地面相对静止,受到静摩擦力.题图(甲)中,脚用力后蹬,相对地面有向后滑的趋势,受到向前的静摩擦力,F1向前,图(乙)中脚接触地面时有相对地面向前滑的趋势,受到的静摩擦力向后,F2向后。
55.
如图所示,物体A、B叠放在水平桌面上,方向相反的水平拉力Fa、Fb分别作用于物体A、B上,使A、B一起在桌面上做匀速直线运动,已知A、B始终保持相对静止,且Fb=2Fa。以FfA表示A受到的摩擦力大小,以FfB表示B受到桌面的摩擦力的大小,则( )
(A)FfA=0,FfB=Fa (B)FfA=0,FfB=2Fa
(C)FfA=Fa,FfB=Fa (D)FfA=Fa,FfB=2Fa
【答案】
C
【解析】
对A来说,水平方向受两个力Fa和摩擦力FfA,根据二力平衡FfA=Fa。对B来说,水平方向受三个力的作用,向右的Fb,向左的是A给它的摩擦力大小等于Fa和地面给它的摩擦力FfB,根据受力平衡,地面给它的摩擦力FfB=Fb-Fa=Fa。故C正确。
56.一物体置于粗糙水平地面上,按如图所示不同的放法,在水平力F的作用下运动,设地面与物体各接触面间的动摩擦因数相等,则木块受到的摩擦力的大小关系是( )

(A)Ff甲>Ff乙>Ff丙 (B)Ff乙>Ff甲>Ff丙
(C)Ff丙>Ff乙>Ff甲 (D)Ff甲=Ff乙=Ff丙
【答案】
D
【解析】
物体在三种情况下所受摩擦力均为滑动摩擦力,由F=μFN=μmg知,物体在三种情况下所受摩擦力大小相等,选项D正确。
57.质量为2 kg的物体,静止在水平地面上,物体与地面间的动摩擦因数为0.5,最大静摩擦力为11 N,给物体一水平拉力(g取10 N/kg)。
(1)当拉力大小为5 N时,地面对物体的摩擦力是多大?
(2)当拉力大小为12 N时,地面对物体的摩擦力是多大?
(3)若将拉力由12 N减小为5 N(物体仍在滑动),地面对物体的摩擦力是多大?
(4)若撤去拉力,在物体继续滑动的动程中,地面对物体的摩擦力是多大?
【答案】
(1)5 N
(2)10 N
(3)10 N
(4)10 N
【解析】
(1)当拉力F′=5 N时,F′<Fmax,物体静止,由二力平衡,地面对物体的摩擦力为F1=F′=5 N
(2)当拉力F′=12 N时,F′>Fmax,物体滑动,则地面对物体的摩擦力为:F2=μFN=μmg=10 N
(3)当拉力由12 N减小为5 N时,由于物体仍在滑动,则地面对物体的摩擦力为:F3=μF N=μmg=10 N
(4)撤去拉力后,由于物体继续滑动,仍受滑动摩擦力作用,F4=μmg=10 N
58.
某同学用如图所示的装置测量放在粗糙水平桌面上的长金属板B与铁块A间的动摩擦因数,已知铁块A的质量m=1 kg,用水平力F向左拉金属板B,使其相对于A向左运动,稳定时弹簧测力计示数如图所示。则弹簧测力计示数为________N,A、B间的动摩擦因数μ=________(g取10 N/kg)。
【答案】
2.50,0.25
59.下列现象中,哪些物体受到了滑动摩擦力的作用( )
(A)同学们在操场的跑道上跑步锻炼身体时的脚
(B)同学们在饮水机上接水时手拿着的水杯
(C)慢慢行驶在校园内的汽车的轮胎
(D)同学们考试过程中写字时的钢笔笔尖
【答案】
D
【解析】
A、B、C选项中,两个物体的接触面没有发生相对运动,物体所受的摩擦力属于静摩擦力;D选项中,钢笔笔尖在写字过程中相对纸面滑动,受到的摩擦力为滑动摩擦力。
60.关于物体受静摩擦力的叙述中,正确的是( )
(A)静摩擦力的方向不一定与物体运动方向相反
(B)静摩擦力的方向不可能与物体运动方向相同
(C)静摩擦力的方向可能与物体相对运动趋势的方向垂直
(D)静止物体所受静摩擦力一定为零
【答案】
A
【解析】
静摩擦力的方向与物体间相对运动趋势的方向相反,与运动方向之间没有关系,既可以相同,可以相反,也可以有任意夹角,但一定与相对运动趋势方向相反,故A对,B、C错;静止物体可以受到静摩擦力的作用,比如用力推桌子而桌子没动,说明有静摩擦力平衡了推力,D错。
61.下列关于摩擦力的说法中正确的是( )
(A)物体在运动时才受到摩擦力
(B)摩擦力的方向一定与物体的运动方向相反
(C)摩擦力总是成对地出现
(D)摩擦力的大小总是与正压力的大小成正比
【答案】
C
【解析】
放在水平地面上的物体,受水平拉力作用处于静止状态时,物体就受到了静摩擦力作用,所以A错误;摩擦力的方向一定与物体的相对运动方向相反,可以与运动方向相同,B错误;摩擦力是相互接触物体间的相互作用,一定是成对出现的,C正确;静摩擦力的大小与正压力的大小之间没有正比关系,D错误。
62.
有三个相同的物体叠放在一起,置于粗糙水平地面上,物体之间不光滑,如图所示。现用一水平力F作用在乙物体上,物体仍保持静止,下列说法正确的是( )
(A)丙受到地面的摩擦力大小为F,方向水平向左
(B)甲受到水平向右的摩擦力作用
(C)乙对丙的摩擦力大小为F,方向水平向右
(D)丙对乙的摩擦力大小为F,方向水平向右
【答案】
AC
【解析】
对于选项A,以甲、乙、丙三者整体为研究对象,此整体在水平方向上受平衡力的作用,因此丙受到地面的摩擦力大小等于拉力F,方向水平向左,选项A正确;对于选项B,以甲为研究对象,甲不受摩擦力,选项B错误;对于选项C,乙对丙的摩擦力与丙对乙的摩擦力大小相等、方向相反,由此可知,乙对丙摩擦力的大小等于F,方向水平向右,故选项C正确,选项D错误。
63.
如图所示,用水平恒力F推放置在水平面上的物体m,物体保持静止,关于物体受力情况的说法正确的是( )
(A)推力小于物体所受摩擦力
(B)物体所受摩擦力的方向与推力的方向相反
(C)物体所受摩擦力的大小可由F=μFN直接计算
(D)物体受到三个力的作用
【答案】
B
【解析】
因为物体保持静止,由二力平衡知,推力大小等于物体所受摩擦力,物体所受摩擦力的方向与推力的方向相反,A错,B对.物体所受摩擦力不是滑动摩擦力,大小不能由F=μFN计算,C错.物体受到重力、支持力、摩擦力和推力四个力的作用,D错。
64.
如图所示,在水平放置的传送带上放有一物体,当皮带不动时,要使物体向右匀速运动,作用在物体上的水平拉力为F1;当皮带向左运动时,要使物体仍向右匀速运动,作用在物体上的水平拉力为F2,则( )
(A)F1=F2 (B)F1>F2 (C)F1<F2 (D)以上三种情况都有可能
【答案】
A
【解析】
两种情况下,物体相对于传送带均向右匀速运动,物体均受传送带向左的滑动摩擦力,滑动摩擦力大小均为f=μmg,根据二力平衡条件得F1=F2=f=μmg,故正确选项为A。
65.
如图所示,水平传送带上放一物体,当传送带向右以速度v匀速传动时,物体在轻弹簧水平拉力的作用下处于静止状态,此时弹簧的伸长量为Δx;当传送带向右的速度变为2v时,物体处于静止状态时弹簧的伸长量为Δx′。则关于弹簧前、后的伸长量,下列说法中正确的是( )
(A)弹簧伸长量将减小,即Δx′<Δx
(B)弹簧伸长量将增加,即Δx′>Δx
(C)弹簧伸长量不变,即Δx′=Δx
(D)无法比较Δx和Δx′的大小
【答案】
C
【解析】
两种情况下m相对于传送带均向左匀速运动,m均受传送带向右的滑动摩擦力,其大小均为f=μmg,根据二力平衡的条件F1=F2=f=μmg,又F1=F2,即kΔx=kΔx′,故Δx′=Δx,正确的选项为C。
66.用劲度系数k=490 N/m的弹簧沿水平方向拉一木板,在水平桌面上做匀速直线运动,弹簧的长度为12 cm,若在木板上放一质量为5 kg的物体,仍用原弹簧沿水平方向匀速拉动木板,弹簧的长度变为14 cm,试求木板与水平桌面间的动摩擦因数μ。(g取9.8 N/kg)
【答案】
0.2
67.
如图所示,A叠放在B上,B放在斜面上,A、B均处于静止状态,下列叙述正确的是( )
(A)B相对A与B相对斜面的运动趋势相同
(B)B相对A的运动趋势方向沿斜面向上
(C)A相对B的运动趋势方向沿斜面向上
(D)B相对斜面的运动趋势方向沿斜面向下
【答案】
BD
【解析】
对A分析,假设A、B间光滑,则A相对B向下运动,故A相对B的运动趋势沿斜面向下,由相对运动知,B相对A的运动趋势沿斜面向上,假设B与斜面间光滑,则B相对斜面向下滑动,故B相对斜面的运动趋势沿斜面向下,所以B、D正确。
68.
木板甲、乙分别重50 N和60 N,它们与水平地面之间的动摩擦因数均为0.25。夹在甲、乙之间的轻弹簧被压缩了2 cm,弹簧的劲度系数为400 N/m。系统置于水平地面上静止不动.现将F=1 N的水平拉力作用在木块乙上,如图所示,力F作用后( )
(A)木块甲所受摩擦力大小是12.5 N
(B)木块甲所受摩擦力大小是11.5 N
(C)木块乙所受摩擦力大小是9 N
(D)木块乙所受摩擦力大小是7 N
【答案】
[fj1]C
【解析】
由题意可得木块乙受到的最大静摩擦力Fmax=μFN=0.25×60 N=15 N,弹簧的弹力F弹=kx=400×0.02 N=8 N,木块乙受到向右的力F弹+F=9 N<Fmax,故木块乙仍静止。由平衡条件可得木块乙受到向左的摩擦力Ff乙=F弹+F=9 N,故C正确,D错误;木块甲受到的最大静摩擦力Fmax=μF N′=0.25×50 N=12.5 N,弹簧的弹力F弹=8 N<Fmax,故甲仍静止,受到向右的摩擦力Ff甲=F弹=8 N,故A、B错误。
69.
如图所示,在粗糙水平面上有两个质量分别为m1、m2的木块1和2,中间用一原长为L、劲度系数为k的轻弹簧连接起来,木块与地面间动摩擦因数为μ,现用一水平力向右拉木块2,当两木块一起匀速运动时两木块之间的距离是多少?
【答案】
\(\frac{{\mu {m_1}g}}{k}\)+L
【解析】
以木块1为研究对象,它所受到的摩擦力为
F=μFN=μm1g,
根据二力平衡条件,弹簧弹力
T=F=μm1g
而根据胡克定律T=k(d-L)
所以两木块之间的距离d=\(\frac{{\mu {m_1}g}}{k}\)+L
71.
如图所示,在水平桌面上放一个重GA=20 N的木块,木块与桌面间的动摩擦因数为0.14,使这个木块沿桌面做匀速运动时的水平拉力F为多少?如果再在木块A上加一块重为GB=10 N的木块B,B与A之间的动摩擦因数为0.2,那么当A、B两木块一起沿桌面匀速滑动时,对木块A的水平拉力应为多少?此时木块B受到木块A的摩擦力多大?
【答案】
8 N,12 N,0
【解析】
未放上木块B时,FN=GA=20 N,桌面对A的摩擦力为Ff1=μFN=μAGA=0.4×20 N=8 N
根据二力平衡条件,拉力F=Ff1=8 N加上木块B后,F′N=GA+GB=20 N+10 N=30 N,
桌面对A的摩擦力为:F′f1=μAF′N=μA(GA+GB)=0.4×30 N=12 N,故拉力F′=F′f1=12 N
由于A、B两木块间无相对运动,所以A、B两木块间不产生摩擦力,即B受到的摩擦力Ff2=0。
71.已知两个分力的大小为F1、F2,它们的合力大小为F,下列说法中不正确的是( )
(A)不可能出现F<F1同时F<F2的情况
(B)不可能出现F>F1同时F>F2的情况
(C)不可能出现F<F1+F2的情况
(D)不可能出现F>F1+F2的情况
【答案】
ABC
【解析】
如果F1与F2大小相等,方向相反,则其合力为零,F既小于F1又小于F2,故A错误;如果F1、F2同向,则合力F=F1+F2,既大于F1又大于F2,故B错误;合力F的范围为|F1-F2|≤F≤F1+F2,因此,C错误.D正确.所以不正确的选项为A、B、C。
72.关于分力和合力,以下说法不正确的是( )
(A)合力的大小小于任何一个分力是可能的
(B)如果一个力的作用效果跟其它几个力的效果相同,则这个力就是其它几个力的合力
(C)合力的大小一定大于任何一个分力
(D)合力可能是几个力的代数和
【答案】
C
【解析】
如果一个力的作用效果跟其它几个力共同作用时的效果相同,这个力就是其它几个力的合力.设两分力为F1、F2,合力F的取值范围为|F1-F2|≤F≤F1+F2,因此合力的大小不一定大于任何一个分力,小于任何一个分力是可能的.当两分力在一条直线上时,在规定正方向后合力可以是几个力的代数和.由此知C不正确,故选C。
73.大小分别是30 N和25 N的两个力,同时作用在一个物体上,对于合力F大小的估计最恰当的是( )
(A)F=55 N (B)25 N≤F≤30 N
(C)25 N≤F≤55 N (D)5 N≤F≤55 N
【答案】
D
【解析】
若两个分力的大小为F1和F2,在它们的夹角不确定的情况下,合力F的大小范围为|F1-F2|≤F≤F1+F2,所以5 N≤F≤55 N,D正确。
74.两个共点力的大小分别为F1和F2,作用于物体的同一点.两力同向时,合力为A,两力反向时,合力为B,当两力互相垂直时合力为( )
(A)\(\sqrt {{A^2} + {B^2}} \) (B)\(\sqrt {\frac{{{A^2} + {B^2}}}{2}} \) (C)\(\sqrt {A + B} \) (D)\(\sqrt {\frac{{A + B}}{2}} \)
【答案】
B
【解析】
由题意知F1+F2=A,F1-F2=B,故F1=\({\frac{{A + B}}{2}}\),F2=\({\frac{{A - B}}{2}}\)。当两力互相垂直时,合力F=\(\sqrt {F_1^2 + F_2^2} \)=\(\sqrt {{{\left( {\frac{{A + B}}{2}} \right)}^2} + {{\left( {\frac{{A - B}}{2}} \right)}^2}} \)=\(\sqrt {\frac{{{A^2} + {B^2}}}{2}} \) 。故B正确。
75.
水平横梁一端A插在墙壁内,另一端装小滑轮B。轻绳的一端C固定于墙壁上,另一端跨过小滑轮后悬挂一质量m=10 kg的重物,∠CBA=30°,如图所示,则小滑轮受到轻绳的作用力为多大?(取g=10 m/s2)
【答案】
100 N
【解析】
以滑轮与绳子的接触点B为研究对象。
悬挂重物的轻绳的拉力F=mg=100 N,BC段绳子在B处有沿绳子斜向上的拉力、BD段绳子在B处有沿绳子竖直向下的拉力,大小都是100 N,受力示意图如图所示∠CBD=120°,则∠CBE=∠DBE=60°,即△CBE是等边三角形,故滑轮受到绳子的作用力大小为F合=100 N。
76.
如图所示,重 80 N 的物体A放在倾角为30°的光滑斜面上,原长为 10 cm、劲度系数为 1000 N/m 的弹簧,其一端固定在斜面底端,另一端与物体 A 连接。现用一沿斜面向上的外力拉物体使其缓慢上移,当弹簧长度变为 8 cm 时拉力F为( )
(A)10 N (B)15 N (C)20 N (D)40 N
【答案】
C
【解析】
弹簧的弹力大小 FT=kx=1 000×(0.1-0.08)N=20 N,方向沿斜面向上,物体A始终处于平衡状态,F+FT=mg sin30°,所以 F = 20 N,C 正确。
77.下列物理量在运算时不遵循平行四边形定则的有( )
(A)时间 (B)位移 (C)速度 (D)加速度
【答案】
A
【解析】
时间是标量,位移、速度、加速度是矢量,矢量的运算遵循平行四边形定则,故选A。
78.如图所示,大小分别为F1、F2、F3的三个力恰好围成一个闭合的三角形,且三个力的大小关系是F1<F2<F3,则下列四个图中,这三个力的合力最大的是( )

(A) (B) (C) (D)
【答案】
C
【解析】
根据平行四边形定则可知,A图中三个力的合力为2F1,B图中三个力的合力为0,C图中三个力的合力为2F3,D图中三个力的合力为2F2,由于三个力的大小关系是F1<F2<F3,所以C图合力最大.故C正确。
79.
如图所示,一只蜗牛沿着葡萄枝缓慢爬行,若葡萄枝的倾角为α,则葡萄枝对重为G的蜗牛的作用力大小为( )
(A)Gsinα (B)Gcosα
(C)G (D)小于G
【答案】
C
【解析】
葡萄枝对蜗牛的作用力与蜗牛的重力大小相等,方向相反,C对。
80.同时作用在某物体上的两个方向相反的力,大小分别为6 N和8 N,当8 N的力逐渐减小到零的过程中,两力合力的大小( )
(A)先减小,后增大 (B)先增大,后减小
(D)逐渐增大 (D)逐渐减小
【答案】
A
【解析】
当8 N的力减小到6 N时,两个力的合力最小为0,若再减小,两力的合力又将逐渐增大,两力的合力最大为6 N,故A正确。
81.某物体在四个共点力作用下处于平衡状态,若F4的方向沿逆时针方向转过60°角,但其大小保持不变,其余三个力的大小和方向均保持不变,此时物体受到的合力的大小为( )
(A)0 (B)F4 (C)\(\sqrt 2 \)F4 (D)2F4
【答案】
C
【解析】
将力F4旋转60°角之后,其余三个力的合力未变,大小仍为F4,方向与原F4方向相反,故此时力F4与其余三个力的合力的夹角为120°,根据平行四边形定则可知总合力大小为F4,C正确。
82.有三个力,一个力是12 N,一个力是6 N,一个力是7 N,则关于这三个力的合力,下列说法正确的是( )
(A)合力的最小值为1 N (B)合力的最小值为0
(C)合力不可能为20 N (D)合力可能为30 N
【答案】
B
【解析】
三个力方向相同时合力最大Fmax=25 N,6 N、7 N两力的合力范围1 N≤F合≤13 N,当合力F合=12 N,且方向与第三个力相反时,三力的总合力为零,即三力的总合力范围是0≤F总≤25 N,所以A、C、D错,B对。
83.
如图所示,一个重 60 N 的物体置于光滑的水平面上,当用一个 F = 20 N 的力竖直向上拉物体时,物体所受的合力为( )
(A)0
(B)40 N,方向竖直向下
(C)40 N,方向竖直向上
(D)80 N,方向竖直向上
【答案】
A
【解析】
物体受三个力作用——重力、支持力和拉力,拉力小于重力,物体仍然静止,受力平衡,三个力的合力为零,A 正确。
84.
如图所示,一轻质弹簧只受一个拉力F1时,其伸长量为x,当弹簧同时受到两个拉力F2和F3作用时,伸长量也为x,现对弹簧同时施加F1、F2、F3三个力作用时,其伸长量为x′,则以下关于x′与x的关系正确的是( )
(A)x′=x (B)x′=2x
(C)x<x′<2x (D)x′<2x
【答案】
B
【解析】
由题述可知同时受到两个拉力F2和F3作用时,作用效果等同于只受一个拉力F1作用;同时施加F1、F2、F3三个力作用时,其伸长量为x′=2x,B正确。
85.
如图所示,在同一平面内,大小分别为1 N、2 N、3 N、4 N、5 N、6 N的六个力共同作用于一点,其合力大小为( )
(A)0 (B)1 N (C)3 N (D)6 N
【答案】
D
【解析】
三对共线的分力分别求合力,大小均为3 N,方向如图所示.夹角为120°的两个3 N的力的合力为3 N,且沿角平分线方向,故所给六个力的合力为6 N。D正确。
86.
如图所示,一条小船在河中向正东方向行驶,船上挂起一风帆,帆受侧向风作用,风力大小为100 N,方向为东偏南30°,为了使船受到的合力恰能沿正东方向,岸上一人用一根绳子拉船,绳子取向与河岸垂直,求风力和绳子拉力的合力大小及绳子拉力的大小。
【答案】
50\(\sqrt 3 \) N,50 N
【解析】
如图所示,以F1、F2为邻边作平行四边形,使合力F沿正东方向,则
F=F1cos30°=50\(\sqrt 3 \) N
F2=F1sin 30°=50 N
87.
如图所示,在水平地面上放一质量为1.0 kg的木块,木块与地面间的动摩擦因数为0.6,在水平方向上对木块同时施加相互垂直的两个拉力F1、F2,已知F1=3.0 N,F2=4.0 N,取g=10 m/s2,则木块受到的摩擦力为多少?若将F2顺时针转90°,此时木块在水平方向上受的合力大小为多少?
【答案】
5.0 N,1.0 N
【解析】
由平行四边形定则可知,图中F1与F2的合力F=\(\sqrt {F_1^2 + F_2^2} \)=5.0 N.若木块滑动时,木块受到的滑动摩擦力大小为F′=μFN=μmg=6.0 N。由于F<F′,故木块处于静止状态,木块与地面间的摩擦力为静摩擦力,大小与F相等,即为5.0 N。
当F2顺时针旋转90°时,F1与F2方向相同.它们的合力为F1+F2=7.0 N>6.0 N.此时木块运动受滑动摩擦力作用,木块受的合力为1.0 N。
88.把一个80 N的力F分解成两个分力F1、F2,其中力F1与F的夹角为30°,求:
(1)当F2最小时,另一个分力F1的大小;
(2)F2=50 N时F1的大小。
【答案】
(1)40\(\sqrt 3 \) N
(2)(40\(\sqrt 3 \)-30) N或(40\(\sqrt 3 \)+30) N
【解析】
(1)当F2最小时,如图甲所示,F1和F2垂直,此时F1=Fcos30°=80×\(\frac{{\sqrt 3 }}{2}\) N=40 N。
甲 乙
(2)根据图乙所示,Fsin30°=80N×\(\frac{1}{2}\)=40 N<F2
则F1有两个值.
F1′=Fcos30°-\(\sqrt {F_2^2 - {{(F\sin 30^\circ )}^2}} \)=(40\(\sqrt 3 \)-30) N
F1″=(40\(\sqrt 3 \)+30) N
89.
如图所示,物体静止在光滑水平面上,力F作用于物体上的O点,现要使物体受到由O指向O′方向的合力(F与OO′都在同一平面内,与OO′间夹角为θ)。那么,必须同时再加一个力,这个力的最小值是( )
(A)Fcosθ (B)Fsinθ
(C)Ftanθ (D)Fcotθ
【答案】
B
【解析】
已知合力F合的方向由O指向O′,但大小不确定,又已知一个分力F的大小和方向,确定另一个分力(设为Fx)的最小值.根据三角形定则可画出一个任意情况,如图甲所示.从图中可看出,Fx的大小就是过F的箭头向直线OO′上所引直线的长度,在不考虑合力大小的情况下,欲使Fx最小,应使Fx与直线OO′垂直,如图乙所示,此时Fx=Fsinθ。
90.将一个有确定方向的力F=10 N分解成两个分力,已知一个分力F1有确定的方向,与F成30°夹角,另一个分力F2的大小为6 N,则在分解时( )
(A)有无数组解 (B)有两组解 (C)有唯一解 (D)无解
【答案】
B
【解析】
由已知条件可得Fsin30°=5 N,又5 N<F2<10 N,即Fsin30°<F2<F,所以F1、F2和F可构成如图所示的两个三角形,此时有两组解,故选B。
91.
榨机如图所示,B为固定铰链,A为活动铰链。在A处作用一水平力F,物块C就以比水平力F大得多的力压物块D。已知L=0.5 m,h=0.1 m,F=200 N,物块C的质量不计,且与左壁接触面光滑,求物块D受到的压力。
【答案】
500 N
【解析】
根据水平力F产生的效果,它可分解为沿杆的两个分力F1、F2,如图甲所示,则F1=F2=\(\frac{F}{{2\cos \alpha }}\)。而沿AC杆的分力F1又产生了两个效果:使物块C压紧左壁的水平力F3和使物块C压紧物块D的竖直力F4,如图乙所示,则F4=F1sinα=\(\frac{{F\tan \alpha }}{2}\)。
由tanα=\(\frac{L}{h}\)得F4=500 N。
92.
如图所示是山区村民用斧头劈柴的剖面图,图中BC边为斧头背,AB、AC边是斧头的刃面,要使斧头容易劈开木柴,则( )
(A)BC边短一些,AB边也短一些
(B)BC边长一些,AB边短一些
(C)BC边短一些,AB边长一些
(D)BC边长一些,AB边也长一些
【答案】
C
【解析】
相对地,BC边短一些,AB边长一些,会使斧头向下的力产生两个较大的分力,这两个分力的方向分别垂直于AB、AC边,正是有这两个较大的分力,才使得斧头容易劈开木柴。
93.
如图所示,物体A静止在倾角为30°的斜面上,现将斜面倾角由30°增大到45°,物体仍保持静止,则下列说法中正确的是( )
(A)A对斜面的压力不变
(B)A对斜面的压力减小
(C)A受到的摩擦力减小
(D)A受到的摩擦力增大
【答案】
BD
【解析】
倾角为30°时,物体受到的摩擦力F1=mgsim30°=\(\frac{1}{2}\)mg,对斜面的压力FN=mgcos30°=\(\frac{{\sqrt 3 }}{2}\)mg;倾角为45°时,物体受到的摩擦力Ff′=mgsin45°=\(\frac{{\sqrt 2 }}{2}\)mg,对斜面的压力FN′=mgcos45°=\(\frac{{\sqrt 2 }}{2}\)mg,故Ff<F′f,FN>F′N,B、D正确。
94.
如图所示,水平地面上的物体重G=100 N,受到与水平方向成37°角的拉力F=60 N,支持力FN=64 N,摩擦力Ff=16 N,求物体所受的合力及物体与地面间的动摩擦因数。
【答案】
32 N,方向水平向右,0.25
【解析】
对四个共点力进行正交分解,如图所示,则x方向的合力:Fx=Fcos37°-Ff=60×0.8 N-16 N=32 N,y方向的合力:
Fy=Fsin37°+FN-G=60×0.6 N+64 N-100 N=0,
所以合力大小F合=Fx=32 N,方向水平向右。
动摩擦因数μ=\(\frac{{{F_f}}}{{{F_N}}}\)=0.25
95.
用绳AO、BO悬挂一个重物,BO水平,O为半圆形支架的圆心,悬点A和B在支架上.悬点A固定不动,将悬点B从图所示位置逐渐移动到C点的过程中,分析绳OA和绳OB上的拉力的大小变化情况。
【答案】
绳OA的拉力逐渐减小,绳OB的拉力先减小后增大
【解析】
(1)平行四边形法:在支架上选取三个点B1、B2、B3,当悬点B分别移动到B1、B2、B3各点时,AO、BO上的拉力分别为TA1、TA2、TA3和TB1、TB2、TB3,如图甲所示,从图中可以直观地看出,TA逐渐变小,且方向不变;而TB先变小,后变大,且方向不断改变;当TB与TA垂直时,TB最小。
甲
(2)矢量三角形法:将O点所受三力首尾连接,构造出矢量三角形如图乙所示:
乙
将悬点B从图中所示位置逐渐移动到C点的过程中,绳OB上的拉力F3与水平方向的夹角α逐渐增大,根据矢量三角形图可知绳OA的拉力F2逐渐减小,绳OB上的拉力F3先减小后增大。
96.下列说法正确的是( )
(A)力的分解是力的合成的逆运算
(B)把一个力分解为两个分力,这两个分力共同作用的效果应当与该力作用的效果相同
(C)力的合成和力的分解都遵循平行四边形定则
(D)部分小于全体,分力一定小于合力
【答案】
ABC
【解析】
力的合成是求几个力的合力,而力的分解是求一个力的分力,且都满足平行四边形定则,因此,A、C均正确;合力与分力有等效替代关系.所以合力的作用效果与分力的共同作用效果一定相同,B正确,分力可以大于合力,如两力大小相等方向相反时,合力为零,所以D错误。
97.已知两个共点力的合力F=50 N,分力F1的方向与合力F的方向成30°角,分力F2的大小为60 N,则( )
(A)F1的大小只有一个可能
(B)F2的方向是唯一的
(C)F2有两个可能的方向
(D)F2可取任意方向
【答案】
AB
【解析】
因F2>F,故F1的大小只有一个解,F2也只有一个解,方向是唯一的,故A、B正确。
98.
如图所示,重力为G的物体静止在倾角为α的斜面上,将重力G分解为垂直斜面向下的力F1和平行斜面向下的力F2,那么( )
(A)F1就是物体对斜面的压力
(B)物体对斜面的压力方向与F1方向相同,大小为Gcos α
(C)F2就是物体受到的静摩擦力
(D)物体受到重力、斜面对物体的支持力、静摩擦力、F1和F2共五个力的作用
【答案】
B
【解析】
重力G是物体受的力,其两个分力F1和F2作用在物体上,故A项错误;F2与物体受到的静摩擦力等大反向,并不是物体受到的静摩擦力,C项错误;F1、F2不能与物体的重力G同时作为物体受到的力,D项错误;物体对斜面的压力的大小等于重力G的分力F1=Gcos α,方向与F1方向相同,B项正确。
99.下图中的四幅图展示了某同学做引体向上运动前的四种抓杠姿势,其中手臂受力最小的是( )

(A) (B) (C) (D)
【答案】
B
【解析】
人体的重力可沿两手臂向下分解为使手臂张紧的两分力.由平行四边形定则可知,两分力的夹角越大,分力就越大,要省力的话,两臂需平行,故B正确。
100.
将质量为m的长方形木块放在水平桌面上,用与水平方向成α角的斜向右上方的力F拉木块,如图所示,则( )
(A)力F的水平分力为Fcosα
(B)力F的竖直分力为Fsinα,它使物体m对桌面的压力比mg小
(C)力F的竖直分力为Fsinα,它不影响物体对桌面的压力
(D)力F与木块重力mg的合力方向可以竖直向上
【答案】
AB
【解析】
如图所示,将F分解为水平方向和竖直方向的两个分力F1=Fcos α,F2=Fsin α,F2有竖直方向提拉作用,故物体对平面的压力减小了。故正确答案为A、B。
101.
如图所示,建筑装修中,工人用质量为m的磨石对斜壁进行打磨,当对磨石加竖直向上大小为F的推力时,磨石恰好沿斜壁向上匀速运动,已知磨石与斜壁之间的动摩擦因数为μ,则磨石受到的摩擦力是( )
(A)(F-mg)cosθ (B)μ(F-mg)sinθ
(C)μ(F-mg)cosθ (D)μ(F-mg)
【答案】
AB
【解析】
对磨石进行受力分析,由平衡条件,沿斜壁:(F-mg)cosθ=Ff,A对;垂直于斜壁:压力FN=(F-mg)sinθ,故摩擦力Ff=μFN=μ(F-mg)sinθ,选项B正确。
102.
如图所示,用两根承受的最大拉力相等,长度不等的细线AO、BO(AO>BO)悬挂一个中空铁球,当在球内不断注入铁砂时,则( )
(A)AO先被拉断
(B)BO先被拉断
(C)AO、BO同时被拉断
(D)条件不足,无法判断
【答案】
B
【解析】
依据力的作用效果将重力分解如图所示,据图可知:FB>FA。
又因为两绳承受能力相同,故当在球内不断注入铁砂时,BO绳先断,选项B正确。
103.
如图所示,将绳子的一端系在汽车上,另一端系在等高的树干上,两端点间绳长为10 m。用300 N的拉力把水平绳子的中点往下拉离原位置0.5 m,不考虑绳子的重力和绳子的伸长量,则绳子作用在汽车上的力的大小为( )
(A)1 500 N (B)6 000 N
(C)300 N (D)1 500\(\sqrt 3 \) N
【答案】
A
【解析】
对作用点作受力分析,受到作用力F和两个绳子等大的拉力。由题目可知绳子与水平方向的夹角正弦值为sinα=\(\frac{{0.5}}{5}\)=0.1,所以绳子的作用力为F绳=\(\frac{F}{{2\sin \alpha }}\)=1 500 N,A项正确,B、C、D项错误。
104.
如图所示,重物G=200 N,搁放在动摩擦因数μ=0.2的水平面上,受一个与水平面成37°角斜向上的拉力作用,沿水平面运动,若这一外力F=100 N,求物体受到的合力。(g=10 m/s2,sin 37°=0.6,cos 37°=0.8)
【答案】
52 N,方向水平向右
【解析】
如图所示,重物G=200 N,搁放在动摩擦因数μ=0.2的水平面上,受一个与水平面成37°角斜向上的拉力作用,沿水平面运动,若这一外力F=100 N,求物体受到的合力。(g=10 m/s2,sin 37°=0.6,cos 37°=0.8)
105.
两质量分别为M和m的物体用跨过光滑定滑轮的轻绳相连,如图所示放置,OA、OB与水平面的夹角分别为30°和60°,M重20 N,m静止在水平面上。求:
(1)OA绳和OB绳的拉力大小;
(2)m受到的摩擦力。
【答案】
(1)10 N,17.3 N
(2)7.3 N,方向水平向左
【解析】
(1)结点O的受力如图所示。
根据平衡条件得,竖直方向上
FTAcos60°+FTBcos30°-Mg=0
水平方向上FTAsin60°-FTBsin30°=0
解得FTA=10N ,
FTB=10\(\sqrt 3 \) N=17.3 N.
(2)由于m也处于平衡状态,故在水平方向上
FTB-FTA-Ff=0
所以摩擦力大小Ff=FTB-FTA=7.3N方向水平向左。
106.“探究求合力的方法”的实验原理是等效原理,其等效性是指( )
(A)使弹簧测力计在两种情况下发生相同的形变
(B)使两分力与合力满足平行四边形定则
(C)使两次橡皮条伸长的长度相等
(D)使两次橡皮条与两绳套的结点都与O点重合
【答案】
D
【解析】
“探究求合力的方法”的实验中,两次拉伸橡皮条时,伸长的长度及伸长的方向均相同,两分力与合力的作用效果才相同,才具有等效替代关系;因此C错误,D正确;实验过程中,弹簧测力计的拉力的大小和方向是可以改变的,A错误;合力与分力间一定满足平行四边形定则,不是人为造成的,故B也错误。
107.
某同学利用如图所示的装置探究共点力合成的规律,图中GE是橡皮条,图甲表示用两个互成角度的拉力牵拉橡皮条,图乙表示用一个拉力牵拉橡皮条,下列说法正确的是( )
(A)图甲中两个拉力的方向必须相互垂直
(B)甲、乙两图中,橡皮条拉伸方向EO必须水平
(C)甲、乙两图中必须将橡皮条拉到相同位置O
(D)图甲中实验完成后,可更换橡皮条,继续进行图乙中实验
【答案】
C
【解析】
两次测量中拉力作用效果相同,因此必须将橡皮条拉到相同位置O,不需要两个拉力相互垂直,拉伸方向也不需要必须水平,实验中不能更换橡皮筋,故选C。
108.在做完“验证力的平行四边形定则”实验后,某同学将其实验操作过程进行了回顾,并在笔记本上记下如下几条体会,你认为他的体会中正确的是( )
(A)用两只弹簧测力计拉橡皮条时,应使两细绳套间的夹角为90°,以便算出合力的大小
(B)用两只弹簧测力计拉时合力的图示F与用一只弹簧测力计拉时图示F′不完全重合,在误差允许范围内,可以说明“力的平行四边形定则”成立
(C)若F1、F2方向不变,而大小各增加1 N,则合力的方向也不变,大小也增加1 N
(D)在用弹簧测力计拉橡皮条时,要使弹簧测力计的弹簧与木板平面平行
【答案】
BD
【解析】
用两只弹簧拉橡皮条时,两细绳套的夹角约在60°~120°范围,实验中不需要计算出合力的大小,没必要非得把绳套间夹角设定为90°,A错。实验中F与F′的图示不一定完全重合,只要两者长度差不多,夹角很小,就可以近似验证“力的平行四边形定则”,B对。F1、F2夹角不确定,它们的大小与合力F的大小关系不确定,不能通过F1、F2大小的变化来确定F大小的变化,C错。为减小读数和作图的误差,实验中用弹簧测力计拉橡皮条时,应使弹簧测力计与木板平面平行且弹簧测力计的轴线沿橡皮条或细绳套方向,D对。
109.
在“探究求合力的方法”的实验中,根据实验数据画出力的图示,如图所示,图上标出F1、F2、F、F′四个力,其中________(填上述字母)不是由弹簧测力计直接测得的;若F与F′的________基本相等,________基本相同,说明力的平行四边形定则得到了验证。
【答案】
F′,大小,方向
【解析】
位于平行四边形对角线上的那个力是理论值,不是真正实验测量所对应的力,只要作出的对角线方向、长短与实验得到力的有向线段差不多重合且等长,则在误差允许范围内,可认为平行四边形定则得到了验证。
110.某同学在学完“力的合成”后,想在家里做实验验证力的平行四边形定则.他从学校的实验室里借来两个弹簧测力计,按如下步骤进行实验。
(A)在墙上帖一张白纸用来记录弹簧测力计弹力的大小和方向
(B)在一个弹簧测力计的下端悬挂一装满水的水杯,记下静止时弹簧测力计的读数F
(C)将一根大约30 cm长的细线从杯带中穿过,再将细线两端分别拴在两个弹簧测力计的挂钩上.在靠近白纸处用手对称地拉开细线,使两个弹簧测力计的示数相等,在白纸上记下细线的方向,弹簧测力计的示数如图甲所示
(D)在白纸上按一定标度作出两个弹簧测力计的弹力的图示,如图乙所示,根据力的平行四边形定则可求出这两个力的合力F′

(1)在步骤C中,弹簧测力计的读数为________ N;
(2)在步骤D中,合力F′=________ N;
(3)若____________________________________,就可以验证力的平行四边形定则。
【答案】
(1)3.00
(2)(5.2±0.2)
(3)F′在竖直方向且数值与F近似相等
【解析】
(1)弹簧测力计读数时需要估读,最终的读数要以有效数字的形式给出, 根据题图甲弹簧测力计指针的位置,可读出力的大小为3.00 N。
(2)根据力的大小可以用线段的长度来表示 ,利用刻度尺和三角板在题图乙上,由已知的两个力作出平行四边形,测量出两力之间的对角线的长度,与标度为1 N的长度进行比较,可求出F′的大小为(5.2±0.2)N。
(3)若F′在竖直方向且数值与F近似相等,在实验误差允许的范围内可以验证力的平行四边形定则。
111.
如图所示,物体B叠放在物体A上,A、B的质量均为m,且上、下表面均与斜面平行,它们以共同速度沿倾角为θ的固定斜面C匀速下滑,则( )
(A)A、B间没有静摩擦力
(B)A受到B的静摩擦力方向沿斜面向上
(C)A受到斜面的滑动摩擦力大小为2mgsinθ
(D)A与B间的动摩擦因数μ=tanθ
【答案】
C
【解析】
它们以共同速度沿倾角为θ的固定斜面C匀速下滑,A受到斜面的滑动摩擦力大小为2mgsinθ,A对B的摩擦力等于B重力沿斜面方向的分力,选项A错误,C正确;由牛顿第三定律,A受到B的静摩擦力方向沿斜面向下,选项B错误;A与B间的摩擦力是静摩擦力,不能确定A、B之间的动摩擦因数μ,选项D错误。
112.
如图所示,物体的质量为2 kg两根轻绳AB和AC的一端连接于竖直墙上,另一端系于物体上,在物体上另施加一个方向与水平线成θ=60°的拉力F,若要使两绳都能伸直,求拉力F的大小范围(g取10 m/s2)
【答案】
\(\frac{{20\sqrt 3 }}{3}\) N≤F≤\(\frac{{40\sqrt 3 }}{3}\) N
【解析】
解法一:数学解析法
A的受力情况如图,
由平衡条件得Fsinθ+F1sinθ-mg=0
Fcosθ-F2-F1cosθ=0
由上述两式得F=\(\frac{{mg}}{{\sin \theta }}\)-F1
F=\(\frac{{{F_2}}}{{2\cos \theta }}\)+\(\frac{{mg}}{{2\sin \theta }}\)
令F1=0,得F最大值Fmax=\(\frac{{mg}}{{\sin \theta }}\)=\(\frac{{40\sqrt 3 }}{3}\) N
令F2=0,得F最小值Fmin=\(\frac{{mg}}{{2\sin \theta }}\)=\(\frac{{20\sqrt 3 }}{3}\) N
综合得F的取值范围\(\frac{{20\sqrt 3 }}{3}\) N≤F≤\(\frac{{40\sqrt 3 }}{3}\) N
解法二:物理分析法
(1)假设AC绳刚好伸直且FAC=0,则Fsinθ=\(\frac{1}{2}\)mg⇒F=\(\frac{{mg}}{{2\sin \theta }}\)=\(\frac{{\sqrt 3 }}{3}\)mg=\(\frac{{20\sqrt 3 }}{3}\) N
若力F小于上述值,则AC绳弯曲,所以F≥\(\frac{{20\sqrt 3 }}{3}\) N
(2)假设AB绳刚好伸直且FAB=0,则Fsinθ=mg⇒F=\(\frac{{mg}}{{\sin \theta }}\)=\(\frac{{2\sqrt 3 }}{3}\)mg=\(\frac{{20\sqrt 3 }}{3}\) N
若力F大于上述值,则AB绳弯曲,所以F≤\(\frac{{40\sqrt 3 }}{3}\) N,因此力F的取值范围是\(\frac{{20\sqrt 3 }}{3}\) N≤F≤\(\frac{{40\sqrt 3 }}{3}\) N
113.
如图所示,质量均为m的小球A、B用两根不可伸长的轻绳连接后悬挂于O点,在外力F的作用下,小球A、B处于静止状态。若要使两小球处于静止状态且悬线OA与竖直方向的夹角θ保持30°不变,则外力F的大小( )
(A)可能为\(\frac{{\sqrt 3 }}{3}\)mg (B)可能为\(\frac{{\sqrt 5 }}{2}\)mg
(C)可能为\({\sqrt 2 }\)mg (D)可能为mg
【答案】
BCD
【解析】
本题相当于一悬线吊一质量为2m的物体,悬线OA与竖直方向夹角为30°,与悬线OA垂直时外力F最小,大小为mg,所以外力F大于或等于mg,故B、C、D正确。
114.
如图所示,一物体在粗糙水平地面上受斜向上的恒定拉力F作用而做匀速直线运动,则下列说法正确的是( )
(A)物体可能只受两个力作用
(B)物体可能受三个力作用
(C)物体可能不受摩擦力作用
(D)物体一定受四个力作用
【答案】
D
【解析】
根据平衡条件可以知道物体所受的合力为零,则一定受到摩擦力的作用,从而一定存在弹力作用,所以受到四个力的作用。
115.
如图所示,AB是半圆的直径,O为圆心,P点是圆上的一点,在P点作用了三个共点力F1、F2、F3,若F2的大小已知,则这三个力的合力为( )
(A)F2 (B)2F2 (C)3F2 (D)4F2
【答案】
C
【解析】
由几何知识知,力F1与F3垂直,以F1、F3为邻边作平行四边形,如图所示,则F1、F3的合力为PC代表的线段,由于PC=2PQ,即PC代表的力等于2F2,故三个力的合力为3F2,C正确。
116. 如图所示,一重为10 N的球固定在支杆AB的上端,今用一段绳子水平拉球,使杆发生弯曲,已知绳的拉力为7.5 N,则AB杆对球的作用力( )
(A)大小为7.5 N
(B)大小为10 N
(C)方向与水平方向成53°角斜向右下方
(D)方向与水平方向成53°角斜向左上方
【答案】
D
【解析】
对小球进行受力分析如图所示,AB杆对球的作用力与绳的拉力的合力与小球重力等大反向,令AB杆对小球的作用力与水平方向夹角为α,可得:tan α=\(\frac{G}{{{F_拉}}}\)=\(\frac{4}{3}\),α=53°,故D项正确。
117.
在“验证力的平行四边形定则”的实验中,需要将橡皮条的一端固定在水平木板上,另一端系上两根细绳,细绳的另一端都有绳套(如图)。实验中需用两个弹簧测力计分别钩住绳套,并互成角度地拉橡皮条,使橡皮条伸长,结点到达某一位置O。
(1)(多选)某同学在做该实验时认为:
(A)拉橡皮条的绳细一些且长一些,实验效果较好
(B)拉橡皮条时,弹簧测力计、橡皮条、细绳应贴近木板且与木板平面平行
(C)橡皮条弹性要好,拉结点到达某一位置O时,拉力要适当大些
(D)拉力F1和F2的夹角越大越好
其中正确的是________(填入相应的字母).
(2)若两个弹簧测力计的读数均为4 N,且两弹簧测力计拉力的方向相互垂直,则________(选填“能”或“不能”)用一个量程为5 N的弹簧测力计测量出它们的合力,理由是____________。
【答案】
(1)A、B、C
(2)不能,量程太小
【解析】
(1)拉力F1和F2的夹角越大,则合力越小,作图时相对误差太大,正确的选项为A、B、C。
(2)若两个弹簧测力计的读数均为4 N,且两弹簧测力计拉力的方向相互垂直,则其合力为4\(\sqrt 2 \) N>5 N,故不能用一个量程为5 N的弹簧测力计测量出它们的合力。
118.某同学在竖直悬挂的弹簧下加挂钩码,做实验研究弹力与弹簧伸长量的关系.下表是他的实验数据.实验时弹力始终没有超过弹簧的弹性限度,弹簧很轻,自身质量可以不计。
|
弹簧伸长量x/m |
弹力F/N |
|
0 |
0 |
|
0.012 |
0.30 |
|
0.023 |
0.60 |
|
0.035 |
0.90 |
|
0.046 |
1.20 |
|
0.058 |
1.50 |
(1)根据实验数据在给定的坐标系中作出弹力F跟弹簧伸长量x关系的图象;

(2)根据图象可知弹簧的劲度系数为________N/m(保留两位有效数字)。
【答案】
(1)如图
(2)26
119.
如图所示,放在长木板上的木块质量为m,当木板与水平方向夹角为α时,木块静止在长木板上。
(1)此时木块所受的弹力和摩擦力各多大?
(2)当把长木板的倾角增大到θ(θ>α)时,木块刚好沿长木板匀速下滑,木块和长木板之间的动摩擦因数为多少?
【答案】
(1)mgcosα,mgsinα
(2)tanθ
【解析】
(1)木块受力情况如图所示,根据重力的作用效果把重力分解为F1、F2.由静止时二力平衡可得
FN=F2=mgcos α,
Ff=F1=mgsin α.
(2)当倾角增大到θ时,木块刚好匀速下滑,木块受力情况仍如图所示。由二力平衡可知Ff′=F1′=mgsin θ,
FN′=F2′=mgcos θ,由Ff′=μFN′得μ=tan θ
2006 - 2026,推荐分辨率 1024*768 以上,推荐浏览器 Chrome、Edge 等现代浏览器,截止 2021 年 12 月 5 日的访问次数:1872 万 9823。 站长邮箱
