1.有人说在伏打电池中锌板失去电子,铜板得到电子。你对这种说法有何评论?
【答案】
这种说法是不对的,讨论物理问题必须确定具体条件,伏打电池向电路供电和不向电路供电情况是不一样的。如果电池向电路提供电流,也就是说电池正常工作时,电路任何一个部分都有电子流入,同时有等量的电子流出,达到动态平衡,以保证持续电流的稳定,这时讨论得到或失去电子是没有意义的。下面我们着重分析电池不供电的情况,当外电路断开时,电路中没有电流,但内电路中化学反应依然存在,化学力也在发挥作用。在锌扳附近,由于氧化反应。锌原子失去电子,变为锌离子溶入硫酸中,并把电子留在锌板上,反应方程式为Zn-2e-=Zn2+,结果锌板积聚大量电子,当然带负电,电势较低,成为电源的负极;在铜板附近,由于铜的化学性质比锌稳定,几乎不与稀硫酸发生化学反应,也就不会得到或失去电子,也没有积聚大量电子,相对锌板而言电势较高,成为电源的正极。
2.伏打电池如果还没有向外供电,正确的说法是( )
(A)锌板失去电子所以是正极,铜板失去正离子所以是负极
(B)锌板电势较高所以是负极,铜板电势较低所以是正极
(C)锌板得到正离子是正极,铜板得到电子所以是负极
(D)锌板电势较低所以是负极,铜板电势较高所以是正极
【答案】
D
3.关于电动势,正确的说法是( )
(A)电动势反映了电源把电能转化为其他形式能的本领
(B)电动势的大小等于电源接入电路正常供电时电源正、负两极间的电压
(C)电动势的单位是J
(D)电池在使用后,电动势可能会渐渐降低
【答案】
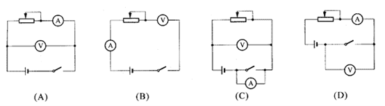
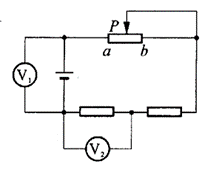
D
4.关于内电压和外电压,正确的理解是( )
(A)外电压就是端电压
(B)内电压就是正、负极板间的电压
(C)电源断开时外电压的大小等于电动势的大小
(D)正、负极板间的电压就是外电压
【答案】
ACD
5.关于闭合电路、外电路和内电路,正确的说法是( )
(A)持续稳定的电流必须在闭合电路内流动
(B)外电压可以用欧姆定律计算,内电压不可以用欧姆定律计算
(C)外电压和内电压都是电源正、负两极板间的电势差
(D)当闭合电路中有电流时,正电荷在外电路从电源正极流向负极,在内电路从电源负极流向正极
【答案】
AD
6.关于闭合电路中静电力和非静电力的作用,正确的说法是( )
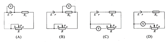
(A)静电力使电荷做定向运动,非静电力阻碍电荷做定向运动
(B)非静电力使电荷做定向运动,静电力阻碍电荷做定向运动
(C)静电力和非静电力都使电荷做定向运动,两者使电荷沿电路运动的方向相同
(D)静电力和非静电力都使电荷做定向运动,两者使电荷沿电路运动的方向相反
【答案】
C
7.电动势是表示电源把______转化为_____本领大小的物理量,它的单位是_____。
【答案】
其他形式能,电能,伏特
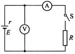
8.如图所示的由伏打电池供电的闭合电路中,沿电流方向绕电路一周,在什么地方电势升高?在什么地方电势降低?
【答案】
两次升高,两次降低,电流通过外电阻和内电阻时电势降低,通过两极板和电解液的接触层a、b时电势升高。
9.下关于电动势的说法中正确的是( )
(A)电动势是一种非静电力
(B)电动势是反映电源把其他能量转化为电能的本领大小的物理量
(C)电动势越高,表明电池储藏的电能越多
(D)电动势的大小等于电源正负两极板间的电压
【答案】
B
10.闭合电路由内电路和外电路组成,正确的说法是( )
(A)外电路对电流的阻碍作用叫做外电阻,内电路对电流的阻碍作用叫做内电阻
(B)外电压是电源正、负两极间的电压,内电压不是电源正、负两极间的电压
(c)外电压是从电源外部测量的正、负两极间的电压,内电压是从电源内部测量的正、负两极间的电压
(D)因为外电阻一定大于内电阻,所以外电压一定大于内电压
【答案】
AB
11.在由电源供电的直流电路中,大量自由电子做定向运动,正确的理解是( )
(A)靠近电源负极的电子先运动,靠近电源正极的电子后运动
(B)电子从电源负极出发经用电器,到达电源正极就停止运动
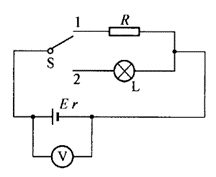
(C)电子在电源外部受静电力作用,在电源内部受非静电力作用
(D)在外电路中消耗的是电能,电荷没有损失
【答案】
D
11.某同学用实验方法测定材料的电阻率,已测得这种材料制成的导线长为0.5 m、横截面积为2 mm2时,与导线串联的电流表的读数是0.4 A,与导线并联的电压表的读数是0.1 V,那么,这种材料的电阻率是多大?是什么材料?
【答案】
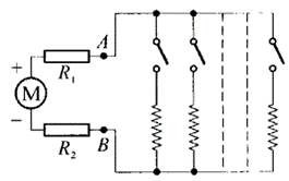
1×10-6 Ω·m,镍铬合金
12.如果闭合电路中电源的电动势为12 V,外电压为10 V,当有0.5 C电量通过电路时,正确的结论是( )
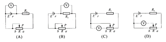
(A)在电源内部,非静电力把6 J的其他形式能量转化为电能
(B)在电源内部,非静电力把5 J的其他形式能量转化为电能
(C)在电源外部,静电力把6 J的电能转化为其他形式能量
(D)在电源外部,静电力把5 J的电能转化为其他形式能量
【答案】
AD
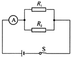
13.有一个化学电池向电热器供电,电动势为E,外电阻为R,内电阻为r,电流为I,则在通电时间t内,转化为电能的化学能是______,电能中转化为外电阻上的内能是______,电能中转化为内电阻上的内能是______,电源消耗的化学能和内、外电阻上获得的内能间的数量关系应该______(填“相等”或“不相等”)。
【答案】
EIt,I2Rt,I2rt,相等
14.在正常工作的闭合电路中,静电力对做定向运动的电子做____功(填“正”或“负”),使电子向电势_____(填“升高”或“降低”)的方向运动,电子的电势能______(填“升高”或“降低”);非静电力对做定向运动的电子做______功(填“正”或“负”),使电子向电势_____(填“升高”或“降低”)的方向运动,电子的电势能______(填“升高”或“降低”)
【答案】
正,升高,降低,正,降低,升高
15.
在如图所示的电路中,三个电阻的阻值分别是R1=2 Ω,R2=4 Ω,R3=4 Ω,电池电动势E=4.2 V,内阻r=0.2 Ω。求:
(1)接通电键S,断开电键Sʹ时,R1和R2两端电压之比;
(2)两个电键都接通时,R1和R2两端电压之比;
(3)两个电键都接通时,通过R1的电流I。
【答案】
(1)1∶2
(2)1
(3)I=1 A
16.
如图所示的电路中,当R1的滑动触头向右移动时,各电表读数的变化情况是( )
(A)A减小,V增大,A1减小,V1增大
(B)A增大,V减小,A1增大,V1减小
(C)A减小,V减小,A1增大,V1增大
(D)A增大,V增大,A1减小,V1减小
【答案】
A
【解析】
这是一道分析电路中各电学量变化趋势的题目,要把握部分与整体的关系,分清哪些是变量哪此是不变量。题中电动势和除变阻器之外的电阻是不变量,变阻器电阻和电表读数可能要变化。当R1的滑动触头向右移动时,外电阻增大,内阻不变,由闭合电路欧姆定律,总电流I减小,内电压减小,外电压增大。由总电流I减小可知R3上的电压减小,而外电压U增大,所以R1的电压U1增大。R1上的电压U1增大,但R1也增大,R1上的电流是增大还是减小呢?这不能仅仅从R1的局部解决问题,而是要从总电流和分电流的关系上去分析。总电流I减小,R2上的电流增大,所以I1必然是减小的。
正确答案是(A)。
17.
如图所示,电池电动势E=42 V,内阻r=1 Ω,R=20 Ω,D为直流电动机,其电枢电阻rD=1 Ω。电动机正常工作时,电压表示数为21 V。试求:
(1)电动机D中的电流值;
(2)电动机的输入功率;
(3)电动机转变为机械能的功率;
(4)电路的发热功率;
(5)电源的总功率及输出功率
【答案】
(1)I=1 A
(2)PD=21 W
(3)P=20 W
(4)PQ=22 W
(5)P总=42 W,P出=41 W
18.
在如图所示的电路中,电源的电动势为1.5 V,内阻为0.12 Ω,外电路的电阻为1.38 Ω,求电键闭合后,电路中的电流和路端电压。
【答案】
I=1 A,U=1.38 V
19.
在如图所示的电路中,电阻R=3.5 Ω,电源的电动势E=1.5 V,内阻r=0.25 Ω,求电压表的示数。
【答案】
U=1.4 V
20.
在如图所示的电路中,电池的电动势E=1.5 V,内阻r=1 Ω,电阻R1=6 Ω,电流表的示数为0.3 A,求电阻R2的大小。
【答案】
R2=12 Ω
21.
在如图的电路中,当电键S断开时,电压表的示数为1.5 V;当电键S闭合时,电压表的示数为1.2 V,电流表的示数为1.5 A。求电池的内阻r和外电阻R。
【答案】
r=0.2 Ω,R=0.8 Ω
22.
在如图的电路中,电源的电动势为E,内阻为r,外电路中R是定值电阻。当滑动变阻器R′的滑动片P向右移动时,三个电表的示数将怎样变化?
【答案】
当P向右移动时,滑动变阻器有效部分的电阻R′增大,外电路的电阻R外=R+R′也增大。由I=\(\frac{E}{{{R_外} + r}}\),I将减小,即电流表A的示数减小。再由U外=E-Ir可知,Ir减小,端电压U外将增大,即电压表V1的示数增大。又因R两端的电压UR=IR减小,故R′两端的电压UR′应增大,即电压表V2的示数将增大。
23.关于闭合电路的性质,下面说法中正确的是( )
(A)电源正负极被短路时,电流很大
(B)电源正负极被短路时,端电压最大
(C)外电路断路时,端电压为零
(D)外电路电阻增大时,端电压也增大
【答案】
AD
24.
在图示的电路中,当电键S闭合后,电流表和电压表的示数分别为I1和U1,当可变电阻阻R的滑动片向右移动后,电流表和电压表的示数分别变为I2和U2,则有( )
(A)I1<I2,U1<U2
(B)I1<I2,U1>U2
(C)I1>I2,U1>U2
(D)I1>I2,U1<U2
【答案】
B
25.在闭合电路中,外电路电阻发生变化时,路端电压也要发生变化,这是由于电源存在_______而引起的。当外电阻增大时,引起总电流_______,从而使内电压_____,由于_______不变,因而路端电压将_________。当外电路电阻变成无限大,即电路断开时,路端电压等于________。当外电路电阻趋近于零,即电路短路时,端电压就趋近于______,电流趋近于_________,这会损坏电源。
【答案】
内阻,减小,降低,电动势,增大,电动势,零,E/r
26.电源的电动势为2 V,外电阻为9 Ω时,路端电压为1.8 V,求电源的内电阻r。
【答案】
1 Ω
27.许多人造卫星都用太阳能电池供电。太阳能电池由许多片电池板组成。某电池板的开路电压是600 μV,短路电流是30 μA。求这块电池板的内阻。
【答案】
20 Ω
28.
在如图所示的电路中,R1=6 Ω,R2=4 Ω,电压表的示数为3.6 V。电池的内阻r=0.4 Ω。求:
(1)电流表示数;
(2)电池的电动势。
【答案】
(1)1.5 A
(2)4.2 V
29.电源的电动势为4.5 V,内阻为0.5 Ω,外电路的电阻为4 Ω,端电压是多大?如果在外电路上并联一个4 Ω的电阻,端电压又是多大?如果外电路不是并联,而是串联一个4.5 Ω的电阻,路端电压又是多大?
【答案】
4 V,3.6 V,4.25 V
30.有两个阻值不同的电阻器,当电阻为R1的电阻器接在电池上,它消耗的电功率与用电阻为R2的电阻器来代替时所消耗的电功率相同,则该电池的内电阻是( )
(A)0 (B)\(\frac{{{R_1} + {R_2}}}{2}\) (C)\(\sqrt {\frac{{{R_1}}}{{{R_2}}}} \) (D)\(\sqrt {{R_1}{R_2}} \)
【答案】
D
31.
如图所示的电路中,电池的电动势为E,内阻为r,R1和R2是两个阻值固定的电阻。当 可变电阻R的滑片向a移动时,通过R1的电流I1和通过R2的电流I2将发生如下的变化( )
(A)I1变大,I2变小
(B)I1变大,I2变大
(C)I1变小,I2变大
(D)I1变小,I2变小
【答案】
C
32.图中所示四个电路中,电源电动势为E、内阻为r,定值电阻为R0。当滑动变阻器R的滑动片P从a向b滑动时,电压表读数变大的电路是( )

【答案】
A
33.
如图所示电路中,电阻R1=8 Ω,R2=2 Ω。要使R1和R2上消耗的电功率相等,则滑动变阻器的阻值R应调至_______Ω。
【答案】
2
34.如图所示电路中,当S接a点时,通过负载R1的电流为2 A,电源的输出功率是10 W;当S接b点时,通过负载R2的电流是1 A,电源的输出功率是5.5 W,则该电源的电动势等于______,内阻r等于______。
【答案】
6 V,0.5 Ω
35.
如图所示,电源电动势E=6 V,内阻r=1 Ω,电阻R2=R3=2 Ω,R1是电阻箱。为使电源输出功率最大,R1应调至_____Ω,为了使R1上消耗功率最大,则R1应调为_____Ω。
【答案】
0,2
36.一个蓄电池因外电路的电阻变化而使路端电压增大0.48 V,同时使输出总电流变化4 A,则这个电源的内电阻r是多少?
【答案】
0.12
37.
在如图所示电路中,R1=2 Ω,R2=2 Ω,R3=4 Ω,电源内电阻r=1 Ω,电压表V1示数为4 V。求:
(1)电源电动势;
(2)电压表V2的示数。
【答案】
(1)9 V
(2)6 V
39.
如图所示电路中,当滑动变阻器的滑动头位置不变而电阻箱R阻值增大时,电表A和V的读数变化情况是( )
(A)表A读数减小,表V读数减小
(B)表A读数增大,表V读数减小
(C)表A读数减小,表V读数增大
(D)表A读数增大,表V读数增大
【答案】
C
40.在闭合电路中,已知外电阻R大于内电阻r,则当外电阻增加时,下列判断中正确的是( )
(A)总电流一定减小 (B)端电压一定增大
(C)电源内电路电压一定增大 (D)电源输出功率一定减小
【答案】
ABD
41.用相同的电源分别对R1=1 Ω和R2=18 Ω的电热器供电,在相同时间里测得电热器放出的热量相等,则该电源的内阻是______Ω。
【答案】
3\(\sqrt 2 \)
42.
图中电源的电动势为3 V,内阻为0.6 Ω,R1=R2=R3=R4=4 Ω。求电流表和电压表的示数(不计电表内阻对电路的影响)
【答案】
2.4 V,0.8 A
43.
如图所示,已知电源电动势E=6.3 V,内电阻r=0.5 Ω,固定电阻R1=2 Ω,R2=3 Ω,R3是最大阻值为5 Ω的滑动变阻器,按下电键S,调节滑动变阻器的触点,求通过电源的电流变化的范围。
【答案】
2.1 A~3 A
44.
测干电池的电动势和内电阻的实验电路图如图所示,已知干电池允许的最大供电电流为0.5A。
(1)现有三种滑动变阻器:A.1000 Ω、0.1 A;B.20 Ω、1.0 A;C.10 Ω、2.0 A,实验时应选用_______。
(2)闭合电键S前,滑动变阻器的滑动触片P应置于_____端(填“a”或“b”)。
(3)实验中没有接保护电阻,为了防止损坏电流表,实验中滑动变阻器的滑动触片P不允许置于_____端(填“a”或“b”)。
(4)根据实验得出的图线求出干电池的电动势和内阻,E=_____V,r=______Ω。

【答案】
(1)C
(2)a
(3)b
(4)1.42,1.8
【解析】
(1)干电池的电动势约为1.5 V左右,最大放电电流为0.5 A,A变阻器最大,电流太小,显然不能用。在不计电池和电流表的内电阻时,外电阻最小约为3 Ω左右,所以滑动变阻器应选C(10 Ω、2.0 A)。如果选B,在滑动变阻器电阻较大时,电流可能很小,不易测量。
(2)闭合电键S前,滑动变阻器应取最大值。所以滑动触片应置于a端。
(3)一般在电路中应串联保护电阻,图中没有保护电阻。为了防止损坏电流传感器,滑动变阻器值不允许为零,所以滑动触片不允许置于b端。
(4)延长图中的斜线交U轴上的一点,该点纵坐标为1.42 V,所以干电池的电动势E为1.42 V。如果求出短路电流,则可求内阻。但由于U轴与I轴交点处的坐标不为“0,0”,如I轴下移,则I轴与图线延长线交点在图象之外,所以只能通过求图线斜率的方法来求内电阻,如图所示,r=\(\frac{{\Delta U}}{{\Delta I}}\)=\(\frac{{1.42 - 0.88}}{{0.3}}\) Ω=1.8 Ω。
45.
有两个不同的闭合电路,分别用伏安法测量电源电动势和内阻,结果得到的端电压和电流的关系曲线如图所示,则两个电路电源的电动势E、内阻r和短路电流I短的关系是( )
(A)E1>E2;r1>r2;I短1<I短2
(B)E1<E2;r1<r2;I短1>I短2
(C)E1<E2;r1>r2;I短1<I短2
(D)E1>E2;r1<r2;I短1>I短2
【答案】
A
46.家用手电筒里有两节相同的干电池,它们的连接方法是______。每节干电池的电动势应是________V,如果每节干电池的内阻为1 Ω,则电池组的总电动势是____V,总内电阻是_____Ω。设电筒里小灯泡的电阻为8 Ω,则电路接通后,灯泡两端的电压是_______V,灯泡消耗的电功率是______W。
【答案】
串联,1.5,3,2,2.4,0.72
47.在用伏安法测电源电动势和内阻时,当变阻器的滑片在某一位置时,电压表和电流表的读数分别为0.2 A和1.98 V;当变阻器的滑片在另一位置时,电压表和电流表的读数分别为0.4 A和1.96 V,据此结果计算得出的电动势和内阻各是多少?
【答案】
2 V,0.1 Ω
48.太阳能电池由许多电池“晶片”串联或并联组成,某电池“晶片”的电动势是0.6 mV,不小心使正、负极短路时,电流是25 μA。
(1)求该“晶片”的内阻。
(2)如果需要240 V,25 μA的电源,应该怎样连接电池“晶片”?该电源的内阻又是多少?
【答案】
(1)24 Ω
(2)400 000片晶片串联,9.6 MΩ
49.图(a)中表示用伏安法测电池电动势和内电阻实验中所用的器件。

(1)试在图中画出连线,将器件连接成为实验电路。
(2)设所得的U-I图线如图(b)所示,可求出电池的电动势为______V,电池内阻为_______Ω。
【答案】
(1)见下图

(2)1.5,0.75
50.
用一个电流表和一个电阻箱来测量电源的电动势和内阻,电路如图所示,当电阻箱的电阻是4.7 Ω时,电流表的示数是1.2 A;电阻箱的电阻是2.7 Ω时,电流表的示数是2.0 A。求电源的电动势和内阻。
【答案】
6 V,0.3 Ω
51.
某学生用伏安法测干电池的电动势和内阻时,使用电流表和电压表,所用滑动变阻器的阻值范围为0~20 Ω,右图为连接电路的实物图。
(1)该学生接线中错误的和不规范的地方是( )
(A)滑动变阻器不起变阻作用
(B)电流表接线有错
(C)电压表量程选用不当
(D)电压表接线有错
(2)画出这个实验的正确电路图。
【答案】
(1)ABD
(2)见下图

52.
在图中所示电路中,R1=2 Ω,R2=2 Ω,R3=4 Ω,r=1 Ω,电压表V1示数为4 V,电压表V2示数为6 V。求:电源电动势E和电流I。
【答案】
9 V,1 A
53.
用伏安法测量两个电源A和B的电动势和内阻得出的U-I图线如图所示,则正确的判断是( )
(A)EA>EB
(B)rA>rB
(C)两电源电流都等于I0时,内电阻消耗的功率相等
(D)两电源端电压都等于U0时,电源输出功率相等
【答案】
ABD
54.
如图所示的电路中,电源的电动势为E,内阻为r,当可变电阻的滑片P向b点移动时,电压表V1的读数U1与电压表V2的读数U2的变化情况是( )
(A)U1变大,U2变小 (B)U1变大,U2变大
(C)U1变小,U2变小 (D)U1变小,U2变大
【答案】
A
55.
如图所示电路,电源由5个相同的电池串联而成,当滑动变阻器的滑动头移到a端,测得Uab=10 V;当滑动头移到b端时,测得Uabʹ=15 V,求每只电池的电动势和内阻。
【答案】
6 V,1 Ω
56.
如图中所示的电路中,当电键S闭合后,把滑动变阻器R1的滑动片向右移动时,电流表和两个电压表的示数将如何变化?
【答案】
电流表读数增大,V1电压表读数减小,V2电压表读数增大
57.
在图示的电路中,电池组由6个蓄电池串联而成,每个电池的电动势E=2 V,内阻r=0.2 Ω,电阻R1=5 Ω,R2=12 Ω,R3=30 Ω,并已知通过R2的电流为0.3 A。
求:(1)干路电流;
(2)电池组的端电压;
(3)此时滑动变阻器使用部分的电阻;
(4)内、外电路上消耗的电功率。
【答案】
(1)1.4 A
(2)10.63 V
(3)6.16 Ω
(4)P内=1.56 W,P外=12.11 W
58.某电路,电源电动势为E,内电阻为r,外电路为纯电阻电路,则它的输出电压U随外电路总电阻R的变化的图线为图中的_______。

【答案】
C
59.一个蓄电池组在充电时,流过蓄电池组的电流为3 A,蓄电池组两端的电压为4.25 V。当这个蓄电池组放电时,流出的电流为4 A,路端电压为3.9 V。求这个蓄电池组的电动势和内电阻。
【答案】
4.1 V,0.05 Ω
60.
某同学在做“用伏安法测定电池电动势和内电阻”的实验时,按如图所示电路进行连接,他共用7根导线,即图中的aaʹ、bbʹ、ccʹ、ddʹ、eeʹ、df、gbʹ,当他按下开关S后,发现两个传感器均无相应读数。经教师检查,断定7根导线中有一根断开,教师给他一个多用表,要求在不拆开电路的条件下,找出断开的导线,他应该如何做?
【答案】
【分析】题中说明仅一根导线发生断路,其余部分完好,可以用电压表查找故障所在位置,这也是电工师傅检查故障常用的方法。
【解答】当电键闭合时可把电压表的两端与电路中任意两个导线接点接触,例如与a、cʹ两点接触,注意电压表的正、负接线柱不要接错。a、cʹ两点把整个电路分为含电源和不含电源的两部分,cʹ→d→dʹ→e→eʹ→a包含电源,a→aʹ→b→bʹ→c→cʹ不含电源,因为两个传感器均无相应读数,故障不会发生在df、ccʹ及gbʹ处,在本题情况下,整个电路不工作,把电压表接入电路任意两点,电压表的读数只有两种可能,即约等于电源电压或等于零。如果电压表读数约等于电源电压,则包含电源的部分没有断路,断路故障发生在不含电源的部分;如果电压表读数等于零,则包含电源的部分发生断路,不含电源的部分全部正常,下一步在有故障的部分用同样方法继续测量,几次测量就可准确找到断路所在处,一般情况下,只要一处发生断路,电路就没有电流,不会同时发生多处断路。用本方法检修寻找断路,非常有效。
61.
在如图所示的电路中,电源电动势E=3.2 V,电阻R=30 Ω,小灯泡L的额定电压UL=3.0 V,额定功率PL=4.5 W。当电键S接1时,电压表的示数U=3.0 V;当电键S接2时,小灯泡L的发光情况是( )
(A)很暗,甚至不亮 (B)正常发光
(C)比正常发光时更亮 (D)有可能烧坏
【答案】
A
【解析】
【分析】当S接1时,U=3.0 V,则流过电阻的电流
I=\(\frac{U}{R}\)=\(\frac{3}{{30}}\)A=0.1 A;
根据闭合电路的欧姆定律,可以求得电源内阻
r=\(\frac{{E - U}}{I}\)=\(\frac{{3.2 - 3.0}}{{0.1}}\)Ω=2 Ω。
当S接2时,因小灯泡的电阻
RL=\(\frac{{U_L^2}}{P}\)=\(\frac{{{3^2}}}{{4.5}}\)Ω=2 Ω。
此时闭合电路中的电流
Iʹ=\(\frac{E}{{{R_L} + r}}\)=\(\frac{{3.2}}{{2 + 2}}\)A=0.8 A。
小灯泡两端实际电压
ULʹ=IʹRL=0.8×2 V=1.6 V<UL。(额定电压)
因此,灯很暗或不亮。
【解答】选项(A)是正确的。
63.在做“用伏安法测定电源电动势和内阻”的实验中,某同学连接电路时发现当电键闭合时,无电压示数。在以下各图中,会出现这种反常情况的电路图应是图______,正确的电路图应是图_______。

【答案】
D,A
64.
如图所示电路中,当可变电阻R的滑动片向右滑动时,各灯的亮暗变化是( )
(A)A变暗、B变亮、C变亮
(B)A变亮、B变暗、C变亮
(C)A变暗、B变亮、C变暗
(D)A变暗、B变暗、C变亮
【答案】
C
65.有一只电熨斗的电路结构如图(a)所示。改变内部接线方式,可以使电熨斗处于不同工作状态。在图(b)四种不同的连接方式中,能获得最低挡温度的是( )

【答案】
B
66.
在图所示的电路中,当可变电阻R的阻值增大时( )
(A)A、B两点间的电压U增大
(B)A、B两点间的电压U减小
(C)通过R的电流I增大
(D)通过R的电流I减小
【答案】
AD
67.
如图所示的电路中,直流发电机M的电动势E=250 V,内阻r=0.5 Ω,R1=R2=1 Ω。电热器组中装有50只完全相同的电热器,每只电热器的额定电压为200 V,额定功率为1000 W,其他电阻不计,也不计电热器电阻随温度的变化。问:
(1)当接通几只电热器时,实际使用的电热器都能正常工作?
(2)当接通几只电热器时,电阻R1、R2上消耗的功率最大?
【答案】
(1)4只
(2)16只?
68.
灯L1上标有“6 V 3.6 W”的字样,灯L2上标有“9 V 3.6 W”的字样,将灯L1、L2两端如图示连在电路中,当电键S分别掷向1和2时,两灯都正常发光,由此可知,电源的电动势为( )
(A)6 V (B)9 V
(C)2 V (D)15 V
【答案】
D
69.如图所示的(A)、(B)、(C)、(D)四个电路中,电源电动势为E,内阻为r,R0为定值电阻。当滑动变阻器R的滑片P从a向b滑动时,电压表的示数将变大的电路是( )

【答案】
A
70.图(a)是家用电热驱蚊器的外观照片,图(b)是它的结构示意图,其电热部分的主要元件是PTC(由钛酸钡等半导体材料制成的电阻器),其电阻与温度的关系如图(c)所示,由于这种特性,PTC元件具有发热、控温双重功能。因此,下列判断中正确的是( )

(A)通电后,其电功率先增大后减小
(B)通电后,其电功率先减小后增大
(C)当其产生的热量与散发的热量相等时,温度保持在t1或t2不变
(D)当其产生的热量与散发的热量相等时,温度保持在t1~t2的某一值不变
【答案】
AD
72.
光敏电阻是由半导体材料制成的,受到光照射耐,其导电性能显著增强;它的灵敏度高,制造工艺简单,广泛应用于自动控制电路中。将其与电磁继电器结合,就可用来自动控制街道路灯的开与关。图中所示是自动控制路灯的工作原理图,我们希望环境光照暗到一定程度时,路灯能点亮。电阻R1、R2之一是光敏电阻,另一只是定值电阻。当放大电路的输入端电压升高到某一值,使经过继电器J的电流增大到受继电器控制的电键S闭合,路灯就被点亮,请你分析判断电阻R1、R2中哪个是光敏电阻?
【答案】
R2是光敏电阻
73.某一用直流电动机提升重物的装置,如图所示,重物的质量m=50 kg,电源的电动势E为110 V,内电阻为1 Ω,不计各处的摩擦,当电动机以v=0.9 m/s的恒定速度向上提升重物时,电路中的电流I=5 A,设g=10 m/s2。由此可知电动机线圈的电阻R=_______Ω。
【答案】
3 Ω
74.图(a)为在温度10℃左右的环境中工作的某自动恒温箱原理示意图。箱内的电阻R1=20 kΩ,R2=10 kΩ,R3=4 kΩ,Rt为热敏电阻,它的电阻随温度变化情况如图(b)所示。当a、b两端电压Uab<0时,电压鉴别器会令电键S接通,恒温箱内的电热丝发热,使箱内温度提高;当Uab>0时,电压鉴别器使S断开,停止加热,恒温箱内的温度恒定在______℃。

【答案】
40
75.
如图所示电路中,电源内阻r=0.4 Ω,电阻R1=6 Ω,R2=3 Ω,R3=18 Ω,滑动变阻器的电阻R未知。当滑动变阻器的滑片P处于中点时,电流表的示数为0.9 A,电压表的示数为8.1 V。求:
(1)电源电动势E、滑动变阻器的电阻R和滑动变阻器消耗的功率PR;
(2)当滑动变阻器滑片P滑至b端时,电压表、电流表的示数和此时电源的输出功率P。
【答案】
(1)9 V,18 Ω,3.24 W
(2)7.5 V,2.5 A,28.125 W
76.
角速度计可测量航天器自转的角速度ω,其结构如图所示。当系统绕轴OOʹ转动时,与 弹簧相连的元件A在光滑杆上发生滑动,并输出电压信号,成为航天器制导信号源。已知A的质量为m,弹簧的劲度系数为k,原长为l。电源电动势为E,内阻不计。滑动变阻器总长为L,系统静止时滑动变阻器的滑片P在中间位置,与固定接点Q正对。当系统以角速度ω转动时,求:
(1)弹簧的形变量x与ω的关系;
(2)电压表的示数U跟角速度ω的函数关系。
【答案】
(1)x=\(\frac{{m{\omega ^2}l}}{{k - m{\omega ^2}}}\)
(2)U=\(\frac{{Em{\omega ^2}l}}{{L(k - m{\omega ^2})}}\)
77.
图中三个电阻串联的电路发生故障,用校验灯检查的结果如表所列,试分析可能发生的故障。
|
探测点 |
a、d |
a、b |
b、c |
c、d |
a、c |
b、d |
|
发光情况 |
正常发光 |
不发光 |
发光暗 |
发光暗 |
发光暗 |
正常发光 |
【答案】
电阻R1短路
【解析】
【分析】测试棒与a、d点接触校验灯正常发光,说明电源完好能正常供电。
测试棒与a、b点接触校验灯不发光,说明包含R1的ab段短路或者包含R2、R3的bd段断路。
测试棒与b、c点接触校验灯发光暗,说明包含R2的bc段不可能短路,包含R1的ab段和包含R3的cd段也不可能断路。
测试棒与c、d点接触校验灯发光暗,说明包含R3的cd段不可能短路,而且包含R1、R2的ac段不可能发生断路。
测试棒与a、c点接触校验灯发光暗,说明包含R3的cd段既没有断路,也没有短路,工作正常。
测试棒与b、d点接触校验灯正常发光,说明包含R1的ab段一定短路。
【解答】综合以上分析,可得出结论,最可能的故障是电阻R1短路,然后通过更换零部件进行验证,完成维修任务。
【讨论】在排除故障时是否要对每个点都进行测量,其实往往并不需要,电工们凭经验可以大致判断故障的范围,有针对性地测几个点即可解决问题。如果没有校验灯也可用电压表替代,根据电压的读数进行判断。
78.
如图所示是饮水器的自动控制电路,左边是一个对水加热的容器,内有密封绝缘的电热丝发热器和接触开关S1,只要有水浸没S1,它就会导通。RX是一个热敏电阻,低温时呈现高电阻,达到高温时(如沸点)呈现低电阻(相当于短路)。右边P是一个“与”逻辑门,接在0~5 V电源之间,当A与C(0 V)之间有高电压输入,同时B、C间也有高电压输入时,QC之间才有高电压输出(这里的高电压是接近5 V的电压)。图中J是一个继电器,电磁线圈中有电流时吸动S2闭合,发热器工作。RY是一个可变电阻,低温时RX应远大于RY。请回答以下问题:
(1)满足怎样的条件,发热器才能加热烧水?
(2)在什么条件下,发热器停止烧水?
(3)可变电阻RY的作用是什么?
【答案】
(1)要满足两个条件,一是水浸没S1,即容器内有一定量的水;二是水温较低;
(2)水位低于S1或水温较高时都不能加热;
(3)起微调作用。由于热敏电阻RX的性能不尽一致,需要调节RY,以通过串联电阻的分压原理,控制电压UAC,使水温低于某设定温度时开始加热。
【解析】
【分析】饮水器是常见的家用电器,只要把电源接通装上冷水,它就会自动加热,加热到沸点以后即停止加热,直到水冷却到一定温度又开始加热。看上去自动控制电路很复杂,但它的原理只涉及我们学过的知识。关键是要看懂图10-35中C表示直流电源的负极(0V);知道热敏电阻RX在低温时电阻大,高温时呈现低电阻;变阻器RY和热敏电阻RX串联;还要知道P是一个“与”门,只有A、B两端都是高电势,“与”门才会输出高电势。
筒中水位达到S1时,B点与电源正极接通,当然是高电势。如果水温低,则RX电阻很大,与变阻器RY串联后分到的电压也很高,与门P输出端Q为高电势,使电磁铁工作,开关S2导通,发热器对水加热。如果水温高了,热敏电阻呈现低电阻,A端电势低;或者水位很低,接触开关S1不通,B端电势也低。这两种情况“与”门P都输出低电势,继电器和电热丝都不工作,停止加热。
【解答】(1)要满足两个条件,一是水浸没S1,即容器内有一定量的水;二是水温较低;
(2)水位低于S1或水温较高时都不能加热;
(3)起微调作用。由于热敏电阻RX的性能不尽一致,需要调节RY,以通过串联电阻的分压原理,控制电压UAC,使水温低于某设定温度时开始加热。
79.一根长100 m的铁丝,质量为1.56 kg,它的电阻是多大?铁的密度是7.8×10 kg/m3。
【答案】
5 Ω
【解析】
由电阻定律R=ρ\(\frac{l}{S}\)可知,要求铁丝的电阻R,必须知道ρ、l、S。其中ρ可以查表,l是已知的,所以应从铁丝的质量M、密度D和长度l,求得铁丝的横截面积S。
由M=DV=DSl得
S=\(\frac{M}{{Dl}}\)。
再代入电阻公式得R=\(\frac{{\rho D{l^2}}}{M}\)
查表得ρ=1×10-7‑ Ω·m,则铁丝的电阻
R=\(\frac{{\rho D{l^2}}}{M}\)=\(\frac{{1 \times {{10}^{ - 7}} \times 7.8 \times {{10}^3} \times {{({{10}^2})}^2}}}{{1.56}}\)Ω=5 Ω
80.在20℃时,长度为20 m、截面直径为0.81 mm的铜导线的电阻是多少?铜在20℃的电阻率为1.72×10-8 Ω·m。
【答案】
0.67 Ω
81.把电阻是1 Ω的一根均匀电阻丝截成等长的10段,把这10段金属丝并联起来,这样并联的一组金属丝的总电阻是( )
(A)0.01 Ω (B)0.10 Ω (C)10 Ω (D)100 Ω
【答案】
A
82.一段粗细均匀的镍铬丝,横截面的直径是d,电阻是R,把它拉成直径是\(\frac{d}{{10}}\)的均匀细丝后,它的电阻变为( )
(A)\(\frac{1}{{10000}}\)R (B)10000R (C)\(\frac{1}{{100}}\)R (D)100R
【答案】
B
83.在探究导线电阻和导线材料、长度、横截面积间关系的DIS实验中,以下操作中错误的是( )
(A)用米尺量出金属丝的全长三次,算出其平均值
(B)用螺旋测微器在金属丝上三个不同部位各测量一次直径,算出其平均值
(C)把电压传感器与金属丝串联,把电流传感器与电阻丝并联,多次测量后算出电压电流的平均值
(D)实验中尽可能保持金属丝的温度不变
【答案】
C
84.要绕制一个阻值是1000 Ω的电烙铁芯子,需要用多长的横截面积是0.02mm2的镍铬线?
【答案】
20 m
85.有铜线和铁线各一根,它们的质量和横截面积都相等,求它们的电阻之比。
【答案】
0.149
86.一卷长1 km的铜电线,测得它的电阻等于10 Ω,这卷电线的质量是多大?(铜的密度为8.9×103kg/m3)
【答案】
15.13 kg
87.把两根同种材料的电阻丝分别连在两个电路中,甲电阻丝长为l,直径为d;乙电阻丝长为2l,直径为2d,要使两电阻丝消耗的功率相等,加在两电阻丝上的电压比应满足( )
(A)\(\frac{{{U_甲}}}{{{U_乙}}} = \frac{1}{1}\) (B)\(\frac{{{U_甲}}}{{{U_乙}}} = \frac{{\sqrt 2 }}{2}\) (C)\(\frac{{{U_甲}}}{{{U_乙}}} = \frac{{\sqrt 2 }}{1}\) (D)\(\frac{{{U_甲}}}{{{U_乙}}} = \frac{2}{1}\)
【答案】
C
89.导线的电阻是4 Ω,把它对折起来作为一条导线用,电阻变为多少?如果把它均匀拉长到原来的2倍,电阻又变为多少?
【答案】
1 Ω,16 Ω
90.用横截面积为0.63 mm2、长200 m的铜线绕制一个线圈,这个线圈容许通过的最大电流是8.0 A,这个线圈两端至多能加多大的电压?
【答案】
43.1 V
2006 - 2026,推荐分辨率 1024*768 以上,推荐浏览器 Chrome、Edge 等现代浏览器,截止 2021 年 12 月 5 日的访问次数:1872 万 9823。 站长邮箱
