1.
如图所示,竖直放置的长直导线MN中通以恒定电流,矩形金属线框abcd跟导线在同一平面里。在下列情况中,线框中能产生感应电流的是( )。
(A)导线中电流增大 (B)线框向右平动
(C)线框向下平动 (D)线框以ab边为轴转动
(E)线框以直导线为轴转动
【答案】
ABD
【解析】
如图所示,竖直放置的长直导线MN中通以恒定电流,矩形金属线框abcd跟导线在同一平面里。在下列情况中,线框中能产生感应电流的是( )。
(A)导线中电流增大 (B)线框向右平动
(C)线框向下平动 (D)线框以ab边为轴转动
(E)线框以直导线为轴转动
2.如图所示,将一个金属线环在匀强磁场中捏成一个“8”字型(上、下两个圆半径相等),在这过程中,是否有感应电流产生?为什么?
【答案】
因线圈面积减小,穿过闭合回路的磁通量发生变化,所以有感应电流产生。
3.
如图所示,条形磁铁向螺线管靠近,灵敏电流计的指针会偏转吗?为什么?
【答案】
会,因为穿过闭合线圈的磁通量增大了
4.如图所示,在磁场中有一个闭合的弹簧线圈。先把线圈撑开[图(a)],然后放手,让线圈收缩[图(b)]。线圈收缩的过程中有感应电流产生吗?为什么?

【答案】
有,因线圈面积减小,穿过闭合线圈的磁通量减小。
5.如图所示,在一通电的长直导线旁有大小相同的四个金属线框A、B、C、D。分析下列各种情况下,线框中有没有感应电流产生?

(1)线框A向下运动:_______。
(2)线框B绕轴转动:_________。
(3)线框C面积缩小到一半:_______。
(4)线框D向右运动:______。
【答案】
(1)有(2)有(3)有(4)无
6.自行车发电机的结构如图所示,它有一块永久磁铁,置于绕有线圈的]形软铁芯内。当自行车轮转动时,通过摩擦带动磁铁转动。你能解释这个装置为什么可以对车灯供电的原理吗?


【答案】
永磁铁随着驱动轮转动,穿过闭合线圈的磁通量发生变化,因而产生感应电流对车灯供电。
7.某一实验装置如图所示,在铁芯P上绕着两个线圈A和B,如果线圈A中电流I和时间t的关系有图中的四种情况,那么在t1~t2这段时间内,下列四种情况在线圈B中观察不到感应电流的是( )。

【答案】
A
8.
[小实验]微弱的地磁场变化能产生感应电流吗?
如图所示,在教室门的四角分别钉上小木桩,用直径为0.3~1.0 mm的绝缘导线,沿门框边缘绕15~20圈,做成一个矩形线圈,其两端接灵敏电流计(50 mA)。握住门把手转动教室门时,观察灵敏电流计的指针是否摆动?为什么?
【答案】
能。因为线圈随门转动时,穿过闭合线圈的地磁场的磁通量发生变化,在线圈里产生了感应电流。
9.
如图所示,在口字形铁芯上绕有一组线圈,与滑动变阻器、电源构成闭合电路。假定通电线圈产生磁场的磁感线全部集中在铁芯中,在滑动变阻器的滑动触头左、右滑动时,a、b两个闭合圆环中( )。
(A)a环能产生感应电流
(B)b环能产生感应电流
(C)a、b两环都能产生感应电流
(D)a、b两环都不能产生感应电流
【答案】
A
10.
如图所示,半径为a的圆形区域内有方向垂直于纸面向里的匀强磁场;半径为b的金属圆环与磁场同心地放置,磁场方向与环面垂直。金属环上接有两只相同的小灯泡L1和L2。铜棒MN与金属环接触良好。若铜棒MN以一定速率向右匀速滑动。因为______________________________________,小灯泡________(选填“会”或“不会”)发光;如果撤去铜棒,将右面的半个金属环OL2Oʹ以OOʹ为轴向上翻转90°的过程中,因为________________________________,小灯泡________(选填“会”或“不会”)发光。
【答案】
铜棒MN切割磁感线,会,穿过闭合线圈的磁通量减小,会
11.
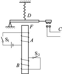
如图所示是常用的一种延时继电器示意图,图中的S2是常闭的。当开关S1闭合时,电磁铁F将衔铁D吸下,C工作电路接通。当S1断开时,由于电磁感应作用,D将延迟一段时间才被释放,延时继电器就是这样得名的。你能说明“延时”的原因吗?
【答案】
当S1断开的瞬间,F中磁通量突然变小,B中产生感应电流,使电磁铁有短暂的磁性而吸住D,所以能达到“延时”的目的。
12.宇航员飞到某一个不熟悉的行星上,他们想用一只灵敏电流计和一个线圈来探测一下行星周围是否有磁场,应当怎样做这个实验?写出实验原理及方法。
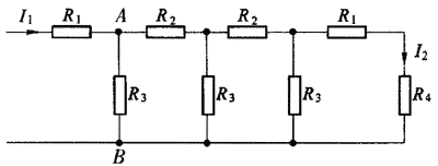
【答案】
原理:通过闭合回路的磁通量发生变化,产生感应电流;方法:①灵敏电流计与线圈串接成闭合回路。②在行星周围空间向各个方向移动或转动。
13.[小实验]探测地磁场
(1)应用如下实验器材:灵敏电流计、长约15m的铜芯双绞线(电阻约2 Ω)、小磁针等,设计一个利用地磁场产生感应电流的实验方案。
(2)为了使实验效果更明显。应采取什么措施?
【答案】
[小实验]探测地磁场
(1)应用如下实验器材:灵敏电流计、长约15m的铜芯双绞线(电阻约2 Ω)、小磁针等,设计一个利用地磁场产生感应电流的实验方案。
(2)为了使实验效果更明显。应采取什么措施?
14.
如图所示,有一固定磁体。线框abcd从上方竖直下落套入磁体。问线圈刚套入磁体时刻的感应电流方向如何?
【答案】
adcba
【解析】
从图中可很明显看出,线框的每条边都向下切割磁感线,用右手定则很容易判断出电流方向。
15.
如图所示,水平放置的金属杆ab、cd,用两条柔软的导线将它们连接成闭合回路,悬挂在一根光滑、不导电、水平放置的圆棒PQ两侧,整个装置处在一个与回路平面垂直的、方向向外的匀强磁场中。已知ab的质量大于cd的质量。
(1)若两金属杆由静止开始释放,指出流过金属杆cd中感应电流的方向。
(2)分析金属杆ab的运动情况。
(3)如果匀强磁场的方向是垂直于回路平面向里,(1)、(2)两小题的结论如何?
【答案】
(1)向右。
(2)ab杆先做加速度不断减小的加速运动,最后达到最大速度而做匀速运动。
(3)若匀强磁场方向相反,cd中电流方向向左。由于磁场力方向还是阻碍其运动的,所以运动情况与第(2)小题相同。
16.图中的小圆圈表示处于匀强磁场中闭合电路一部分导线的截面,速度v沿纸面内所示方向。下列判断正确的是( )。

(A)图(a)中有感应电流,方向向外 (B)图(b)中有感应电流,方向向外
(C)图(c)中无感应电流 (D)图(d)中a、b、c、d四个位置均无感应电流
【答案】
C
17.
如图所示,朝南的钢窗原来关着,现在将右边那扇窗突然朝外推开90°角,钢窗边框中有感应电流吗?如有电流,是什么方向?
【答案】
有,逆时针方向
18.课本图中直导线AB向右运动时,导线中感应电流的方向如何?导线AB平行于磁感线运动时感应电流又如何?
【答案】
顺时针方向,感应电流为零
19.如图所示,AB、CD 是彼此平行的可在导轨上无摩擦滑动的金属棒,导轨的交叉处 O 点不导通。整个装置水平放置,并处在竖直方向的匀强磁场中,( )。
(A)当 AB 向左运动时,CD 也会向左运动
(B)当 AB 向左运动时,CD 会向右运动
(C)当 AB 向右运动时,CD 也会向右运动
(D)当 AB 向右运动时,CD 会向左运动
【答案】
BD
20.
如图所示,两条平行金属导轨ab、cd左端接一个电阻,处于磁场方向垂直于导轨平面的匀强磁场中。金属棒MN可以绕N端转动,且棒与导轨始终导通。当棒MN从图示位置刚开始转动时,流过电阻的电流方向是从________指向________。
【答案】
a,c
21.
如图所示,金属棒沿轨道滑动时,小磁针顺时针转动。已知平行轨道间有垂直纸面的匀强磁场,则磁场的方向是_____________。
【答案】
垂直纸面向里
22.如图所示,有一根金属棒 ab 与竖直放置的金属线框接触良好,且无摩擦,整个线框处在方向垂直于纸面的匀强磁场中。要使 ab 棒保持静止,框架应当在竖直方向向_____平动。
【答案】
上
23.
[小实验]判断地磁场变化产生的感应电流方向
当导线切割微弱的地磁场时也会产生感应电流,用右手定则还能判断电流的方向。现在用下面的器材做一个小实验,来进行验证。在长约2.5~3.0 m(以房屋高度而定)的铜丝上悬挂一重物。制成一个单摆。铜丝上下两端各用一根软导线引出.跟灵敏电流计相连接,如图所示。让摆在地磁场中摆动时(振幅约1.0~1.5 m),观察灵敏电流计指针是否偏转?怎样才能使实验效果更明显?当摆向右运动时。根据你选定的地磁场方向,判断铜丝中感应电流的方向。
【答案】
会偏转,使重物沿东西方向摆动,向上
24.
法拉第圆盘发电机是一个在磁场中转动的金属圆盘.它可绕垂直于圆盘的OOʹ轴转动。匀强磁场方向与圆盘的轴线平行,且竖直向上,如图(a)所示。用电刷将灵敏电流计接于圆盘中心和边缘之间[俯视图(b)]。当圆盘作逆时针方向转动时,在俯视图(b)中通过灵敏电流计的电流方向是________。
【答案】
向右(电磁铁的左端是N极,右端是S极,处于磁场中的金属圆盘的径向导体棒垂直纸面向下切割磁感线,导体棒中有感应电流产生,方向是从圆心到盘边缘,所以通过灵敏电流计G的方向向右)
25.如图所示,轨道平面与水平面夹角为α,轨道间有不同方向的匀强磁场,其中图(a)中磁场与轨道平面垂直;图(b)中磁场竖直向上;图(c)中磁场水平向左。当金属杆沿轨道向下滑动时,杆中电流方向分别是:(a)________;(b)________;(c)________。
【答案】
a→b,b→a,b→a
【解析】
最好能借助于截面图帮助分析问题:
注意:(b)(c)两种情况中虽然导体棒没有垂直切割磁感线,但仍能使用右手定则判断感应电流的方向。
26.
两个[形金属导线框A、B放在光滑的水平面上,其中A处于有理想边界的匀强磁场内,如图所示。使A匀速向B运动,刚好能进入B(有接触而无摩擦)。在A、B接触后的短暂时间内,A将如何运动?( )。
(A)加速向B (B)加速离开B
(C)减速向B (D)不动
【答案】
C
27.
有一根首尾相接的长导线,将它缠绕到圆形磁体上的过程中,导线内会产生感应电流。这是什么原因?若按图所示的方向把导线绕到磁棒上,试分析感应电流的方向。
【答案】
随着绕在磁体上的导线匝数增加,穿过线圈的磁通量增大,从右向左看顺时针方向。
28.
如图所示,一个模拟发电机-电动机组。由水平金属导轨和竖直金属导轨连接而成。金属棒ab、cd分别处在竖直向上和垂直纸面向里的匀强磁场中,它们可以沿导轨无阻力地滑动。试分析这个装置可用来模拟发电机和电动机的原理。
【答案】
在这个模拟装置中,ab在砝码牵引下作切割磁感线运动,从而产生感应电流,机械能转变为电能——相当于发电机;通电导体cd在磁场力作用下运动,电能转变为机械能——相当于电动机。
29.关于电磁波在真空中的传播速度,下列说法中正确的是( )。
(A)频率越高,传播速度越大
(B)波长越长,传播速度越大
(C)电磁波的能量越大,传播速度越大
(D)电磁波在真空中的传播速度和电磁波的频率、波长、能量大小无关
【答案】
D
30.麦克斯韦电磁理论提出:________________________________________,从而形成电磁波。任何电磁波在真空中的传播速度都等于________。
【答案】
变化的电场产生磁场,变化的磁场产生电场,这种变化的电场和变化的磁场交替产生,由近及远地传播,光速
31.在电磁波的大家族中,若按频率从低到高排列,依次为________、________、________、________、________,________。
【答案】
无线电波、红外线、可见光、紫外线、X射线、γ射线
32.打开家里的电视机,用它的遥控器来做电磁波反射的实验。已知遥控器发射的是红外线信号。用右手握遥控器,使其方向大体与荧屏平行,按下调节电视频道的按钮,电视机不会有反应。为什么?若用左手的手掌作反射面,可使遥控器发出的红外信号反射方向正对电视机的红外线接收窗口。怎样调整手掌方向,才会使电视机有反应?试一试,并说明原因。
【答案】
因为遥控器的红外线信号没有被电视机接收;被左手掌面反射的红外线信号对准电视机接收窗口。
33.用两只手机做一个实验:先确认手机均处于良好的开机状态,将其中一只手机放入金属容器内(金属锅或金属饭盒都可以),盖好金属盖子。然后用另一只手机拨打容器内手机的号码,观察它有无反应?同时发射信号的手机内会传出:“对不起,您拨打的用户暂时无法接通”,或显示“您拨打的用户不在服务区内”,这是为什么?
【答案】
作为电磁波接收器的手机被金属容器屏蔽,无法接收到外界的信号。
34.双频手机(DuaI-band Handy Phone)是因为它既适用于GSM900网,也适用于GSM1800网,而且它被设计成可在两个网络间自动转换,在通话高密地区,可为用户提供很大的方便。
若已知手机的接收频段是917~950 MHz,试计算出该频段的波长范围。
【答案】
0.315~0.327 m
35.紫外线有哪些特性和用途?紫外线的波长是4×10-8~4×10-7 m,其频率范围是多少?
【答案】
紫外线的主要作用是化学作用,有很强的荧光效应,能杀菌消毒,并能促进生理作用和治疗皮肤病、软骨病等,7.5×1014~7.5×1015 Hz
36.请列举现代移动电话(手机)的主要特点。
【答案】
无线、频率宽、功能多、可存储等
37.阅读下列短文:
蓝牙技术(BIuetooth)是一种短距离无线数据和语音传输的开放式标准。这一无线技术的出现,使各类信息传输设备除电源线外再无其他连线,甚至包括键盘、鼠标等也均采用无线传输。蓝牙技术完全建立了一个全无线的工作环境和生活环境,使移动电话、便携式电脑、掌上电脑、打印机、传真机,以及各种便携式通信设备和电脑设备,不必借助电缆就能联网,并且能够实现无线上互联网。其实际应用范围还可以拓展到各种家电产品、消费电子产品和车载信息产品,组成一个具大的无线通信网络。蓝牙技术由天线单元、链路控制单元、链路管理单元和蓝牙软件单元等四个功能单元组成。业界人士预计,继互联网热、第三代移动通信热之后,蓝牙技术热将席卷全球。现在,上海的各个数码产品市场上,就可以见到各种蓝牙技术产品的陈列和出售。
请回答下列问题:
(1)到数码产品市场去“逛”一下,记录你所见到的蓝牙技术产品,并说明它们的功能和用途。
(2)上网查阅有关蓝牙技术的资料,请你预测一下蓝牙技术将渗入到社会与家庭生活的哪些方面?这一技术将带来哪些方便和好处?
【答案】
略。
38.阅读下列有关GPS的介绍资料:
全球卫星定位系统(Global Positioning System),缩写GPS。该系统利用离地面20 000多千米高的轨道上运行的24颗人造卫星所发射出来电磁波信号,根据三角测量原理算出收讯者在地球上所处的实际位置。GPS采用的是全球性地心坐标系统,坐标原点为地球质量中心。现阶段GPS主要由导航主机、天线、陀螺仪传感器及车速传感器组成。导航主机由GPS接收器及CD-ROM地图盘片播放机构成,与天线结合接收信息资料。现在已有专门提供电子地图服务的网站,甚至可以查询到餐厅、剧院、商场、停车场等完整的地图资料。此外,GPS还广泛应用于邮政、环保、海防、公安、军事等方面,做到精确定位,追踪目标,参与紧急救援、防灾救灾等行动,确保人身财产安全。
请回答下列问题:
(1)上网查询有关GPS的知识,并列举上述资料中没有涉及的一些应用。
(2)你能设想一下GPS系统在军事上有哪些应用吗?
【答案】
(1)如森林火灾、野外考察救助等
(2)如指挥坦克作战,控制导弹飞行等
39.产生感应电流的条件是:(1)________________;(2)________________。
【答案】
(1)电路闭合
(2)穿过闭合回路的磁通量发生变化
40.写出三种闭合电路中磁通量变化的方法(各举一例):(1)________________;(2)________________;(3)________________。
【答案】
(1)磁感应强度变化
(2)线圈面积变化
(3)线圈平面跟磁场方向的夹角发生变化
41.在如图所示的匀强磁场中有一个矩形闭合导线框。在下列几种情况下,线框中是否会有感应电流?

(1)保持线框平面始终与磁感线垂直,线框在磁场中上、下运动[图(a)];
(2)保持线框平面始终与磁感线垂直,线框在磁场中左、右运动[图(b)];
(3)线框绕轴线OOʹ转动[图(c)]
【答案】
(1)无(2)无(3)有
42.右手定则与左手定则的比较:(在下表中的空格内填入适当内容 )
|
比较项目 |
右手定则 |
左手定则 |
|
作用 |
判断感应电流方向 |
|
|
已知条件 |
已知磁场方向和切割方向 |
|
|
图例 |
|
|
|
因果关系 |
|
电流→运动 |
|
应用实例 |
发电机 |
|
【答案】
判断电磁力,电流方向和磁场方向,运动→电流,电动机
43.如图所示,一个闭合金属线框的两边接有电阻 R1、R2,框上垂直搁置一根金属棒,棒与框接触良好,整个装置放在匀强磁场中。当用外力使 ab 棒向右移动时,在下列判断中正确的是( )。
(A)穿过线框的磁通量不变,框内没有感应电流
(B)框内有顺时针方向的感应电流
(C)框内有逆时针方向的感应电流
(D)框内有感应电流,左半边逆时针绕向。右半边顺时针绕向
【答案】
D
44.对于声波、无线电波和红外线,以下说法中正确的是( )。
(A)都能在真空中传播 (B)都能发生反射
(C)都是电磁波家族中的成员 (D)都是本质上相同的波,只是频率不同
【答案】
B
45.电磁波在传播过程中。始终不变的物理量有( )。
(A)频率 (B)波长 (C)波速 (D)振幅
【答案】
A
46.关于微波的下列各种说法中,正确的是( )。
(A)微波具有反射性,但不能产生干涉现象
(B)微波是指波长为微米级的电磁波
(C)微波炉是利用微波的热效应来加热食品的
(D)微波能沿地球表面传播很远距离
【答案】
C
47.
如图所示,用一根光滑金属导线制成圆弧状导轨MN,竖直放置在垂直纸面向里的水平匀强磁场中。OC是一根绕垂直于纸面的O轴转动的金属杆,并始终可以在导轨上滑动。当OC从M点无初速释放后,下列说法中不正确的是( )
(A)由于无摩擦存在,可在导轨上一直往复运动下去
(B)由于无摩擦存在,摆动幅度不变,机械能守恒
(C)摆动中OC杆总受到阻碍它运动的磁场力
(D)摆动中OC杆不受到阻碍它运动的磁场力
【答案】
C
48.如图所示,Ⅰ、Ⅲ 为两个匀强磁场,其磁感应强度大小相等,Ⅰ 区域的磁场方向垂直纸面向里,Ⅲ 区域的磁场方向垂直纸面向外。宽度为 s 的区域 Ⅱ 内无磁场。置于区域 Ⅰ 的正方形金属框 abcd 的边长为 L(s>L),且 ab 边与磁场边界平行(图中金属框的五个位置在同一平面内)( )。

(A)当金属框从位置1~2向右移动时,无感应电流
(B)当金属框从位置2~3向右移动时,有感应电流,方向是abcda
(C)当金属框从位置3~4向右移动时,有感应电流,方向是abcda
(D)当金属框从位置4~5向右移动时,有感应电流,方向是abcda
【答案】
A
49.动圈式话筒的外形与结构如图所示。当有人在话筒前说话时,声波使膜片带动磁场内的线圈发生相应的振动。试分析话筒把声音信号转变为电信号的原理。

【答案】
套在磁铁上的线圈与膜片相连,当声波使膜片带动线圈在磁场中发生相应的振动时,通过线圈内的磁通量发生变化,闭合线圈里产生感应电流,声音信号就转变为电信号了。
50.
如图所示,让金属线框从图示的位置自由下落,并通过一段有匀强磁场的空间。试定性地描述线框运动的加速度变化情况(不考虑空气阻力),并说明理由。如果用塑料方框自由下落,其运动情况如何?
【答案】
金属线框在空间自由下落时,a=g;当线框刚进入匀强磁场而没有完全进入之前,a<g;当线框全部进入磁场后,a=g;当bc边离开磁场到线框全部离开磁场前,a<g;当线框全部离开磁场后,a=g;塑料方框自由落下,a=g。
51.
如图所示,弹簧的上端固定,下端悬挂一根磁铁。将磁铁托起到某一高后放开,磁铁能上下振动较长时间才停下来。如果在磁铁下端放一个固定的闭合线圈,使磁铁上下振动时可以穿过它,磁铁会很快停止振动。这种现象叫电磁阻尼。它的应用很多,如电学测量仪表要求指针的摆动很快地停下来,以便迅速读出示数,为此安装了能起电磁阻尼作用的装置。电磁阻尼还常用于电气机车的电磁制动器中。你能解释图中电磁阻尼现象的成因吗?
【答案】
条形磁铁的S极向下运动时可看作线圈向上切割磁感线,产生顺时针方向感应电流(俯视),其磁场方向向下,若把线圈看作磁体,则上端为S极,条形磁铁向下的运动受阻;当条形磁铁S极离开线圈向上运动时可看作线圈向下切割磁感线,产生逆时针方向感应电流(俯视),其磁场方向向上,与磁铁S极相吸引,阻碍它向上离去。由上述分析可知,条形磁铁靠近线圈时,感应电流的磁场阻碍它靠近;要离开时又不让走”。这就是电磁阻尼的产生原因。
52.
如图所示,在一个铜质或铝质的金属圆筒上挖出一组观察窗口。将一只磁性铁球和一只大小相同的塑料球,先后让它们从筒口自由落下。观察两球下落情况,并解释你所看到的现象。
【答案】
塑料球自由落下;磁性小球在金属圆筒中落下时产生电磁阻尼现象,所以下落较缓慢。
53.[小实验]验证产生感应电流的条件
给你一根较长的铁钉,漆包线若干,小磁针一枚,干电池一节,开关,导线等器材,画出一个合适的电路,通过实验验证产生感应电流的条件:
(1)有闭合回路。
(2)穿过闭合回路的磁通量发生变化。
【答案】
[小实验]验证产生感应电流的条件
给你一根较长的铁钉,漆包线若干,小磁针一枚,干电池一节,开关,导线等器材,画出一个合适的电路,通过实验验证产生感应电流的条件:
(1)有闭合回路。
(2)穿过闭合回路的磁通量发生变化。
54.[课题研究]电动机可以发电吗?
要回答这个问题,不妨先做一做下面的实验:找一个玩具上的小电动机,取一条棉线缠在它的轴上,用导线把电动机的两个接线端接到小灯泡上。用一只手捏住电动机的机身,另一只手迅速拉动棉线,观察小灯泡是否发光?
(1)解释你观察到的现象。
(2)从这一现象出发,谈谈奥斯特、安培、法拉第等科学家的研究成果的伟大意义何在?
【答案】
略。
55.放入电场中某一点的点电荷受到的________的比值叫做这一点的电场强度。我们规定,电场中某点电场强度的方向跟放在该点的________相同。
【答案】
电场力与它的电荷量,正电荷受力方向
56.电场强度E的定义式为E=\(\frac{F}{q}\),它适用于________电场;定义式中的q是指________的电荷量。
【答案】
任何,放入电场中的点电荷(检验电荷)
57.在如图所示的电路中,R1=200Ω,R2=400 Ω,R3=800 Ω,R4=600 Ω,由此可知A、B间的电阻RAB=________Ω;电流I1∶I2=________。

【答案】
400,8∶1
58.
图中的R1=2 Ω,R4=5 Ω。电压表V1的示数为2.5 V,V2的示数为4 V,则R2的阻值为________Ω;流过R1与R2的电流之比是________。
【答案】
3,1∶1
59.磁通量的单位是________,若用国际单位制中的基本单位来表示应是________。
【答案】
韦(Wb),kg·m2/s2·A
60.
如图所示,倾角为θ的斜面导轨上有一根质量为m的金属棒,导轨间距离为l,垂直于斜面向上的磁场充满空间。当金属棒通以电流I时恰处于平衡状态(不计摩擦),此时磁场的磁感应强度B=________;电源的正极是________(选填“a”或“b”)。
【答案】
mgsinθ/Il,b
61.
如图所示,通电螺线管竖直放置,半径小于螺线管的铜环沿螺线管的轴线加速下落,在下落过程中环面始终保持水平。铜环先后通过轴线上 1、2、3 位置时的加速度分别为 a1、a2、a3,则加速度的大小 a1 ____ g,a2 ______ g,a3 _____ g。(均选填“>”“<”或“=”)
【答案】
<,=,<
62.按频率由低到高排列的电磁波谱是:无线电波、微波、________、________、________、X射线、________。
【答案】
红外线,可见光,紫外线,γ射线
63.
图中的实线是一个电场中的两根电场线,虚线为一个负点电荷只受电场力作用时,从A到B运动轨迹的一部分。请在图中画出:
(1)电场线方向。
(2)该负电荷在B处的速度方向。
【答案】
(1)向左
(2)向右上方
64.用三个电阻都是12 Ω的电阻,怎样连接才能获得8 Ω的阻值?在框内画出连接图。
【答案】
两个电阻先串联,再与另一电阻并联
65.如图所示是一个小制作“秋千小熊”。线框M用细线悬挂起来,线框下面有固定的磁体,S是一个触点开关,E是电源,P可跟随线框一起摆动。当线框向前摆起时,开关S断开;线框在竖直位置时,开关S接通。为了使小熊不停地摆动,好像在玩秋千一样,应当将接线柱a、b、c、d如何合理连接?(画在图上)

【答案】
a与c连接,b与d连接
66.
如图所示,在水平放置的彼此平行的光滑金属导轨上,垂直于导轨放置三根互相平行的导体棒ab、cd、ef,并始终与导轨保持良好接触。整个装置处于垂直于导轨平面的匀强磁场中。在图上分别画出,当cd棒向右运动时,导体棒ab、ef中的电流方向及运动方向。
【答案】
电流方向a→b,e→f;运动方向均向右
67.下面说法中正确的是( )。
(A)在某一点电荷附近任一点,如果没有放检验电荷,则这一点的电场强度为零
(B)电荷在某点受到的电场力很大,该点的电场强度也一定很大
(C)在以一个点电荷为中心、r为半径的球面上,各处的电场强度都相同
(D)如果把点电荷放在一匀强电场中由静上开始释放,此点电荷一定沿电场线运动
【答案】
D
68.将两只不同阻值的电阻R1和R2连接成如图(a)所示的电路,闭合开关S后,电流表的示数为0.5 A。现将电路改接为如图(b)所示,闭合开关S后,电流表的示数( )。

(A)一定大于2 A (B)一定小于2 A
(C)一定大于0.5 A,但小于1 A (D)一定大于1 A,但小于2 A
【答案】
A
69.关于磁感线,下列说法中正确的是( )。
(A)磁感线从N极出发,终止于S极,是不连续曲线
(B)磁感线是实际存在的描绘磁场性质的曲线
(C)磁感线能反映磁场中穿过某个面积磁通量的方向
(D)磁体内部也有磁感线
【答案】
D
70.
如图所示,a、b、c三根通电导线在同一平面上,通以同样大小的电流,a与b的电流向上,c的电流向下,则下列说法中正确的是( )。
(A)a受到向左的作用力 (B)b受到向左的作用力
(C)c受到向左的作用力 (D)b不受作用力
【答案】
B
71.
如图所示,线圈两端接在灵敏电流计上组成闭合电路,在下列情况中,灵敏电流计指针不发生偏转的是( )。
(A)线圈不动,磁铁插入线圈时 (B)线圈不动,磁铁拔出线圈时
(C)磁铁插在线圈内不动 (D)磁铁不动,线圈上下移动时
【答案】
C
72.如图所示,在悬点正下方有一个具有理想边界的匀强磁场,金属悬线下端的铜环在 A 点由静止释放,向右摆至最高点 B,不考虑空气阻力,则下列说法正确的是( )。
(A)A、B 两点在同一水平面
(B)A 点高于 B 点
(C)A 点低于 B 点
(D)铜环将作等幅振动
【答案】
B
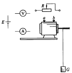
73.如图所示是测定电动机效率实验所需的仪器。

(1)在图中连接实验电路。
(2)本实验要测定的物理量是________________。
(3)计算电动机效率的表达式η=______________。
(4)造成测量误差的主要原因是________________________________________________。
【答案】
(1)电源、电流表、变阻器、电动机构成串联电路,电压表接在电动机ab两端
(2)I、U、G、h、t
(3)\(\frac{{Gh}}{{IUt}}\)
(4)电动机提升物体时的时间较难测准,物体运动也不完全是匀速的,造成输出功率测量不太准确。此外电压表、电流表示数不太稳定、输入功率测量也有误差。
74.在研究电磁感应现象的实验中所用的器材有:灵敏电流计、直流电源、带铁芯的线圈L1、线圈L2、开关、滑动变阻器(控制电流大小,以改变磁场的强弱),如图所示。

(1)按实验要求在实物图上连线。
(2)若将滑动变阻器的两根导线接在接线柱C和D上,而在开关刚闭合时灵敏电流计指针右偏。那么开关闭合后,滑动变阻器的滑动触头向C移动时,灵敏电流计指针如何偏转?
【答案】
(1)略
(2)右偏
75.电视机接收的25~68频道节目的频率范围是606~958 MHz,试计算其波长范围是多少?
【答案】
0.313~0.495 m
76.
著名的密立根油滴实验原理如图所示,A、B是两块平行放置的水平金属板,A板带正电,B板带负电。从喷雾器喷出带负电的小油滴,落到了A、B两板问的匀强电场中。调整板间的电场强度,当E=1.92×105 N/C时,小油滴受到的电场力跟重力平衡。已知油滴半径r=1.64×10-6m,油的密度ρ=0.851×103kg/m3。求:
(1)油滴所带的电荷量。
(2)这个电荷量是元电荷的几倍?
【答案】
(1)8.0×10-19 C
(2)5
77.
在如图所示的电路中,电压 U 恒为 12 V,滑动变阻器总电阻 R2 与电阻 R1 均为 12 Ω。求 :
(1)当滑动变阻器滑片 P 滑到 a 端及 b 端时,电流表的示数各为多少?
(2)当滑动变阻器滑片 P 滑到中点时,电流表的示数为多少?
【答案】
(1)1 A,1 A
(2)0.8 A
78.
如图所示,整个实验装置悬挂在弹簧测力计下,装置下端是绕了100匝、宽度为10 cm的线框,线框下边处在匀强磁场中,且磁场方向与线框平面垂直。当线框中通以2 A电流时,弹簧测力计示数为6 N。保持电流大小不变,只改变电流方向,弹簧测力计的示数变为5 N。求:
(1)匀强磁场的磁感应强度大小。
(2)不通电时弹簧测力计的示数是多少?
【答案】
(1)2.5×10-2 T
(2)5.5 N
2006 - 2026,推荐分辨率 1024*768 以上,推荐浏览器 Chrome、Edge 等现代浏览器,截止 2021 年 12 月 5 日的访问次数:1872 万 9823。 站长邮箱
