1.恒星的寿命取决于它的( )
(A)质量 (B)体积 (C)温度 (D)亮度
【答案】
A
2.天然放射性元素衰变时放出的β射线是( )
(A)α粒子流 (B)质子流 (C)中子流 (D)电子流
【答案】
D
3.做匀变速直线运动的物体,在2s内,速度从3m/s增大到5m/s,方向不变。在这个过程中,物体的加速度大小为( )
(A)1m/s2 (B)2m/s2 (C)4m/s2 (D)5m/s2
【答案】
A
4.下列图像中能反映质点做匀加速直线运动规律的是图( )

【答案】
C
5.卢瑟福预言:在原子核内,除了质子外,还可能有质量与质子相等的中性粒子(即中子)存在。他的主要依据是( )
(A)核外电子数与核内质子数相等
(B)核电荷数与核外电子数相等
(C)核的质量大于核内质子的质量
(D)核电荷数在数值上约是质量数的一半
【答案】
D
【解析】
如果原子核只由质子组成,那么,它的电荷数(以元电荷为单位)应当与质量数(以原子质量单位为单位)在数值上相等,而实际上原子核的电荷数在数值上往往只有质量数的一半或还少一些。卢瑟福根据这个事实预言:原子内核可能还存在质量与质子相等、不带电的中性粒子,他把它称为中子。
6.质量为m的物体A在地球表面受到地球的万有引力为F,质量为2m的物体B离地面高度等于地球半径,物体B受到地球的万有引力大小为( )
(A)2F (B)F (C)F /2 (D)F /4
【答案】
C
【解析】
无
7.
如图,两端开口、粗细均匀的U形管竖直放置,用两段水银柱封闭一段气体。能使气柱变长的措施是( )
(A)增大外界气压 (B)减小外界气压
(C)在U形管的左管滴入水银 (D)在U形管的右管滴入水银
【答案】
B
8.
如图,一物体通过细绳悬挂于O点,用作用于A点的水平外力F1缓慢拉动细绳,在θ角逐渐增大的过程中,外力F1和细绳OA的拉力F2的变化规律是( )
(A)F1和F2都变小 (B)F1和F2都变大
(C)F1变小,F2变大 (D)F1变大,F2变小
【答案】
B
9.
如图,小球通过弹簧悬挂于天花板上,平衡时,小球停在O点。P点位于O点正下方,OP=5cm。将小球拉至P点并由静止释放,小球在竖直方向上做以O点为对称中心的机械振动,完成10次全振动的时间为10s,则小球的振动周期T和振幅A分别为( )
(A)T=1s,A=5cm (B)T=1s,A=10cm
(C)T=10s,A=5cm (D)T=10s,A=10cm
【答案】
A
10.
如图,一小球通过细绳悬挂于车厢顶上,车厢在水平轨道上做直线运动,小球相对车厢静止,细绳与竖直方向夹角为α,则车厢的加速度( )
(A)a=gtanα,方向水平向右
(B)a=gtanα,方向水平向左
(C)a=gsinα,方向水平向右
(D)a=gsinα,方向水平向左
【答案】
A
11.
如图,电源电压和A、B两灯的电阻均不变。若滑动变阻器R的滑片向左移动,则( )
(A)A、B两灯均变亮 (B)A、B两灯均变暗
(C)A灯变亮,B灯变暗 (D)A灯变暗,B灯变亮
【答案】
D
12.
如图,在“探究感应电流产生的条件”实验中,闭合电键后,不能使灵敏电流计指针偏转的措施是( )
(A)把原线圈从副线圈中拔出
(B)断开电键
(C)保持电路中的电流恒定
(D)改变滑动变阻器的阻值
【答案】
C
13.
如图,在两根平行直导线中,通以相反的电流I1和I2,且I1>I2,设两导线所受磁场力的大小分别为F1和F2,则两导线( )
(A)相互吸引,且F1>F2
(B)相互排斥,且F1>F2
(C)相互吸引,且F1=F2
(D)相互排斥,且F1=F2
【答案】
D
【解析】
根据左手定则的推论——“同向电流相互吸引,反向电流相互排斥”可知,两导线相互排斥;根据牛顿第三定律可知,这两个斥力等大反向一直线。
正确选项为D。
14.在光滑水平面上,质量分别为mA和mB的两物体A和B在相同的水平恒力作用下,从静止开始做匀加速直线运动,经过相同时间,恒力对A和B两物体所做的功分别为WA和WB。若mA=2mB,则( )
(A)WA=WB (B)WA=2WB
(C)WA=\(\frac{{{W_B}}}{2}\) (D)WA=\(\frac{{{W_B}}}{4}\)
【答案】
C
15.
如图,质量相等的两小球 A 和 B,A 球自由下落,B 球从同一高度沿光滑斜面由静止开始下滑。当它们运动到同一水平面时,速度大小分别为 vA 和 vB,重力的功率分别为 PA 和 PB,则( )
(A)vA = vB,PA = PB
(B)vA = vB,PA > PB
(C)vA > vB,PA > PB
(D)vA > vB,PA = PB
【答案】
B
【解析】
无
16.在标准大气压下,水的沸点是100℃,用热力学温标可表示为______K。当水的温度从沸点下降到0℃时,温度下降了_______K。
【答案】
373,100
17.质量为2kg的物体在几个共点力的作用下处于平衡状态。若撤去一个大小为8N、方向水平向右的力,则该物体的加速度大小为________m/s2,方向________。
【答案】
4,水平向左
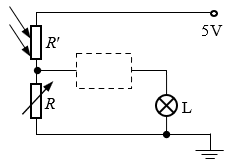
18.
如图,虚线框内为门电路,L为灯泡,R为变阻器,Rʹ为光敏电阻。当光照射Rʹ时,其阻值远小于R,当Rʹ不受光照时,其阻值远大于R。小灯泡发光时,门电路输出的是________(选填“高电压”或“低电压”)。为使Rʹ在光照时,小灯泡L不发光,没有光照时,L发光,该门电路应是_________门。
【答案】
高电压,非
【解析】
无
19.
如图,边长为l的正方形金属线框,以一定的速度进入磁感应强度为B的匀强磁场,线框平面始终与磁场方向垂直。当线框恰好有一半进入磁场时,穿过该线框的磁通量为____________,产生的感应电流方向为___________(选填“顺时针”或“逆时针”)。
【答案】
\(\frac{{B{l^2}}}{2}\),逆时针
20.
右图为一列沿x轴传播的横波在某时刻的波形图,此时,质点b的速度方向为y轴正向,则该波沿x轴________(选填“正”或“负”)向传播。若波的频率为20Hz,则该波的波速为________m/s。
【答案】
负,80
21.如图(a),一个小球在固定的轨道AB上往复运动,其位移-时间(x-t)图像如图(b)所示。则轨道AB的长度为________m,小球在t=0到t=6s内的平均速度大小为________m/s。

【答案】
0.6,0.1
【解析】
无
22.
如图,小球静止于竖直挡板和斜面间,所有接触面均光滑。把小球的受力示意图补充完整。
【答案】

22.
一电场的电场线分布如图所示,电场中有一带负电的检验电荷q。画出:①A点的电场强度方向;②q受到的电场力方向。
【答案】

23.
右图为“用DIS研究在温度不变时,一定质量的气体压强与体积的关系”实验装置图。
(1)图中,实验器材A是___________。
(2)一同学在两次实验中测得两组不同的(p、V)数据,发现两组数据p和V的乘积明显不同。可能的原因是:①_____________②_________________。
(3)为了保持注射器内气体的温度不变,实验中采取的主要措施有:①避免用手握住注射器封有气体的部分;②___________。
(4)大气压强为p0,注射器内气体的初始体积为10cm3。实验过程中,注射器内气体体积在4cm3到20cm3范围内变化,注射器内部与外界压强差的最大值为________p0。
【答案】
(1)压强传感器
(2)环境温度不同、注射器内气体的质量不同
(3)推拉活塞要缓慢
(4)1.5。
24.
如图,水平放置的金属薄板A、B间有匀强电场,电场强度大小E=2.0×106N/C。A板上有一小孔,D为小孔正上方h=32mm处的一点。一带负电的油滴在重力G=3.2×10-12N作用下,由D点开始做自由落体运动。当油滴进入电场后,恰好做匀速直线运动。求:(g取10m/s2)
(1)油滴刚进入电场时的速度大小;
(2)油滴所带的电荷量。
(3)在图中标出电场的方向。
【答案】
(1)v=0.8m/s
(2)q=1.6×10-18C
(3)电场方向竖直向下
【解析】
(1)油滴进入电场前做自由落体运动,进入电场时的速度为
v=\(\sqrt {2gh} \)=0.8m/s,
(2)油滴进入电场后受电场力和重力作用,二力平衡
qE=G
q=\(\frac{G}{E}\)=\(\frac{{3.2 \times {{10}^{ - 12}}}}{{2 \times {{10}^6}}}\)C=1.6×10-18C。
(3)电场方向竖直向下。
25.
如图所示电路中,电阻R1=5Ω,R2=14Ω,R3是总电阻为20Ω的滑动变阻器,滑动片位于中点。电压表和电流表均为理想电表,稳压电源的电压U=12V。
(1)断开电键S,求电流表的示数和电阻R1的功率;
(2)闭合电键S,求电压表的示数。要使R1的功率变为5W,求滑动变阻器R3接入电路的阻值R3ʹ。
【答案】
(1)电流表示数I=0.8A,P1=3.2W
(2)U=12V,R3ʹ=14Ω
【解析】
(1)电流表示数I=\(\frac{U}{{{R_1} + {R_3}/2}}\)=0.8A,
功率P1=I2R1=3.2W
(2)电压表示数等于电源电压
U=12V
干路电流I'=\(\sqrt {\frac{{{P_1}^\prime }}{{{R_1}}}} \)=1A
R2与R3右侧电阻R3'并联后的总电阻
R并=\(\frac{U}{{I'}}\)-R1=7Ω,1/R并=1/R3ʹ+1/R2,R3ʹ=14Ω
26.如图(a),AB为光滑水平面,BC为倾角α=30°的光滑固定斜面,两者在B处平滑连接。质量m=1.6kg的物体,受到与水平方向成θ=37°斜向上拉力F的作用,从A点开始运动,到B点撤去F,物体冲上光滑斜面。物体在运动过程中的v-t图像图(b)所示。求:(sin37°=0.6,cos37°=0.8,g取10m/s2)
(1)AB段的长度;
(2)拉力F的大小;
(3)物体冲上斜面的最大距离;
(4)若仅改变拉力F的大小,使物体从A出发,沿AB运动,且能越过D点。已知BD=AB,求拉力F的取值范围。

【答案】
(1)sAB=5m,
(2)F=5N,
(3)sm=2.5m,
(4)F的范围为10N<F≤26.7N。
【解析】
(1)由v-t图得,AB段的长度sAB=\(\frac{{vt}}{2}\)=5m,
(2)物体前2s的加速度
a=\(\frac{v}{t}\)=5m/s2
由牛顿第二定律
Fcos37°=ma,F=5N,
(3)设物体沿斜面上升的最大高度为h,由机械能守恒定律
mgh=\(\frac{1}{2}\)mv2,h=1.25m
物体冲上斜面的最在距离为
sm=h/sin30°=2.5m,
(4)设物体在B点的速度为vʹ,且恰能到达D点,由机械能守恒定律
mgsBDsin30°=\(\frac{1}{2}\)mvʹ2
物体在AB段做匀加速直线运动,设其加速度为aʹ,有vʹ2=2aʹsAB,又sAB=sBD,可得
aʹ=\(\frac{{{{v'}^2}}}{{2{s_{AB}}}}\)=\(\frac{{{{v'}^2}}}{{2{s_{CD}}}}\)=gsin30°=5m/s2
由牛顿第二定律,
Fʹcos37°=maʹ,Fʹ=10N
以拉力为F’’时物体恰好不离开AB面,有
F″sin37°=mg,F″=26.7N
所以物体既要沿AB运动,又能越过D点,F的范围为10N<F≤26.7N。
2006 - 2026,推荐分辨率 1024*768 以上,推荐浏览器 Chrome、Edge 等现代浏览器,截止 2021 年 12 月 5 日的访问次数:1872 万 9823。 站长邮箱
