1.下列关于交流电的说法中正确的是( )
(A)交流电器设备上所标的电压和电流值是交流电的峰值
(B)用交流电流表和电压表测定的读数值是交流电的瞬时值
(C)给定的交流数值,在没有特别说明的情况下是指有效值
(D)跟交变电流有相同的热效应的直流电的数值是交流电的有效值
【答案】
CD
2.关于电容器和电感线圈对交流电的影响,下列说法中正确的是( )
(A)电容器对于高频交变电流的阻碍作用大于它对低频交变电流的阻碍作用
(B)电感线圈对于高频交变电流的阻碍作用大于对低频交变电流的阻碍作用
(C)电容器对于高频交变电流的阻碍作用小于它对低频交变电流的阻碍作用
(D)电感线圈对于高频交变电流的阻碍作用小于对低频交变电流的阻碍作用
【答案】
BC
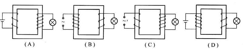
3.如图所示,可以将电压升高供给电灯的变压器是图( )

【答案】
C
4.
右图中a﹑b﹑c﹑d 是星形连接的三相交流电源在照明电路中的输电导线,用电压表测得 a、b 间的电压为 220 V,b﹑c 间的电压为 380 V,那么四根导线中哪根是零线?图中 1、2、3是三盏额定电压都是 220 V 的白炽灯,分别把它们正确接入三相输电线路中,画出电路图。
【答案】
A为零线,图略
5.
如图所示,在水平方向的匀强磁场中,有一单匝矩形导线框可绕垂直于磁场方向的水平轴转动。在线框由水平位置以角速度 ω 匀速转过 90° 的过程中,通过导线横截面上的电量为 q,已知线框电阻为 R,则上述过程中线框上的焦耳热 Q =______________。
【答案】
\(\frac{{{q^2}\pi R}}{{4\omega }}\)
6.某交变电压的瞬时值表达式为 u = U1sinωt + U2cosωt。求该电压的有效值。
【答案】
\(\sqrt {\frac{{U_1^2 + U_2^2}}{2}} \)
7.矩形线圈在匀强磁场中匀速转动,当线圈通过中性面时,下列说法中正确的是( )
(A)穿过线圈的磁通量最大,线圈中的感应电动势最大
(B)穿过线圈的磁通量等于零,线圈中的感应电动势最大
(C)穿过线圈的磁通量最大,线圈中的感应电动势等于零
(D)穿过线圈的磁通量等于零,线圈中的感应电动势等于零
【答案】
C
8.关于线圈在匀强磁场中转动产生的交变电流,下列说法中正确的是( )
(A)线圈平面每经过中性面一次,感应电流方向就改变一次,感应电动势向不变
(B)线圈每转动一周,感应电流方向就改变一次
(C)线圈平面每经过中性面一次,感应电流和感应电动势方向都要改变一次
(D)线圈转动一周,感应电流和感应电动势方向都要改变一次
【答案】
C
9.下图中画出了六种电流随时间变化的图像。这六个图中的电流,都随时间 t 作周期性变化,其中属于交流电的是________,属于正弦式交流电的是________。

【答案】
(a)(c)(e)(f),(c)
10.一个矩形线圈在匀强磁场中转动产生的交流电动势为 e = 220\(\sqrt 2 \) sin 100πt。关于这个交变电流,下列说法中正确的是( )。
(A)交变电流的频率为 100 Hz (B)电动势的有效值为 220 V
(C)电动势的峰值约为 311 V (D)t = 0 时,线圈平面与中性面垂直
【答案】
BC
【解析】
无
11.某电容器两端所允许加的最大直流电压是 250 V,它在正弦交流电路中使用时,交流电压可以是( )。
(A)250 V (B)220 V (C)352 V (D)177 V
【答案】
D
【解析】
无
12.我国及俄罗斯、英国等世界上多数国家,常用的交流电都是频率为 50 Hz 的正弦式交流电,而美国、加拿人及日本的西部地区常用的交流电频率为 60 Hz。这种频率为 60 Hz 的正弦式电流的周期多大?电流方向每秒改变多少次?
【答案】
1/60 s,120 次
13.把 220 V 的正弦交流电压加在 440 Ω 的电阻上,该电阻上( )。
(A)电压的有效值为 220 V,电流的有效值为 0.5 A
(B)电压的最大值为 220 V,电流的有效值为 0.5 A
(C)电压的有效值为 220 V,电流的最大值为 0.5 A
(D)电压的最大值为 220 V,电流的最大值为 0.5 A
【答案】
A
14.
右图表示一交流电的电流随时间而变化的图像,此交流电流的有效值是( )
(A)5\(\sqrt 2 \) A (B)5 A
(C)3.5\(\sqrt 2 \) A (D)3.5 A
【答案】
B
15.一电热器接在 10 V 的直流电源上,产生一定大小的热功率。现把它改接到交流电源上,要使它产生的热功率是原来的一半,如忽略电阻随温度的变化,则交流电压的峰值应是( )
(A)5 V (B)14 V (C)10 V (D)17.3 V
【答案】
C
16.
如图所示,三相交流发电机的每相电压是 220 V,接成星形,如果负载接成三角形,则负载每相的电压是________V。
【答案】
380
17.一个矩形线圈在匀强磁场中绕垂直于磁场的转轴从中性面向开始匀速转动,在 T/12(T 为周期)时产生的感应电动势为 2 V,则感应电动势的有效值为______V。
【答案】
2
18.一交流电压 U = 311sin314t(V),加在一个“220 V,40 W”的白炽灯上:
(1)这个灯泡能正常发光吗?
(2)如果用多用电表(交流电流档)测量通过这个灯泡的电流,示数应该多大?
(3)写出电流瞬时值的表达式。
【答案】
(1)能
(2)\(\frac{2}{{11}}\) A
(3)\(\frac{{2\sqrt 2 }}{{11}}\)sin314t
19.
100 匝矩形线圈在匀强磁场中绕其垂直于磁场的一边匀速转动,产生如图所示的电动势。可知线圈转动的角速度 ω = ____________rad/s。穿过线圈的磁通量最大值 Φmax = ____________Wb,此时的电动势值 e = ____________V。在 t = s 时刻,线圈平面与磁感应强度的夹角等于___________。
【答案】
100π,\(\frac{{311}}{\pi }\)×10−4,0,60°
20.氖灯接入频率为 f = 50 Hz,电压有效值 U = 120 V 的正弦交流电路中共 10 min。若氖灯点燃和熄灭时的电压均为 120 V,试求氖灯亮的时间。
【答案】
5 min
21.
用均匀导线弯成正方形闭合线框 abcd,线框每边长 8.0 cm,每边的电阻值为 0.010 Ω。把线框放在磁感应强度 B = 0.050 T 的匀强磁场中,并使它绕轴 OOʹ 以 ω = 100 rad/s 的匀角速度旋转,旋转方向如图所示。已知轴 OO′ 在线框平面内,并且垂直于 B,O′c = 3O′b,Od = 3Oa。当线框平面转至和 B 平行的瞬时(如图中所示),Uab 为何值?
【答案】
0.016 V
22.一扁平线框在竖直的匀强磁场中绕水平轴以角速度 ω 旋转。磁场的磁感应强度按 B = B0sinωt 的规律变化,求线框中产生的感应电动势的频率。
【答案】
\(\frac{\omega }{\pi }\)
23.
如图所示三相四线制供电电路中,电源电压 U = 220 V,三相负载都是纯电阻,RA = RB = 10 Ω,Rc = 20 Ω。问:
(1)通过中性线 OO′ 的电流多大?
(2)若中性线 OO′ 断路,RA 发生短路,RB、RC 两端电压及其中电流多大?
(3)若中性线 OO′ 断路,RA 也断路,RB﹑RC 两端电压和其中电流又是多大?
【答案】
(1)11 A
(2)电压均为380 V,IB=38 A,IC=19 A
(3)电流均为12.7 A,UB=127 V,UC=254 V
24.比较理想变压器的原线圈和副线圈,其中相同的物理量有( )
(A)电压 (B)电流 (C)电功率 (D)磁通量的变化率
【答案】
CD
25.理想变压器正常工作时,原、副线圈中的电流为 I1、I2,电压为 U1、U2,功率为 P1、P2,关于它们之间的关系,下列说法中正确的是( )
(A)I2 由 I1 决定 (B)U2 与负载有关
(C)P1 由 P2 决定 (D)以上说法都不正确
【答案】
C
26.远距离输电时,如果输送的电功率一定,试证明:输电电压升高到原来 n 倍,则输电线上的热功率损失将是原来的 1/n2。
【答案】
略
27.
如图所示,从同一交流电路上接出两个支路,一支路连接一个无泄漏电阻的电容器,另一支路连接一个无电阻的电感线圈,则导线 AB 和 CD 的相互作用是( )。
(A)相吸 (B)相斥
(C)吸、斥不定 (D)无相互作用
【答案】
B
28.
如图所示的理想变压器,两个副线圈匝数分别为 n1 和 n2。当把电热器接在 ab,使 cd 空载时,电流表的示数为 I1;当把电热器接在 cd,而使 ab 空载时,电流表的示数为 I2,则I1∶I2等于 ( )
(A)n1∶n2 (B)n12∶n22
(C)n2∶n1 (D)n22∶n12
【答案】
B
29.理想变压器原、副线圈的匝数比为 4∶1,原线圈接在 u = 311sin100πt(V)的交流电源上,副线圈所接的负载电阻是 111 Ω,则副线圈中电流大小是( )
(A)5 A (B)11 A (C)20 A (D)55 A
【答案】
A
30.
如图所示,某变压器有两个线圈,如果把它当作降压变压器,则线圈________接电源,原副线圈两端电压之比是_______;把它当作升压变压器,则线圈_______接电源,原、副线圈两端电压之比是______________。
【答案】
L1,5∶1,L2,1∶5
31.一理想变压器,原线圈输入电压为 220 V 时,副线圈的输出电压为 22 V。如将副线圈增加 100 匝后,则输出电压增加到 33 V,由此可知原线圈匝数是_______匝,副线圈匝数是_______匝。
【答案】
2000,200
32.某变电站用 220 V 的电压送电,导线损失电功率是输出功率的 20%。若要使导线损失电功率是输出功率的 5%,则输出的电压应变为_______V。
【答案】
440
33.理想变压器在正常使用过程中,如果副线圈处于开路状态,则原线圈的输入功率等于_______;如果副线圈上负载电阻减小,则原线圈从电源获取的功率将_______(选填“增加”、“减小”或“不变”)。
【答案】
0,增加
34.
如图所示,变压器原、副线圈的匝数比为 10∶1,副线圈有一中心抽头 e。原线圈接交流电压 u = 311sin(100πt)(V),副线圈上 e、d 之间的电压等于_______V,电压的周期 T = _______s。
【答案】
11,0.12
35.
如图所示,一台理想变压器有两个副线圈,已知 12 V 的副线圈输出电流是 4.17 A,匝数是 30 匝;127 V 的副线圈输出电流是 0.63 A,那么:
(1)127 V 的副线圈匝数是多少?原线圈的匝数是多少?
(2)原线圈的输入功率是多少?
(3)原线圈的输入电流是多少?
【答案】
(1)318匝,550匝
(2)130 V
(3)0.59 A
36.
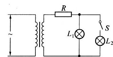
如图所示,理想变压器副线圈通过输电线接两个相同的灯泡 L1 和 L2。输电线的等效电阻为 R。开始时,电键 S 断开,当 S 闭合时,下列说法中正确的是( )
(A)副线圈两端的输出电压减小
(B)通过灯泡L1的电流减小
(C)原线圈中的电流增大
(D)变压器的输入功率增大
【答案】
BCD
37.
如图所示,灯泡 L1 和 L2 的规格完全相同,原线圈匝数比副线圈匝数多,下列判断中正确的是( )
(A)变压器工作时,两灯有可能同时正常发光
(B)L2 正常工作时,L1 比 L2 暗
(C)L2 正常工作时,L1 可能已烧毁
(D)L1 正常工作时,L2 可能已烧毁
【答案】
B
38.
在右图所示的两个交流电路中,它们的电源电压相同,理想变压器的原、副线圈的匝数为 n1、n2。如果两电源输出的电流相等,则负载电阻 R1 与 R2 的比值为______。
【答案】
n12∶n22
39.有一定值电阻与电压为 U 的交流电源接通,结果通过电阻的电流为 I。若通过一台变压器将该交流电与该电阻接通,已知变压器初级线圈中电流大小为 I/4,则通过该电阻的电流 Iʹ = _______;当变压器次级线圈所接电阻为原定值电阻的 4 倍时,那么这个电阻的电功率为_______。
【答案】
I/2,UI/16
40.
右图所示为某学校一套校内备用供电系统,由一台内阻为 1 Ω 的发电机向全校 22 个教室(每个教室有“220 V,40 W”的白炽灯 6 盏)供电。如果输电线的总电阻 R 是 4 Ω,升压变压器和降压变压器(都认为是理想变压器)的匝数比分别是 1∶4 和 4∶1,那么:
(1)发电机的输出功率应是多大?
(2)发电机的电动势是多大?
(3)输电效率是多少?
(4)若只使用总数一半的电灯,并正常发电,发电机的输出功率是否也减少一半?
【答案】
(1)5424 W
(2)250 V
(3)97%
(4)一半以上
41.河水流量为 4 m3/s,水流下落的高度为 5 m。现在利用它来发电,设所用发电机的总效率为 50%:
(1)求发电机的输出功率;
(2)设发电机的输出电压为 350 V,在输送途中允许的电阻为 4 Ω,许可损耗的功率为输出功率的 5%,问在用户需用电压 220 V 时,所用升压变压器和降压变压器的匝数之比分别是多少(g 取 9.8 m/s2)?
【答案】
(1)9.8×104 W
(2)1∶8,12∶1
42.电阻 R = 200 Ω 的电阻器和电容 C = 5×10-6 F 的电容器并联,通过这个并联电路的交流电的角频率 ω = 103 rad/s。交流电流表 G1 的示数 I1 = 1 A,其内阻很小,如右图所示?,求交流电流表 G2 的示数。
【答案】
1.414 A
43.
在对称的铁芯上绕有两个线圈,如图所示。当线圈 1 接入交流电时,线圈 2 上电压 U2 = 13.2 V;当线圈 2 接入同一交流电时,线圈 1 上电压 U1 = 120 V。求两个线圈的匝数比。
【答案】
3∶1
2006 - 2026,推荐分辨率 1024*768 以上,推荐浏览器 Chrome、Edge 等现代浏览器,截止 2021 年 12 月 5 日的访问次数:1872 万 9823。 站长邮箱
