1.下列说法中正确的是( )
(A)电流的方向就是电荷移动的方向
(B)在一直流电源的外电路上,电流的方向是从电源正极流向负极
(C)电流都是由电子的移动形成的
(D)电流是有方向的量,所以是矢量
【答案】
B
2.电源电动势的大小反映的是( )
(A)电源把电能转化成其他形式的能的本领的大小
(B)电源把其他形式的能转化为电能的本领的大小
(C)电源单位时间内传送电荷量的多少
(D)电流做功的快慢
【答案】
B
3.
如图所示,用半偏法测量一只电流表的内阻,下面所列的各组主要操作步骤及排列次序正确的是( )
(A)闭合S1,调节R1到电流表满偏,闭合S2,调节R2到电流表半偏,读出R2的阻值
(B)闭合S1,调节R1到电流表满偏,闭合S2,调节R1到电流表半偏,读出R2的阻值
(C)闭合S1、S2,调节R1到电流表满偏,调节R2到电流表半偏,读出R2的阻值
(D)闭合S1、S2,调节R2到电流表满偏,调节R1到电流表半偏,读出R2的阻值
【答案】
A
【解析】
提示:R1为变阻器,R2为变阻箱,半偏法测量电流表的内阻时变阻器R1阻值远大于变阻箱R2阻值
4.
电阻R1、R2的I-U图像如图所示,可知R1=______Ω,R2=______Ω。若把R1、R2并联后接到电源上时,R1消耗的电功率是6 W,则电源的输出功率是______W。
【答案】
8,12,10
5.
电话的话筒可以把声音变化转换为电流变化。炭精话筒的结构如图所示,炭精盘和振动膜之间充满了接触不紧密的炭粒。声音使振动膜振动,改变炭粒接触的紧密程度,使炭粒的电阻发生变化,从而改变电路电流的大小.如果炭粒的电阻能在45~55 Ω的范围内变化,当加在它两端的电压为3 V时,求电路中电流变化的范围。
【答案】
0.067~0.054 A
6.在家里使用电热水壶时,会发现电灯会变暗,这是因为( )
(A)电热水壶使电路总电流变小
(B)电热水壶上的电压大于电灯上的电压
(C)电路总电流不变,而电热水壶从电灯中分出了电流
(D)干路电流增大,导致干路导线上的电压增大
【答案】
D
【解析】
由于电热水壶是并联在电路中的,并联后总电阻变小,干路电流增大,导致干路导线上的电压降增大,电灯两端的电压变小而使电灯变暗。
7.有一台电风扇额定工作电压为220 V,额定电功率为50 W,线圈电阻为0.4 Ω,电风扇接入电压为220 V的电路中,关于它每分钟产生的热量是多少,有四位同学计算如下,其中正确的是( )
(A)Q=Pt=50×60=3000J
(B)Q=IUt=50×220×60÷220J=3000 J
(C)Q=I2Rt=(50/220)2×0.4×60J=1.2 J
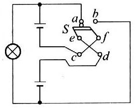
(D)Q=U2t/R=2202×60/0.4J=7.26×106 J
【答案】
C
【解析】
这是一个非纯电阻电路,电风扇产生热量只能根据焦耳定律Q=I2Rt计算
8.有一电学黑箱,内有电池组及定值电阻若干只,以一定方式连接。外有P、Q、R、S四个接头。已知当用电压表测量P、Q间电压时,示数为1.00 V;测量R、S间电压时,示数为0.50 V。当将一电流表跨接在R、S间时,示数为1.50 A(电压表、电流表都可看作为理想的)。图中画出了黑箱内部的四种电路,其中能满足本题所给条件的是图(图中电池组电动势为1.5 V,电池组内阻为0.5 Ω)( )

【答案】
BC
【解析】
根据提供的测量值对每一电路逐一分析。
9.
如图所示的电路中,R1=R2=2 kΩ,电压表V1的内阻为6 kΩ,电压表V2的内阻为3 kΩ,AB间的电压U保持不变,当电键S闭合后,它们的示数变化是( )
(A)V1表的示数变小,V2表的示数变大
(B)V1表的示数变大,V2表的示数变小
(C)V1、V2表的示数均变小
(D)V1、V2表的示数均变大
【答案】
A
【解析】
提示:电路分析时应把电压表看作一个能显示电压的电阻。
10.
如图所示,现有半球形导体材料,接成两种形式,则两种接法的电阻值之比为________。
【答案】
1∶4
【解析】
提示:可以把半球形导体看成由两个四分之一球形导体构成,前者是两部分并联,后者是两部分串联。
11.
如图所示,电阻R1=6 Ω,R2为滑动变阻器末接入电路时两固定端a、b之间的电阻,c、d两点将R2等分为三段。按图接好电路后,发现将滑片P分别滑到c点和d点时,M、N间电路的等效电阻之比为3∶4。把上述电路的M、N两端接到电动势为E、内电阻为r的电源两极上。当滑片P位于d点时,R2上损耗的电功率P1=36 W。如果P移到b端,那么R1上损耗的电功率P2≥36 W。求电动势E和内电阻r的取值条件。
【答案】
E=2\(\sqrt 2 \)(6+r),0<r<3\(\sqrt 3 \)Ω
12.
如图所示,直流电动机的轴与圆盘中心相连,电键S断开时,电压表的示数为12.6 V。电键S闭合时,电流表的示数为2 A,电压表的示数为12 V。圆盘半径为5 cm,测速计测得转速为50 r/s,两弹簧秤示数各为7.27 N和6.10 N。问:
(1)电动机的输入功率、输出功率、效率各为多少?
(2)拉紧皮带可使电动机停转,此时电压表、电流表的示数又各为多少?电动机的输入功率又为多大?
【答案】
(1)24 W,18 W,75%
(2)105 V,7 A,73.5 W
【解析】
(1)电动机的输入功率为UI=12×2 W=24 W。电动机的输出功率与皮带对圆盘做功功率相等,为(F1-F2)v,其中F1=7.27 N,F2=6.10 N,v为圆盘转动的线速度。
(2)拉紧皮带使电动机停转,此时电路为纯电阻电路,由题分析可知电源电动势为12.6 V,电源内阻为0.3 Ω,电动机直流电阻可根据第一问中电动机的输入功率减电动机的输出功率求出电动机的热功率,进而求出电动机的直流电阻。
13.通过一个电阻的电流是5 A,经过4 min,通过该电阻的一个截面的电量是( )
(A)20 C (B)50 C (C)1200 C (D)2000 C
【答案】
C
14.
如图所示,A、B、C、D是滑线变阻器的四个接线柱,现把此变阻器串联接入电路中,并要求滑片P向接线柱C移动时电路中的电流减小,则接入电路的接线柱可以是( )
(A)A和B (B)A和C
(C)B和C (D)A和D
【答案】
C
15.下列有关电阻率的叙述中错误的是( )
(A)当温度极低时超导材料的电阻率会突然减小到零
(B)常用的导线是由电阻率较小的铝、铜材料做成的
(C)材料的电阻率取决于导体的电阻、横截面积和长度
(D)材料的电阻率会随温度的变化而变化
【答案】
C
16.将一只阻值为数千欧的电阻R1和一只阻值为千分之几欧的电阻R2串联起来,则总电阻( )
(A)很接近R1而略大于R1 (B)很接近R1而略小于R1
(C)很接近R2而略大于R2 (D)很接近R2而略小于R2
【答案】
A
17.将一只阻值为数千欧的电阻R1和一只阻值为千分之几欧的电阻R2并联起来,则总电阻( )
(A)很接近R1而略大于R1 (B)很接近R1而略小于R1
(C)很接近R2而略大于R2 (D)很接近R2而略小于R2
【答案】
D
18.把一条电阻为64 Ω,的均匀电阻丝截成等长的n段后,再并联起来,电阻变为1 Ω,则n等于( )
(A)32 (B)24 (C)12 (D)8
【答案】
D
19.某一探测器因射线照射,内部气体电离,在时间t内有n个二价正离子到达阴极,有2n个电子到达探测器的阳极,则探测器电路中的电流为( )
(A)0 (B)2ne/t (C)3ne/t (D)4ne/t
【答案】
D
20.当电路中的电流超过熔丝的熔断电流时,熔丝就要熔断。由于种种原因,熔丝的横截面积略有差别。那么熔丝熔断的可能性较大的是( )
(A)横截面积大的地方
(B)横截面积小的地方
(C)同时熔断
(D)可能是横截面积大的地方,也可能是横截面积小的地方
【答案】
B
21.
用伏安法测灯泡电阻时,若将电流表和电压表的位置接成如图所示电路,可能出现的情况是( )
(A)电流表烧坏 (B)电压表示数为零
(C)灯泡不亮 (D)灯泡烧坏
【答案】
C
22.
如图所示,UAB=2.0 V,滑动变阻器滑片P位于中央表的示数均变大时,分压值恰好为1 V。接上负载电阻R后,下列情况中可使负载R上获得最接近于1 V电压的是( )
(A)RAB=200 Ω,R=100 Ω
(B)RAB=2×105 Ω,R=4×105 Ω
(C)RAB=200 Ω,R=4×105 Ω
(D)RAB=2×105 Ω,R=100 Ω
【答案】
C
23.
如图所示,一只鸟站在一条通过500 A电流的铝质裸导线上。鸟两爪间的距离是5 cm,输电线的横截面积是185 mm2。求鸟两爪间的电压。铝的电阻率ρA=2.9×10-8 Ω·m。
【答案】
3.9×10-3 V
24.
如图所示,两个定值电阻R1、R2串联后接在电压U稳定于12 V的直流电源上,有人把一个内阻不是远大于R1、R2的电压表接在R1两端,电压表的示数为8 V。如果他把电压表改接在R2两端,则电压表的示数将( )
(A)小于4 V (B)等于4 V
(C)大于4 V小于8 V (D)等于或大于8 V
【答案】
A
25.两电阻串联接在电压恒定的电源上,用两只精度都很高的不同的电压表分别去测量同一电阻两端的电压,甲表测得示数为10.1 V,乙表测得示数为10.3 V,则可知( )
(A)乙表示数比甲表示数更接近该电阻两端原来的电压
(B)甲表内阻比乙表内阻大
(C)该电阻两端原来电压必小于10.1 V
(D)该电阻两端原来电压必在10.1 V和10.3 V之间
【答案】
A
26.
用两个可变的电阻R1和R2按图所示的方式连接,可用来调节通过灯泡上的电流大小。如果R1≪R2,那么,(a)、(b)两图中,起粗调作用的变阻器是(另一个是起微调作用)( )
(A)(a)图中R1起粗调作用,(b)图中R2起粗调作用
(B)(a)图中R2起粗调作用,(b)图中R1起粗调作用
(C)(a)、(b)两图中都是R1起粗调作用
(D)(a)、(b)两图中都是R2起粗调作用
【答案】
B
27.
如图所示的电路中,UAB=1 V,R1=R2=R3=10 Ω,那么,电压表的示数为________V,电流表的示数为________A。
【答案】
1,0.1
28.
如图所示,要使AB间的总电阻恰等于R0,则R1=________(设R0已知)。
【答案】
\(\frac{{\sqrt 3 }}{3}\)R0
29.
如图所示,一长电阻网络,长度未知,图中最右端的电阻阻值为1 Ω,余电阻中竖直方向放置的阻值均为2 Ω,水平放置的阻值均为0.5 Ω,求图中a、b两点间的电阻。
【答案】
1 Ω
30.
如图所示,甲、乙两地相距6 km,两地间架设两条电阻都是6 Ω的导线。当两条导线在甲、乙两地间的某处发生短路时,接在甲地的电压表示数为6 V,电流表示数为1.2 A,问发生短路处距甲地多远。
【答案】
2.5 km
31.两只电压表V1和V2是由完全相同的两个电流计改装成的,V1表的量程是5 V,V2表的量程是15 V,把它们串联起来接入电路中。则( )
(A)它们的示数相等,指针偏转角度也相等
(B)它们的示数之比为1∶3,指针偏转角度相等
(C)它们的示数相等,指针偏转角度之比为1∶3
(D)它们的示数之比、指针偏转角度之比均为1∶3
【答案】
B
32.两只电流表A1和A2是由完全相同的两只电流表改装成的,A1表的量程是5 A,A2表的量程是15 A。为了测量15~20 A的电流,把A1表和A2表并联起来使用,在这种情况下( )
(A)A1表和A2表的示数相等
(B)A1表和A2表的指针偏转角度相等
(C)A1表和A2表的示数之比为1∶3
(D)A1表和A2表的指针偏转角度之比为1∶3
【答案】
BC
33.
如图所示,用半偏法测灵敏电流计G电阻Rg,下列说法中正确的是( )
(A)电键S1闭合前,R1必须调节到高阻值处
(B)电键S1闭合前,R2的阻值无需调节
(C)当电流表示数从满偏电流I1调到半偏电流I1/2时,R2中电流稍大于I1/2
(D)电源电动势的大小及相应的R1最大值的大小,对实验误差没有影响
【答案】
ABCD
34.
如图所示,分压器电源电压U=3 V且不变,R=5 Ω,R2=10 Ω,ab两端接负截Rf时的输出电压不得低于空载时电压的90%,Rf的允许范围应为( )
(A)Rf>10 Ω (B)0<Rf≤30 Ω (C)Rf≥30 Ω (D)Rf<10 Ω
【答案】
C
35.如图所示,A、B两点接在恒压电源上,内阻不可忽略的电流表A1与A2并联,示数分别为2 A和3 A。若将两只电流表串联起来接入电路中,两只电流表的示数均为4 A,那么电路不接入电流表时,流过R的电流是________A。

【答案】
5.43
36.
如图所示,A1和A2是两个相同的电流表,V1和V2是两个相同的电压表。电流表A1的示数是1.4 mA,电压表V1和V2的示数分别是0.8 V和0.6 V。试求:
(1)电流表A2示数;
(2)电压表和电流表的内阻之比。
【答案】
(1)0.6 mA
(2)RV∶RA=3∶1
37.
如图所示电路中,R1=5 Ω,R2=7 Ω,R3=8 Ω,R4=10 Ω,C=20 μF,A、B两端电压U=15 V,求:电流表和电压表的示数以及电容器C极板所带的电量。
【答案】
3.6 A,6 V,1.8×104 C
38.白炽灯泡的灯丝断了以后,轻轻摇晃灯泡,有时可以将断了的灯丝搭接上。假如将这只灯泡再装到灯座上,与原来相比,灯泡是亮些还是暗些?试解释之(注意:搭接灯丝的灯泡虽然仍能发光,但充气灯泡中的气压会比设计的高,容易发生爆炸事故。因此,不要使用搭接灯丝的灯泡)。
【答案】
亮些,解释略
39.银导线的横截面积S,通以大小为I的电流,设银的密度为ρ,摩尔质量为M,阿伏伽德罗常数为NA。若每个银原子可以提供一个自由电子,则银导线每单位长度上的自由电子数的计算式n=________。
【答案】
\(\frac{{\rho S{N_A}}}{M}\)
40.电子绕核运动可等效为一环形电流.设氢原子中的电子沿半径为r的圆形轨道运动,已知电子的质量为m,电子的电量为e,则其等效电流的大小等于________。
【答案】
\(\frac{{e\sqrt k }}{{2\pi \sqrt {mr} }}\)
41.
如图所示电路中,已知I=3 A,I1=2 A,R1=10 Ω,R2=5 Ω,R3=30 Ω,则通过电流表的电流方向为向________,电流的大小为________A。
【答案】
右,0.5
42.某电压表的内阻在20~50 kΩ之间,现要测量其内阻,实验室提供下列可供选用的器材:
待测量电压表V(量程3 V);
电流表A1(量程200 μA);
电流表A2(量程5 mA);
电流表A3(量程0.6 A);
滑动变阻器R(最大阻值1 kΩ);
电源E(电动势4 V);电键S。
(1)所提供的电流表中,应选用________(填写字母代号).
(2)为了尽量减小误差,要求测多组数据,试在如图所示方框中画出符合要求的实验电路图(其中电源和电键及其连线已画出)。
(3)下面是对测量数据记录和进行处理所设计的两个表格,其中正确的是( )。
表1
|
|
U / V |
I / A |
R / Ω |
|
l |
|
|
|
|
2 |
|
|
|
|
3 |
|
|
|
|
平均值 |
|
|
|
表2
|
|
U / V |
I / A |
R / Ω |
平均值R /Ω |
|
1 |
|
|
|
|
|
2 |
|
|
|
|
|
3 |
|
|
|
【答案】
某电压表的内阻在20~50 kΩ之间,现要测量其内阻,实验室提供下列可供选用的器材:
待测量电压表V(量程3 V);
电流表A1(量程200 μA);
电流表A2(量程5 mA);
电流表A3(量程0.6 A);
滑动变阻器R(最大阻值1 kΩ);
电源E(电动势4 V);电键S。
(1)所提供的电流表中,应选用________(填写字母代号).
(2)为了尽量减小误差,要求测多组数据,试在如图所示方框中画出符合要求的实验电路图(其中电源和电键及其连线已画出)。
(3)下面是对测量数据记录和进行处理所设计的两个表格,其中正确的是( )。
表1
|
|
U / V |
I / A |
R / Ω |
|
l |
|
|
|
|
2 |
|
|
|
|
3 |
|
|
|
|
平均值 |
|
|
|
表2
|
|
U / V |
I / A |
R / Ω |
平均值R /Ω |
|
1 |
|
|
|
|
|
2 |
|
|
|
|
|
3 |
|
|
|
43.
如图所示电路中,L1、L2都是额定电压为220 V的灯泡,在正常情况下,当电键S闭合时,电压表V1、V2和电流表A的示数分别为220 V、110 V和0.2 A,F是熔断电流为0.35 A的熔丝。在下列情况下,可能在电路的什么地方发生了什么故障?
(1)两灯不亮,V1、V2表的示数都是220 V,A表的示数是零;
(2)两灯不亮,V1表的示数是220 V,V2、A表的示数是零;
(3)熔丝熔断。
【答案】
(1)灯泡L2断路
(2)灯泡L1、熔丝F、电键S、或电流表A有断路
(3)L1或L2或V2表短路
44.
如图所示电路中,4个电阻阻值均为R,电键S闭合时,有质量为m带电量为q的小球静止于水平放置的平行板电容器的正中间。现在断开电键S,这个带电小球便向平行板电容器的一个极板运动,并与该极板碰撞。碰撞过程中小球没有机械能损失,只是碰撞后小球所带电量发生变化,所带电荷的性质与该板所带电荷相同。碰撞后小球恰好能运动至另一极板。设两极板间距离为d,不计电源内阻。问:
(1)电源电动势E多大?
(2)小球与极板碰撞后所带电量qʹ为多少?
【答案】
(1)E=\(\frac{{3mgd}}{{2q}}\)
(2)\(\frac{6}{7}\)q
45.
电流-电压两用电表的电路如图(a)所示。已知图中S是双刀双掷电键,其外形见图(b),a、b、c、d、e、f为接线柱。双刀双掷电键的触刀掷向a、b时,e与a接通,f与b接通;掷向c、d时,e与c接通,f与d接通。灵敏电流计G的量程是0.001 A,内阻是100 Ω;电阻R1的阻值为9900 Ω,R2的阻值是1.01 Ω。那么:
(1)触刀掷向a、b时,此两用表是什么表?量程是多大?
(2)触刀掷向c,d时,此两用表是什么表?量程是多大?
【答案】
(1)触刀掷向a、b是电压表,量程是10 V
(2)触刀掷向c、d是电流表,量程是0.1 A
46.
现有一量程为3 V的电压表,内阻约为3 kΩ。为了较准确地测量其内电阻,在没有电流表的情况下,某同学设计了如图所示的实验电路,按此电路可以测出电压表的内电阻。其中R1是最大阻值为9999 Ω的电阻箱,R2是最大阻值为20 Ω的滑动变阻器。
(1)试根据图所示的电路图,完成如图所示的实物电路的连线;

(2)接通电路前应将滑动变阻器的滑片P置于________端;
(3)根据电路图,按顺序写出本实验的主要操作步骤。
【答案】
现有一量程为3 V的电压表,内阻约为3 kΩ。为了较准确地测量其内电阻,在没有电流表的情况下,某同学设计了如图所示的实验电路,按此电路可以测出电压表的内电阻。其中R1是最大阻值为9999 Ω的电阻箱,R2是最大阻值为20 Ω的滑动变阻器。
(1)试根据图所示的电路图,完成如图所示的实物电路的连线;

(2)接通电路前应将滑动变阻器的滑片P置于________端;
(3)根据电路图,按顺序写出本实验的主要操作步骤。
47.要精确测量一个阻值为5 Ω的电阻R,实验室提供下列器材:电流表A1:量程100 mA,内阻r1约为4 Ω。电流表A2:量程500 μA,内阻r2=750 Ω。电压表V:量程10 V,内阻r3约为10 kΩ。变阻器R0:阻值约10 Ω。电池E:电动势E=1.5 V,内阻很小。电键S,导线若干。
(1)选出适当器材并在图虚线方框中画出电路图,标明所用器材的代号;

(2)需要测最的物理量是________________,根据所测物理量,求出电阻阻值的表达式Rx=________。
【答案】
要精确测量一个阻值为5 Ω的电阻R,实验室提供下列器材:电流表A1:量程100 mA,内阻r1约为4 Ω。电流表A2:量程500 μA,内阻r2=750 Ω。电压表V:量程10 V,内阻r3约为10 kΩ。变阻器R0:阻值约10 Ω。电池E:电动势E=1.5 V,内阻很小。电键S,导线若干。
(1)选出适当器材并在图虚线方框中画出电路图,标明所用器材的代号;

(2)需要测最的物理量是________________,根据所测物理量,求出电阻阻值的表达式Rx=________。
48.从下列实验器材中选出适当的器材,设计测量电路来测量两个电流表的内阻,要求方法简捷,有尽可能高的测量精度。
(A)待测电流表A1,量程50 mA,内电阻约几十欧
(B)待测电流表A2,量程30 mA,内电阻约几十欧
(C)电压表V,量程15 V,内阻rV=15 kΩ
(D)电阻箱R1,阻值范围0~9999.9 Ω
(E)电阻箱R2,阻值范围0~99.9 Ω
(F)滑动变阻器R3,阻值0~150 Ω,额定电流1.5 A
(G)滑动变阻器R4,阻值0~20 Ω,额定电流1.5 A
(H)电阻R0,阻值是40 Ω,功率是0.5 W(作保护电阻用)
(I)电池组,电动势为12 V,内电阻约0.5 Ω
此外还有单刀电键若干和导线若干,供需要时选用。
(1)请设计一个测量电路,画出电路图;
(2)选出必要的器材,用器材前的字母表示,有________________________;
(3)说明实验需要测量的物理量,并列出计算两个电流表内电阻的计算式。
【答案】
从下列实验器材中选出适当的器材,设计测量电路来测量两个电流表的内阻,要求方法简捷,有尽可能高的测量精度。
(A)待测电流表A1,量程50 mA,内电阻约几十欧
(B)待测电流表A2,量程30 mA,内电阻约几十欧
(C)电压表V,量程15 V,内阻rV=15 kΩ
(D)电阻箱R1,阻值范围0~9999.9 Ω
(E)电阻箱R2,阻值范围0~99.9 Ω
(F)滑动变阻器R3,阻值0~150 Ω,额定电流1.5 A
(G)滑动变阻器R4,阻值0~20 Ω,额定电流1.5 A
(H)电阻R0,阻值是40 Ω,功率是0.5 W(作保护电阻用)
(I)电池组,电动势为12 V,内电阻约0.5 Ω
此外还有单刀电键若干和导线若干,供需要时选用。
(1)请设计一个测量电路,画出电路图;
(2)选出必要的器材,用器材前的字母表示,有________________________;
(3)说明实验需要测量的物理量,并列出计算两个电流表内电阻的计算式。
49.
如图所示的为一种电路框架,此框架是由同种金属制作的,单位长度的电阻为ρ,一连串内接等边三角形的数目可认为趋向无穷。取AB边长为a,以下每个三角形的边长依次减小一半。试求框架上A、B两点间电阻RAB。
【答案】
\(\frac{1}{3}\)(\(\sqrt 7 \)-1)ρa
50.
如图所示为一个无穷方格电阻丝网络的一部分,其中每一小段电阻丝的阻值都是R,求相邻两个结点A、B之间的等效电阻。
【答案】
R/2
51.一台电动机的输出功率是10 kW,这表明该电动机工作时( )
(A)每秒消耗10 kW电能 (B)每秒对外做10 kW功
(C)每秒消耗10 kJ电能 (D)每秒对外做10 kJ功
【答案】
D
52.一台电动机的电阻为4 Ω,在220 V的额定电压下运行时,发热消耗的电功率为400 W。若电动机工作5 min,则电流做功________J。
【答案】
6.6×105
53.一个用电器上标有“2 kΩ,1 W”,允许加在这个用电器两端的最大电压为________V,这个用电器允许通过的最大电流为________A。当这个用电器两端加上20 V电压时,它实际消耗电流功率为________W。
【答案】
44.72,0.022,0.2
54.三个标有“100 Ω,4 W”、“12.5 Ω,8 W”、“90 Ω,10W”字样的电阻,当它们串联时允许加的最大总电压是________V,并联时允许通过的最大总电流是________A。
【答案】
40.5,9.9
55.电动机的电枢阻值为R,电动机正常工作时,两端的电压为U,通过的电流为I,工作时间为t,下列说法中正确的是( )
(A)电动机消耗的电能为UIt (B)电动机消耗的电能为I2Rt
(C)电动机线圈产生的热量为I2Rt (D)电动机线圈产生的热量为U2t/R
【答案】
AC
56.
如图所示,电阻R1=20 Ω,电动机的绕组R2=10 Ω。当电键S断开时,电流表的示数是0.5 A,当电键S闭合后,电动机转动起来,电路两端的电压不变,电流表的示数I和电路消耗的电功率P应是( )
(A)I=1.5 A (B)I<1.5 A
(C)P=15 W (D)P<15 W
【答案】
BD
57.
如图所示电路中,各灯额定电压和额定功率分别是:A灯“10 V,10 W”,B灯“60 V,60 W”,C灯“40 V,40 W”,D灯“30 V,30 W”。在a、b两端加上电压后,四个灯都能发光。比较各灯消耗功率的大小,正确的是( )
(A)PB>PD>PA>PC (B)PB>PA>PD>PC
(C)PB>PD>PC>PA (D)PA>PC>PD>PB
【答案】
B
58.两只额定电压均为110 V的灯泡A和B,额定功率分别为100 W和40 W,为了使它们接到220 V电源上能正常发光,同时电路消耗的电功率又最小,如图所示电路中最合理的是图( )

【答案】
C
59.把R1=8 Ω、R2=2 Ω两个电阻中联到电路中,要使两个电阻消耗的电功率相同,下列方法中可行的是( )
(A)给R1并联一个阻值为\(\frac{8}{3}\) Ω的电阻 (B)给R1并联一个阻值为8 Ω的电阻
(C)给R2串联一个6 Ω的电阻 (D)给R2并联一个6 Ω的电阻
【答案】
B
60.两个电阻,R1=8 Ω、R2=2 Ω,并联在电路中,欲使这两个电阻消耗的功率相等,可行的方法是( )
(A)用一个阻值为2 Ω的电阻与R2串联
(B)用一个阻值为6 Ω的电阻与R2串联
(C)用一个阻值为6 Ω的电阻与R1串联
(D)用一个阻值为2 Ω的电阻与R1串联
【答案】
A
61.在做实验时要在一根电阻为20 Ω的电热丝上获得45 W的加热功率,而电源的电压为45 V,下面列出实验室中能提供的几种变阻器铭牌上所给出的参数,实验中可以和电热丝串联以获得规定的加热功率的变阻器是( )
(A)10 Ω,1.5 A (B)20 Ω,4 A (C)1 kΩ,0.5 A (D)100 Ω,1 A
【答案】
B
62.
如图所示,电路中每个电阻的阻值都相同,额定功率也相同。当电压U升高时,先烧坏的电阻应是( )
(A)R1和R2 (B)R3 (C)R4 (D)R5
【答案】
D
63.用两个不同的电热丝烧开水,不计热量损失,单独用第一个烧,用时t1,单独用第二个烧同样的水,用时t2。如果把两电热丝串联使用一同烧同样的水,接在相同电压下烧同样的水所用时间为( )
(A)t1+t2 (B)|t1-t2| (C)\(\frac{{{t_1} + {t_2}}}{2}\) (D)\(\frac{{{t_1}{t_2}}}{{{t_1} + {t_2}}}\)
【答案】
A
64.有一电热器,额定电压为220 V,额定功率为1000 W。现要把它改装一下,用在电压为110 V的电路中,若要使它消耗的功率仍为1000 W。下面做法中正确的是( )
(A)将电热器中的电热丝截去一半
(B)将电热器中的电热丝截去3/4,只留下1/4
(C)在电热器中再并联一根与原来相同的电热丝
(D)将电热器小的电热丝等分成两段,再并联起来
【答案】
BD
65.某同学在家中测算电冰箱的月耗电量,他将家中其他用电器断开,只使用电冰箱,观察电能表转芯的转动情况。测得冰箱致冷时,转盘每12 s转一转;冰箱保温时,转盘每120 s转一转。电能表上标明“2000 r/(kW·h)”。该同学还测得冰箱每小时致冷10 min,保温50 min,每月按30 d(天)计。则该冰箱月耗电为________(kW·h)(度)。
【答案】
27
66.一个灯泡L,标有“6 V,12 W”字样,一台直流电动机D,其线圈电阻为2 Ω,把L与D并联,当电动机正常工作时,灯泡也正常发光。把L与D串联,当电动机正常工作时,灯泡的实际功率是额定功率的3/4。求这台电动机正常工作时转化为机械能的功率(假定灯泡电阻保持不变)。
【答案】
4.38 W
67.把灯L1接到一个电压恒定的电源上,L1的电功率是100 W。如果把它与另一个灯L2串联起来再接到电源上,L2的电功率是9 W。问此时灯L1的功率是多少(假定灯泡的电阻恒定不变)?
【答案】
1 W或81 W
68.在横截面积为S的均匀铜导线中流过恒流电流I,铜的电阻率为ρ,电子电量为e,则电子在铜导线中受到的电场作用力为( )
(A)0 (B)\(\frac{{I\rho e}}{S}\) (C)\(\frac{{IS}}{{\rho e}}\) (D)\(\frac{{I\rho }}{{Se}}\)
【答案】
B
69.
如图所示为一由双刀双掷电键S、两节干电池(每节干电池的电动势E=1.5 V,内阻r=1 Ω)和一个小灯泡(额定电压为2.5 V,额定电流为0.15 A)组成的电路,那么:
(1)当触刀掷向a、b时(a和e、d接通,b和f、c接通),两个电池是怎样连接的?小灯泡消耗的功率是多少?
(2)当触刀掷向c、d时,两个电池是怎样连接的?小灯泡消耗的功率是多少?
【答案】
(1)并联,0.13 W
(2)串联,0.43 W
70.
电饭锅工作时有两种状态:一种是锅内水烧干前的加热状态,另一种是锅内水烧干后的保温状态.如图所示是电饭锅电路的示意图,S是用感温材料制造的开关,R1是电阻,R2是供加热用的电阻丝。
(1)试判断开关S接通时和断开时,电饭锅分别处于哪种工作状态,说明你的理由。
(2)如果要使R2在保温状态时的功率是加热状态时的一半,R1/R2应是多大?
【答案】
(1)电键S闭合时,电饭锅处于加热状态;电键S断开时,电饭锅处于保温状态
(2)0.414
71.
家用电热灭蚊器中电热部分的主要元件是PTC,PTC元件是由钛酸钡等半导体材料制成的用电器,其电阻率与温度的关系如图所示,由于这种特性,因此,PTC元件具有发热、控温双重功能。对此,下列判断中正确的组合是( )
(A)通电后,其电功率先增大后减小
(B)通电后,其电功率先减小后增大
(C)当其产生的热量与散发的热量相等时,温度保持在T1或T2不变
(D)当其产生的热量与散发的热量相等时,温度保持在T1~T2的某一值不变
【答案】
AD
72.
如图所示,直线OAC为某一直流电源的总功率P随总电流I变化的图线,抛物线OBC为同一电源内部消耗的功率Pr随总电流I变化的图线,则当通过电源的电流为1 A时,该电源的输出功率为( )
(A)1 W (B)3 W (C)2 W (D)2.5 W
【答案】
C
73.
如图所示,a、b两端接到电压恒定的电源上,如果c、d两端接一电压表,示数为60 V;如接一电流表,示数为3 A;如果在c、d间接一电阻R3,则三个电阻消耗的功率相等。求R1、R2、R3的阻值及a、b间的电压(电表为理想表)。
【答案】
R1=25 Ω,R2=100 Ω,R3=100 Ω,75 V
74.
如图所示,已知电源的电动势为E,内电阻为r,A、B两个定值电阻的阻值分别为R1和R2,令调节可变电阻C,使其获得不同的电功率,试确定使可变电阻C出现最大电功率时C的电阻值R3,并导出其最大电功率的表达式。
【答案】
当R3=\(\frac{{{R_2}({R_1} - r)}}{{{R_1} + {R_2} + r}}\)时,其电功率最大,最大值P3=\(\frac{{{E^2}{R_2}}}{{4({R_1} + r)({R_1} + {R_2} + r)}}\)
75.质量为m、半径为r的金属球远离其他物体,通过阻值为R的电阻接地,电子束从远处以速度v落到球上,且每秒有n个电子落到球上,试求每秒球所释放的热量。
【答案】
\(\frac{1}{2}\)nmv2(1-\(\frac{{2n{e^2}R}}{{m{v^2}}}\))
76.许多人造卫星都用太阳能电池供电,太阳能电池由许多片电池板组成,某电池板的开路电压是600 mV,短路电流是30 mA,这块电池板的内电阻是( )
(A)60 Ω (B)40 Ω (C)20 Ω (D)10 Ω
【答案】
C
77.电源的电动势为4.5 V,内电阻为0.50 Ω,外电路接一个4.0 Ω的电阻,这时电源两端的电压为( )
(A)5.0 V (B)4.5 V (C)4.0 V (D)3.5 V
【答案】
C
78.电源电动势为E,内阻为r,向可变电阻R供电。关于路端电压,下列说法中正确的是( )
(A)因为电源电动势不变,所以路端电压也不变
(B)因为U=IR,所以当R增大时,路端电压也增大
(C)因为U=IR,所以当I增大时,路端电压也增大
(D)因为U=E-Ir,所以当I增大时,路端电压下降
【答案】
D
79.用电动势E=6 V、内电阻r=4 Ω的直流电源依次分别对下列四个电珠供电,最亮的电珠是( )
(A)“6 V,12 W” (B)“6 V,9 W” (C)“6 V,4 W” (D)“6 V,3 W”
【答案】
B
80.
如图所示电路中,电源的电动势E=16 V,电阻R1=R2=R3=10 Ω,电源内阻r=1 Ω。求下述各种情况中电压表的示数(电压表的内阻非常大,流过电压表的电流可忽略不计)。
(1)电键S接在a点;
(2)电键S断开;
(3)电键S接在b点。
【答案】
(1)0 V
(2)7.6 V
(3)10 V
81.如图(a)所示是一个欧姆表的外部构造示意图,其正、负插孔内分别插有红、黑表笔,则虚线内的电路图应是(b)图中的图( )

【答案】
A
82.
某人用多用电表按正确步骤测量一电阻阻值,指针指示位置如图所示,则该电阻值是____________。如果要用该多用电表测量一个阻值约200 Ω的电阻,为了使测量比较精确,选择开关应选的欧姆挡是_____________。
【答案】
1200 Ω,×10挡
83.用多用表测直流电压U或测电阻R时,若红表笔插入多用表的正(+)插孔,则 ( )
(A)前者(测电压U)电流从红表笔流入多用电表,后者(测电阻)从红表笔流出多用电表
(B)两者电流都从红表笔流入多用表
(C)两者电流都从红表笔流出多用表
(D)前者电流从红表笔流出多用表,后者电流从红表笔流入多用表
【答案】
B
84.
如图所示为万用表欧姆挡的原理示意图,其中电流表的满偏电流为300 μA,内阻rg=100 Ω,凋零电阻最大阻值R=50 kΩ,串联的固定电阻R0=50 Ω,电池的电动势为1.5 V。用它测量电阻R,能准确测量的阻值范围是( )
(A)30~80 kΩ (B)30~8 kΩ
(C)300~800 kΩ (D)30~800 kΩ
【答案】
B
85.
欧姆表电路及刻度盘如图所示,现因表头损坏,换用一个新表头。甲表头满偏电流为原来表头的2倍,内阻与原表头相同;乙表头满偏电流与原表头相同,内阻为原表头的2倍,则换用甲表头和换用乙表头后刻度盘的中值电阻分别为( )
(A)100 Ω,100 Ω (B)200 Ω,100 Ω
(C)50 Ω,100 Ω (D)100 Ω,200 Ω
【答案】
C
86.
如图所示电路中,电池内阻为r,电键S原来是闭合的。当S断开时,电流表的示数变化情况是( )
(A)r=0时示数变大,r≠0时示数变小
(B)r=0时示数变小,r≠0时示数变大
(C)r=0或r≠0时,示数都变大
(D)r=0时示数不变,r≠0时示数变大
【答案】
D
87.
如图所示电路,电源内阻不可忽略,R1=10 Ω,R2=8 Ω。当电键扳到位置1时,电压表示数为2.0 V;当电键扳到位置2时,电压表示数可能是( )
(A)2.2 V (B)1.9 V (C)1.7 V (D)1.4 V
【答案】
BC
88.
甲、乙、丙三个灯泡,按图方式连接到电池组上,如果丙灯泡处发生短路,某同学对电路各部分发生的变化作了如下推测(设各灯灯丝不被烧毁):①丙灯两端电压为零,②电池组的路端电压为零,③甲灯变得更亮,④乙灯变得更亮,其中( )
(A)只有①、③正确(B)只有②、③止确
(C)只有③、④正确(D)只有①、②正确
【答案】
A
89.用伏安法测电池的电动势和内电阻,由于电路存在问题,当电键S闭合后,移动变阻器的滑片P时,出现下列异常现象。
(A)电流表示数可变,电压表示数始终为零
(B)电流表示数为零,电压表示数不变
(C)电流表烧坏
(D)电流表示数不变,电压表示数可变
以上四种情况对应的电路如图中的(A)________,(B)________,(C)________,(D)________。

【答案】
丁,乙,甲,丙
90.
如图所示电路中,电阻R1=8 Ω。当电键S断开时,电压表V1的示数为5.7 V,电流表的示数为0.75 A,电源总功率是9 W;当电键S闭合时,电压表V2的示数为4 V。若电键断开和闭合时电源内部损耗的电功率之比是9∶16,求电源的电动势和电阻R2、R3。
【答案】
E=12 V,R2=8 Ω,R3=3.6 Ω
91.
如图所示,用电动势为8 V、内电阻为2 Ω的电池组连接两根各1 Ω的电阻线。向某用电器(纯电阻)供电,该用电器可获得3 W的电功率,求通过该用电器的电流和它两端的电压。
【答案】
用电器两端的电压U1=2 V,通过的电流为I1=5 A,或两端电压为U2=6 V,通过电流为I2=0.5 A。
92.
如图所示,电源电动势E=10 V,内阻不计,R1=4 Ω,R2=6 Ω,C=30 μF。
(1)闭合电键S,求稳定后通过R1的电流;
(2)然后将电键S断开,求这以后流过R1的总电量。
【答案】
(1)1 A
(2)1.2×104
93.
如图所示,A、B两端的电压U一定,电阻R先接在A、B两端,消耗功率为9 W。再将电阻R接在较远的C、D两端,消耗功率为4 W。在后一种情况下,输电导线AC、BD共消耗功率为( )
(A)2 W (B)3 W (C)4 W (D)5 W
【答案】
A
94.
如图所示的电路中,电源的电动势恒定。要想使灯泡变暗,可以( )
(A)增大R1 (B)减小R1
(C)增大R2 (D)减小R2
【答案】
AD
95.
如图所示,电池组的电动势为E,内电阻为r,R0为定值电阻,R为变阻器,已知R0>r。为使R0上消耗的电功率最大,应将变阻器阻值调整到( )
(A)R0 (B)R0+r (C)R0-r (D)0
【答案】
D
96.
如图所示,电源的电动势和内阻分别为E、r,在滑动变阻器的滑片P由a向b移动的过程中,电流表、电压表的示数变化情况为( )
(A)电流表先减小后增大,电压表先增大后减小
(B)电流表先增大后减小,电压表先减小后增大
(C)电流表一直减小,电压表一直增大
(D)电流表一直增大,电压表一直减小
【答案】
A
97.
如图所示的电路中,电源内阻不能忽略,电流表、电压表都可视为理想电表。在滑动变阻器R的滑片P从a端移到b端的过程中( )
(A)V表的示数先增大后减小,A表的示数增大
(B)V表的示数先增大后减小,A表的示数减小
(C)V表的示数先减小后增大,A表的示数增大
(D)V表的示数先减小后增大,A表的示数减小
【答案】
B
97.
如图所示,三只电压表完全相同,它们的接线柱正、负如图中所示。已知V1表的示数为2 V,V3表的示数为1 V,则V2表的示数为( )
(A)0 (B)1 V (C)2 V (D)3 V
【答案】
D
99.一个多用电表内的电池已使用很久了,但是转动调零旋钮时,仍可使表针调至零欧姆刻度处。用这只多用表测出的电阻值Rʹ,与被测电阻的真实值R相比( )
(A)Rʹ=R (B)Rʹ>R (C)Rʹ<R (D)无法确定
【答案】
B
100.
如图所示电路中,E1=6 V,E2=2 V,电源内阻均不计,R1=500 Ω,灵敏电流计示数恰为零,则R2的阻值为( )
(A)50 Ω (B)250 Ω (C)500 Ω (D)1000 Ω
【答案】
B
101.
如图所示的电路中,电键S1、S2、S3、S4均闭合,C是极板水平放置的平行板电容器,极板间悬浮着一油滴P,欲使P向下运动,应断开电键( )
(A)S1 (B)S2
(C)S3 (D)S4
【答案】
C
102.
如图所示,八个完全相同的电池依次首尾相接后,用一电压表测量图中a、b两点的电压,已知每个电池的电动势为E,内阻为r,电压表对电路的影响不计,则电压表的示数为________V。
【答案】
0
103.
如图所示,C1=6 μF,C2=3 μF,R1=6 Ω,R2=3 Ω,电源电动势E=18 V,内电阻r=0。当电键S断开时,a、b两点电势差是________V,电键S闭合后,C1上的电量减少了________C。
【答案】
18,3.6×105
104.
如图所示的电路中,电阻R1=12 Ω,R2=R3=R4=6.0 Ω。当电键S断开时,电压表的示数为12 V,全电路消耗的电功率为13 W。问电键S闭合后,电压表及电流表的示数各是多大(电流表的内阻忽略不计,电压表的内阻非常大)?
【答案】
电压表的示数为10.5 V;电流表的示数为2.1 A
105.
如图所示,电阻R1=8 Ω,电动机绕组电阻R0=2 Ω,当电键S断开时,电阻R1消耗的电功率是2.88 W;当电键S闭合时,电阻R1消耗的电功率是2 W,若电源的电动势为6 V。求电键闭合时电动机输出的机械功率。
【答案】
1.5 W
106.
元件A、B、C的伏安曲线如图所示,三个元件在相同的电压作用下,相同时间内发出的热量QA、QB、QC之间的关系是( )
(A)QA=QB=QC
(B)QA>QB>QC
(C)QA<QB<QC
(D)因A、C是非线性元件,故无法判断
【答案】
B
107.实验室中有电流表、电压表、电阻箱、滑线变阻器等仪器,下列各种仪器的组合(加上导线、电键),恰好可以用来测定一节干电池的电动势、内电阻的是( )
(A)电流表、电压表、滑线变阻器
(B)电流表、电压表、滑线变阻器、电阻箱
(C)电流表、电阻箱
(D)电压表、电阻箱
【答案】
ACD
108.
如图所示,抛物线C1、C2分别是纯电阻直流电路中,内、外电路消耗的电功率随电流变化的图线。由该图可知下列说法中错误的是( )
(A)电源的电动势为4 V
(B)电源的内电阻为1 Ω
(C)电源输出功率最大值为8 W
(D)电源被短路时,电源消耗的最大功率可达16 W
【答案】
C
109.
如图电路,a、b、c分别表示电流表或电压表,电表都是理想的,则下列各组电表示数中可能的是( )
(A)a=1 A,b=2 V,c=0.5 A
(B)a=2 V,b=0.5 A,c=1 A
(C)a=0.5 A,b=1 A,c=2 V
(D)a=2 V,b=1 A,c=0.5 A
【答案】
D
110.
如图所示,直线a为电源的U-I图线,直线b为电阻R的U-I图线,用该电源和该电阻组成闭合电路时,电源的输出功率和电源的效率分别为( )
(A)4 W、33.3% (B)2 W、33.3%
(C)4 W、67% (D)2 W、67%
【答案】
C
111.
如图所示,两个完全相同的均匀圆形合金片上各开了一个等大的小孔。现按(a)、(b)两种连接方式接在电路上。若两个电池的规格相同,内阻不计,在相等的时间内,合金片发热较多的接法是( )
(A)(a)接法 (B)(b)接法
(C)两种接法一样 (D)无法确定
【答案】
A
112.请你准确地测量多用电表中(用符号A表示)10 mA电流挡的内电阻RA(约20 Ω)。给你以下器材:电流表A1(量程200 μA,内电阻RA1=500 Ω);滑动变阻器R(标有“20 Ω,0.2 W”字样)定值电阻四个(R1=20 Ω,R2=40 Ω,R3=150 Ω,R4=300Ω)电源(E=3 V,内电阻忽略不计)
(1)请画出测量RA的电路原理图,设计电路时要尽量利用整个滑动变阻器实行调节,说明设计电路和选用器材的理由。
(2)分析说明应测量的物理量和计算RA的公式。
【答案】
请你准确地测量多用电表中(用符号A表示)10 mA电流挡的内电阻RA(约20 Ω)。给你以下器材:电流表A1(量程200 μA,内电阻RA1=500 Ω);滑动变阻器R(标有“20 Ω,0.2 W”字样)定值电阻四个(R1=20 Ω,R2=40 Ω,R3=150 Ω,R4=300Ω)电源(E=3 V,内电阻忽略不计)
(1)请画出测量RA的电路原理图,设计电路时要尽量利用整个滑动变阻器实行调节,说明设计电路和选用器材的理由。
(2)分析说明应测量的物理量和计算RA的公式。
113.
如图所示是对蓄电池组进行充电的电路。A、B两端接在充电机的输出端上,蓄电池组的内阻r=2 Ω,指示灯L的规格为“6 V,3 W”。当可变电阻R调到20 Ω时,指示灯恰能正常发光,电压表示数为52 V(设电压表内阻极大),试求:
(1)蓄电池组的总电动势;
(2)充电机的输出功率;
(3)对蓄电池组的输入功率;
(4)充电机的充电效率。
【答案】
(1)45 V
(2)31 W
(3)23 W
(4)72.6%
114.
如图所示电路中,ε1=6 V,ε2=4.5 V,R1=9 Ω,R2=19 Ω,R3=50 Ω,r1=r2=1 Ω.求分别通过两电源的电流及通过R3的电流。
【答案】
I1=0.115 A,I2=0.0176 A,I3=0.0971 A
115.
如图所示,用均匀电阻线做成的正方形回路由九个相同的小正方形组成,小正方形每边的电阻均为r=8 Ω。
(1)在A、B两点间接入电池,其电动势ε=5.7 V,内阻可忽略,求通过电池的电流;
(2)若用导线连接C、D两点,求通过此导线的电流(略去导线的电阻)。
【答案】
(1)1 A
(2)0.267 A
116.
如图所示为用电位差计测电池内阻的电路图。实际的电位差计在标准电阻RAB上直接刻度的不是阻值,也不是长度,而是各长度所对应的电位差值。RM=100 Ω,实验开始时S2断开,S1拨到1处,调节RN使通过RAB的电流准确地达到标准值。然后将S1拨到2处,调节C,当灵敏电流计指针指零时,读得UAC=1.5025 V;再闭合S2,滑动C,当电流计指针指零时,读得UAC=1.4455 V。试根据这些数据计算电池εs的内阻r。
【答案】
1.5025 V,3.9 Ω
2006 - 2026,推荐分辨率 1024*768 以上,推荐浏览器 Chrome、Edge 等现代浏览器,截止 2021 年 12 月 5 日的访问次数:1872 万 9823。 站长邮箱
