1.下述各力中,根据力的性质命名的有( )
(A)重力 (B)拉力 (C)动力 (D)支持力
【答案】
A
2.关于弹力,下列说法中正确的是( )
(A)物体只要相互接触就有弹力作用
(B)弹力产生在直接接触而又发生弹性形变的两物体之间
(C)压力或支持力的方向总是垂直于支持面并指向被压或被支持的物体
(D)弹力的大小与物体受到的重力成正比
【答案】
BC
3.
如图所示,物体A在光滑的斜面上沿斜面下滑,则A受到的作用力是( )
(A)重力、弹力和下滑力 (B)重力和弹力
(C)重力和下滑力 (D)重力、压力和下滑力
【答案】
B
4.有一质量均匀分布的圆形薄板,若将其中央挖掉一个小圆,则薄板的余下部分( )
(A)重力减小,重心随挖下的小圆板移走了
(B)重力和重心都没改变
(C)重力减小,重心位置没有改变
(D)重力减小,重心不存在了
【答案】
C
5.
如图所示,挑水时,水桶上绳子分别为a、b、c三种状况,则绳子在_________种情况下容易断。
【答案】
C
6.
如图所示,木块放在粗糙的水平桌面上,外力F1、F2沿水平方向作用在木块上,木块处于静止状态,其中F1=10N,F2=2N。若撤去力F1,则木块受到的摩擦力是( )
(A)8N,方向向右 (B)8N,方向向左
(C)2N,方向向右 (D)2N,方向向左
【答案】
C
7.
如图所示,质量均匀分布的长方体,高为a,宽为b,放在倾角可以调节的长木板上,长方体与长木板间的动摩擦因数为μ,使倾角θ从零逐渐增大,当μ_______时,长方体先发生滑动;而当μ________时,则长方体先发生倾倒。
【答案】
<b/a,>b/a(提示:长方体滑动的条件是重力沿斜面的分力大于最大静摩擦力,而倾倒的条件是重心移到支撑面外)
8.
如图所示,在做“验证力的平行四边形定则”实验时,用M、N两个测力计通过细线拉橡皮条的结点,使其到达O点,此时α+β=90°,然后保持M的示数不变,而使α角减小,为保持结点位置不变,可采用的办法是( )
(A)减小N的示数同时减小β角
(B)减小N的示数同时增大β角
(C)增大N的示数同时增大β角
(D)增大N的示数同时减小β角
【答案】
A
【解析】
无
9.
如图所示,重 G 的风筝用绳子固定于地面 P 点,风的压力垂直作用于风筝表面 AB,并支持着风筝使它平衡。若测得绳子拉力为 T,绳与地面夹角为 α,不计绳所受重力,求风筝与水平面所夹的角 φ 的正切值 tanφ 及风对风筝的压力。
【答案】
tanφ = \(\frac{{T\cos \alpha }}{{G + T\sin \alpha }}\),N = \(\sqrt {{T^2} + {G^2} + 2TG\sin \alpha } \)
【解析】
风筝的受力如图所示,把绳子拉力T和风的压力N沿水平方向和竖直方向进行正交分解,由平衡条件可得 Tsinα+G=Ncosφ,Tcosα=Nsinφ,可得 tanφ=\(\frac{{T\cos \alpha }}{{G + T\sin \alpha }}\),N=\(\sqrt {{T^2} + {G^2} + 2TG\sin \alpha } \)

10.力的作用效果是使物体的_______发生改变,或者使物体的_______发生改变。
【答案】
运动状态,形状
11.一个运动员用力F把一个质量为m的铅球向斜上方推出,若不计空气阻力,试画出铅球离开运动员之后斜向上运动时的受力分析图。
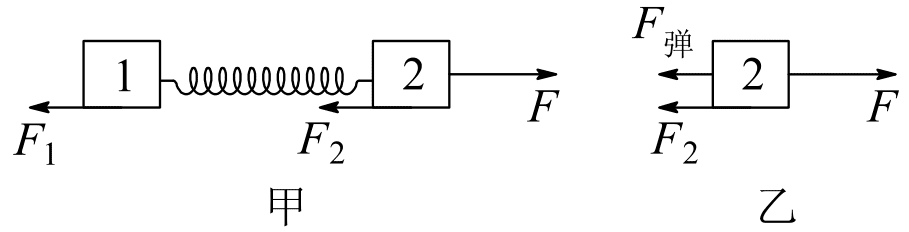
【答案】
略
12.作出下列力的图示,并说明该力的施力物体和受力物体。
(1)物体受250 N的重力;
(2)用400 N的力竖直向上提物体;
(3)水平向左踢足球,用力大小为1000 N。
【答案】
略
13.下列关于重力的说法中正确的是( )
(A)只有静止在地面上的物体才会受到重力
(B)重力是由于地球的吸引而产生的,它的方向竖直向下
(C)质量大的物体受到的重力一定比质量小的物体受到的重力大
(D)物体对支持面的压力必定等于物体的重力
【答案】
B
14.下列说法中正确的是( )
(A)甲用力把乙推倒,说明只是甲对乙有力的作用,乙对甲没有力的作用
(B)只有有生命或有动力的物体才会施力,无生命或无动力的物体只会受到力,不会施力
(C)任何一个物体,一定既是受力物体,也是施力物体
(D)在力的图示法中,线段长短与对应力的大小成正比
【答案】
CD
15.
在水平力F作用下,重为G的物体匀速沿墙壁下滑,如图所示。若物体与墙壁之间的动摩擦因数为μ,则物体所受的摩擦力的大小为( )
(A)μF (B)μF+G (C)G (D)\(\sqrt {{F^2} + {G^2}} \)
【答案】
AC
16.一架梯子斜靠在光滑竖直的墙上,下端放在水平的粗糙地面上,梯子受到( )
(A)两个竖直的力,一个水平的力 (B)一个竖直的力,两个水平的力
(C)三个竖直的力,两个水平的力 (D)两个竖直的力,两个水平的力
【答案】
D
17.
如图所示,细绳竖直拉紧,小球和光滑斜面接触,则小球受到的力是( )
(A)重力、绳的拉力 (B)重力、绳的拉力、斜面的弹力
(C)重力、斜面的弹力 (D)绳的拉力、斜面的弹力
【答案】
A
18.一根绳子受200 N的拉力就会被拉断。如果两人沿反方向同时拉绳,每人用力为_______N时,绳子就会被拉断;如果将绳的一端固定,一个人用力拉绳的另一端,则该人用力为______N时,绳子就会被拉断。
【答案】
200,200
19.
如图所示,小车A上放一木块B,在下列情况下,A、B均相对静止,试分析A对B的摩擦力。
(1)小车A在水平面上匀速运动;
(2)小车A突然启动。
【答案】
(1)没有摩擦力的作用
(2)A对B有向右摩擦力作用。
【解析】
无
20.如图所示,C 是水平地面,A、B 是两个长方形物块,F 是作用在物块 B 上沿水平方向的力,物体 A 和 B 以相同的速度作匀速直线运动。由此可知,A、B 间的滑动摩擦系数 μ1 和 B、C 间的滑动摩擦系数 μ2 有可能是( )
(A)μ1 = 0,μ2 = 0 (B)μ1 = 0,μ2 ≠ 0
(C)μ1 ≠ 0,μ2 = 0 (D)μ1 ≠ 0,μ2 ≠ 0
【答案】
BD
21.如图所示,在水平桌面上放一木块,用从零开始逐渐增大的水平拉力F拉着木块沿桌面运动,则木块所受到的摩擦力f随拉力F变化的图像正确的是下图中的( )

【答案】
D
22.
如图所示,有一等边三角形ABC,在B、C两点各放一个质量为m的小球,在A处放一个质量为2m的小球,则这个球组的重心在何处?
【答案】
在BC边中线的中点处
23.
如图所示,在水平桌面上放一块重为GA=20N的木块A,木块与桌面间的动摩擦因数μA=0.4,使这块木块沿桌面作匀速运动时的水平拉力F为多大?如果再在木块A上加一块重为GB=10 N的木块B,B与A之间的动摩擦因数μB=0.2,那么当A、B两木块一起沿桌面匀速滑动时,对木块A的水平拉力应为多大?此时木块B受到木块A的摩擦力多大?
【答案】
8 N,12 N,0
24.
如图所示,质量均为m的三块木块A、B、C,其中除A的左侧面光滑外,其余各侧面均粗糙,当受到水平外力F时,三木块均处于静止状态。画出各木块的受力图。
【答案】
略
25.
如图所示,运输货车的制造标准是:当汽车侧立在倾角为30°的斜坡上时仍不致于翻倒,也就是说,货车受到的重力的作用线仍落在货车的支持面(以车轮为顶点构成的平面范围)以内。如果车轮间的距离为2.0 m,车身的重心离支持面不超过多少?设车的重心在如图所示的中轴线上。
【答案】
1.73 m
26.两个共点力F1=10 N、F2=4 N的合力F的取值范围为______N≤F≤_______N。
【答案】
6,14
27.把一个大小为5 N的力分解为两个互相垂直的力,其中一个分力的大小为4 N,求另一个分力的大小。
【答案】
3 N
28.三个大小分别为6 N、10 N、14 N的力的合力最大为多少牛,最小为多少牛?
【答案】
30 N,0
29.
如图所示的装置处于静止状态。已知A、B两点在同一水平面上,轻绳OA、OB与水平方向的夹角均为θ,物体所受重力为G,求轻绳OA和OB所受的拉力。
【答案】
均为\(\frac{{G}}{{2\sin \theta }}\)
30.
如图所示,在电线杆的两侧常用钢丝绳把它固定在地上。如果钢丝绳与地面的夹角∠A=∠B=60°,每条钢丝绳的拉力都是300 N,求两根钢丝绳作用在电线杆上的合力。
【答案】
300\(\sqrt 3 \)N
31.
如图所示,一个半径为r、重为G的圆球,被长为r的细绳挂在竖直的光滑的墙壁上,绳与墙所成的角度为30°,则绳子的拉力T和墙壁的弹力N分别是( )
(A)T=G,N=G/2 (B)T=2G,N=G
(C)T=\(\sqrt 3 \)G,N=\(\frac{{\sqrt 3 }}{2}\)G (D)T=\(\frac{{2\sqrt 3 }}{3}\)G,N=\(\frac{{\sqrt 3 }}{3}\)G
【答案】
D
32.
某压榨机的结构如图所示,其中B为固定绞链,C为质量可忽略不计的滑块,通过滑轮可沿光滑壁移动,D为被压榨的物体。当在铰链A处作用一垂直于壁的压力F时,物体D所受的压力等于_______。
【答案】
5F
33.同一平面上有三个共点力,F1=30N,F2=10N,F3=20N,F1与F2成120°角,F1与F3成75°角,F3与F2成165°角,求这三个力合力的大小。
【答案】
31.9 N
34.某物体在三个共点力的作用下处于静止状态。若把其中一个力F1的方向沿顺时针方向转过90°,而保持其大小不变,其余两个力保持不变,则此时物体所受的合力大小为( )
(A)F1 (B)\(\sqrt 2 \)F1 (C)2F1 (D)0
【答案】
B
35.
作用在同一质点上的两个力的合力F随两个分力夹角大小的变化情况如图所示,则两力的大小分别是______N和_____N。
【答案】
30,40
36.
从正六边形ABCDEF的一个顶点A向其余五个顶点作用五个力F1、F2、F3、F4、F5(图),已知F1=F,且各个力的大小跟对应的边长成正比,这五个力的合力大小为______,方向____。
【答案】
6F,沿AD方向
【解析】
无
37.
质量为m的光滑球被竖直挡板挡住,静止在倾角为θ的斜面上,如图所示,求小球压紧挡板的力的大小。
【答案】
mgtanθ
38.
如图所示,在倾角为θ的斜面上,有一木块m,该木块恰好能够沿斜面匀速下滑,求木块与斜面间的动摩擦因数。
【答案】
tanθ
39.一根细线能竖直悬挂一个很重的铁球,如把细线呈水平状态绷紧后,在中点挂一个不太重的砝码(设重为G),常可使细线断裂,解释其原因并计算说明。
【答案】
略
40.
如图所示,用绳AC和BC吊起一个物体,绳AC与竖直方向的夹角为60°,能承受的最大拉力为100 N绳BC与竖直方向的夹角为30°,能承受的最大拉力为150 N。欲使两绳都不断,物体的重力不应超过多少?
【答案】
173 N
41.下列物体中处于平衡状态的是( )
(A)静止在粗糙斜面上的物体
(B)沿光滑斜面下滑的物体
(C)在平直路面上匀速行驶的汽车
(D)作自由落体运动的物体在刚开始下落的一瞬间
【答案】
AC
42.共点力作用下物体的平衡条件是______。
【答案】
物体所受外力的合力为零
43.马拉车,车匀速前进时,下列说法中正确的有( )。
(A)马拉车的力与车拉马的力是一对平衡力
(B)马拉车的力与车拉马的力是一对作用力与反作用力
(C)马拉车的力与地面对车的阻力是一对平衡力
(D)马拉车的力与地面对车的阻力是一对作用力与反作用力
【答案】
BC
44.当物体受到三个力的作用处于平衡状态时,任意两个力的合力与第三个力的关系是______。
【答案】
大小相等,方向相反
45.运动员用双手握住竖直的滑杆匀速上攀和匀速下滑时,运动员所受到的摩擦力分别是f1和f2,那么( )。
(A)f1向下,f2向上,且f1=f2 (B)f1向下,f2向上,且f1>f2
(C)f1向上,f2向上,且f1=f2 (D)f1向上,f2向下,且f1=f2
【答案】
C
46.质量为50 g的磁铁块紧吸在竖直放置的铁板上,它们之间的动摩擦因数为0.3。要使磁铁匀速下滑,需向下加1.5 N的拉力。那么,如果要使磁铁块匀速向上滑动,应向上施加的拉力大小为( )
(A)1.5 N (B)2 N (C)2.5 N (D)3 N
【答案】
C
47.
如图所示,重力大小都是G的A、B条形磁铁,叠放在水平木板C上,静止时B对A的弹力为F1,C对B的弹力为F2,则( )
(A)F1=G,F2=2G (B)F1>G,F2>2G
(C)F1>G,F2<2G (D)F1>G,F2=2G
【答案】
D
48.两根长度相等的轻绳,下端悬挂一质量为 m 的物体,上端分别固定在水平天花板上的 M、N 点,M、N 两点间的距离为 s,如图所示。已知两绳所能经受的最大拉力均为 T,则每根绳的长度不得短于__________。
【答案】
\(\frac{{Ts}}{{\sqrt {4{T^2} - {m^2}{g^2}} }}\)
【解析】
根据力的合成和分解的平行四边形法则,受力分析如图所示。
有 cosα = \(\frac{{\frac{{mg}}{2}}}{T}\),sinα = \(\frac{{\frac{s}{2}}}{L}\),L 为绳长,即 OM,
联立解得 L = \(\frac{{Ts}}{{\sqrt {4{T^2} - {m^2}{g^2}} }}\)
49.
在水平路面上用绳子拉一只重100 N的箱子,绳子和路面的夹角为37°,如图所示。当绳子的拉力为50 N,恰好使箱子匀速移动,求箱子和地面间的动摩擦因数。
【答案】
\(\frac{4}{7}\)
50.
如图所示,A、B两均匀直杆上端分别用细线悬挂于天花板上,下端搁在水平地面上,处于静止状态,悬挂A杆的绳倾斜,悬挂B杆的绳恰好竖直,则关于两杆的受力情况,下列说法中正确的有( )。
(A)A、B都受三个力作用
(B)A、B都受四个力作用
(C)A受三个力,B受四个力
(D)A受四个力,B受三个力
【答案】
D
51.
如图所示,质量为M的大圆环,用轻绳悬挂于天花板上,两个质量均为m的小环同时从等高处由静止滑下,当两小圆环滑至与圆心等高时所受到的摩擦力均为f,则此时大环对绳的拉力大小是( )
(A)Mg (B)(M+2m)g
(C)Mg+2f (D)(M+2m)g+2f
【答案】
C
52.
如图所示,A、B两物体用细绳相连跨过光滑轻小滑轮悬挂起来,B物体放在水平地面上,A、B两物体均静止。现将B物体稍向左移一点,A、B两物体仍静止,则此时与原来相比 ( )。
(A)绳子拉力变大
(B)地面对物体B的支持力变大
(C)地面对物体B的摩擦力变大
(D)物体B受到的合力变大
【答案】
BC
53.
如图所示,斜面的倾角θ=37°,斜面上的物体A重10N。物体A和斜面间的动摩擦因数为μ=0.2,为使物体A在斜面上作匀速运动,定滑轮所吊的物体B的重力大小应为多大?
【答案】
4.4 N或7.6 N
54.
用轻质细线把两个质量未知的小球悬挂起来,如图(a)所示。现对小球a施加一个向左偏下30°的恒力,并对小球b施加一个向右偏上30°的同样大小的恒力,最后达到平衡,表示平衡状态的图可能是下图(b)中的( )。

【答案】
A
55.
如图所示,A、B两长方体木块放在水平面上,它们的高度相等,长木板C放在它们上面。用水平力F拉木块A,使A、B、C一起沿水平面向右匀速运动,则( )。
(A)A对C的摩擦力向右
(B)C对A的摩擦力向右
(C)B对C的摩擦力向右
(D)C对B的摩擦力向右
【答案】
AD
56.
如图所示,质量m=5 kg的物体,置于倾角θ=30°的粗糙斜面块上,用一平行于斜面的大小为30 N的力推物体,使其沿斜面向上匀速运动。求地面对斜面块M的静摩擦力。
【答案】
15\(\sqrt 3 \) N
57.
如图所示,物体A、B叠放在倾角α=37°的斜面上,并通过细线跨过光滑滑轮相连,细线与斜面平行。两物体的质量分别为mA=5 kg,mB=10 kg,A、B间动摩擦因数为μ1=0.1,B与斜面间的动摩擦因数为μ2=0.2。现对A施一平行于斜面向下的拉力F,使A平行于斜面向下匀速运动,求:
(1)B与斜面间的摩擦力大小;
(2)F的大小。
【答案】
(1)24 N
(2)62 N
58.
如图所示,在一粗糙水平面上有两个质量分别为 m1 和 m2 的木块 1 和 2,中间用一原长为 l、劲度系数为 k 的轻弹簧连接起来,木块与地面间的滑动摩擦因数为 μ。现用一水平力向右拉木块 2,当两木块一起匀速运动时两木块之间的距离是( )
(A)l + \(\frac{\mu }{k}\)m1g (B)l + \(\frac{\mu }{k}\)(m1 + m2)g
(C)l + \(\frac{\mu }{k}\)m2g (D)l + \(\frac{\mu }{k}\)·\(\frac{{{m_1}{m_2}}}{{{m_1} + {m_2}}}\)g
【答案】
A
【解析】
以连接体整体为研究对象,进行受力分析,其受力如图甲所示,对整体,由三力平衡得 F – F1 – F2 = 0,其中,F1 = μm1g,F2 = μm2g;以木块 2 为研究对象,其受力如图乙所示,由三力平衡得 F – F2 − F弹 = 0,其中,F弹 为弹簧的弹力,联立解得 F弹 =μm1g;设弹簧的伸长量为 x,由胡克定律得 F弹 = kx,即 x = \(\frac{\mu }{k}\)m1g,所以当两木块一起匀速运动时两木块之间的距离为 l + x = l + \(\frac{\mu }{k}\)m1g,故 A 正确。
59.S1 和 S2 分别表示劲度系数为 k1 和 k2 的两根弹簧,k1 > k2。a 和 b 表示质量分别为 ma 和 mb 的两个小物体,ma > mb,将弹簧与物块按右图所示方式悬挂起来,现要求两根弹簧的总长度最大,则应使( )。
(A)S1 在上,a 在上 (B)S1 在上,b 在上
(C)S2 在上,a 在上 (D)S2 在上,b 在上
【答案】
D
60.
如图所示,光滑的半球形物体固定在水平地面上,球心正上方有一光滑的小滑轮,轻绳的一端系一小球。靠放在半球上的A点,另一端绕过定滑轮后用力拉住,使小球静止。现缓慢地拉绳,在使小球使球面由A到半球的顶点B的过程中,半球对小球的支持力N和绳对小球的拉力T的大小变化情况是( )
(A)N变大,T变小 (B)N变小,T变大
(C)N变小,T先变小后变大 (D)N不变,T变小
【答案】
D
61.
质量为0.8 kg的物块静止在倾角为30°的斜面上,若用平行于斜面沿水平方向大小等于3 N的力推物块,物块仍保持静止,如图所示,则物块所受到的摩擦力大小等于( )。
(A)5 N (B)4 N (C)3 N (D)3\(\sqrt 3 \) N
【答案】
A
62.
如图所示,水平放置的两固定光滑硬杆OA、OB成θ角,在两杆上各套一轻环P、Q,两环用细绳相连。现用一大小为F的恒力沿OB方向拉圆环Q,当两环处于平衡状态时,绳子的拉力大小为______。
【答案】
\(\frac{F}{{\sin \theta }}\)
63.
如图所示,相距4 m的两根柱子上拴着一根5 m长的细绳,细绳上有一光滑的小滑轮,吊着180 N的重物,静止时AO、BO绳所受的拉力各是多大?
【答案】
150 N,150 N
64.
如图所示,A、B两小球固定在水平放置的细杆上,相距为l,两小球各用一根长也是l的细绳连接小球C,三个小球的质量都是m。求杆对小球A的作用力的大小和方向。
【答案】
大小为\(\sqrt {\frac{7}{3}} \)mg,方向竖直向上偏左α角,其中α=arctan\(\frac{{\sqrt 3 }}{9}\)
65.
如图所示,两个重都为G、半径都为r的光滑均匀小圆柱,靠放在半径为R(R>2r)的弧形凹面内,处于静止状态。试求凹面对小圆柱的弹力及小圆柱相互间的弹力大小。
【答案】
\(\frac{{(R - r)G}}{{\sqrt {(R - 2r)R} }}\),\(\frac{{rG}}{{\sqrt {(R - 2r)R} }}\)
66.
如图所示,跨过两个定滑轮的轻绳上系着三个质量分别为m1、m2和M的重物,两滑轮的悬挂点在同一高度,不计摩擦。求当整个系统处于平衡状态时,三个重物质量之间的关系。
【答案】
M<m1+m2且M2>|m12-m22|
67.
如图所示,质量为m的物体放在水平地面上,物体与地面间的动摩擦因数为\(\frac{{\sqrt 3 }}{3}\),想用大小为F的力推动物体沿水平地面滑动,推力方向与水平面的夹角在什么范围内都是可能的?
【答案】
θ≤\(\frac{\pi }{3}\)-arcsin\(\frac{{mg}}{{2F}}\)
68.
压延机由两轮构成,两轮直径各为d=50cm,轮间的间隙为a=0.5cm。两轮按反方向转动,如图上箭头所示。已知烧红的铁板与铸铁轮之间的动摩擦因数μ=0.1,问能压延的铁板厚度b是多少?
【答案】
0.75 cm
69.
如图所示,轻杆 BC 的 C 端铰接于墙,B 点用绳子拉紧,在 BC 中点 O 挂重物 G。当以 C 为转轴时,绳子拉力的力臂是( )。
(A)OB (B)BC (C)AC (D)CE
【答案】
D
70.关于力矩,下列说法中正确的是( )。
(A)力对物体的转动作用决定于力矩的大小和方向
(B)力矩等于零时,力对物体不产生转动作用
(C)力矩等于零时,力对物体也可以产生转动作用
(D)力矩的单位是“牛·米”,也可以写成“焦”
【答案】
AB
71.有固定转动轴物体的平衡条件是______。
【答案】
力矩的代数和为零
72.火车车轮的边缘和制动片之间的摩擦力是5000 N。如果车轮的半径是0.45 m,求摩擦力的力矩。
【答案】
2.25×103 N·m
73.
如图所示是一根弯成直角的杆,它可绕O点转动。杆的OA段长30 cm,AB段长40 cm。现用F=10 N的力作用在杆上,要使力F对轴O逆时针方向的力矩最大,F应怎样作用在杆上?画出示意图,并求出力F的最大力矩。
【答案】
图略,5 N·m
74.
如图所示是单臂斜拉桥的示意图,质量均匀桥板 aO 重为 G,三根平行钢索均与桥面成 30° 角,间距 ab = bc = cd = dO,若每根钢索受力相同,左侧桥墩对桥板无作用力,则每根钢索受力大小为( )
(A)G (B)\(\frac{{\sqrt 3 }}{6}\)G (C)\(\frac{1}{3}\)G (D)\(\frac{2}{3}\)G
【答案】
D
75.
如图所示,直杆OA可绕O轴转动,图中虚线与杆平行。杆的A端分别受到F1、F2、F3、F4四个力的作用,它们与OA杆在同一竖直平面内,则它们对O点的力矩M1、M2、M3、M4的大小关系是( )
(A)M1=M2>M3=M4
(B)M2>M1>M3>M4
(C)M1>M2=M3>M4
(D)M1<M2<M3<M4
【答案】
B
77.
如图所示的杆秤,O为提纽,A为刻度的起点,B为秤钩,P为秤砣。关于杆秤的性能,下列说法中正确的是( )。
(A)不称物时,秤砣移至A处,杆秤平衡
(B)不称物时,秤砣移至B处,杆秤平衡
(C)称物时,OP的距离与被测物的质量成正比
(D)称物时,AP的距离与被测物的质量成正比
【答案】
AD
77.
如图所示,A、B是两个完全相同的长方形木块,长为l,叠放在一起,放在水平桌面上,端面与桌边平行。A木块放在B上,右端有\(\frac{l}{4}\)伸出,为保证两木块不翻倒,木块B伸出桌边的长度不能超过( )
(A)\(\frac{l}{2}\) (B)\(\frac{3l}{8}\) (C)\(\frac{l}{4}\) (D)\(\frac{l}{8}\)
【答案】
B
78.
如图所示,ABC为质量均匀的等边直角曲尺,质量为2M,C端由铰链与墙相连,摩擦不计。当BC处于水平静止状态时,施加在A端的最小作用力的大小为______,方向是______。
【答案】
\(\frac{{3\sqrt 2 }}{4}\)Mg,垂直于CA的连线斜向上
79.
如图所示,将粗细均匀、直径相同的均匀棒A和B粘合在一起,并在粘合处用绳悬挂起来,恰好处于水平位置而平衡,如果A的密度是B的2倍,那么A的重力大小是B的______倍。
【答案】
\(\sqrt 2 \)
80.
如图所示,一个质量为m、半径为R的球,用长为R的绳悬挂在L形的直角支架上,支架的重力不计,AB长为2R,BC长为2\(\sqrt 3 \)R,为使支架不会在水平桌面上绕B点翻倒,应在A端至少加多大的力?
【答案】
\(\frac{{mg}}{2}\)
81.
如图所示,重为600 N的均匀木板搁在相距为2.0 m的两堵竖直墙之间,一个重为800 N的人站在离左墙0.5 m处,求左、右两堵墙对木板的支持力大小。
【答案】
900 N,500 N
82.
棒AB的一端A固定于地面,可绕A点无摩擦地转动,B端靠在物C上,物C靠在光滑的竖直墙上,如图所示。若在C物上再放上一个小物体,整个装置仍保持平衡,则B端与C物之间的弹力大小将( )。
(A)变大 (B)变小 (C)不变 (D)无法确定
【答案】
A
83.
如图所示,质量为m的运动员站在质量为m的均匀长板AB的中点,板位于水平地面上,可绕通过A点的水平轴无摩擦转动。板的B端系有轻绳,轻绳的另一端绕过两个定滑轮后,握在运动员的手中。当运动员用力拉绳子时,滑轮两侧的绳子都保持在竖直方向,则要使板的B端离开地面,运动员作用于绳的最小拉力是________。
【答案】
\(\frac{2}{3}\)mg
84.
如图所示,半径是0.1 m、重为10\(\sqrt 3 \)N的均匀小球,放在光滑的竖直墙和长为1 m的光滑木板(不计重力)OA之间,小板可绕轴O转动,木板和竖直墙的夹角θ=60°,求墙对球的弹力和水平绳对木板的拉力。
【答案】
10 N,6.92 N
85.
如图所示,均匀杆AB每米重为30 N,将A端支起,在离A端0.2 m的C处挂一重300 N的物体,在B端施一竖直向上的拉力F,使杆保持水平方向平衡,问杆长为多少时,所需的拉力F最小?最小值为多大?
【答案】
2 m,60 N
87.
两个所受重力大小分别为GA和GB的小球A和B,用细杆连接起来,放置在光滑的半球形碗内。小球A、B与碗的球心O在同一竖直平面内,如图所示。若碗的半径为R,细杆的长度为\(\sqrt 2 \)R,GA>GB,则连接两小球的AB细杆静止时与竖直方向的夹角为多大?
【答案】
arctan\(\frac{{{G_{\rm{B}}}}}{{{G_{\rm{A}}}}}\)+\(\frac{\pi }{4}\)
87.
如图所示,一根重为G的均匀硬杆AB,杆的A端被细绳吊起,在杆的另一端B作用一水平力F,把杆拉向右边,整个系统平衡后,细线、杆与竖直方向的夹角分别为α、β。求证:tanβ=2tanα。
【答案】
略
88.
如图所示,在竖直墙上有两根相距为2a的水平木桩A和B,有一细棒置于A上、B下与水平方向成θ角,细棒与木桩之间的静摩擦因数为μ,求要使细棒静止,其重心与木桩A之间距离应满足的条件。
【答案】
当tanθ<μ时,重心到木桩之间距离x≥0;
tanθ≥μ时,重心到木桩之间距离x≥\(\frac{a}{\mu }\)(tanθ-μ)
2006 - 2026,推荐分辨率 1024*768 以上,推荐浏览器 Chrome、Edge 等现代浏览器,截止 2021 年 12 月 5 日的访问次数:1872 万 9823。 站长邮箱
