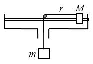
0.如图所示为弹簧振子做简谐运动的示意图,若O为振子的平衡位置,规定向右为正方向。振子在向______方向运动,经过______点时速度为正方向最大,向______方向运动,经过______点时速度为负方向最大,在______点时加速度为正方向最大,在______点时加速度为负方向最大。
【答案】
右,O,左,O,C,B
1.一飞轮的直径为40 cm,若飞轮匀速转动,每分钟转120转,则飞轮边缘上一点的线速度大小为_________m/s,飞轮转动的周期为______s。
【答案】
2.51,0.5
2.一质点沿半径为R=10 m的圆周做匀速圆周运动,在时间t=2 s内恰走了半圈,则质点运动的线速度大小为______m/s,角速度为______rad/s,转速为______r/s。
【答案】
15.7,1.57,0.25
3.四轮拖拉机前轮的半径为0.3 m,后轮的半径为0.5 m,当拖拉机行驶时后轮的转速为90 r/min时,拖拉机前进的速度为______m/s,前轮转动的角速度为______rad/s。
【答案】
4.71,15.7
4.
如图所示,O1、O2两轮通过摩擦传动,传动时两轮间不打滑,两轮的半径之比为r1:r2,A、B分别为O1、O2两轮边缘上的点,则A、B两点的线速度大小之比为vA∶vB=______,角速度之比为ωA∶ωB=______,周期之比为TA∶TB=______,转速之比为nA∶nB=______。
【答案】
1∶1,r2∶r1,r1∶r2,r2∶r1
5.一质点沿半径为R=20 m的圆周做匀速圆周运动,其线速度的大小为v=5 m/s,则它走一圈所用的时间为______s,其角速度为______rad/s。
【答案】
25.1,0.25
6.已知月地距离为3.8×108 km,则月球绕地球转动的周期为______s,月球绕地球转动的线速度大小为______m/s,月球绕地球转动的角速度为______rad/s。
【答案】
2.59×106,921,2.4×10-6
7.时钟上时针、分针和秒针的角速度关系是( )。
(A)时针与分针的角速度之比为1∶60
(B)时针与分针的角速度之比为1∶12
(C)分针与秒针的角速度之比为1∶12
(D)分针与秒针的角速度之比为1∶60
【答案】
BD
8.在质点做匀速圆周运动的过程中,发生变化的物理量是( )
(A)转速 (B)周期 (C)角速度 (D)线速度
【答案】
D
9.某品牌电动自行车的铭牌如下:
|
车型:20吋(车轮直径:508mm) |
电池规格:36V 12A·h(蓄电池) |
|
整车质量:40kg |
额定转速:210r/min(转/分) |
|
外形尺寸:L1800mm×W650mm×H1100mm |
充电时间:2~8h |
|
电机:后轮驱动、直流永磁式电机 |
额定工作电压/电流:36V/5A |
根据此铭牌中的有关数据,可知该车的额定时速约为( )
(A)15km/h (B)18km/h (C)20km/h (D)25km/h
【答案】
C
10.一个质点沿半径为R的圆周做匀速圆周运动,周期为4 s,在1 s内质点位移的大小和路程分别是( )。
(A)R,πR/2 (B)πR/2,πR/2 (c)\(\sqrt 2 \)R,πR/2 (D)πR/2,\(\sqrt 2 \)R
【答案】
C
11.
如图所示为自行车传动部分的示意图,a为脚蹬,Oa为曲柄,b、d为齿轮,c为链条,组成传动部分,e为后轮(主动轮)。已知Oa=25 cm,rb=10 cm,rd=4 cm,re=36c m,如果传动过程中无打滑现象,当脚蹬以每分钟30转绕轴O做匀速圆周运动时,自行车行进的速度多大?
【答案】
2.827 m/s
【解析】
同一转体转速相同,有:na=nb=0.5 r/s。
同一链条上b、d边缘线速度相同,有:nd∶nb=rb∶rd=5∶2,因此nd=2.5nb=1.25 r/s。
e、d处于同一转体,因此:ve=2πrene=2πrend=2π×0.36×1.25 m/s=0.9π m/s≈2.83 m/s。
12.质点A沿竖直平面内、半径为R的圆周从最高点开始顺时针做匀速圆周运动,质点B在圆周最高点的正上方比最高点高2R的地方同时做自由落体,为使两质点能相遇,质点A的速度v应满足什么条件?
【答案】
kπ\(\sqrt {gR} \)或(2k+1)\(\sqrt {\frac{{gR}}{8}} \)
13.
如图所示,一个圆环以竖直方向直径AB为轴匀速转动,环上的P、Q两点和环心的连线与竖直方向所成的角分别为60°和30°,则P、Q两点转动的角速度之比为______。P、Q两点的线速度大小之比为______。
【答案】
1∶1,\(\sqrt 3 \)∶1
【解析】
同一转体角速度相同,因此有:ωP∶ωQ=1∶1;
在角速度相同的情况下,v与r成正比,设地球半径为R,有:
vP∶vQ=Rsin60°∶Rsin30°=\(\sqrt 3 \)∶1。
14.2002年3月25日22时15分,我国“神舟”3号无人飞船发射成功,并进入预定轨道运行,截至3月27日19时,“神舟”3号飞船已经环绕地球飞行了30圈。若飞船绕地球飞行可视为做匀速圆周运动,则飞船绕地球飞行的角速度为______rad/s。飞船绕地球飞行的周期为______s。
【答案】
1.17×10-3,5.37×103
15.
如图所示为一皮带传动装置,传动时皮带与轮之间不打滑,已知大轮半径和小轮半径的关系是r1=2r2,A、B分别为两轮边缘上的点,O为大轮圆心,C为大轮上的一点,OC为OA的\(\frac{2}{3}\),则传动时A、B、C三点的角速度之比为______,线速度大小之比为______。
【答案】
1∶2∶1,3∶3∶2
【解析】
同一转体上的各点角速度相同,有:ωA∶ωC=1∶1;
在角速度相同的情况下:v与r成正比,有:vA∶vC=rA∶rC =3∶2。
同一皮带轮边缘的线速度相同,有vA∶vB=1∶1;
在线速度相同的情况下,角速度与半径成反比,有:ωA∶ωB=rB∶rA=1∶2
综上所述:ωA∶ωB∶ωC =1∶2∶1;vA∶vB∶vC=3∶3∶2。
16.某人在地球上北纬30°的某一点,则他随地球自转的线速度大小为______m/s,角速度______rad/s,他随地球绕太阳公转的线速度大小为______m/s,角速度为______rad/s。已知地球半径为R地=6400 km,日地距离为r=1.5×108 km。
【答案】
403,7.26×10-5,2.98×104,1.99×10-7
17.
如图所示,一辆自行车上连接踏脚板的连杆长为R1,由踏脚板带动半径为r1的大齿盘,通过链条与半径为r2的后轮齿盘连接,再带动半径为R2的后轮转动。若将后轮架空,踩踏脚板使后轮匀速转动,则踏脚板上一点和后轮边缘的一点的角速度之比为______,线速度大小之比为______。
【答案】
r2∶r1,r2R1∶r1R2
18.电风扇在闪光灯下转动,闪光灯每秒闪光30次,风扇有三个均匀分布的叶片,如果转动时观察不到叶片的转动,则最小转速为______r/s;如果转动时观察到有六个叶片,则最小转速为______r/s。
【答案】
10,5
19.
如图所示,一小球由细线拴住悬挂在天花板上,并在水平面内做匀速圆周运动,线长为L,转动的角速度为ω,线与竖直方向间的夹角为θ,则小球的线速度大小为( )。
(A)ωL (B)\(\frac{\omega }{L}\)
(C)ωLsinθ (D)ωLcosθ
【答案】
C
20.
如图所示的皮带传动装置,传动时皮带与轮之间不打滑,已知大轮半径、轮轴的轮半径和轮轴的轴半径的关系是rA∶rC∶rB=3∶2∶1,A、B、C分别为大轮、轮轴的轴和轮轴的轮边缘上的点,O为大轮圆心,则传动时A、B、C三点的( )。
(A)角速度之比为1∶3∶3
(B)角速度之比为3∶1∶1
(C)线速度大小之比为1∶2∶2
(D)线速度大小之比为1∶1∶2
【答案】
AD
21.
如图所示,直径为d的纸质圆筒,以角速度ω绕轴O匀速转动,把枪口对准圆筒轴线,使子弹沿直径穿过圆筒。若子弹在圆筒转动不到半周的时间内在筒上留下a、b两个弹孔,已知aO与bO的夹角为φ,则子弹的速度为( )。
(A)\(\frac{{d\omega }}{{\pi - \varphi }}\) (B)\(\frac{{d\omega }}{\varphi }\)
(C)\(\frac{{d\omega }}{{\pi + \varphi }}\) (D)\(\frac{{d\omega }}{{2\pi - \varphi }}\)
【答案】
A
22.
如图所示,圆环在水平面上匀速滚动,跟平面间无相对滑动,环心对地速度为v,环半径为R,某时刻环上在环心O正前方的一点B和O正下方离O为r的一点A的速度大小分别为( )。
(A)\(\sqrt 2 \)v,\(\frac{r}{R}\)v (B)\(\sqrt 2 \)v,\(\frac{{R - r}}{R}\)v
(C)v,\(\frac{r}{R}\)v (D)v,\(\frac{{R - r}}{R}\)v
【答案】
B
23.
如图所示,同轴的两个薄纸圆盘,相距为L,以角速度ω匀速转动,一颗子弹从左边平行于轴射向圆盘,在两盘上留下两个弹孔,两弹孔与盘心的连线间的夹角为60°,试确定子弹速度的可能值及最大值。
【答案】
\(\frac{{3\omega L}}{{(6k + 1)\pi }}\)(k=0,1,2…),\(\frac{{3\omega L}}{\pi }\)
24.
如图所示,一块长为L=\(\frac{{\sqrt 3 }}{3}\) m的板可绕过其一端的水平轴转动,一开始板处于水平位置,在板的正中间有一小物体。现使板突然以角速度ω绕过其一端O的水平轴顺时针匀速转动,问:ω满足什么条件时小物体和板能再次相碰?
【答案】
ω≤3.31 rad/s或ω≥23.2 rad/s
25.有一个水平放置并匀速转动的圆盘,盘边缘的A点有一质量为m的质点,其线速度大小为v,所受到的向心力大小为F,则质点运动的角速度为______,质点运动的加速度大小为______,圆盘的半径为______。
【答案】
F/mv,F/m,mv2/F
26.A、B两质点都做匀速圆周运动,它们的质量之比为mA∶mB=1∶2,半径之比为RA∶RB=1∶3,周期之比为TA∶TB=2∶1,则A、B两质点的线速度大小之比为______,角速度之比为______,向心加速度的大小之比为______,所受向心力的大小之比为______。
【答案】
1∶6,1∶2,1∶12,1∶24
27.甲、乙两质点都做匀速圆周运动,甲的转动半径是乙的转动半径的3/4,当甲转4圈时乙转3圈,则甲、乙两质点的角速度之比为ω甲∶ω乙=______,它们的向心加速度大小之比为a甲∶a乙=______。
【答案】
4∶3,4∶3
28.上海锦江乐园的世界第五、全国最高的摩天轮转椅的直径为98 m,转一圈所需时间为25 min,那么,在正常运转时其角速度为______rad/s,轮边缘一点的线速度大小为______m/s,轮边缘一点的向心加速度大小为______m/s2。
【答案】
0.0042,0.205,0.00086
29.
如图所示的皮带传动装置,大轮半径为2R,小轮半径为R,A、B分别为两轮边缘上的点,C为大轮上离轮轴为R处的一点,传动时皮带不打滑,则A、B、C三点的线速度大小之比为______,三点的角速度之比为______,三点的向心加速度大小之比为______。
【答案】
2∶2∶1,2,1∶1,4∶2∶1
30.
如图所示为自行车链条传动装置,A、B、C分别为踏脚板、大轮和小轮边缘上的点,它们的转动半径之比为3∶2∶1,则在匀速转动时,三点的线速度大小之比vA∶vB∶vC=______,角速度之比ωA∶ωB∶ωC=______,向心加速度大小之比aA∶aB∶aC=______。
【答案】
3∶2∶1,1,1∶2,3∶2∶4
31.对于地球上物体由于地球自转而具有的向心加速度,下列说法中正确的是( )。
(A)方向指向地心
(B)同一地点质量大的物体向心加速度也大
(C)大小可用地球自转角速度的平方和地球半径的乘积计算
(D)大小可用物体所受向心力与物体质量的比值计算
【答案】
D
32.关于向心加速度,下列说法中正确的是( )。
(A)物体做匀速圆周运动的向心加速度始终不变
(B)地面上物体由于地球自转而具有的向心加速度在赤道处最大
(C)向心加速度较大的物体线速度也较大
(D)向心加速度较大的物体角速度也较大
【答案】
B
33.物体做匀速圆周运动,则( )。
(A)必受到恒力作用 (B)所受合力必为零
(C)必受大小不变的向心力作用 (D)必受大小变化的向心力作用
【答案】
C
34.在光滑玻璃漏斗中有一个小球沿着漏斗的内壁在一水平面内做匀速圆周运动,这时小球受到的力是( )
(A)重力和支持力 (B)重力和向心力
(C)支持力和向心力 (D)重力、支持力和向心力
【答案】
A
35.
如图所示,半径为R的水平圆板做匀速转动。当圆板半径OB转到图示位置时,有一小球从B点正上方h高处自由下落,要使小球与板只碰一次且落在圆板边缘的B点,求:
(1)圆板的最小角速度。
(2)圆板边缘上的点转动的最小向心加速度。
【答案】
(1)2π\(\sqrt {\frac{g}{{2h}}} \)
(2)2π2gR/h
36.
如图所示,半径R=0.8 m的圆环内侧的P点处粘有一块质量为m=0.2 kg的油灰,圆环在竖直平面内以角速度ω绕通过环心的水平轴开始匀速转动的同时,环心处有一小球自由下落,到底端时恰与油灰相碰,求:
(1)圆环角速度的大小。
(2)油灰运动的向心加速度和向心力的大小。
【答案】
(1)5π(k+\(\frac{1}{2}\)) rad/s
(2)5π2(2k+1)2 m/s2,π2(2k+1)2 N
37.火车机车轮子的转速为n1,车厢轮子的转速为n2,且n1=\(\frac{3}{5}\)n2,车厢轮子的半径为R2=36 cm。火车行驶时,这两种轮子边缘上的点的向心加速度大小之比a1∶a2为______,机车轮子的半径为R1=______cm。
【答案】
3∶5,60
38.一全自动洗衣机中的脱水桶的直径为38 cm,脱水桶工作时的转速为820 r/min。设脱水时衣服都紧贴着桶壁,则脱水桶工作时衣服所具有的向心加速度大小为______m/s2,这一数值是重力加速度的______倍。
【答案】
1400,140
39.一个做匀速圆周运动的物体,若半径保持不变,使角速度变为原来的3倍,其所受向心力的大小增加了64 N,则它原来所受到的向心力大小为______N。
【答案】
8
40.甲、乙两质点均做匀速圆周运动,甲的质量和半径均为乙的\(\frac{1}{2}\)。甲转过60°时,乙恰好转过45°,则甲、乙两质点所受到的向心力大小之比为______。
【答案】
4∶9
41.
如图所示的皮带传动装置,传动时皮带与轮之间不打滑,小轮半径为R,大轮半径是小轮半径的2倍,A、B分别为小轮边缘上和大轮边缘上的点,C为大轮上离轮轴为R处的一点,则转动时B点的角速度是A点角速度的______倍,A点向心加速度的大小是B点向心加速度的大小的______倍,C点向心加速度的大小是A点向心加速度的大小的______倍,C点的角速度是A点角速度的______倍。
【答案】
0.5,2,0.25,0.5
42.
如图所示,在轮B上有共轴小轮A,轮B通过皮带带动轮C,皮带与轮间没有相对滑动,A、B、C三轮的半径依次为r1、r2和r3。绕在A轮上的绳子,一端固定在A轮边缘,另一端系有重物P,当重物P以速率v匀速下降时,C轮转动的角速度为______,C轮边缘上的点转动的向心加速度大小为______。
【答案】
vr2/r1r3,v2r22/r12r3
43.物体做圆锥摆运动时( )。
(A)受到重力、绳子拉力和向心力的作用
(B)是做匀速圆周运动,所受合外力不变
(C)所受合外力指向绳子的悬点
(D)重力和绳子拉力的合力供给向心力
【答案】
D
44.做匀速圆周运动的物体具有不变的( )。
(A)线速度 (B)角速度 (C)合外力 (D)加速度
【答案】
B
45.物体做匀速圆周运动的条件是( )。
(A)有一定的初速度,且受到一个始终与初速度方向垂直的恒力作用
(B)有一定的初速度,且受到一个大小不变,方向变化的力的作用
(C)有一定的初速度,且受到一个方向始终指向圆心的力的作用
(D)有一定的初速度,且受到一个大小不变,方向始终与速度方向垂直的力的作用
【答案】
D
46.
如图所示,木板A上放置一物体B,用手托着木板使物体与木板在竖直平面内做圆周运动,且木板保持水平,物体与木板间相对静止,则( )
(A)物体所受合外力一定不为零
(B)物体所受合外力方向始终指向圆心
(C)物体对木板的摩擦力大小和方向都会发生变化
(D)物体对木板的压力大小一定大于零
【答案】
AC
47.
如图所示,质点P以O为圆心、r为半径做匀速圆周运动,周期为T。当质点P经过图中位置A时,另一个质量为m、初速度为零的质点Q受到沿OA方向的恒力F作用开始做直线运动,为使P、Q两质点在某时刻速度相同,求拉力F应满足的条件。
【答案】
\(\frac{{8\pi rm}}{{(4k + 3){T^2}}}\)(k=0,1,2,……)
48.
如图所示,A、B两质点的质量均为1 kg,A在光滑水平面上做匀速圆周运动,B在大小为4 N的水平外力作用下,由O′点出发,从静止开始沿过圆周直径的直线OO′向A运动,现A、B两质点同时分别从P、O′开始运动,当A绕O运动两周时A、B正好在P点相遇,当A再绕半周时,又与B在Q点相遇,试求A做圆周运动所需的向心力大小。
【答案】
9π2
49.汽车沿着半径为25 m的圆形跑道行驶,设跑道的路面是水平的,路面作用于车的摩擦力的最大值为车重的1/10,要使汽车行驶过程中不致冲出圆跑道,车速最大不能超过______m/s。
【答案】
5
50.一绳长为L,一端固定于光滑水平面上的O点,另一端系一质量为m的小球,使小球在水平面上做周期为T的匀速圆周运动,则绳中张力的大小为______,小球受到______的作用。若保持周期不变,绳长变为原来的2倍,则绳中张力大小变为原来的______倍。若保持小球的线速度大小不变,绳长变为原来的2倍,绳中张力的大小变为原来的______倍。
【答案】
4π2Lm/T2,重力支持力和绳子拉力,2,0.5
51.质量为m的汽车以大小为v的速度通过半径为R的凸形桥的最高点时,所受向心力的大小为______,其向心加速度的大小为______,桥面对汽车的支持力大小为______。
【答案】
mv2/R,v2/R,mg-mv2/R
52.质量为m的汽车以大小为v的速度通过半径为R的凹形地的最低点时所受向心力的大小为______,其向心加速度的大小为______,地面对汽车的支持力大小为______。
【答案】
mv2/R,v2/R,mg+mv2/R
53.质量为m的小球,以速度v沿着竖直平面内的半径为R的圆环内侧通过最高点时,环对小球的弹力大小为______。小球以速度v沿该圆环内侧通过最低点时,环对小球的弹力大小为______。
【答案】
mv2/R-mg,mv2/R+mg
54.质量为m的小球,在竖直平面内的圆形轨道外侧运动,已知它经过轨道最高点而不脱离轨道的最大速率为v,则当小球以大小为v/2的速度通过轨道最高点时,它对轨道的压力大小为______。
【答案】
3mg/4
55.
如图所示,在光滑水平面上有两枚钉子,右边一枚钉子上系一绳,绳的另一端系一小球,绳向右拉紧时给小球一个垂直于绳的水平速度,小球绕钉转动,绳逐渐绕到钉上,则小球每转过半圈,其( )。
(A)线速度变小一次 (B)角速度变大一次
(C)向心加速度变小一次 (D)向心力变大一次
【答案】
BD
56.质量为m的小球,沿着在竖直平面内的圆形轨道的内侧运动,已知它经过轨道最高点而不脱离轨道的最小速率为v,则小球以大小为2v的速率通过轨道最高点时,它对轨道的压力大小是( )。
(A)mg (B)2mg (C)3mg (D)4mg
【答案】
C
57.汽车两次通过同一凸形桥的最高点,第一次速率比第二次大。则( )。
(A)第一次汽车对桥顶的压力较大
(B)第二次汽车对桥顶的压力较大
(C)第一次汽车所需的向心力较大
(D)第二次汽车所需的向心力较大
【答案】
BC
58.
如图所示,一绳子一端固定于O点,另一端系一小球,将小球向右拉开,使绳拉紧且拉至水平位置放手,让小球无初速落下。在O点的正下方的P点有一钉子,能阻止OP部分绳子的摆动,则当摆球向左运动到最低点时突然增大的物理量有( )
(A)摆球运动的线速度 (B)摆线摆动的角速度
(C)摆球运动的向心加速度 (D)摆线对小球的拉力
【答案】
BCD
59.一质量为m的汽车沿半径为R的凹形地行驶,若要求经过最低点时对地面的压力大小为2mg,则经过最低点时速度应为多大?若以此速度2倍的速度通过最低点,则对地面的压力又为多大?若以此速度一半大小的速度通过最低点又如何?
【答案】
\(\sqrt {Rg} \),5mg,5mg/4
60.行车用长为L的钢索挂着一个质量为M的重物,以速度v匀速沿水平导轨行驶,求行车突然刹车时钢索中的拉力大小。
【答案】
Mg+Mv2/L
61.
如图所示,一个圆柱形天空实验室的半径为R,为了模拟重力,天空实验室将绕其轴线匀速转动,其角速度为______时,恰似有“重力”作用在实验室内各物体上,角速度为______时有3倍重力的超重。
【答案】
\(\sqrt {\frac{g}{R}} \),\(\sqrt {\frac{{3g}}{R}} \)
62.
如图所示,一个质量为2 kg的滑块沿着粗糙的竖直圆弧轨道外侧滑行,经过最高点时的速度为v=2 m/s,圆弧的半径为R=2 m,滑块与轨道间的动摩擦因数为μ=0.2,则滑块经过最高点时轨道对滑块的弹力大小为______N,滑块所受摩擦力的大小为______N。
【答案】
16,3.2
63.
如图所示,在水平面上固定一个半径为R的圆球,球的最高处有一小物体,为使小物体不沿球面下滑,需给小物体的最小速度为______,此时小物体的落地点与抛出点的水平距离为______。
【答案】
\(\sqrt {Rg} \),2R
64.甲的质量为2m,乙的质量为m,用细绳相连,细绳穿过水平光滑转台面上轴的小孔,甲悬挂于下面,乙在水平转台面上随台一起做匀速转动,转动半径为R。乙与水平桌面间的最大静摩擦力为f,台面上的细绳可看做是水平的,则物体能稳定转动的角速度范围为______。
【答案】
\(\sqrt {\frac{{2mg - f}}{{mR}}} \)≤ω≤\(\sqrt {\frac{{2mg + f}}{{mR}}} \)
65.一质量为m的小物体用一长为l的轻绳系住后放在水平转台上,轻绳的另一端系于转轴上,当物体随台一起转动时绳拉紧且水平,物体与转台间不打滑,物体与转台间的最大静摩擦力为f,转台的转速为n,则轻绳拉力大小的可能范围为____________。
【答案】
当4π2n2mR≥f时,T=0,当4π2n2mR<f时,T=4π2n2mR-f
66.
如图所示,小球的质量为m,被两根细线拴住,静止于O点,细线OA恰水平,OB与竖直方向成θ角,此时OB线中的张力大小为T1。现将OA线烧断,小球在竖直平面内摆动,小球回到原来位置时OB线中的张力大小为T2,则T1∶T2=______。
【答案】
cos2θ∶1
67.一座半径为10 m的圆弧凸形桥,最高点能承受的最大压力为30000 N,现有质量为4 t的汽车通过这桥的最高点,则( )。
(A)此桥必承受不住
(B)只要车速大于5 m/s,桥就承受得住
(C)只要车速小于5 m/s,桥就承受得住
(D)只要车速大于5\(\sqrt 3 \)m/s,桥就承受得住;小于5\(\sqrt 3 \)m/s桥就承受不住
【答案】
B
68.质量为m的小球,在竖直平面内的圆形光滑轨道内侧运动,两次通过最高点时,对轨道的压力大小分别为3mg和8mg,则小球前后两次通过最高点时,所受合外力大小之比和两次通过最高点时的线速度大小之比分别为( )。
(A)3∶8,4∶9 (B)4∶9,4∶9 (C)4∶9,2∶3 (D)2∶7,\(\sqrt 2 \)∶\(\sqrt 7 \)
【答案】
C
69.
如图所示,用细绳相连的小球a、b可在水平光滑杆上滑动,两小球的质量关系为ma=2mb,水平杆随装置匀速转动的角速度为ω,两球离竖直转轴的距离不变,则( )
(A)两球所需向心力的大小相等
(B)a球的向心力大于b球的向心力
(C)a球离转轴的距离是b球离转轴距离的一半
(D)当ω增大时,a球将向外滑动
【答案】
AC
70.
如图所示,滑块M能在水平光滑滑杆上滑动,滑杆连支架装在离心机上,用绳跨过光滑滑轮将滑块M与另一质量为m的物体相连,当离心机以角速度ω匀速转动时,M离轴为r,且恰能稳定转动,当离心机转速增至原来的2倍,调整r使之达到新的稳定转动状态,则( )。
(A)M所受向心力大小不变
(B)M的线速度变为原来的2倍
(C)M离轴距离变为原来的1/4
(D)M离轴距离变为原来的4倍
【答案】
AC
71.一辆汽车的质量为m=2 t,沿半径为R=50 m的凸形桥行驶,车与桥面间的动摩擦因数为μ=0.2,车速为v=10 m/s,问:车经过最高点时对桥面的压力多大?此时车所受摩擦力多大?此时车的加速度多大?
【答案】
16000 N,3200 N,2.56 m/s2
72.一细管子弯成半径为R=1 m的圆环,另有一质量为m=0.5 kg的小球,小球半径比管子内径略小些,小球沿管子内壁做圆周运动,求下列情况下小球的速度大小:
(1)经过最高点时对管子壁无压力。
(2)经过最高点时对管子上壁有大小为1 N的压力。
(3)经过最高点时对管子下壁有大小为1 N的压力。
【答案】
\(\sqrt 10 \),\(\sqrt 12 \),\(\sqrt 8 \)
73.万有引力定律是英国物理学家______总结出来的,其公式为______,其适用条件为______,其中引力常量G是物理学家______首先在实验室利用______装置较准确地测出的,其值为G=6.67×10-11______。
【答案】
牛顿,F=G\(\frac{{{m_1}{m_2}}}{{{r^2}}}\),两质点间的万有引力计算,卡文迪许,扭秤,N·m2/kg2
74.有两艘轮船,它们的质量分别为M1=5×104 t和M2=1×105 t,相距为r=10 km,则它们之间的万有引力大小为______N。由该题的结果你能得出的结论为______。
【答案】
3.3×10-3,一般物体间的万有引力很小,在受力分析时不用考虑
75.氢原子中原子核的质量为M=1.67×10-27 kg,电子的质量为m=9.1×10-31 kg,电子绕着原子核做匀速圆周运动,它们间的距离为0.53×10-10 m,则它们间的万有引力大小为______N。
【答案】
3.6×10-47
76.太阳质量是地球质量的p倍,太阳离月球的距离是地球离月球距离的q倍,则太阳对月球的引力是地球对月球引力的______倍。
【答案】
p/q2
77.地球的质量约为M=6.0×1024 kg,地球的半径为R=6.4×103 km。某人造地球卫星的质量为m=150 kg,卫星运行的轨道离地面的高度为H=800 km,则地球对卫星的万有引力大小为______N。
【答案】
1158
78.物体放在离地面高为R(R为地球半径)处时,所受到的万有引力的大小是放在地面上时所受到的万有引力的______倍,该处的重力加速度的大小约为______m/s2,重力加速度为1 m/s2处离地面的高度为______R。
【答案】
1/4,2.5,\(\sqrt {10} \)-1
79.关于万有引力定律公式F=G\(\frac{{Mm}}{{{r^2}}}\)中的r,下列说法中正确的是( )。
(A)对于均匀球体,就是指两球球心间的距离
(B)对于相距很远的两物体,就是指两物体间的距离
(C)对于人造地球卫星,就是指卫星离地的高度
(D)对于做圆周运动的天体,就是指轨道的半径
【答案】
AB
80.一个物体在某高度处所受重力是在地面时所受重力的一半,则它距地面的高度是地球半径R的( )。
(A)\(\sqrt 2 \)倍 (B)(\(\sqrt 2 \)-1)倍 (C)2倍 (D)4倍
【答案】
B
81.地球的质量大约是月球质量的81倍,在登月飞船通过月、地之间的某位置时,月球和地球对它的万有引力正好大小相等,则该位置到月球中心的距离和到地球中心的距离之比应为( )。
(A)1∶27 (B)1∶9 (C)1∶3 (D)9∶1
【答案】
B
82.月球的质量约为7.4×1022 kg,地球的质量约为6.0×1024 kg,月球的半径约为1.68×103 km,地球的半径约为6.4×103 km。如果设想能把月球放在地面上,且不考虑地球的自转,则月球和地球表面间的压力大小为( )。
(A)7.4×1023 N (B)4.5×1023 N
(C)6.0×1023 N (D)4.5×1029 N
【答案】
B
83.有一个质量为M、半径为R的均匀圆环,在圆环上剪去长为d的一小段(d≪R)。若在其圆心处放一个质量为m的质点,试求圆环的剩余部分对该质点的万有引力的大小。
【答案】
GMmd/2πR3
84.地球中心有一个地核,已知地核的体积约为整个地球体积的16%,地核的质量约为整个地球质量的34%,试估算地核的平均密度。结果取两位有效数字,已知地球半径为R=6.4×103 km,万有引力常量为G=6.67×10-11 N·m2/kg2,地面附近的重力加速度为g=9.8 m/s2。
【答案】
1.2×104
85.已知地球的半径为R,地面的重力加速度为g,则重力加速度为\(\frac{g}{2}\)离地面的高为______,离地面高为R处的重力加速度大小为______,地心处的重力加速度为______,离地心\(\frac{R}{2}\)处的重力加速度为______g。设地球为均匀球体。
【答案】
(\(\sqrt 2 \)-1)R,g/4,0,1/2
86.已知某行星表面的重力加速度为g,该行星的半径为R,万有引力常量为G,则该行星的质量为M=______。
【答案】
gR2/G
87.有两颗行星A和B,它们的质量之比为MA∶MB=a,半径之比为RA∶RB=b,则它们表面的重力加速度大小之比为gA∶gB=______,它们的平均密度之比ρA∶ρB=______。
【答案】
a/b2,a/b3
88.地球的质量为M、半径为R,它对位于离地面高为R/2处的质量为m的质点的万有引力大小为______,而它对位于地心的质量为m的质点的万有引力大小为______。
【答案】
4GMm/9R2,0
89.在某星球表面以初速度v0竖直向上抛出一个小球,空气阻力不计,小球经时间t落回抛出点,已知该行星的半径为R,则该行星表面的重力加速度大小为______,该行星的质量为______。
【答案】
2v0/t,2v0R2/Gt
90.某星球的质量是地球质量的9倍,该星球的半径是地球半径的2倍,则该星球表面的重力加速度大小为______m/s2。有一个质量为2 kg的物体放在该星球的水平地面上,物体与地面间的动摩擦因数为0.2,若用大小为12 N的水平力拉此物体,使它沿星球的水平地面运动,则物体所受摩擦力的大小为______N,物体运动的加速度大小为______m/s2。
【答案】
22.5,9,1.5
91.某星球的质量是地球质量的1/2,其半径是地球半径的1/3,该星球表面的重力加速度是地球表面重力加速度的( )。
(A)1/2 (B)1/3 (C)2/9 (D)9/2
【答案】
D
92.若已知某行星表面的重力加速度为g,该行星的半径为R,则可以求出该行星的平均密度为( )。
(A)\(\frac{g}{{4\pi RG}}\) (B)\(\frac{{3g}}{{4\pi RG}}\) (C)\(\frac{g}{{4\pi G}}\) (D)\(\frac{{3g}}{{4\pi G}}\)
【答案】
B
93.如果有一星球的平均密度跟地球的平均密度相同,又已知它表面处的重力加速度值是地球表面处重力加速度值的4倍,则该星球的质量是地球质量的( )
(A)1/4 (B)4倍 (C)16倍 (D)64倍
【答案】
D
94.一个质量均匀分布的半径为R的球体对球外某一距离的质点P的万有引力大小为F,如果在球体正中央挖去一个半径为R/2的球体,剩余部分仍放在与质点P相同距离处,则它对质点P的万有引力大小变为( )
(A)F/2 (B)3F/8 (C)F/8 (D)7F/8
【答案】
D
95.一个物体放在地球表面上时所受重力G0=16 N,当它放在加速度大小为a=5 m/s2的竖直加速上升的火箭中时“视重”为G1=9 N,地球半径为R=6.4×103 km,求此时火箭离地高度。
【答案】
1.92×104 km
96.一质量为M、半径为R的均匀圆环,对其轴线上距圆心x处的质量为m的质点的万有引力多大?当x≫R时和x=0时,它对其轴线上距圆心x处的质量为m的质点的万有引力分别为多大?这说明什么?
【答案】
G\(\frac{{Mmx}}{{{{({R^2} + {x^2})}^{3/2}}}}\),G\(\frac{{Mm}}{{{x^2}}}\),0,当x≫R时,可以把圆环看成质点,r→0时不能认为F→∞,因为那时物体已不能看成质点。
97.有A、B两颗人造地球卫星,已知它们的质量关系为mA=3mB,绕地球做匀速圆周运动的轨道半径关系为rA=2rB,则它们运行的速度大小之比为______,运行周期之比______。
【答案】
1∶\(\sqrt 2 \),2\(\sqrt 2 \) ∶1
98.已知地球的质量为M、半径为R,万有引力常量为G,质量为m的卫星绕地球做匀速圆周运动,卫星离地面的高度为R/5,卫星受到地球的万有引力大小为______,卫星运动的线速度大小为______,运动周期为______。
【答案】
25GMm/36R2,\(\sqrt {\frac{{5GM}}{{6R}}} \),\(\frac{{12\pi R}}{5}\sqrt {\frac{{6R}}{{5GM}}} \)
99.在离地面的高度是地球半径的n倍的圆形轨道上,人造地球卫星运行的向心加速度大小是地面重力加速度的______倍,人造地球卫星的运行速度大小是第一宇宙速度的______倍。
【答案】
\(\sqrt {\frac{1}{{n + 1}}} \),\(\frac{1}{{{{(n + 1)}^2}}}\)
100.已知地球的质量为M,万有引力常量为G,卫星离地面的高为3R(R为地球半径),则卫星绕地球做匀速圆周运动的线速度大小为______,做匀速圆周运动的周期为______。
【答案】
\(\sqrt {\frac{{GM}}{{4R}}} \),16π\(\sqrt {\frac{{{R^3}}}{{GM}}} \)
101.两颗绕地球做匀速圆周运动的人造地球卫星的质量之比为m1∶m2=1∶2,它们的轨道半径之比为R1∶R2=1∶3,那么它们所受到的向心力大小之比为______,它们的角速度之比为______。
【答案】
9∶2,3\(\sqrt 3 \)∶1
102.1999年11月20日,我国在酒泉卫星发射中心成功发射了“神舟”号载人试验飞船,飞船绕地球运动14圈后,地面控制中心发出返回指令,飞船启动制动发动机、调整姿态后,在内蒙古中部地区平安降落。假定飞船运行的速度大小为7.72 km/s,沿离地面高为300 km的圆轨道运行,则其轨道半径为______km,运行的周期为______min,在该高度处的重力加速度为______m/s2(已知地球的半径为6.4×103 km,地球的质量为6.0×1024 kg,万有引力常量为G=6.67×10-11 N·m2/kg2 )。
【答案】
6700,91,8.9
103.假设地球同步卫星的轨道半径是地球赤道半径的n倍,则其运行的向心加速度大小是地面赤道上物体随地球自转的向心加速度的______倍,其运行的向心加速度是地面赤道上物体重力加速度的______倍。
【答案】
n,1/n2
104.两个人造地球卫星在同一圆形轨道上绕地球运行,它们的质量关系为M1=2M2,则它们运行的线速度大小关系为( )。
(A)v1=2v2 (B)v1=v2 (C)v1=\(\sqrt 2 \)v2 (D)v2=\(\sqrt 2 \)v1
【答案】
B
105.人造地球卫星运行时,其轨道半径为月球轨道平均半径的1/3,则此人造地球卫星的周期大约为( )。
(A)1~4 d(天)之间 (B)4~8 d(天)之间
(C)8~16 d(天)之间 (D)1大于16 d(天)
【答案】
B
106.离地高h处的重力加速度为gh,离地高h处轨道上运行的人造地球卫星的向心加速度大小为ah,则( )。
(A)gh>ah (B)gh=ah (C)gh<ah (D)无一定关系
【答案】
B
107.
如图所示,三颗人造地球卫星A、B、C在同一轨道平面上以地球为中心做匀速圆周运动,轨道半径的大小相差不多。若在某时刻三颗卫星恰好与地球在同一直线上,则当卫星B经过一个周期时,下列说法中正确的是( )。
(A)三颗卫星仍在同一直线上
(B)卫星A的位置超前于B,卫星C的位置落后于B
(C)卫星A的位置落后于B,卫星C的位置超前于B
(D)条件不足,无法判断
【答案】
B
108.地球的半径为R,人造地球卫星在离地高h的轨道上运行时,它的线速度大小为v。若增大卫星离地的高度后,卫星的角速度减小到原来的\(\frac{{\sqrt 2 }}{4}\)倍,求该卫星在此时的线速度大小及卫星离地高度的改变量。
【答案】
\(\frac{{\sqrt 2 }}{2}\)v,R+h
109.借助于物理学,人们可以了解到无法用仪器直接测定的物理量,使人类对自然界的认识更完善。现已知太阳光经过时间500 s能到达地球,光速为3.0×108 m/s,地球绕太阳运动一周需时间3.2×107 s(即1年),地球的半径为6.4×106 m,地球表面的重力加速度接近10 m/s2,试由以上给出的数据以及你所知道的物理公式,计算太阳质量与地球量的比值。
【答案】
3.18×105
110.地球的半径为R,地面附近的重力加速度为g,则在离地面高h处的轨道上做匀速圆周运动的人造地球卫星的运行速度为______,运行周期为______。
【答案】
\(\sqrt {\frac{{{R^2}g}}{{R + h}}} \),2π\(\sqrt {\frac{{{{(R + h)}^3}}}{{{R^2}g}}} \)
111.已知地球的半径约为6.4×106 m,又知月球绕地球的运动可近似看作匀速圆周运动,则可估算出月球到地心的距离约为______m(结果只保留一位有效数字)。
【答案】
4×108
112.月球绕地球做匀速圆周运动的轨道半径为r,周期为T,地球绕太阳做匀速圆周运动的轨道半径为R,周期为T′,若r/R=p,T/T′=q,则地球的质量m与太阳的质量M的比值m/M为______。
【答案】
p3/q2
113.人造地球卫星甲绕地球做匀速圆周运动的周期为 T,速率为 v,半径为 R,所需的向心力大小为 F,角速度为 ω。若相同质量的人造地球卫星乙绕地球做匀速圆周运动的速率为 2v,则其轨道半径为______R,运动周期为______T,所需向心力的大小为______F,运动角速度为______ω。
【答案】
1/4,1/8,16,8
114.有绕同一中心旋转的双星A、B,已知它们的质量关系为MA=2MB,则A星和B星做匀速圆周运动的轨道半径之比为______,所受向心力的大小之比为______,线速度的大小之比为______,角速度之比为______。
【答案】
1∶2,1∶1,1∶2,1∶1
115.某人站在一星球上,以速度v竖直上抛一物体,经时间t物体落回手中。已知该星球的半径为R,现将此物体沿星球表面抛出,欲使其不再落回星球,空气阻力均不计,则抛出时的速度至少为______。
【答案】
\(\sqrt {\frac{{2vR}}{t}} \)
116.地球的半径为R,距地心高为h处有一颗地球同步卫星.另有一个半径为3R的星球,距该星球球心高度为3h处有一颗该星球的同步卫星,它的周期为72 h,则该星球的平均密度与地球的平均密度之比为______。
【答案】
1∶9
117.在绕地球做匀速圆周运动的人造地球卫星内,下述仪器中不起作用的是( )。
(A)水银温度计 (B)弹簧测力计
(C)天平 (D)水银气压计
【答案】
CD
118.已知某行星的密度为ρ,则可求出该行星的近地卫星的( )。
(A)线速度 (B)角速度 (C)周期 (D)向心加速度
【答案】
BC
119.用m表示地球通信卫星(同步卫星)的质量,h表示它离地面的高度,R0表示地球的半径,g0表示地球表面处的重力加速度,ω0表示地球自转的角速度,则通信卫星所受到的地球对它的万有引力的大小( )
(A)等于零 (B)等于\(\frac{{mR_0^2{g_0}}}{{{{({R_0} + h)}^2}}}\)
(C)等于m\(\sqrt[3]{{R_0^2{g_0}\omega _0^4}}\) (D)以上结果都不正确
【答案】
BC
120.对于人造地球卫星的运动,下列说法中正确的是( )。
(A)若卫星沿圆周轨道运动,则卫星离地越高,速度就越小
(B)若卫星沿确定的椭圆轨道运动,则卫星离地越高,速度就越小
(C)若卫星沿圆周轨道运动,则卫星离地越高,向心加速度就越大
(D)地球同步卫星的轨道是唯一的
【答案】
ABD
121.银河系可看成为质量均匀分布的球形,太阳位于其边缘,且太阳距离银河系中心约25000 l.y.(光年),太阳绕银河系中心运动的轨道可视为圆,运动的周期约为1.7×108年,太阳光射到地球上所需的时间约500 s,由此可估算出银河系质量是太阳质量的多少倍(取两位有效数字)。
【答案】
1.4×1011
122.两个质量都等于太阳质量2倍的星球组成一对双星,围绕着共同中心旋转,观察它们彼此环行一周要一星期,求它们之间的距离(设太阳到地球的距离为1.5×1011 m,一年有52个星期)。
【答案】
4.6×109
123.弹簧振子做简谐运动时。振子在平衡位置时位移为______,所受回复力为______,加速度为______,振子的振动速度为______(均选填“最大”或“零”)。
【答案】
零,零,零,最大
124.
如图所示为弹簧振子做简谐运动的示意图,若O为振子的平衡位置,振幅为A。规定向右为正方向,则振子在O点的位移为______,在B点的位移为______,在C点的位移为______,在B点所受回复力方向为______(以下均选填“正”或“负”),在C点所受回复力方向为______。
【答案】
零,+A,-A,负,正
125.产生机械振动的条件是物体离开平衡位置后_______________________,振动物体所受回复力是按力的________命名的。
【答案】
始终存在指向平衡位置的回复力,效果
126.回复力符合F=-kx的振动叫做______,式中的“-”表示______,对于弹簧振子来说,k就是它的______。
【答案】
简谐振动,回复力与位移相反,劲度系数
127.做简谐振动的弹簧振子,当其位移逐渐减小时,速度一定逐渐______(以下均选填“增大”、“不变”或“减小”),加速度一定逐渐______,动能一定逐渐______。
【答案】
增大,减小,增大
129.
由图可知,关于一次全振动,下列说法中正确的是( )。
(A)从B经O运动到C的过程
(B)从任意一点出发再回到该点的过程
(C)从任意一点出发再首次同方向经过该点的过程
(D)从平衡位置出发再次回到平衡位置的过程
【答案】
C
130.做简谐运动的物体每次经过同一点时具有相同的物理量的是( )
(A)位移、速度和加速度 (B)速度、位移和动能
(C)加速度、位移和动能 (D)回复力、位移和速度
【答案】
C
131.对做简谐运动的物体,下列关于回复力的说法中正确的是( )
(A)振动物体在平衡位置时所受合外力一定为零
(B)振动物体始终受到回复力作用
(C)水面浮木上、下振动时受到重力、水的浮力和回复力的作用
(D)物体所受回复力一定指向平衡位置
【答案】
D
132.做简谐运动的物体,在从最大位移处向平衡位置运动的过程中,下列说法中正确的是( )。
(A)加速度逐渐减小,速度也逐渐减小
(B)是匀加速运动
(C)加速度与速度的方向都与位移的方向相反
(D)回复力总是跟速度反向
【答案】
C
133.拍皮球时皮球的上下运动是不是简谐运动?为什么?
【答案】
不是,因为皮球在下落到地面前的过程中所受重力是不变的,不符合回复力与位移成正比的规律
134.一做简谐运动的物体由平衡位置出发开始向正方向振动,离开平衡位置的最大距离为10cm,每次完成一次全振动所需时间为4 s,求:
(1)它在1 s末、2 s末、3 s末的位移。
(2)它在第1 s、第2 s、第3 s内的位移。
(3)它速度最大的时刻和加速度最大的时刻。
【答案】
(1)0.1 m,0,-0.1 m
(2)0.1 m,-0.1 m,-0.1 m
(3)2k s,k=0,1,2……;(2k+1) s,k=0,1,2……
135.
如图所示为弹簧振子做简谐运动的示意图,若O为振子的平衡位置,规定向右为正方向,请填写下表。
|
振子的运动 |
B→O |
O→C |
C→O |
O→B |
|
速度的方向 |
|
|
|
|
|
速度大小变化情况 |
|
|
|
|
|
加速度的方向 |
|
|
|
|
|
加速度大小变化情况 |
|
|
|
|
【答案】
负,负,正,正,增大,减小,增大,减小,负,正,正,负,减小,增大,减小,增大
136.
如图所示为弹簧振子做简谐运动的示意图,若O为振子的平衡位置,则加速度与速度同方向的是______段;速度和位移反方向的是______段;回复力与位移反方向的是______段。
【答案】
B→O、C→O;B→O,C→O;全过程
137.
如图所示为弹簧振子做简谐运动的示意图,若O为振子的平衡位置,B、C为最大位移处,D为OB的中点,则O→B的平均速度与B→O的平均速度大小______,方向______,O→D的平均速度与D→B的平均速度大小______,方向______。
【答案】
相等,相反,不相等,相同
138.
如图所示为弹簧振子做简谐运动的示意图,若O为振子的平衡位置,加速运动的是______段;减速运动的是______段。
【答案】
B→O、C→O;O→B,O→C
139.
如图所示为弹簧振子做简谐运动的示意图,若O为振子的平衡位置,B、C为最大位移处,D为OB的中点。振子做一次全振动的过程中,与向右经过D点时刻具有相同位移的时刻还有______个,与向右经过D点时刻具有相同速度的时刻还有______个,与经过D点时刻具有相同加速度的时刻还有______个,与经过D点时刻具有相同动能的时刻还有______个。
【答案】
1,1,1,3
140.做简谐运动的物体,当振子位移为负值时( )。
(A)速度不一定为正,加速度一定为正
(B)速度一定为正,加速度一定为负
(C)速度一定为负,加速度一定为正
(D)速度一定为负,加速度也一定为负
【答案】
A
141.对于做简谐运动的弹簧振子,下列说法中正确的是( )。
(A)振子的速度方向总是跟其回复力方向相反
(B)振子由最大位移处向平衡位置的运动是匀加速运动
(C)振子的加速度最大时,速度必最小
(D)振子的加速度方向必跟回复力方向相反
【答案】
C
142.做简谐运动的物体,当回复力为负值时,下列说法中正确的是( )。
(A)速度一定为正,加速度一定为负
(B)速度一定为负,加速度一定为正
(C)速度不一定为正,但加速度一定为正
(D)速度不一定为负,但加速度一定为负
【答案】
D
143.
如图所示,一个质量为m的小球从竖立在地面上的轻弹簧正上方某处自由下落,接触弹簧后将弹簧压缩,在压缩全过程中,弹簧发生的均为弹性形变,那么( )。
(A)当小球的动能最大时,弹性势能为零
(B)当小球的动能减为零时,重力势能最小
(C)当小球的动能减为零时,球的加速度最大
(D)当小球的动能减为零时,球所受的合力大于重力
【答案】
BCD
144.
如图所示,在一轻弹簧下端挂一质量为m的物体,弹簧上端悬挂于天花板上,物体静止时所受合力为零,此时的位置就是平衡位置。如将物体向下拉较少的一点,放手后物体将在平衡位置上下振动,这一振动是不是简谐运动?为什么?
【答案】
是。设平衡时弹簧伸长为x0,弹簧劲度系数为k,则mg=kx0,设将物体向下拉开距离为x,则此时物体受到的弹力比重力大,合力为mg-k(x+x0)=-kx,符合简谐运动条件。
145.质点做简谐运动,每完成一次全振动所用时间都为10 s,在某时刻质点经过某位置,再经过3 s物体第二次经过该位置,那么再经过多少时间质点第三次经过该位置?三次经过该位置时速度方向是否相同?位移是否相同?加速度是否相同?
【答案】
7 s,不同,相同,相同
146.振动物体完成一次全振动所需的时间叫做_________,弹簧振子做简谐运动时,2 s内完成了10次全振动,则该振子振动的周期为________s,频率为______Hz。
【答案】
周期,0.2,5
147.
如图所示为某弹簧振子的振动图像,其振幅为______m,周期为_____s,频率为_____Hz,在图中所标各时刻中加速度最大的是_______时刻,速度最大的是________时刻,速度为正方向的是_______时刻,加速度是正方向的是________时刻。
【答案】
0.4,1.6,0.625,ABF,CE,DEB,D
148.甲、乙两物体均做简谐运动,甲全振动10次,用了15 s,乙全振动20次,用了10 s,则甲、乙两物体的振动周期之比为_____,甲、乙两物体的振动频率之比为______。
【答案】
3∶1,1∶3
149.
如图所示,弹簧振子在CB间做简谐运动,O为平衡位置,CB间距20 cm,C运动到B需时2 s,则振子振动的周期为_____s,振幅为_______m。从B开始经过6 s,振子通过的路程为________m,此时振子的位移为_______m(设向右为正方向)。
【答案】
4,0.1,0.6,-0.1
150.一水平弹簧振子被分别拉离平衡位置5 cm和1 cm后放手,振子都做简谐运动,则前后两次振动的振幅之比为______,周期之比为______,最大回复力之比为______。
【答案】
5∶1,1∶1,5∶1
151.一个做简谐运动的质点,它的振幅为4 cm,若它从平衡位置开始向负方向运动,经2.5 s通过的路程为100 cm,那么该质点振动的周期为_______s,该质点2.5 s末的位移为________m。
【答案】
0.4,-0.04
152.
如图表示一质点做简谐运动的位移随时间变化的图像,由图可知,在t=4 s时刻,质点的( )。
(A)v=0,x为正向最大
(B)v=0,x为反向最大
(C)v为正向最大,x=0
(D)v为反向最大,x=0
【答案】
A
153.弹簧振子做简谐运动,周期为0.2 s,若从振子通过平衡位置开始计时,振子肯定不在平衡位置的时刻为( )。
(A)0.3 s (B)0.4 s (C)0.5 s (D)0.55 s
【答案】
D
154.
某质点做简谐运动的图像如图所示,则下列说法中正确的是( )。
(A)0~0.2 s内质点的加速度逐渐增大
(B)0.2~0.4 s内质点的加速度逐渐增大
(C)0.4~0.6 s内质点的速度逐渐增大
(D)0.6~0.8 s内质点的速度逐渐增大
【答案】
BC
155.某水平弹簧振子以振幅A振动和以振幅2A振动,振子从左边最大位移处运动到右边最大位移处的过程中所用的时间分别为t1和t2,平均速度的大小分别为v1和v2,则( )。
(A)t1>t2,v1>v2 (B)t1<t2,v1>v2
(C)t1>t2,v1<v2 (D)t1=t2,v1<v2
【答案】
D
156.某物体做简谐运动,其振幅为10 cm,物体从某位置出发走过1 cm时正好加速度最大,那么它从该位置起向同方向出发走过的路程为多大时速度值恰好最大?
【答案】
(20k+11) cm,k=0,1,2……
157.某质点在t1时刻处于平衡位置上方最大位移a处,在t2时刻处于平衡位置b且向上振动,2T>(t2-t1)>T。
(1)画出t1到t2这段时间内质点的振动图像。
(2)求在t1到t2这段时间内质点向下运动的时间。
【答案】
\(\frac{4}{7}\)(t2-t1)
158.
如图所示是某质点做简谐运动的图像,已知质点从t=0时刻开始起振,则由图可知:质点起振后的9 s内,通过的路程为______m,质点在t=63 s末时的位移为______m。
【答案】
0.6,0.1
159.一弹簧振子做简谐运动,振幅为4 cm,振子通过平衡位置时的速度为2 m/s,那么振子在经过离平衡位置2 cm处时的速度______(选填“大于”、“等于”或“小于”)1 m/s。
【答案】
大于
160.
一物体做简谐的运动图像如图所示,那么这个振动的振幅为______m,频率为______Hz。在0.15 s时振动物体的位移是______m,在0.05 s到0.1 s的过程中,振动物体的速度逐渐______(选填“增大”或“减小”)。
【答案】
0.1,5,0,减小
161.一个质点做简谐运动,它的振幅为4 cm,频率为2.5 Hz。若质点从平衡位置向正方向运动时开始计时,经过2 s,质点完成了______次全振动,通过的路程为______m,1.1 s末振子的位移为______m。
【答案】
5,0.8,-0.04
162.将一个弹簧振子拉开2 cm后放手,经4 s振子第10次回到出发位置,则该振子的振幅为_____m,振动周期为______s,在此4 s内振子通过的路程为______m,此4 s内振子发生的位移大小为_____m,4 s末振子的位移大小为______m。
【答案】
0.02,0.4,0.8,0,0.02
163.
如图所示为演示简谐运动的装置,当盛砂漏斗下面的薄板被匀速拉动时,摆动着的漏斗中漏出的砂在板上形成的曲线显示摆的位移随时间变化的关系,若拉板N1和N2的速度关系为v1=2v2,则板上曲线所代表的振动周期T1和T2关系是______。
【答案】
1∶1
164.
某质点做简谐运动的图像如图所示,在0.09 s到0.11 s时间内,质点的( )。
(A)速度不一定为正,加速度一定为正
(B)速度一定为正,加速度一定为负
(C)速度一定为负,加速度一定为正
(D)速度一定为负,加速度也一定为负
【答案】
A
165.
甲、乙两质点做简谐运动的图像如图中的x1、x2所示,则( )。
(A)甲的振幅是乙的4倍
(B)甲的周期是乙的4倍
(C)甲的频率是乙的2倍
(D)甲在0.4 s内通过的路程是乙的2倍
【答案】
AD
166.下表中给出的是做简谐运动物体的位移x或速度v与时间的对应关系,T是振动周期,则下列选项中正确的是( )。
|
时间 |
0 |
T/4 |
T/2 |
3T/4 |
T |
|
甲 |
零 |
正向最大 |
零 |
负向最大 |
零 |
|
乙 |
零 |
负向最大 |
零 |
正向最大 |
零 |
|
丙 |
正向最大 |
零 |
负向最大 |
零 |
正向最大 |
|
丁 |
负向最大 |
零 |
正向最大 |
零 |
负向最大 |
(A)若甲表示位移x,则丙表示相应的速度v
(B)若丁表示位移x,则甲表示相应的速度v
(C)若丙表示位移x,则甲表示相应的速度v
(D)若乙表示位移x,则丁表示相应的速度v
【答案】
ABD
167.
如图所示,一根轻质弹簧被竖直固定在地面上,将重物m在弹簧正上方h1高处静止释放,重物m自由下落后与弹簧接触,再经过时间t1后被弹簧向上抛出。如将重物m在弹簧正上方h2(h2>h1)高处静止释放,重物m自由下落后与弹簧接触,再经过时间t2后被弹簧向上抛出,则( )
(A)t1>t2 (B)t1<t2
(C)t1=t2 (D)条件不足,无法确定
【答案】
D
168.质点做简谐运动,从某位置开始经过3 s又回到该位置,再经过4 s质点离平衡位置的距离和原来相同,则它的周期可能为多大?
【答案】
14,8,\(\frac{14}{3}\)
169.已知某质点在一直线上做简谐运动,振幅为5 cm,第2 s末经过平衡位置,第3 s末在正方向最大位移处,且周期T大于1 s,试画出它的振动图线。
【答案】
略
170.组成单摆的条件是______、______和______,单摆周期公式适用的条件是______,单摆的等时性是指单摆做简谐运动的周期与______无关。
【答案】
摆线不可伸长,摆球质量远大于摆线质量,摆球直径远小于摆线长,最大偏角小于5度,振幅
171.有一个单摆周期为T,若将其摆长缩短为原来的一半,则其周期变为______T;若将摆球质量变为原来的一半,其周期变为______T;若将其最大摆角减为原来的一半,其周期变为______T。
【答案】
\(\frac{{\sqrt 2 }}{2}\),1,1
172.有两个单摆,摆长之比为3∶1,则其周期之比为_____;若其频率之比为3∶1,则其摆长之比为_______。
【答案】
\(\sqrt 3 \)∶1,1∶9
173.有一个单摆周期为T,若温度降低,其周期将______(选填“增大”、“不变”或“减小”,以下同);若将其从赤道移到北极,则其周期将______;若将其从地面移到高山上,则其周期将______;若将其从地面上移到月球表面,则其周期将______。
【答案】
减小,减小,增大,增大
174.周期为______s的单摆叫做秒摆,其摆长约为______m,若从摆球第一次经过平衡位置时开始计时,到第三次经过平衡位置所需时间为______s,到第三次同方向经过平衡位置所需时间为______s。
【答案】
2,1,2,4
175.一只摆钟,其钟摆可以近似看做单摆,现发现此钟走时慢了,这说明其钟摆的振动周期偏______(选填“大”或“小”)。为使其走时准确,需对摆长进行调整,应______(选填“增大”或“减小”)摆长。
【答案】
大,减小
176.如果月球上的重力加速度是地面上重力加速度值的0.16倍,则将月球上的秒摆移到地球上时,其周期变为( )。
(A)2 s (B)0.8 s (C)0.4 s (D)5 s
【答案】
B
177.关于单摆,下列说法中正确的是( )。
(A)单摆振动时摆球受到重力、绳子拉力和回复力的作用
(B)单摆的振动一定是简谐运动
(C)最大偏角小于5°时才算单摆
(D)单摆经过平衡位置时摆球所受合力不为零
【答案】
D
178.一半径为R的光滑圆弧形凹槽放在竖直平面内,若甲球自圆心处自由下落,乙球从凹槽最低点附近静止起释放,则( )。
(A)甲球先到最低点
(B)乙球先到最低点
(C)两球同时到达最低点
(D)无法比较哪个球先到最低点
【答案】
A
179.有一周期为2 s的单摆,在其悬点正下方距悬点\(\frac{3}{4}\)摆长处钉一小钉后,此单摆的周期将变为( )。
(A)1 s (B)1.25 s (C)1.5 s (D)1.866 s
【答案】
C
180.
在“用单摆测定重力加速度值”实验中,测定如图所示单摆的摆长时,正确的结果应为______。
【答案】
L+D/2
181.在“用单摆测定重力加速度值”实验中,下列说法中正确的是( )。
(A)单摆经过最大位移处时开始计时
(B)单摆开始计时后第一次经过平衡位置时读“1”
(C)量摆长时没有把小球半径计入,将使测得的g值偏大
(D)秒表读数时少算了半分钟,将使测得的g值偏大
【答案】
D
182.一半径为R的光滑圆弧形凹槽放在竖直平面内,若甲球自最低点的正上方自由下落,乙球从凹槽最低点附近静止起释放,为使两球同时到达最低点,甲球原来的高度应为多大?
【答案】
(2k+1)2π2R/8,k=0,1,2……
183.有一只摆钟,其钟摆可视为单摆。现发现此钟每过1 min要慢1 s,为使其走时准确,应把它的摆长调整为原来的多少倍?
【答案】
592/602
184.有一个单摆周期为T,若地球突然引力减小,其周期将______(选填“增大”、“不变”或“减小”,以下同);若地球突然停止自转,则其周期将______,若将其放入升降机内,使升降机加速上升,则其周期将______。
【答案】
增大,减小,减小
185.单摆是理想化的力学模型之一,当单摆的最大摆角在0到10°区间时,单摆的运动非常接近于简谐运动。某一单摆,其振动过程中最大偏角θ=5°,摆球经过平衡位置时,摆球的速度大小为0.2 m/s,则此单摆的摆长是______m,运动的周期是______s。(已知sin5°=0.087,cos5°=0.996)。
【答案】
0.5,1.4
186.
如图(a)所示为双线摆,在纸面前后做小角度摆动时的周期若与图(b)中的单摆做简谐运动时的周期相同,则L1和L2的关系是______。用图(b)所示单摆来代替图(a)所示的双线摆,这种方法称为______。
【答案】
L2=L1sinα,等效替代法
187.地球半径约为火星半径的2倍,地球质量约为火星质量的9倍,则地球上的秒摆移到火星上时,周期将变为______s。
【答案】
3
188.
一单摆做简谐运动的振动图线如图所示,则该单摆的频率为______Hz,摆长为______m,最大偏角为______rad。
【答案】
1.25,0.16,0.063
189.
如图所示为两个单摆做简谐运动的振动图像,则可知这两个单摆的摆长之比为______,最大偏角之比为______。
【答案】
4∶1,1∶1
190.甲乙两人观察同一单摆的振动,甲每经过2.0s观察一次摆球的位置,发现摆球都在其平衡位置处;乙每经过3.0s观察一次摆球的位置,发现摆球都在平衡位置右侧的最高处,由此可知该单摆的周期可能是( )
(A)0.5s (B)1.0s (C)2.0s (D)3.0s
【答案】
AB
191.
如图所示,长度都为L=0.4m的两根细绳,一端系着同一个小球A,另一端分别系于相同高度的两点上,两绳间的夹角α=120°。现使小球A在竖直平面上(垂直纸面)做小角度的摆动,当小球A经过最低位置的瞬间,另一小球B从A的正上方h高处自由落下,经过一段时间后击中A球,则h的可能值为( )。
(A)0.1π2 m (B)0.2π2 m (C)0.3π2 m (D)0.4π2 m
【答案】
AD
192.单摆的摆球是一个装满水的空心金属球,摆动时水从底部的小孔流出,直到流完,那么在摆动过程中,单摆的周期将( )。
(A)保持不变 (B)逐渐变小
(C)先变大后变小,最终恢复原来的大小 (D)逐渐变大,最后保持最大
【答案】
C
193.一单摆在地球表面做简谐运动时周期为T,移至某天体表面做简谐运动时其周期为\(\frac{{\sqrt 2 }}{2}\)T。该天体的质量为地球质量的8倍,则该天体的第一宇宙速度是地球的第一宇宙速度的( )。
(A)\(\frac{{\sqrt 2 }}{2}\) (B)2倍 (C)1/2 (D)\(\sqrt 2 \)倍
【答案】
B
194.在做“用单摆测定重力加速度值”实验时,为使实验尽可能精确,以下器材中:
(A)20 cm长的尼龙线,(B)1 m长的细线,(C)50 cm长的橡皮绳,(D)直径1.5 cm的小铁球,(E)直径5 cm的大木球,(F)直径2 cm的小木球。摆球应选用______,摆线应选用______。
【答案】
D,B
195.实验中若测得的重力加速度值偏小,则可能的原因是( )。
(A)将摆线长当成摆长了
(B)量摆长时将摆线拉得过紧了
(C)测周期时将29次全振动的时间当成30次全振动的时间了
(D)测周期时将31次全振动的时间当成30次全振动的时间了
【答案】
AC
196.地球半径为R,一单摆在地面上时,在一段时间内振动了N次,放在高山上,在相同一段时间内振动了(N-1)次,求此山的高度。
【答案】
\(\frac{R}{{N - 1}}\)
197.某行星质量为地球质量的4倍,半径为地球半径的3倍,球地面上走时准确静摆钟放到该和星表面时,时针走一圈为多少小时。
【答案】
18 h
198.如果空间介质中某个质点发生振动,由于质点之间存在_______,这个质点的振动就会引起附近质点的振动,而附近质点的振动又会引起更远的质点的振动,这种振动由近及远的传播就形成了_____。做______的质点产生的机械波叫简谐波。
【答案】
相互作用,机械波,简谐振动
199.形成机械波的条件是______和______。宇航员在月球表面采取矿石样本时,不小心工具掉在地上了,但他听不到工具掉地上时发出的声音,这是因为____________________。
【答案】
振源,介质,月球上没有空气,不能形成声波
200.当介质质点的振动方向与波的传播方向_______时,这样的波叫横波;当介质质点的振动方向与波的传播方向______时,这样的波叫纵波。
【答案】
垂直,平行
201.在细绳上呈现的波形中,有凹凸相间的部分,凹下的部分叫做_______,凸起的部分叫做________,细绳上传播的波是________(选填“横波”或“纵波”),声波在空气中传播时是________(选填“横波”或“纵波”)。
【答案】
波谷,波峰,横波,纵波
202.一根细长的弹性绳水平放置,右端固定,手握住其左端以周期T左右抖动两次停止,设向左为正方向,且手先向左运动,抖动停止后再过时间T,试画出此时绳上的波形。
【答案】
略
203.图中给出了一列向左传播的简谐横波t=0和t=T/4时的波形,试在图中画出t=3T/4时的波形图。

【答案】
略
205.关于机械波,下列说法中正确的是( )。
(A)有机械振动存在就一定有机械波存在
(B)有机械波存在就一定有机械振动存在
(C)机械波沿某一方向传播,质点就沿该方向运动
(D)机械波沿某一方向传播,能量也沿该方向传播
【答案】
BD
205.
一列简谐横波某时刻的波形及传播方向如图所示,则该时刻P点的运动方向为( )。
(A)向上 (B)向下
(C)沿切线方向 (D)向左
【答案】
A
206.下列现象中属于波的是( )。
(A)风吹过麦田时形成的滚滚麦浪
(B)船驶过平静的湖面,湖面上形成的水浪
(C)团体操中演员们此起彼伏形成的人浪
(D)在船摇晃时,船上的乘客都一起左右摇晃
【答案】
B
207.对于横波和纵波,下列说法中正确的是( )。
(A)质点在水平面内振动的波一定是横波
(B)质点振动方向与波传播方向都在水平面内的波一定是横波
(C)某时刻横波中波峰和波谷处的质点位移都是最大
(D)横波中波峰处质点位移最大,波谷处质点位移最小
【答案】
C
208.
一波源连续振动形成的向右传播的一列简谐横波在某时刻的部分波形如图所示,波源振动周期为T,试画出该波T/4后、T/2后、3T/4后的波形。
【答案】
略
209.一列沿x轴正方向传播的简谐横波在振源开始振动16 s末时的波形如图所示,请画出再经过3 s时该波的波形。

【答案】
略
210.
已知某时刻一列横波的波形如图所示,A、B、C、D为四个质点,则它们的位移方向分别是:A点______,B点_____,C点______,D点______;它们的速度方向分别是:A点_______,B点_______,C点______,D点______;它们的加速度方向分别是:A点_____,B点______,C点_____,D点______。
【答案】
上,上,下,下;上,下,下,上;下,下,上,上
211.
一列简谐横波向右传播,某时刻的波形如图所示,试在图中标出a、b质点在\(\frac{3}{4}\)T后的位置a′、b′。
【答案】
最低点,最高点
212.
一列简谐横波沿水平方向传播,某时刻的波形如图所示。若已知此时质点a是向下运动的,那么质点b的运动方向是_____,质点c的运动方向是_____,质点d的加速度方向是______,质点e的加速度方向是______。
【答案】
上,上,下,上
213.
一列简谐横波沿水平方向向右传播,当波源振动两个周期时的波形如图所示,试画出再过\(\frac{1}{4}\)T和\(\frac{3}{4}\)T后的波形。
【答案】
略
214.
如图所示,把足够长的细绳水平放置并使其B端固定,在A端产生一个开始时向下运动的振动,当A端的振动第二次到达下方最低点时,在图中画出此时绳上的波形。当A端从开始振动到第五次到达平衡位置时,在图中画出此时绳上的波形。
【答案】
略
215.一条橡皮长绳右端固定,手握着左端上、下振动,长绳上就有一列横波向右传播,当手突然停止振动时( )。
(A)所有质点都立即停止振动
(B)已经振动的质点继续振动,尚未振动的质点不会振动
(C)靠近手的质点先停止振动,然后才是较远的质点停止振动
(D)离手较远的质点先停止振动,然后才是靠近手的质点停止振动
【答案】
C
216.在平静的湖面上有几片树叶飘着,现在湖中的桥面上竖直掉下一块石头,在湖面上激起水波,则石头掉下处右面湖面上的树叶将( )。
(A)一直向右运动 (B)一边上下振动,一边向右运动
(C)仅上下振动,不向右运动 (D)仍静止不动
【答案】
C
217.
如图所示,一列简谐横波在介质中向右传播,O点为波源,在某时刻波刚好传到图中的B点,则下列说法中正确的是( )。
(A)此时刻P点向上运动,B点速度为零
(B)波从O传到A所需时间与从A传到B所需时间相同
(C)此时刻Q点具有最大速度
(D)A、B两质点的速度总是相同的
【答案】
BD
218.对于横波和纵波,下列说法中正确的是( )。
(A)质点做上、下振动的波叫横波
(B)横波中质点振动位移方向与波传播方向不在一直线上
(C)横波中位移最大的质点一定是波峰
(D)横波中位移最小的质点一定是波谷
【答案】
B
219.
一列沿x轴正方向传播的简谐横波在振源开始振动4 s末时的波形如图所示,此时波源停止振动,请画出再经过3 s时该波的波形。
【答案】
略
220.
一列简谐横波向左传播,某时刻波形如图所示,试在图中画出各质点此时的运动方向及T/8后的大致位置,指出哪些点的位移在波传播过程中总是相同的。
【答案】
上,上,无,下,下,上,上,下;af,bg,dh
221.在20℃的空气中,声波的传播速度为340 m/s,如果它的频率是440 Hz,那么它的波长为_______m。
【答案】
0.77
222.一个波源的振动周期为0.01 s,振幅为4 cm,产生的简谐横波在介质中传播的速度为200 m/s,则这列波的频率为_____Hz,波长为_____m,介质中的振动质点在1 s内通过的路程为_____m。
【答案】
100,2,16
223.一列水波,两个相邻波峰间的距离为25 m,水面上一相对岸静止的小船上的人测得两个相邻波峰通过船所需的时间为5 s,则此水波的波速为_______m/s,频率为_______Hz。
【答案】
5,0.2
224.一列声波,其频率为100 Hz,在空气中传播时测得2 s内传播的距离是680 m。当此波在水中传播时,测得3 s内传播的距离是4500 m,则这列波在空气中的波长为_____m,在水中的频率为_____Hz,在水中的波长为______m。
【答案】
3.4,100,15
225.波传播的是振动的形式,同时也是传递_____的一种方式,而质点并没有随波的传播而迁移。一列波的频率是3 Hz,传播速度是2.4 m/s,那么这列波在传播方向上相隔20 cm的两点间有_______个波长。
【答案】
能量,0.25
226.一列水波在静止的湖面上传播时,某处有一软木塞在水面上上、下运动,它从最低位置运动到最高位置至少需0.2 s。若已知水波的波速是5×10-2 m/s,则水波的波长为_______m。
【答案】
0.02
227.关于波长,下列说法中正确的是( )。
(A)横波的两个波峰之间的距离等于一个波长
(B)在振动过程中到平衡位置的距离总相等的两个相邻质点间的距离等于一个波长
(C)横波上某一波峰和与其相邻的波谷间的距离等于一个波长
(D)波源开始振动后,在振动的一个周期里波传播的距离等于一个波长
【答案】
D
228.一列简谐横波在水面上向东传播,波峰移动速度为v,相邻两波峰间的距离为a。水面上漂浮着一片很小的木片,木片随水波而动,则它向东运动的速度及上下振动的周期分别为( )。
(A)v,\(\frac{a}{v}\) (B)0, \(\frac{a}{v}\) (C)v,\(\frac{v}{a}\) (D)0,\(\frac{v}{a}\)
【答案】
B
229.关于波的传播和波上质点的振动,下列说法中正确的是( )。
(A)质点振动的速度就是波传播的速度
(B)质点振动的频率就是波传播的频率
(C)质点振动的方向就是波传播的方向
(D)质点振动一周通过的路程就是一个波长
【答案】
B
230.
如图所示,一根张紧的水平弹性绳上的S点在外力的作用下沿竖直方向做简谐运动,在绳上形成一列简谐横波,分别向左、右两侧传播。在S点左、右两侧有A、B、C、D四点,且AB、BS和SC距离相等,CD的距离为SC距离的2倍.则下列说法中正确的有( )
(A)若B点的位移与S点的位移始终相同则A点的位移一定与S点的位移始终相同
(B)若B点的位移与S点的位移始终相反则A点的位移一定与S点的位移始终相反
(C)若C点的位移与S点的位移始终相同则D点的位移一定与C点的位移始终相同
(D)若C点的位移与S点的位移始终相反则D点的位移一定与C点的位移始终相同
【答案】
ACD
231.第一次测定声音在水中的传播速度是1827年在日内瓦湖上进行的:两只船相距14 km,在一只船上实验员向水里放一口钟,当他敲钟的时候,船上的火药同时发光,另一只船上的实验员向水里放一个听音器,他看到火药发光后10 s听到了水下的钟声,计算一下水中的声速是多大。
【答案】
1400 m/s
232.在距离峭壁前600 m处,静止的汽车上的超声波测距仪正对峭壁发出2×105 Hz的超声波。经过3.58 s接收到反射回来的信号——同频率的超声波,试求:
(1)超声波在空气中的传播速度的大小。
(2)这一超声波信号在空气中的波长。
【答案】
335.2m/s,1.676×10-3m
233.绳上有一列简谐横波向右传播,当绳上A点向上运动到最大位移时,在其右方相距0.3 m处的质点B刚好向下运动到最大位移,如果已知其波长大于0.15 m,则此波的波长可能是____m,______m或______m。
【答案】
0.6,0.2,0.12
234.一列简谐波向右传播,波长为0.4 m,波速为1 m/s,振幅为5 cm,某时刻质点M恰处于平衡位置且向下运动,则此后的0.5 s内质点M通过的路程为_____m,0.5 s末质点M的位移为_______m。
【答案】
0.25,-0.05
235.波在从一种介质传到另一种介质时保持不变的是波的_____。声波在空气中传播的速度为340 m/s,在某种介质中传播的速度为1700 m/s,则在空气中波长为20m的声波,在这种介质中的波长是_____m。
【答案】
频率,100
236.助动车行驶时,从排气管排出的废气造成空气振动的频率为50 Hz。设空气中的声速为340 m/s,则其形成的声波的波长为_____m。若助动车行驶速度增大,则产生的声波的波长将_______(选填“变长”、“不变”或“变短”)。
【答案】
6.8,变短
237.在水面上沿水波传播的方向上有甲、乙两船,相距24 m,它们每分钟都上下振动20次。当甲船在波谷时乙船恰在波峰,且甲、乙两船间还有一峰,则此水波的波长为_____m,此水波的波速为_____m/s。
【答案】
16,5.33
238.沿波传播方向上有甲、乙两点,相距8 m。某时刻波恰好传到其中某点,之后20 s内甲振动8次而乙振动10次,则其波长为_______m,波速为_____m/s,周期为_______s。
【答案】
4,2,2
239.关于波长,下列说法中正确的是( )。
(A)在振动过程中,对于平衡位置的位移始终相等的两质点间的距离叫波长
(B)两相邻的位移最大的质点间的距离为一个波长
(C)两相邻的处于平衡位置的质点间的距离为一个波长
(D)两相邻的速度始终相同的质点间的距离为一个波长
【答案】
D
240.一列横波在某种介质中传播时的波速为v,波长为λ。某时刻,介质中一质点处于平衡位置,到该质点再次经过平衡位置所用的时间是( )。
(A)\(\frac{\lambda }{{2v}}\) (B)\(\frac{\lambda }{{v}}\) (C)\(\frac{2\lambda }{{v}}\) (D)\(\frac{2v }{{\lambda}}\)
【答案】
A
241.在波的传播方向上有相距2.5 m的A、B两质点,当A质点处于波峰位置时B质点刚好处于波谷位置,则这列波的波长可能是下列值中的( )。
(A)1 m (B)2 m (C)2.5 m (D)3 m
【答案】
A
242.振源S上、下振动,频率为20 Hz,产生一列水平向右传播的简谐横波,波速为40 m/s。当S具有向上的最大速度时,在传播方向上距S为6.5 m处的质点应具有( )。
(A)向上的最大速度 (B)向下的最大速度
(C)向上的最大加速度 (D)向下的最大加速度
【答案】
C
243.一列简谐横波,沿波传播方向上依次有相距60 cm的A、B两质点。
(1)某时刻观察到A处是波峰,B处是波谷,求其波长。
(2)若某时刻观察到A、B两处都是波峰,波长又为多少?
【答案】
1.2/(2k+1),0.6/k
244.在沿水平长绳传播的方向上有相距3 m的甲、乙两点,若固定长绳一端而握住其另一端每分钟上下振动10次,当甲在波谷时乙恰在波峰,求该波的波长和波速的可能值。
【答案】
6/(2k+1),1/(2k+1)
245.
如图所示为一列简谐横波在某一时刻的波形图,则这列波的波长为______m,质点振动的振幅为_____m。如果波的传播速度为4.8 m/s,这列波的周期为_______s。
【答案】
2.4,0.002,0.5
246.
如图所示为一列简谐横波在某一时刻的波形图,已知波的频率为2 Hz,则这列波的波长为_______m,波速为________m/s。若在x=6 cm上的质点此时正向y轴负方向运动,该波的传播方向为_____。
【答案】
0.08,0.16,向左
247.
如图为一列沿x轴正方向传播的横波在t=0时的波形图。已知波速为60 m/s,经过1 s,x=0的质点第一次到达正方向最大位移处,则这列波的波长为_______m,6 s内x=0的质点通过的路程为_____m,第7 s末,x=0的质点的位移是_____m。
【答案】
240,0.12,-0.02
248.
如图所示为一列向右传播的横波在某一时刻的波形图,已知波速为2 m/s,则该波的波长为______m,振幅为______m,周期为_____s。在x=4 cm上的质点此时的运动方向为______。
【答案】
4,0.05,2,y轴负方向
249.
如图所示为一列横波在某一时刻的波形图,图中a、b、c、d、e为波传播方向离开各自平衡位置距离相等的四点,比较这五点的运动方向和加速度的方向,则与a点运动方向相同的质点有______,与a点加速度方向相同的质点有_______。
【答案】
de,be
250.
如图所示为一列横波在某一时刻的波形图,该波向右传播的波速为2 m/s,则下列说法中正确的是( )。
(A)每个质点都以2 m/s的速度同右做匀速运动
(B)质点振动方向与波的传播方向垂直
(C)质点的振幅为2 cm,周期为0.02 s
(D)质点的振幅为4 cm,频率为50 Hz
【答案】
BC
251.
如图所示,一列简谐横波向x轴正方向传播,从波传播到x=5 cm的M点时开始计时,已知P点相继出现两个波峰的时间间隔为0.4 s,则下列说法中正确的是( )。
(A)这列波的波长是5 m
(B)这列波的波速为10 m/s
(C)质点Q(x=9 cm)经过0.5 s才第一次到达波峰
(D)此时刻P点的振动方向向下
【答案】
D
252.
如图所示为同一类机械波Ⅰ和Ⅱ在同种介质中传播时某时刻的波形图,则下列说法中正确的是( )。
(A)波Ⅱ的传播速度比波Ⅰ的传播速度大
(B)波Ⅱ的频率比波Ⅰ的频率大
(C)波Ⅱ的周期比波Ⅰ的周期大
(D)波Ⅱ的波长比波Ⅰ的波长大
【答案】
B
253.
如图所示,一列简谐横波沿x轴正方向传播,某时刻(t=0)波传播到x轴上的B点,在其左方的A质点正在负最大位移处。在t=0.6 s时,A质点第二次出现在正最大位移处,则( )。
(A)该波的波速为5 m/s
(B)t=0.6 s时质点C在平衡位置处且向上运动
(C)t=0.6 s时质点C在平衡位置处且向下运动
(D)当质点E第一次出现在正最大位移处时,质点B恰好在平衡位置处且向下运动
【答案】
AB
254.
如图所示为某一时刻一列简谐横波的波形图,波的传播速度为2.4 m/s,在该时刻质点A的运动方向是向上的。
(1)波向什么方向传播?
(2)质点P从这一时刻起在0.625 s内通过的路程。
(3)求波经过0.625 s传播的距离,并画出0.625 s后的波形图。
【答案】
向右,0.1m,1.5m
255.
一简谐横波的波源在坐标原点O处,经过一定时间振动从O向右传到A点,波的周期为0.1 s,此时波形如图所示,若从此时开始计时,则:
(1)经过0.05 s波传到哪点?此时该点的运动方向向哪里?
(2)当波传到C点时,A点的位移和运动方向如何?
(3)当波传到D点时,A点的位移和运动方向如何?
【答案】
(1)B,向上
(2)-0.08m,无
(3)0,向下
256.
一列简谐横波在t=0时刻的波形如图中实线所示,经过时间Δt后变成图中虚线所示的波形,已知波向左传播,时间Δt小于一个周期,图中坐标为(12 cm,2 cm)的A点,经过时间Δt后的振动状态传播到B点,则B点的坐标为(_____cm,_____cm),此时刻A点的坐标为(_____cm,_____cm),A点在时间Δt内通过的路程为_____m。
【答案】
3,2,12,0,0.06
257.
如图所示为一列简谐横波在t=0时刻的波形图,若波速为0.5 m/s,则波的周期为_____s,已知波向x轴正方向传播.则可知M点经_____s第三次到达正方向最大位移处。
【答案】
0.8,1.8
258.
一简谐横波在x轴上传播,在某时刻的波形如图所示,已知此时质点F的运动方向向下,则在图中标出的点中,此时具有正方向最大速度的点是_____,具有正方向最大加速度的点是_____,动能在减小的点是_____。
【答案】
A,G,BF
259.
如图所示为波源开始振动一个周期后,在介质中形成的波形。设介质中质点的振动周期为T,若N点为波源,则此时P点已振动了_____T;若M点为波源,则此时P点已振动了_____T。M点开始振动时的运动方向向_____。
【答案】
3/4,1/4,下
260.
如图所示,质点O从t=0时刻开始做简谐运动,图中Ox表示一根弹性长绳,OA=14 m,AB=BC=10 m。在第2 s内A比B多振动2次,B比C多振动5次,第2 s末波已经过C点,则波速为_____m/s,介质中质点的振动频率为_____Hz。
【答案】
20,10
261.有一列简谐横波的频率为10 Hz,当这列波上的质点P到达其平衡位置且向下运动时,在其右方0.6 m处的Q点刚好到达正方向最大位移处,由此可知波的传播速度和传播方向可能是( )。
(A)8 m/s,向右传播 (B)8m/s,向左传播
(C)24 m/s,向右传播 (D)24 m/s,向左传播
【答案】
BC
262.一列简谐横波在均匀介质中传播,A、B为传播方向上相距0.3 m的两质点,当A向上运动到最大位移处时,B正好向下运动到最大位移。已知波长大于0.15 m,则该波的波长可能是( )。
(A)0.2 m (B)0.4 m (C)0.6 m (D)0.8 m
【答案】
AC
263.在一列简谐横波的传播方向上依次有相距L的两质点M和N,某时刻两质点都处于平衡位置,且M和N两质点间只有一个波谷。若波速一定,则由以上条件可以判定质点M第一次到达波峰时间的可能值有( )。
(A)1个 (B)2个 (C)3个 (D)4个
【答案】
C
264.
如图所示,一列在x轴上传播的横波t0时刻的波形用实线表示,经Δt=0.2 s时,其波形用虚线表示,已知波长为2 m,则下列说法中正确的是( )。
(A)若波向右传播,则最大周期为2 s
(B)若波向左传播,则最大周期为2 s
(C)若波向左传播,则最小波速为9 m/s
(D)若波速是19 m/s,波必向左传播
【答案】
ACD
265.一列横波沿某一直线传播,直线上有A、B两个质点,A在B的右面,它们的平衡位置之间的距离为0.5 m。某时刻质点A在正方向最大位移,B质点在平衡位置,向负方向运动。
(1)若已知质点A开始振动比质点B早0.1 s,求这列波的波长、波速和频率可能值。
(2)若波长为0.4 m,则这列波向什么方向传播?
【答案】
(1)2/(4k+3)m,5m/s,2.5(4k+3)Hz
(2)向左
266.
如图所示,一根张紧的水平弹性长绳上的a、b两点相距为21.0 m,b点在a点的右方。当一列简谐横波沿此长绳向右传播时,若a点的位移达到正极大时,b点的位移恰为零,且向下运动,经过1.00 s后,a点的位移为零,且向下运动,而b点的位移恰达到负极大,求这列波的波速可能值。
【答案】
21(4k2+1)/(4k1+3),k1=0,1,2……,k2=0,1,2……
2006 - 2026,推荐分辨率 1024*768 以上,推荐浏览器 Chrome、Edge 等现代浏览器,截止 2021 年 12 月 5 日的访问次数:1872 万 9823。 站长邮箱
