1.阴极射线是 ( )
(A)光子流 (B)电子流
(C)质子流 (D)中子流
【答案】
B
2.物体在做匀速圆周运动的过程中,保持不变的物理量是 ( )
(A)位移
(B)路程
(C)线速度
(D)角速度
【答案】
D
3.
如图,物体沿倾角为α的光滑固定斜面滑下,重力加速度大小为g,则物体运动的加速度大小为 ( )
(A)gsinα
(B)gcosα
(C)gtanα
(D)gcotα
【答案】
A
4.碳的同位素146C的原子核中有 ( )
(A)6个质子,8个中子
(B)8个质子,6个中子
(C)6个质子,14个中子
(D)14个质子,6个中子
【答案】
A
5.
如图,弹簧振子在B、C间做无摩擦的往复运动,振子小球在平衡位置O时,达到最大值的物理量是 ( )
(A)位移
(B)速度
(C)加速度
(D)回复力
【答案】
B
【解析】
无
6.a、b和c三个带电小球,c带负电,a和b相互排斥,b和c相互吸引。则 ( )
(A)a和b均带正电
(B)a和b均负电
(C)a带负电,b带正电
(D)a带正电,b带负电
【答案】
A
7.
如图,两个共点力 F1、F2 大小恒定,当两者的夹角 θ 从 60° 逐渐增大到 120° 的过程中,合力 ( )
(A)逐渐增大
(B)逐渐减小
(C)先增大后减小
(D)先减小后增大
【答案】
B
【解析】
无
8.
如图,一物体在水平面上受到水平向右、大小为8 N的恒力F作用,在4 s时间内,向右运动2 m,则在此过程中,力F对物体所做的功和平均功率分别为 ( )
(A)32 J,4 W (B)32 J,8 W
(C)16 J,8 W (D)16 J,4 W
【答案】
D
【解析】
无
9.
在“用多用表测电阻”的实验中,选用“×10”倍率的欧姆挡测量一电阻时,指针指在刻度20和30间的中央位置,如图所示,该被测电阻的阻值R所在区间为 ( )
(A)20Ω<R<25Ω
(B)25Ω≤R<30Ω
(C)200Ω<R<250Ω
(D)250Ω≤R<300Ω
【答案】
C
10.
如图,在电荷量为 Q 的点电荷产生的电场中,电荷量为 q 的负检验电荷在 A 点受到的电场力为 F,方向水平向左。则 A 点的电场强度 ( )
(A)E = F/q,方向水平向左
(B)E = F/q,方向水平向右
(C)E = F/Q,方向水平向左
(D)E = F/Q,方向水平向右
【答案】
B
11.质点以加速度a做匀变速直线运动,以过一段时间,质点的速度为vt,速度的改变量为Δv ,则( )
(A)a与vt方向一定相同
(B)a与vt方向一定相反
(C)a与Δv方向一定相同
(D)a与Δv方向一定相反
【答案】
C
【解析】
无
12.
如图,一个圆环以直径AB为轴做匀速转动,环上P、Q两点的线速度分别为vP、vQ,角速度分别为ωP、ωQ,则 ( )
(A)vP>vQ,ωP>ωQ
(B)vP>vQ,ωP=ωQ
(C)vP=vQ,ωP=ωQ
(D)vP=vQ,ωP>ωQ
【答案】
B
13.
如图,开口向下的玻璃管竖直插在水银槽中,管内封闭了一定质量的气体,管内液面高于水银槽中液面。保持气体温度不变,缓慢地将玻璃管向下压。能描述管内气体状态变化过程的图像是(箭头表示状态的变化方向 )( )

【答案】
A
14.
如图,a、b和c三个完全相同的矩形绝缘线框与通电直导线在同一平面内,其中a关于导线左右对称,b和c的右侧平齐。通过a、b和c三个线框的磁分别为Фa、Фb和Фc,则 ( )
(A)Фa>Фb>Фc
(B)Фa=Фb=Фc
(C)Фa<Фb=Фc
(D)Фa<Фb<Фc
【答案】
D
15.
甲、乙两物体沿同一直线运动,右图为他们运动的s-t图,则 ( )
(A)甲、乙在t2时刻相遇
(B)甲、乙在t1时刻相距s0
(C)甲的速率小于乙的速率
(D)甲做减速运动,乙做加速运动
【答案】
C
16.右图为一列沿x轴传播的横波在某时刻的波形图,该波的波长为________m,振幅为_______cm 。

【答案】
4,10
16.放射性物质放出的射线有α射线、β射线和________射线,在这三种射线中,电离本领最强的是________射线 。
【答案】
γ,α
18.在“用单分子油膜估测分子大小”的实验中,若一滴油酸酒精溶液中油酸所占的体积为V,在水面上散开形成的油膜面积为S,则油酸分子的直径d=________。如果实验中油膜没有完全散开,则得到的油酸分子直径_________(选填“偏大”或“偏小 ”)。
【答案】
\(\frac{V}{S}\);偏大
【解析】
无
19.
如图,匀强磁场区域宽为d,一正方形金属线框abcd的边长为L,且L>d,线框平面与磁场垂直,bc边与磁场区域边界平行。线框以垂直于磁场边界的速度匀速通过磁场区域,速度大小为v,则线框进入磁场时产生的感应电流的方向是____________方向(选填“顺时针”或“逆时针”),从进入磁场区域,到完全离开磁场区域的整个运动过程中,线框中存在感应电流的时间为 ___________。
【答案】
逆时针,2d/v
20.
右图为利用光敏电阻设计的行人监控装置原理图。R1为光敏电阻,其阻值随光照减弱而增大,R2为定值电阻,A、B接监控器,其在电路中的作用相当于一个定值电阻,电源电压不变。当有人走过通道,光线受到遮挡时,加在监控器上的电压将________(选填“增大”、“减小”或“不变”),通过R1的电流将________(选填“增大”、“减小”或“不变 ”)。
【答案】
减小,减小
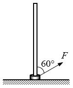
21.
如图,足够长的竖直光滑直杆固定在地面上,底部套有一个小环。在恒力F作用下,小环由静止开始向上运动。F与直杆的夹角为60°,大小为小环所受重力的4倍。1s末撤去F,此时,小环的速度为________m/s,取地面为零势能面,小环由静止开始向上运动过程中,动能等于势能的所有位置离地面高度h________(g取10m/s2)。
【答案】
10,∈[0,5]m
【解析】
无
22.
如图,A、B为绝缘天花板上的两点,带正电的小球1固定在A点,带电小球2用绝缘细线悬挂在B点,并保持平衡。在图中标出小球2的带电性质,且将小球2的受力示意图补充完整 。
【答案】

22.
如图,在条形磁铁正中央的上方有一垂直于磁铁的通电直导线,电流I的方向垂直纸面向里。在图中画出磁铁的磁场在导线处磁感应强度B的方向,以及导线所受磁场力F的方向,并分别用字母标明 。
【答案】

23.
如图为“用DIS研究机械能守恒定律”的实验中,将一传感器先后分别固定在竖直板上的D、C和B三点,最低点D作为零势能点。逐次将摆锤从A点自由释放,分别测出摆锤经过D、C和B点时的速度 。
(1)实验中使用的传感器是___________传感器。
(2)已知摆锤的直径为Δs,由传感器测出摆锤通过传感器时的挡光时间为Δt,则摆锤经过传感器时的速度大小为___________。
(3)已知B、C两点与最低点D和高度差分别为hB、hC,实验测得摆锤经过B、C两点时的速度分别为vB、vC,重力加速度为g。为了证明摆锤在B、C两点的机械能相等,需要得到的关系式是___________。
(4)某同学由于操作不当,测得摆锤在B点的机械能明显比在A、C和D的机械能大,其原因可能是___________。
【答案】
(1)光电门
(2)Δs/Δt
(3)\(\frac{1}{2}\)vB2+ghB=\(\frac{1}{2}\)vC2+ghC
(4)测B点速度时,光电门传感器固定在B点下方;或测B点速度时,摆锤释放点高于A点;或测B点速度时,摆锤离开A点时速度不为零。
【解析】
无
24.
如图,气缸竖直放置在水平桌面上,用截面积S=100cm2的活塞封闭一定质量的气体,不计活塞质量和摩擦,大气压强p0=1.0×105Pa。用固定在图示位置处的力传感器可测量活塞作用在传感器上沿竖直方向的力。当缸内气体温度t1=27℃时,压强为p0,力传感器恰好和活塞接触,且示数为零。若保持活塞位置不变,缓慢升高缸内气体温度,当力传感器的示数为100N时,
求 :(1)缸内气体的压强p2;
(2)缸内气体的温度t2。
【答案】
(1)p2=1.1×105Pa
(2)t2=57℃ 2分
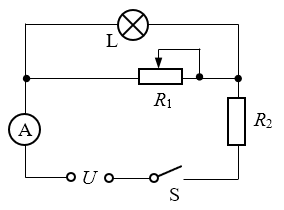
25.
如图所示电路中,滑动变阻器R1的最大阻值为24 Ω,滑片位于中点。定值电阻R2的阻值为4 Ω,小灯泡L规格“12 V 6 W”,电流表A为理想电表,闭合电键S,小灯泡正常发光,求 :
(1)电流表的读数I;
(2)电源电压U;
(3)若滑动变阻器接入电路的阻值为8 Ω,不考虑小灯泡L阻值的变化,求小灯泡的实际功率P。
【答案】
(1)电流表示数I=1.5 A
(2)电源电压U=18 V
(3)小灯泡实际功率P=4.86 W
26.如图(a),AB为足够长的粗糙水平轨道,D为AB上的一点,DB长度s=2m,BC为光滑圆弧轨道,两轨道在B点平滑连接。C点高度H=4 m,质量m=1 kg的滑块,在水平向右的恒力F=10 N作用下,从D点由静止开始运动,受到恒定的摩擦力f=6 N。当滑块运动到B点时,撤去恒力F。求:(g取10 m/s2 )
(1)滑块从D点运动到B点的时间t;
(2)滑块在圆弧轨道BC上所能达到的最大高度hm;
(3)若改变恒力F的大小和出发点D的位置,并使F的大小与DB的长度s满足图(b)所示关系,其他条件不变,通过计算判断滑块是否可以到达C点。

【答案】
(1)t=1 s
(2)hm=0.8 m
(3)由牛顿第二定律:F-f=ma,又vB=\(\sqrt {2as} \)
再由机械能守恒定律,滑块能达到的最大高度h满足:
mgh=\(\frac{1}{2}\)mvB2,得:h=\(\frac{{v_B^2}}{{2g}}\) =\(\frac{{(F - f)s}}{{mg}}\)
由F-s图像得:F=18-s
代入前式,得:h=\(\frac{{(12 - s)s}}{{10}}\)=\(\frac{{36 - {{(s - 6)}^2}}}{{10}}\)
当s=6 m时,h有最大值hmax=3.6 m
又H=4 m>3.6 m,故到不了C点。
【解析】
无
2006 - 2026,推荐分辨率 1024*768 以上,推荐浏览器 Chrome、Edge 等现代浏览器,截止 2021 年 12 月 5 日的访问次数:1872 万 9823。 站长邮箱
