1.电灯泡里的灯丝往往是在点燃的一瞬间被烧断,这是什么缘故?
【答案】
灯泡正常工作时的电阻(热电阻)要比不工作时的电阻(冷电阻)大得多,在灯点燃的瞬间,加在灯两端的电压为额定值,而灯的电阻还只是很小的冷电阻,在这一瞬间流过灯丝的电流(启动冲击电流)要比灯丝正常工作时的电流要大得多,所以在这一瞬间灯丝最容易被烧断。尤其是已经老化了的灯丝更容易在这一瞬间被烧断,这是因为,经过长时间的工作后原来不太明显的粗细不均将会变得较为明显,(灯丝细处电阻大,因而升温快,挥发也快,结果是变得更细),在启动冲击电流的作用下,这变细的部分将是最容易被烧断的。
2.在横截面积为0.5 m2的电解液中,
(1)若5 s内沿相反方向通过此横截面的正、负离子的电量均为5 C,求电解液中的电流强度。
(2)若5 s内到达负极的阳离子的电量与到达正极的阴离子的电量均为5 C,求电流强度。
【答案】
(1)2 A
(2)1 A(提示:对阳极,由电解液导电原理可知,到达阳极的电荷只有负离子)
3.已知两个不同的电阻R1、R2,若它们串联时的总电阻是并联的k倍,则k的取值范围( )
(A)1<k<3 (B)k>4 (C)1≤k≤4 (D)k≥4
【答案】
B
4.
如图所示的电路中,电源电压9 V,灯泡L的电阻为12 Ω。闭合开关后,若要使滑动变阻器滑片P无论如何移动,电压表的示数变化范围总有在3~6 V之间,求R1的阻值和滑动变阻器的最大电阻。
【答案】
R1=6 Ω,Rʹ=18 Ω
6.
某同学制作了一把电热切割器如图(a)所示。这种切割器在切割泡沫塑料或者吹塑纸的过程中,由于它能使接触的局部迅速融化而使切割面直而光滑,这种电热切割器的制作是很简单的,弹性绝缘弓可用竹片制成,而电阻丝可用废电热毯里的电阻丝或者用镍铬合金丝制成,电阻取2.0 Ω(不计温度影响),用来调节的限流器是一个最大电阻为5.0 Ω的旋转式可变电阻器,整个装置的电原理图如图(b)所示。问:
(1)如果选用电阻率ρ=5.0×10-7 Ω·m,截面积为0.05 mm2的镍铬合金丝做电阻丝,应取多长?
(2)如果所用电源的电动势E=9 V,内阻r=0.5 Ω。为了使切割器获得8 W的电功率,那么可变电阻器的有效电阻应调节到多少欧姆?
(3)利用此电源,切割器可获得的最大功率应为多大?
(4)为了保证可变电阻器能安全工作,那么可变电阻器的额定功率不得小于多大?
【答案】
(1)L=0.2 m
(2)R′=2 Ω
(3)Pm=25.92 W
(4)Pm=8.1 W
7.有一个功率P=100 W的钨丝灯,供电电压U=220 V,求钨丝的直径、质量和长度。(钨丝的工作温度为2700℃,在此温度下其电阻率ρ=90×10-6 Ω·cm,钨丝的单位表面辐射功率W=153 W/cm2,钨的密度ρ是水密度的19倍。假设钨丝的横截面是圆的)
【答案】
直径3.7×10-2 mm;质量0.011 g;长度56 cm
【解析】
对电阻丝有R=ρL/S,对电路有R=U2/P,由题设可知灯的功率等于钨丝表面辐射功率,即P=WπdL,又钨丝质量应为m=μπd2L/4,联解以上各式即可。
直径3.7×10-2 mm;质量0.011 g;长度56 cm。
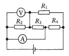
8.画出如图所示电路的等效电路。

【答案】
见图,V测的是R2、R3上的电压;A测的是流过R3、R4电流之和。

9.
如图所示,有A、B、C三个接线柱,A、B间接有内阻不计、电动势为5 V的电源,手头有四个阻值完全相同的电阻,将它们适当组合,接在A、C和C、B间,构成一个回路,使A、C间电压为3 V,C、B间电压为2 V,试设计两种方案,分别画在(a)、(b)中。
【答案】
如图

10.
如图所示,A、B间加的总电压为10 V,又各电阻阻值分别为R1=3 Ω,R2=2 Ω,R3=4 Ω,R4=2 Ω。
(1)若在C、D间接的是电压表,其示数为多大?
(2)若在C、D间接的是电流表,其示数又为多大?
【答案】
(1)\(\frac{5}{7}\)V
(2)\(\frac{5}{{19}}\)A
11.
两个定值电阻R1、R2串联后接在输出电压稳定为U的直流电源上,如图所示。现在拿一个内阻不是远大于R1、R2的电压表接在R1的两端,电压表的示数为U1,如果再把该电压表改接在R2的两端,此时电压表的示数变为U2,则U1∶U2=______。
【答案】
R1∶R2
【解析】
可用推理法或者代值法加以验证。
12.
在如图所示的电路中,已知R2=4 Ω,I1=2 A,U0=7 V,R3上电功率P3=9 W。试求R1和R3的电阻。
【答案】
R1=2 Ω,R3=1 Ω
【解析】
由U2+U3=U0,有I2R2+P3/(I1+I2)=U0,得I2=1 A(-5A不合,舍去)。
所以,U2=I2R2=4 V,R1=U2/I1=2 Ω。
又I3=I1+I2=3 A,R3=P3/I32=1 Ω。
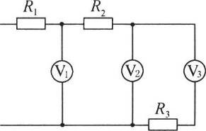
13.
在如图所示的电路中,三个电阻R1、R2、R3的阻值均为R,三只电压表完全相同。已知V1、V2的示数分别为10 V和8 V,求V3的示数。
【答案】
U3≈7 V
14.图中图(a)为半导体材料做成的热敏电阻的电阻值随温度变化的曲线,而图(b)则是用此热敏电阻和继电器做成的温控电路。设继电器的线圈电阻为Rx=50 Ω,继电器中的电流大于或等于IC=20 mA时,继电器的衔铁被吸合,左侧电源的电动势为6 V,内阻可以不计,试问温度满足什么条件时,电路右侧的小灯泡会发光?

【答案】
t≥50℃
15.
如图所示,有一提升重物用的直流电动机内阻为0.6 Ω,R=10 Ω,U=160 V,电压表的示数为110 V。设电动机工作6 h产生的热量为Q1,又已知常温下燃烧0.1 g的乙醇生成CO2气体和液态水,放出热量能使100 g水的温度升高7.1 K。已知c水=4.184 J/K,设乙醇燃烧的热化学方程式中放出的热量为Q2,那么Q1与Q2的关系是( )
(A)Q1>Q2 (B)Q1<Q2
(C)Q1=Q2 (D)无法判断
【答案】
B
16.
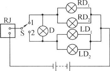
如图所示的是摩托车转向灯电路,其中RJ为闪光器,它可以使电路间歇地通断。D为转向指示灯。当S拨至1位时,前后两个右转向灯RD1、RD2发光,向其他车辆或者路人发出右转信号,同时D灯也闪亮,向驾驶员提供转向灯是否工作正常的信息。左转道理与右转道理是一样的。若四只转向灯用“6 V,10 W”灯泡,D用“6 V,1.5 W”灯泡,试通过计算说明,该电路左右转向灯不同时亮而指示灯都亮的道理。
【答案】
开关S接1时:灯RD1和RD2这两个右转弯指示灯上所加的电压均为6 V,因而这两个灯都正常发亮。此时加在转向指示灯D上的电压UD=RD·E/(RD+RLD/2),这里RD==Ω=24 Ω,RLD==3.6 Ω,所以UD=24.6/(24+3.6/2)V≈5.58 V。
指示灯的功率应为PD=≈1.3 W,而左转指示灯LD此时的电压为ULD=0.42 V,其功率PLD=0.05 W。
可知,在汽车右转弯时,右转弯指示灯RD正常发亮;而左转弯指示灯LD因得到的电功率远小于额定值故不可能发亮;至于指示灯D,因其得到的实际功率接近额定功率,故仍能接近正常发亮。开关S接2时,分析方法同上。
17.某研究所为了确定不同因素对钨丝白炽灯泡平均使用寿命的影响,做了如下三个实验。
实验1:使灯泡内气体压强为0.1 atm,将灯泡内不同粗细而长度相同的钨丝通电加热到24.00 K的恒温,则维持这一温度所需的电流以及灯丝的平均寿命如表1所示。
表1
|
灯丝粗细(μm) |
电流(A) |
平均使用寿命(h) |
|
25 |
0.05 |
800 |
|
50 |
0.20 |
1600 |
|
100 |
0.80 |
3200 |
|
250 |
5.00 |
8000 |
实验2:在灯丝粗细为25 μm的相同灯泡内加入不同数量的惰性气体,从而改变灯泡内部的压强,且使钨丝的温度保持在2400 K。则当灯泡内压强从0.1 atm增大到0.5 atm后,灯泡的平均寿命从800 h增大到6000 h,超过0.5 atm后,灯泡平均寿命递减。
实验3:在压强为0.1 atm、钨丝粗细为250 μm的灯泡内,通过改变流过钨丝的电流来改变灯丝的温度,灯泡的平均使用寿命与灯丝温度及电流的关系如表2所示。
表2
|
灯丝温度(K) |
电流(A) |
平均使用寿命(h) |
|
2400 |
5.00 |
8000 |
|
2600 |
6.61 |
377 |
|
2800 |
7.48 |
29.5 |
|
3000 |
8.38 |
3.4 |
根据上述实验回答下列问题:
(1)实验1中,若灯丝粗细为75 μm,且灯丝的发热电阻为500 Ω,要保证该灯泡的平均使用寿命为2400 h,则加在该灯泡两端的电压不能超过______V。
(2)在相同的温度下,下列四种灯泡中灯丝平均寿命最长的是( )
A.50 μm粗细的灯丝并充有2.5 atm的惰性气体
B.50 μm粗细的灯丝并充有2.5 atm的惰性气体
C.50 μm粗细的灯丝并充有2.5 atm的惰性气体
D.50μm粗细的灯丝并充有2.5 atm的惰性气体
(3)根据实验3的结果,在与实验3相同的实验条件下,可以预测钨丝工作温度在2300K时,其平均使用寿命最接近于( )
A.50 h B.500 h C.2400 h D.24000 h
【答案】
(1)225 V
(2)D
(3)D
18.有三个电阻分别为10 Ω、20 Ω、30 Ω的电阻,把它们按不同的方式连接后,接到电压不变的直流电源上。
(1)总电路中可能获得的最大电流和最小电流之比是多少?
(2)对20 Ω电阻来说,在各种连接方式中能使它获得最大功率的连接方式有几种?能使它获得最小功率的有几种?分别画出这些连接方法,并求最大功率和最小功率之比是多少?
【答案】
(1)11∶1
(2)

121∶4
19.
在如图所示的电路中,电源电动势为E,电源内阻和电流表A的内阻均不计,滑动变阻器的最大阻值为R0,定值电阻R1=R0,当变阻器的滑动端P从a端滑向b端的过程中,电流表A的示数变化规律是( )
(A)一直减小 (B)一直增大
(C)先减小后增大 (D)先增大后减小
(E)无法确定
【答案】
B
20.
如图所示,输入电压UAB=200 V,可变电阻R0标有“150 Ω,3 A”,负载电阻R标有“50 Ω,2 A”,则UAB的变化范围是多少?
【答案】
75 V≤Uab≤100 V
21.
如图所示,两只相同的白炽灯L1和L2串联接在电压恒定的电路中。若L1的灯丝断了,经搭丝后与L2串联,重新接在原电路中,则此时L1的亮度与灯丝未断时比较( )
(A)不变 (B)变亮 (C)变暗 (D)条件不足,无法判断
【答案】
B
22.有一个直流电动机,把它接入0.2 V电压的电路时,电机不转,测得流过电动机的电流是0.4 A。若把电动机接入2.0 V电压的电路中,电动机正常工作,工作电流是1.0 A。求电动机正常工作时的输出功率,如果在电动机正常工作时,转子突然被卡住,电动机的发热功率为多大?
【答案】
1.5 W,8 W
24.
图(a)为一个电灯两端的电压与通过它的电流的变化关系曲线。由图可知。两者不成线性关系,这是由于焦耳热使灯丝的温度发生了变化的缘故。参考这根曲线回答下列问题(不计电流表和电池的内阻)。
(1)若把三个这样的电灯串联后,接到电动势为12 V的电源上,求流过灯泡的电流和每个灯泡的电阻。
(2)如图(b)所示,将两个这样的灯并联后再与10 Ω的定值电阻串联,接在电动势为8 V的电源上,求通过电流表的电流值以及每个灯的电阻值。
【答案】
(1)0.4 A,10 Ω
(2)6.7 Ω
【解析】
(1)把三个这样的电灯串联后,每只电灯得到的实际电压为4 V。再在图(a)上可以查到每只电灯加上4 V的实际电压时的工作电流为I=0.4 A,由此可以求出在此时每只电灯的实际电阻R=\(\frac{U}{I}\)=\(\frac{4}{0.4}\)Ω=10 Ω。
(2)在图(b)所示的混联电路中,设每只电灯上的实际电压和实际电流分别为U和I。在这个闭合电路中,电源电动势值应等于全电路电压降之和,即E=U+2IR0,代值并整理得U=8-20I。这是一个反映电路约束(因电路结构特点而必须满足的电流、电压关系)的直线方程,把该直线在图(a)坐标系中画出,如图所示。而在该坐标系中原来就有一根反映元件约束(因元件即电灯的特点而必须满足的电流和电压关系)的曲线。这两条曲线的交点所表达的电流I和电压U,同时满足了电路结构和元件的要求,该元件实际上将工作在这个特定的电流和电压上,我们可以把这一点称作为该元件的“工作点”。现在我们可以在图上查出该工作点为U=2V,I=0.3A,这样,我们就可以求出此时每只灯泡的实际电阻R=\(\frac{U}{I}\)=\(\frac{2}{0.3}\)Ω=6.7 Ω。
78.
在图所示的电路中,已知R2=4 Ω,I1=2 A,U0=7 V,R3上电功率P3=9 W,则R1=______Ω,R3=_____Ω。
【答案】
2,1
79.
已知电压表的内电阻是10 kΩ,表面刻度如图所示,给它串联20 kΩ电阻后去测量一个电压,指针指在图中的位置,这个电压是________V。
【答案】
30
80.两个用电器分别标有“10V,10W”和“20V,40W”的字样,如果将它们串联起来使用,这个串联电路允许加的电压应为______V。如果将它们并联起来使用,这个并联电路的总电流应为______A。
【答案】
20,2
81.用一台直流电动机提升质量为50 kg的物体,电源电动势为100 V,电源内阻及电动机的机械摩擦均不计。当电动机以0.9 m/s的速度向上匀速提升该物体时,电路中的电流为5 A,则电动机的线圈电阻为_______Ω。
【答案】
2
82.已知电源输出电压恒为U,从电源到用电区的两根导线的电阻均为r,用电区内导线的电阻忽略不计。则在用电区并联______盏电阻值均为R的电灯时,所有这些灯消耗的总功率最大,该最大功率为______W。
【答案】
\(\frac{R}{{2r}}\),\(\frac{{{U^2}}}{{8r}}\)
83.用一个电动势是6.0 V、内阻是1.0 Ω的电池,可直接给下列电器供电的是( )
(A)5 V,5 W (B)5 V,10 W (C)4 V,4 W (D)4 V,8 W
【答案】
AD
84.把阻值为R1和R2的电阻,先后接到内阻为r的一个电源的两极,要使在相同时间内,R1与R2放出的热量相等,则R1、R2应当是( )
(A)R1和R2的阻值一定相等 (B)R1和R2一定等于r
(C)只要满足R1R2=r2的电阻均可 (D)以上答案都不对
【答案】
C
85.将两只电阻R1、R2串联后接入某一电路,电路中电流为0.4 A,若把这两只电阻并联后接入电路中,则干路中电流至少为( )
(A)0.8 A (B)1.6 A
(C)2.4 A (D)条件不足,无法判断
【答案】
B
86.
在图所示的两种电路中,电源相同,各电阻相等,各电流表的内阻相等且不可忽略。电流表A1、A2、A3和A4读出的电流分别为I1、I2、I3和I4。下列关系正确的是( )
(A)I1=I3 (B)I1<I4
(C)I2=2I1 (D)I2<I3+I4
【答案】
BD
【解析】
本题可用代值法解决
87.
如图所示,两个定值电阻R1、R2串联后接在输出电压U稳定于12 V的直流电源上,再把一个内阻不是远大于R1、R2的电压表接在R1的两端,电压表的示数为8 V。如果再把该电压表改接在R2的两端,则电压表的示数将( )
(A)小于4 V (B)等于4 V
(C)大于4 V,小于8 V (D)等于或者大于8 V
【答案】
A
【解析】
电压表接R1时示数为8 V,此时R2上的电压为(12-8)V=4 V,即R1和RV并联电阻为R2的2倍。现任意设定R1=3 kΩ,RV=6 kΩ(设定的这两个数据应便于计算),则R2=1 kΩ。再将电压表接R2,同理可算得电压表示数为\(\frac{8}{3}\)V,选项A正确。
88.在使用多用表测电阻时,有一个步骤是将两表笔短路,调节表上某旋钮,使指针指到表盘上电阻的示数为_______处,测量某电池的端压时,要将红表笔接到电池的_____极,测量电流时,要使电流由_______表笔流入多用电表。
【答案】
0,正,红
89.有输出电压恒定为 9 V 的电源一个,最大电阻为 50 Ω 的滑动变阻器一个,最大电阻为 100 Ω 的电阻箱一个,规格是“9 V,9 W”的红灯及“6 V,9 W”的绿灯各一个。
(1)请设计一个电路,用滑动变阻器来控制灯的明暗变化,要求滑动变阻器的滑片从最左端向右端移动,绿灯由亮逐渐变暗直至熄灭,而红灯由熄灭到越来越亮直至正常发光;当滑动变阻器的滑片从最右端向左端移动时,红灯由亮逐渐变暗直至熄灭,而绿灯由熄灭到越来越亮直至正常发光。请在图的方框中画出电路图。
(2)所提供的电阻箱在本电路中的作用是__________________________________,它的阻值取_______。
【答案】
(1)设计电路如图所示
(2)限制通过绿灯电流,防止将绿灯烧毁(或者进行分压,防止将绿灯烧毁),2 Ω
90.电炉通电后,电阻丝热得发红,而跟电阻丝相连的铜导线却不那么热,为什么?
【答案】
导线的电阻远小于电炉的电阻,当相同的电流通过导线和电炉时,由公式 P=I2R 可知,导线消耗的电功率远小于电炉消耗的电功率,因而发热的主要是电炉中的电阻丝,导线则不会很热。
2006 - 2026,推荐分辨率 1024*768 以上,推荐浏览器 Chrome、Edge 等现代浏览器,截止 2021 年 12 月 5 日的访问次数:1872 万 9823。 站长邮箱
