用LED手电筒做物理实验
作者:薛长华 阜宁高等师范学校 选自《物理教学》2010年5月
LED可充电手电筒已很普及,学生对其非常熟悉,用它进行简单改装做物理演示实验,具有原理简单,现象清楚,学生喜欢的特点。现介绍如下:

改装方法
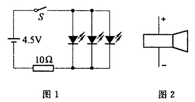
图1是市售LED手电筒的电路原理图(充电电路部分省略)。改装时只需拆开LED手电筒,将两根长约半米的软导线焊接在LED手电筒开关的两端,在LED手电筒开关位置的外壳上钻两个小孔,再从两个小孔位置处引出两导线。再取一只万用表用电压档测量一下两根软导线间的电压,并根据测量结果在LED手电筒上标出两根软导线所接电筒内部电池的正负极即可,如图2所示。这时你如果短接两导线就相当于LED手电筒开关接通,LED手电筒便能正常发光。
实验时,将实验装置接在这两根引出导线之间,这时实验装置与LED手电筒内部的电池及发光管构成闭合电路。实验过程中,通过观察LED手电筒是否发光,以及通过观察LED手电筒发光强弱的变化即可显示实验结果。
实验演示
一、用LED手电筒做光通信实验
器材准备
LED手电筒一只、J2423可拆变压器一台、MP3一只、光电池一只、J2354滑动变阻器(50Ω)一只、100μF电解电容一只,带卡拉OK功能录音机一台。实验1 用变压器耦合输入音频调制信号
实验1 用变压器耦合输入音频调制信号
做光通信演示实验的实验装置如图3所示。图中T为J2423可拆变压器,变压器原线圈(1400T)0~200T端用导线和耳机插头接MP3耳机插口,变压器的副线圈(400T)通过开关S与LED手电筒两根引线导线相连。当S闭合时,LED手电筒电源被接通,LED手电筒射出一定强度的亮光。这时打开MP3,MP3输出的音频信号由可拆变压器耦合到LED手电筒和可拆变压器副线圈构成的闭合电路中,使LED手电筒发射的光强度随音频信号改变,这样就完成了音频信号对LED手电筒光强的调制及发射。

图4是光信号接收装置,图中光电池接带卡拉OK功能录音机的话筒输入端,将录音机置于卡拉OK功能状态,这时录音机起放大器作用。当被音频信号调制的光信号照射到光电池上时,就可获得按音频信号规律同步变化的电信号(实现这种光电转换用的光电池片可用一般的太阳能光电池,例如各类计算器用的硅光电池片)。然后将光电池产生的电信号送进录音机的话筒插孔,经录音机放大后即可推动扬声器还原出MP3播放的声音。
实验时,若拆去可拆变压器铁芯,而直接将可拆变压器原线圈和副线圈相互靠近,利用互感现象也能将音频信号从一个线圈传递到另一个线圈,实现音频信号对LED手电筒光强的调制。
实验时,若用半导体收音机中的小变压器代替可拆变压器,可使实验装置小型化。学生就能模仿制作。
实验2 用电容耦合输入音频调制信号

图5是用电容耦合输入音频调制信号做光通信演示实验的实验装置原理图,图中J2354滑动变阻器R(50Ω)通过开关S与LED手电筒两根引出导线相连,一只100μF电解电容C用导线和耳机插头接MP3耳机插口。当S闭合时,LED手电筒电源被接通,LED手电筒射出一定强度的亮光,调节滑动变阻器的阻值使LED手电筒亮度适中。这时打开MP3,MP3输出的音频信号通过电容器耦合到LED手电筒和滑动变阻器构成的闭合电路中,实现音频信号对LED手电筒光强的调制。当被音频信号调制的光信号照射到光电池上时,即可通过带卡拉OK功能的录音机放大还原出MP3播放的声音。
显然,上述二则演示不但可以帮助学生了解现代激光通信的基础知识。还可以使学生对变压器耦合和电容耦合的概念和现象加深现象。还特别适合学生进行课外模仿和探究。
二、用LED手电筒做遥控电视机实验

实验装置如图6所示,取一台电视机和与之配套的遥控器,拆开遥控器,先用电烙铁焊下遥控器中的红外发光二极管,再用二根细导线从原红外发光二极管位置处引出,其中接原红外发光二极管正极的导线接三极管的基极,负极的导线接三极管的发射极。实验时,按下遥控器上的按键,学生可观察到LED手电筒发光并闪烁。将遥控器对准光电池,学生从录音机喇叭中可听到响亮的“嘟嘟”声。将LED手电筒靠近(10cm以内)对准电视机遥控接收窗口,学生可看到用LED手电筒发出的光一样能实现电视机的各种摇控功能。实验表明;按下遥控发射器上的按键,LED手电筒发出的是带有编码信号的可见光。显示利用LED手电筒能实现摇控信息的传递。
为什么LED手电筒遥控距离很短,而遥控器遥控距离很远呢?这是一个可以启发学生思考并用实验继续研究探讨的问题。这是因为遥控器遥控发射的是红外光,电视机遥控接收头光敏器件只接收红外信号,所以遥控距离远。LED手电筒发射的主要是可见光和少量红外光,可见光不能被电视机遥控接收头接收,所以遥控距离短。
实验时,若将LED手电筒上的多只发光管中的一只换成红外发光二极管(此时需将红外发光二极管和一只100Ω的电阻串联接在原发光管位置,注意二极管的正负极要连接正确),你会发现这时的LED手电筒也能实现远距离遥控电视机了。
文件下载(已下载 2479 次)发布时间:2011/6/8 上午7:46:35 阅读次数:10734
