选择性必修二 第五章 传感器 参考资料
1.传感器基础知识
(1)传感器的作用
现代信息技术的三大基础是信息的拾取、传输和处理,也就是传感技术、通信技术和计算机技术。现代电子技术和计算机技术为信息转换与处理提供了十分完善的手段,对传感器技术的需求更为迫切,并且存在着“头脑(计算机)发达、感觉(传感器)迟钝”的现象,所以传感器技术的研究和生产受到了普遍重视。
人类为了从外界获取信息,必须借助于感觉器官。人类依靠这些器官接受来自外界的刺激,再通过大脑分析判断,发出命令而动作。随着科学技术的发展和人类社会的进步,人类为了进一步认识自然和改造自然,只靠这些感觉器官就显得很不够了。于是,一系列代替、补充、延伸人的感觉器官功能的手段就应运而生,从而出现了各种用途的传感器。如果把计算机比作大脑,那么传感器则相当于五官,传感器能正确感受被测量并转换成相应输出量,对系统的质量起决定性作用。可以说没有传感器技术就不可能有自动测量与控制,也就不可能有现代工业、现代农业等诸方面的发展。
顾名思义,传感器的功能是一感二传,即感受被测信息,并传送出去。传感器是一种检测装置,能感受到被测量的信息,并能将检测感受到的信息,按一定规律变换成为电信号或其化所需形式的信息输出,以满足信息的传输、处理、存储、显示、记录和控制等要求。它是实现自动检测和自动控制的首要环节。
以电学量为输出的传感器虽然历史不长,但其发展迅速,目前只要谈到传感器,几乎都是指有电输出的传感器。
(2)传感器的组成
根据传感器的功能要求,它一般应由i部分组成,即敏感元件、转换元件、转换电路。
敏感元件是指传感器中能直接感受或响应被测量的部分。例如,金属或半导体应变片能感受压力的大小而引起形变,形变程度就是对压力大小的响应;铂电阻能感受温度的升降而改变其阻值,阻值的变化就是对温度升降的响应。所以,铂电阻就是一种温度敏感元件,而金属或半导体应变片就是一种压力敏感元件。
转换元件是指传感器中将敏感元件感受或响应的被测量转换成适于传输或测量的电信号部分。其中有许多敏感元件可兼做转换元件。如果敏感元件本身就能直接将被测量变成电路参数,那么,该敏感元件就是具有了敏感和转换两个功能。例如热敏电阻,它不仅能直接感受温度的变化,而且能将温度变化转换成电阻的变化,也就是将非电学量(温度)直接变成了电学量(电阻)。
由于传感器的输出信号一般都很微弱,因此需要有转换电路对其进行放大、运算、调制等。此外,转换电路以及传感器工作必须有辅助的电源,因此,转换电路以及所需的电源都应作为传感器组成的一部分。传感器组成如下所示。
(3)传感器的分类
由于传感器应用的对象、测量的范围、周围的环境等不同,需要使用的传感器各不相同,因而有各式各样的传感器。目前对传感器尚无一个统一的分类方法,用得较多的分类法有以下两种。
①根据传感器感知外界信息所依据的工作原理,大体上可以分成三大类。基于物理效应如光、电、声、磁、热等效应进行工作的物理传感器,如电阻传感器、霍尔传感器等;基于化学反应如化学吸附、选择性化学反应等进行工作的化学传感器,如气体传感器、湿度传感器等;基于酶、抗体、激素等分子识别功能的生物传感器,如酶传感器、免疫传感器等。
②根据被测量分类,这种分类方法直接说明了传感器的用途,如位移传感器、压力传感器、温度传感器等。
在以上两种分类方法中,以被测量分类时,对使用的对象比较明确;以工作原理分类时,则对传感器采用的原理比较清楚。还可以把两者结合起来称呼,如电容式压力传感器,电导式湿度传感器等。
2.传感器的静态特性
在生产过程和科学实验中,要对各种各样的参数进行检测和控制,就要求传感器能感受被测非电学量的变化并将其不失真地转换成相应的电学量,这取决于传感器的基本特性,即输出输入特性。传感器的基本特性可以用静态特性和动态特性来描述。这里简单介绍一下传感器的静态特性。
传感器的静态特性是指对静态的输入信号,传感器的输出量与输入量之间所具有的相互关系。因为这时输入量和输出量都和时间无关,所以它们之间的关系,即传感器的静态特性可用一个不含时间变量的代数方程,或以输入量作横坐标,把与其对应的输出量作纵坐标而画出的特性曲线来描述。表征传感器静态特性的主要参数有线性度、灵敏度、分辨力和迟滞等。
(1)线性度
传感器的线性度是指传感器的输出与输入之间数量关系的线性程度。通常情况下,传感器的实际静态特性输出是条曲线而非直线。在实际工作中,为使仪表具有均匀刻度的读数,常用一条拟合直线近似地代表实际的特性曲线,线性度(非线性误差)就是这个近似程度的一个性能指标。拟合直线的选取有多种方法,如将零输入和满量程输出点相连的理论直线作为拟合直线,或将与特性曲线上各点偏差的平方和为最小的理论直线作为拟合直线,此拟合直线称为最小二乘法拟合直线。
(2)灵敏度
传感器的灵敏度是指传感器在稳态工作情况下输出量变化 Δy 对输入量变化 Δx 的比值,即
\[S = \frac{{\Delta y}}{{\Delta x}}\]
对于线性传感器,它是输出一输入特性曲线的斜率,灵敏度 S 是一个常数。而非线性传感器的灵敏度为一变量,它将随输入量的变化而变化。
灵敏度的量纲是输出、输入量的量纲之比。例如,某位移传感器,在位移变化 1 mm 时,输出电压变化为 200 mV,则其灵敏度应表示为 200 mV/mm。当传感器的输出、输入量的量纲相同时,灵敏度可理解为放大倍数。提高灵敏度,可得到较高的测量精度。但灵敏度越高,测量范围越窄,稳定性也越差。
(3)分辨力
分辨力是指传感器可能感受到的被测量的最小变化的能力。也就是说,如果输入量从某一非零值缓慢地变化。当输入变化值未超过某一数值时,传感器的输出不会发生变化,即传感器对此输入量的变化是分辨不出来的。只有当输入量的变化超过分辨力时,其输出才会发生变化。
通常传感器在满量程范围内各点的分辨力并不相同,因此常用满量程中能使输出量产生阶跃变化的输入量中的最大变化值作为衡量分辨力的指标。上述指标若用满量程的百分比表示,则称为分辨率。
(4)迟滞特性
迟滞特性表征传感器在正向(输入量增大)和反向(输入量减小)行程间输出输入特性曲线不一致的程度,如图 5–10 所示。也就是说,对于同一大小的输入信号,传感器的正反行程输出信号大小不相等。产生这种现象的主要原因是由于传感器敏感元件材料的物理性质和机械零部件的缺陷所造成的,例如弹性敏感元件的弹性滞后、运动部件摩擦、传动机构的间隙、紧固件松动等。
迟滞大小通常用这两条曲线之间的最大差值 ΔHm 与满量程输出 YFS 的百分比表示,即
\[\delta = \pm \frac{{\Delta {H_{\rm{m}}}}}{{{Y_{{\rm{FS}}}}}} \times 100\% \]
3.热敏电阻
温度是表征物体冷热程度的物理量,是工业生产过程中一个重要而又普遍的参数。在许多生产过程中,常常需要使物料和设备的运转状态处于某一定的温度范围,因此,温度的测量和控制,对保证产品质量、提高生产效率、节约能源起着非常重要的作用。自然界的许多物质,其物理特性如长度、电阻、容积、辐射功率等都与温度有关。温度传感器就是通过测量物质的某些物理参数随温度的变化而间接地测量温度的。
温度传感器主要由热敏元件组成。热敏元件品种很多,市场上销售的有双金属片、铜热电阻、铂热电阻、热电偶及半导体热敏电阻等。以半导体热敏电阻为探测元件的温度传感器应用广泛,这是因为在元件允许工作条件范围内,半导体热敏电阻器具有体积小、灵敏度高、精度高的特点,而且制造工艺简单、价格低廉。
按温度特性热敏电阻可分为两类,随温度上升电阻增加的为正温度系数热敏电阻,反之为负温度系数热敏电阻。
(1)正温度系数热敏电阻的工作原理
这种热敏电阻以钛酸钡(BaTiO3)为基本材料,再掺入适量的稀土元素,利用陶瓷工艺高温烧结而成。纯钛酸钡是一种绝缘材料,但掺入适量的稀土元素,如镧(La)和铌(Nb)之后,变成了半导体材料,被称为半导体化钛酸钡。它是一种多晶体材料,晶粒之间存在着晶粒界面,对于导电电子而言,晶粒间界面相当于一个势垒。当温度低时,由于半导体化钛酸钡内电场的作用,导电电子可以很容易越过势垒.所以电阻值较小;当温度升高到居里点温度(即临界温度,此元件的“温度控制点”,一般钛酸钡的居里点为 120 ℃)时,内电场受到破坏,不能帮助导电电子越过势垒,所以表现为电阻值的急剧增加。因为这种元件在未到达居里点前电阻随温度变化非常缓慢,具有恒温、调温和自动控温的功能,以及只发热、不发红、无明火、不易燃烧、使用寿命长等特点,非常适用于电动机等电器装置的过热探测。
(2)负温度系数热敛电阻的工作原理
负温度系数热敏电阻是以氧化锰、氧化钴、氧化镍、氧化铜和氧化铝等金属氧化物为主要原料,采用陶瓷工艺制造而成。这些金属氧化物材料都具有半导体性质,完全类似于锗、硅晶体材料,体内的载流子(电子和空穴)数目少,电阻较高;温度升高,体内载流子数目增加,电阻值降低。负温度系数热敏电阻类型很多,使用区分低温(− 60 ~ 300 ℃)、中温(300 ~ 600 ℃)、高温(> 600 ℃)三种,有灵敏度高、稳定性好、响应快、寿命长、价格低等优点,广泛应用于需要定点测温的温度自动控制电路,如电冰箱、空调、温室等的温控系统。
热敏电阻与简单的放大电路结合,就可检测千分之一摄氏度的温度变化,所以和电子仪表组成测温计,能完成高精度的温度测量。普通用途热敏电阻工作温度为 – 55 ~ 315 ℃,特殊低温热敏电阻的工作温度低于 – 55 ℃,可达 – 273 ℃。
(3)热敏电阻器的主要参数
各种热敏电阻器的工作条件一定要在其出厂参数允许范围之内。热敏电阻的主要参数有十余项:标称电阻值、使用环境温度(最高工作温度)、测量功率、额定功率、标称电压(最大工作电压)、工作电流、温度系数、材料常数、时间常数等。其中标称电阻值是在 25 ℃ 功率为 0 时的屯阻值.实际上总有一定误差,应在 ± 10%之 内。普通热敏电阻的工作温度范围较大,可根据需要从 − 55 ~ 315 ℃ 选择,值得注意的是,不同型号热敏电阻的最高工作温度差异很大,如 MF11 片状负温度系数热敏电阻器为 125 ℃,而 MF53-1 仅为 70 ℃,学生实验时应注意(一般不要超过 50 ℃)。
(4)实验用热敏电阻选择
首选普通用途负温度系数热敏电阻器,因它随温度变化一般比正温度系数热敏电阻器易观察,电阻值连续下降明显。若选正温度系数热敏电阻器,实验温度应在该元件居里点温度附近。
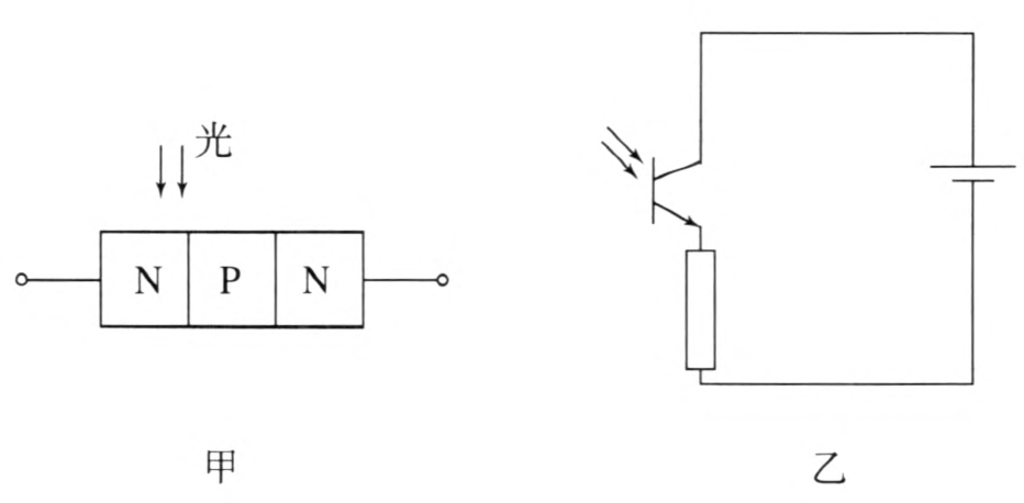
4.光传感器及光敏元件
光传感器主要由光敏元件组成。目前光敏元件发展迅速、品种繁多、应用广泛。市场出售的有光敏电阻、光电二极管、光电晶体管、光电耦合器和光电池等。
(1)光敏电阻
光敏电阻又称光导管,它几乎都是用半导体材料制成的光电元件。当敏感波长的光照射半导体光电晶体表面时,晶体内载流子增加,使其电导率增加(即电阻减小)。光敏电阻没有极性,纯粹是一个电阻元件,使用时既可以加直流电压,也可以加交流电压。当光敏电阻受到一定波长范围的光照时,它的阻值(亮电阻)急剧减小,电路中电流迅速增大。一般希望暗电阻越大越好,亮电阻越小越好,此时光敏电阻的灵敏度高。实际光敏电阻的暗电阻一般在兆欧级,亮电阻在几千欧以下。
光敏电阻的主要参数有:
- 光电流、亮电阻:在一定外加电压下,当有光(100 lx 照度)照射时,流过光敏电阻的电流称光电流;外加电压与该电流之比称为亮电阻。
- 暗电流、暗电阻:在一定外加电压下,当无光照射时,流过光敏电阻的电流称暗电流;外加电压与该电流之比称为暗电阻。
- 最大工作电压:一般几十伏至上百伏。
- 额定功率(功耗):光敏电阻的亮电流与外电压乘积;可有 5 mW 至 300 mW 多种规格选择。
光敏电阻的主要参数还有响应时间、灵敏度、光谱响应、光照特性、温度系数、伏安特性等。值得注意的是,光敏电阻的光照特性(隧光照强度变化的特性)、温度系数(随温度变化的特性)、伏安特性不是线性的,如 CdS(硫化镉)光敏电阻的光阻有时随温度的增加而增大,有时随温度的增加而减小。
(2)光电二极管和光电晶体管
光电二极管的结构与一般二极管相似。它装在透明玻璃外壳中,其 PN 结装在管的顶部,可以直接受到光照射。光电二极管在电路中一般是处于反向工作状态(图 5–11),在没有光照射时,反向电阻很大,反向电流很小,这种反向电流称为暗电流。当光照射在 PN 结上时,光子打在 PN 结附近,使 PN 结附近产生光生电子和光生空穴对。它们在 PN 结处的内电场作用下作定向运动,形成光电流。光的照度越大,光电流越大。因此光电二极管在不受光照射时,处于截止状态,受光照射时,处于导通状态。

光电二极管的主要参数有:最高工作电压(10 ~ 50 V)、暗电流(≤ 0.05 ~ 1 μA)、光电流(> 6 ~ 80 μA)、光电灵敏度、响应时间、结电容和正向压降等。
光电二极管的优点是线性好,响应速度快,对宽范围波长的光具有较高的灵敏度,噪声低;缺点是单独使用输出电流(或电压)很小,需要加放大电路。适用于通信及光电控制等电路。
光电二极管的检测呵用多用电表“×1 k”电咀挡,避光测正向电阻应为 10 ~ 200 kΩ,反向应为无穷大,去掉遮光物后向右偏转角越大,灵敏度越高。
光电晶体管与一般晶体管很相似,具有两个 PN 结,只是它的发射极一边做得很大,以扩大光的照射面积。图 5–12 为 NPN 型光电晶体管的结构简图和基本电路。大多数光电晶体管的基极

无引出线,当集电极加上相对于发射极为正的电压而不接基极时,集电结就是反向偏压;当光照射在集电结上时,就会在结附近产生电子—空穴对,从而形成光电流,相当于三极管的基极电流。由于基极电流的增加,因此集电极电流是光生电流的 β 倍,所以光电晶体管有放大作用,其暗电流、光电流和光电灵敏度比光电二极管要高得多,但结构原因使结电容加大,响应特性变坏。广泛应用于低频的光电控制电路。
5.传感器在家用电器上的应用
彩电 | 电冰箱 | 吹风机 | 食品加热器 | 录像机 | 电烤箱 | 电饭锅 | 煤气用具 | 电子灭蚊器 | 面包烘箱 | 热水器 | 电锅 | 室内空调 | 洗衣机 | 衣服干燥机 | 电热毯 | 电脚炉 | 报警器 | 烫发器 | 喷雾器 | ||
温度传感器 | 压力式 | ● | ● | ● | ● | ||||||||||||||||
双金属 | ● | ● | |||||||||||||||||||
热电偶 | ● | ● | |||||||||||||||||||
热敏电阻 | ● | ● | ● | ● | ● | ||||||||||||||||
PTC | ● | ● | ● | ● | ● | ● | ● | ● | ● | ||||||||||||
CTR | ● | ● | |||||||||||||||||||
有机感温体 | ● | ||||||||||||||||||||
感温铁淦氧 | ● | ● | |||||||||||||||||||
热膨胀元件 | ● | ● | |||||||||||||||||||
温度保险丝 | ● | ● | ● | ● | ● | ● | |||||||||||||||
光传感器 | ● | ● | ● | ||||||||||||||||||
压力传感器 | ● | ||||||||||||||||||||
湿度传感器 | ● | ● | ● | ||||||||||||||||||
气体传感器 | ● | ● | ● | ||||||||||||||||||
烟雾传感器 | ● | ● | |||||||||||||||||||
接触传感器 | ● | ● | ● | ● |
6.干簧管和干簧继电器
普通干簧管内有两个簧片,是用有弹性的软磁合金材料制成的,它们密封在玻璃管中,成为一组常开型触点。管中充入惰性气体(如氮气)来防止触点被氧化。
条形磁体必须按照图 5–13 甲所示的方位靠近干簧管,才能使簧片得到最好的磁化,导致两个簧片相对的部分形成相反的磁极而吸合。图中虚线为磁感线。
如图 5–13 乙所示,如果将干簧管 H 放入一个螺线管 L 中,两者就组合成为干簧继电器。当螺线管中通入电流时,电流产生的磁场就使干簧管中簧片被磁化而吸合。干簧继电器的优点是体积小、重量轻、灵敏(螺线管匝数很多时,通入几毫安的电流就能使簧片吸合)、簧片能够快速动作、触点的寿命长。

7.不平衡电桥在测量中的应用
有一些敏感元件是将被测的非电学量转换为不同的电阻,但是不同的电阻值不便于传送和显示,需要把电阻变化转换为电压的变化。通常采用不平衡直流电桥来解决这个问题。应变式力传感器就是这样的。


在梁形的弹性构件上下两个表面上各粘贴两个应变片,要将其中 R1、R4 两个应变片粘贴在梁的上表面,R2、R3 两个应变片粘贴在梁的下表面,如图 5–14 所示。
测量电路如图 5–15 所示,由这四个应变片组成电桥的四个桥臂,A、B 端接入数字式电压表。理论上要求四个应变片的电阻值相等,实际上必然存在制造误差,因此还要接入电位器 W,在梁不受力时,调节 W 使电桥的输出电压 UAB = 0。当梁受力 F 向下弯曲时,R1、R4 的阻值变大,R3、R3 的阻值变小,于是电桥失去平衡,A、B 端之间就输出与所测的力成正比的电压。
8.组装热敏温度计
电路如图 5–16 所示。这是一个典型的不平衡电桥。按图连接电路,电流表的量程为 0 ~ 200 μA,内阻约 500 Ω。RT 为热敏电阻,常温下(20 ℃)阻值约 330 Ω,R1、R2 各为 270 Ω 的电阻,R3 为电阻箱,R4 为 50 Ω 的变阻器。E 为一节干电池。

假设要组装的热敏温度计的量程为 20 ~ 60 ℃。先将热敏电阻和水银温度计共同浸入 20 ℃ 的冷水中,接通电源,调节 R4 使加在 A、C 两点的电压 UAC 约为电源电压的一半,然后仔细调节 R3 使电流表的读数为 0,这就标定好了下限温度,即用 0 刻度表示 20 ℃。接下来,保持 R3 不变,将热敏电阻和水银温度计共同浸入 60 ℃ 的热水中,可看到电流表有了读数,调节 R4 使电流表恰好满偏,这样标定好了上限温度,即用 200 μA 的刻度表示 60 ℃。
保持已经调好的 R3、R4 值不变,依次将热敏电阻和水银温度计共同浸入 50 ℃、40 ℃、30 ℃的热水中,记下电流表的读数就标定了这三个温度值 t温 在电流表刻度盘上的位置。
依据全部测量数据画出 I–t温 曲线。用这个热敏电阻去测量任意一个物体,读出电流表的示数 I,就可以在 I–t温 曲线上查出对应的温度值 t温。
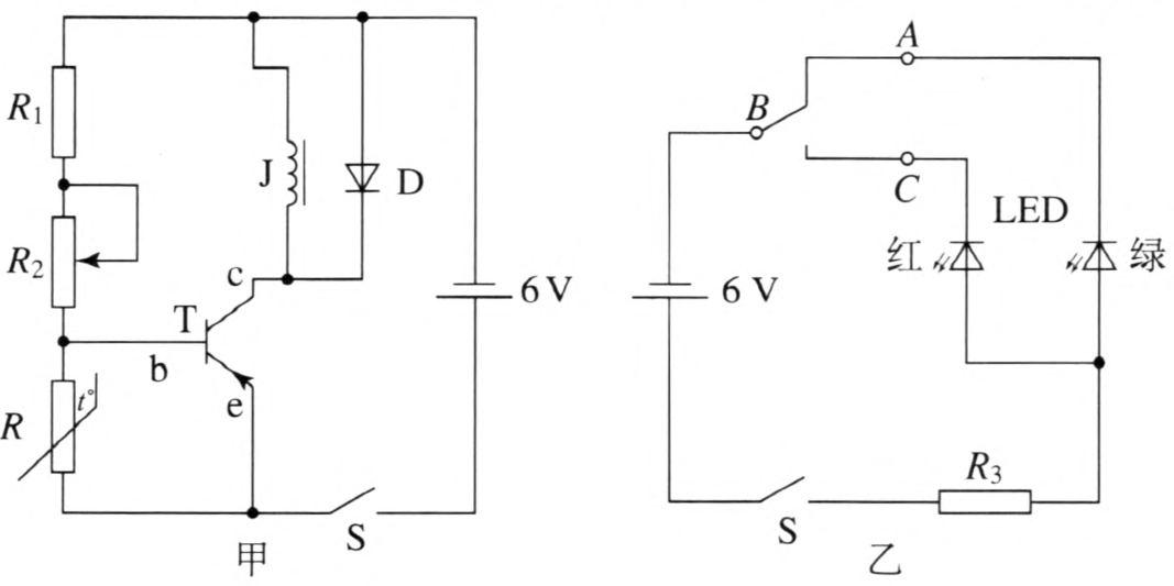
9.用三极管制作温度控制器
实验电路如图 5–17 所示。甲图中 T 为 3AX31 型三极管;J 为型号 2414 的直流继电器线圈,它的额定电压为 6 V,R1 为 1 kΩ 的定值电阻,R2 为 10 kΩ 的电位器(因实验室有现成的,实际使用小于 10 kΩ);R 为热敏电阻,标值 100 Ω(如果气温超 30 ℃,实测电阻小于100 Ω),从它的两个引脚各焊出一根细长的软导线;D 为 1N4001 型二极管,用它保护三极管,防止当线圈中电流急剧减少时产生的自感电动势把三极管的集电结击穿。乙图为被继电器触点控制的电路,A、B、C 分别为继电器的常闭触点、动触点、常开触点,LED 为发光二极管,一只红色,另一只绿色;电阻 R3 为 470 Ω,作为发光二极管的限流保护。现用它模拟一个电热箱的控制电路。

接好电路后,先使热敏电阻处于常温下,调节 R2,使三极管 b、e 两极间的电压 Ube 增大,直到三极管导通,则继电器线圈 J 中有足够大的电流通过,使衔铁吸合,于是触点 B 与 C 接通。红色 LED 发光,表示箱内的电热器通电发热,然后将热敏电阻放入 50℃ 以上的水中,则 R 的阻值明显减小,导致三极管由导通变为截止,则继电器线圈中没有电流通过,使衔铁释放,于是触点 B 变为与 A 接通,绿色 LED 发光,表示箱内已经达到设定的温度(多次实验数据显示,本实验控制温度平均为 50℃),同时红色 LED 熄灭,表示停止加热。
发布时间:2025/9/14 上午11:01:20 阅读次数:237