选择性必修二 第二章 电磁感应 参考资料
1.动生电动势和感生电动势
在电磁感应现象中,由于引起磁通量变化的原因不同,感应电动势产生的机理也不同,一般分为两种:一种是磁场不变,导体运动引起磁通量变化而产生感应电动势,这种电动势叫动生电动势;另一种是导体不动,由于磁场变化引起磁通量变化而产生感应电动势,这种电动势叫感生电动势。
(1)动生电动势
导体在磁场中做切割磁感线运动时,产生动生电动势,它是由于导体中自由电子受洛伦兹力作用而引起的。
如图 2–12 甲所示,一条直导线 CD 在强磁场 B 中以速度 v 向右运动,并且导线 CD 与 B、v 的方向互相垂直。由于导体中的自由电子随导体一起以速度 v 运动,因此每个电子受到的洛伦兹力为
\[F = evB\]
F 的方向竖直向下。在力 F 的作用下,自由电子沿导体向下运动,使导体下端出现过剩的负电荷,导体上端出现过剩的正电荷。结果使导体上端 D 的电势高于下端 C 的电势,出现由 D 指向 C 的静电场。此电场对电子的作用力 Fʹ 是向上的,与洛伦兹力的方向相反。随着导体两端正、负电荷的积累,电场强度不断增强,当作用在自由电子上的静电力 Fʹ 与洛伦兹力 F 互相平衡时,DC 两端便产生了一个稳定的电势差。如果用另外的导线把 CD 两端连接起来(图 2–12 乙),由于 D 端电势比 C 端高,自由电子在静电力的作用下将在导线框中沿顺时针方向流动,形成逆时针方向的感应电流。电荷的流动使 C 两端积累的电荷减少,洛伦兹力又不断地使电子从 D 端运动到 C 端,从而在 CD 两端维持一个稳定的电动势。

可见,运动的导体 CD 就是一个电源,D 端为正极,C 端为负极,自由电子受洛伦兹力的作用,从 D 端被搬运到 C 端;也可以看作正电荷受洛伦兹力的作用从 C 端搬运到 D 端。这里,洛伦兹力就相当于电源中的非静电力。根据电动势的定义,电动势等于单位正电荷从负极通过电源内部移动到正极时非静电力所做的功。作用在单位正电荷上的洛伦兹力
\[F = \frac{{{F_洛}}}{e} = vB\]
于是,动生电动势就是
\[E = Fl = Blv\]
上式与法拉第电磁感应定律得到的结果一致。

洛伦兹力总与电荷的运动方向垂直。因此,洛伦兹力对电荷不做功。但是动生电动势又等于洛伦兹力搬运单位正电荷所做的功,两者是否矛盾?其实并不矛盾。运动导体中的自由电子,不仅随导体以速度 v 运动,而且还沿导体以速度 u 做定向运动,正是这个定向运动才产生感应电流(图 2–13)。因此,导体中电子的合速度是 ω,电子所受的总的洛伦兹力为
\[{F_\omega } = e\omega B\]
Fω 与合速度 ω 垂直,它对电子不做功。Fω 的一个分量是
\[{F_1} = evB\]
这个分力对电子做功,产生动生电动势。Fω 的另一个分量是
\[{F_2} = euB\]
F2 的方向与 v 的方向相反,是阻碍导体运动的,做负功。可以证明两个分力 F1 和 F2 所做功的代数和为 0。结果仍然是洛伦兹力并不提供能量,而只是起传递能量的作用,即外力克服洛伦兹力的一个分量 F2 所做的功,通过另一个分量 F1 转化为感应电流的能量。
(2)感生电动势
当导体回路不动,而磁场变化时,导体中将产生感生电动势。由于导体不动,所以作用在导体内自由电子上的力不可能是洛伦兹力。麦克斯韦指出,变化的磁场在周围空间要激发涡旋电场。涡旋电场对电荷也产生力的作用,正是这种涡旋电场使导体中产生感生电动势。即涡旋电场的电场力作为一种非静电力在导体内产生感生电动势。如果以 E涡 表示涡旋电场强度,那么,沿任一闭合回路 L 的感生电动势
\[E = \oint_L {{\boldsymbol{E}_涡} \cdot {\rm{d}}\boldsymbol{l}} \]
根据法拉第电磁感应定律,有
\[\oint_L {{\boldsymbol{E}_涡} \cdot {\rm{d}}\boldsymbol{l}} = - \frac{{{\rm{d}}\Phi }}{{{\rm{d}}t}}\]
式中 Φ 是通过以闭合回路 L 为边界的任意曲面 S 的磁通量,因而
\[\Phi = \int_S {\boldsymbol{B} \cdot {\rm{d}}\boldsymbol{S}} \]
代入上式可得
\[\oint_L {{\boldsymbol{E}_涡} \cdot {\rm{d}}l} = - \frac{\rm{d}}{{{\rm{d}}t}}\int_S {\boldsymbol{B} \cdot {\rm{d}}\boldsymbol{S}} \]
当闭合回路 L 不变时,磁通量的变化完全是由磁场的变化而引起的,上式中对时间的微商和对曲面积分的次序可以交换,故得
\[\oint_L {{\boldsymbol{E}_涡} \cdot {\rm{d}}\boldsymbol{l}} = - \int_S {\frac{{\partial \boldsymbol{B}}}{{\partial t}} \cdot {\rm{d}}\boldsymbol{S}} \]
这就是麦克斯韦关于涡旋电场与变化磁场之间关系的表示式。
2.楞次定律的表述及其实质
掌握楞次定律,准确判断感应电流的方向,是理解电磁感应定律的重要环节。
(1)楞次定律的表述及其特点
楞次定律的表述可归结为:“感应电流的效果总是反抗引起它的原因。”
如果电路中的感应电流是由穿过该回路的磁通量的变化引起的,那么楞次定律可具体表述为:“感应电流在回路中产生的磁通量总是反抗(或阻碍)原磁通量的变化。”我们称这个表述为“通量表述”。这里感应电流的“效果”是在回路中产生了磁通量;而产生感应电流的原因则是“原磁通量的变化”。
如果感应电流是由组成回路的导体做切割磁感应线运动而产生的,那么楞次定律可具体表述为:“运动导体上的感应电流受的磁场力(安培力)总是反抗(或阻碍)导体的运动。”我们不妨称这个表述为“力表述”。这里感应电流的“效果”是受到磁场力;而产生感应电流的“原因”是导体做切割磁感应线的运动。
从楞次定律的上述表述可见,楞次定律并没有直接指出感应电流的方向,它只是概括了确定感应电流方向的原则,给出了确定感应电流的程序。要真正掌握它,必须要求对表述的含义有正确的理解,并熟练掌握电流的磁场及电流在磁场中受力的规律。
“通量表述”的要点是,感应电流的磁通量反抗引起感应电流的原磁通量的变化,而不是反抗原磁通量。如果原磁通量是增加的,那么感应电流的磁通量要反抗膘磁通量的增加,就一定与原磁通量相反;如果原磁通量减少,那么感应电流的磁通量要反抗原磁通量的减少,就一定与原磁通量相同。在正确领会定律的上述含义以后,就可按以下程序应用楞次定律判断感应电流的方向:
①明确穿过回路的原磁通量的变化;
②根据楞次定律表述的上述含义确定回路中感应电流在该回路中产生的磁通量;
③根据回路电流在回路内部产生磁场的方向的规律(右手螺旋法则),由感应电流的磁通量确定感应电流的方向。
“力表述”的要点是,感应电流在磁场中受的安培力的方向,总是与导体运动的方向成钝角,从而阻碍导体的运动。因此应用它来确定感应电流的程序是:
①明确磁场 B 的方向和导体运动的方向;
②根据楞次定律的上述含义明确感应电流受安培力的方向;
③根据安培力的规律确定感应电流的方向。
可见正确掌握楞次定律并能应用,不仅要求准确理解其含义,还必须掌握好电流的磁场和电流在磁场中受力(安培力)的规律。
(2)楞次定律的实质
楞次定律可以有不同的表述方式,但各种表述的实质相同。楞次定律的实质是:产生感应电流的过程必须遵守能量守恒定律。如果感应电流的方向违背楞次定律规定的原则,那么永动机就是可以制成的。下面分别就两种情况进行说明:
①知果感应电流在回路中产生的磁通量加强引起感应电流的原磁通量的变化,那么,一但出现感应电流,引起感应电流的磁通量的变化将得到加强,于是感应电流进一步增加,磁通量的变化也进一步加强……感应电流在如此循环过程中不断增加直至无限。这样,便可从最初磁通量微小的变化中(并在这种变化停止以后)得到无限大的感应电流。这显然是违反能量守恒定律的。楞次定律指出这是不可能的,感应电流的磁通量必须反抗引起它的磁通量的变化。感应电流具有的以及消耗的能量,必须从引起磁通量的变化的外界获取。要在回路中维持一定的感应电流,外界必须消耗一定的能量。如果磁通量的变化是由外磁场的变化引起的,那么,要抵消从无到有建立感应电流的过程以保持回路中有一定的磁通量的变化率,产生外磁场的励磁电流就必须不断增加与之相应的能量,这只能从外界不断地补充。
②如果由组成回路的导体做切割磁感应线运动而产生的感应电流在磁场中受的力(安培力)的方向与运动方向相同,那么,感应电流受的磁场力就会加快导体切割磁感应线的运动,从而又增大感应电流。如此循环,导体的运动将不断加速,动能不断增大,电流的能量和在电路中损散的焦耳热都不断增大,却不需外界做功,这显然是违背能量守恒定律的。楞次定律指出这是不可能的,感应电流受的安培力必须阻碍导体的运动,因此要维持导体以一定速度做切割磁感线运动,在回路中产生一定的感应电流,外界必须反抗作用于感应电流的安培力做功。
综上所述,楞次定律的任何表述,都是与能量守恒定律相一致的。感应电流的效果总是反抗产生感应电流的原因,其实质就是产生感应电流的过程必须遵守能量守恒定律。
3.利用能量转化的观点分析直流电动机的工作原理
利用能量转化的观直分析直流电动机的工作原理,具体应注意以下两点:
(1)理解电功和电热不一定相等
只有在纯电阻电路中电功才等于电热,而像直流电动机这种存在反电动势的电路中电功是大于电热的。
设闭合电路中的电流为 I,电动机两端电压为 U,电路中的反电动势为 E反,电路的总电阻为 R,则 I = \(\frac{{U - {E_反}}}{R}\),从能量守恒的角度看,就是 UI = I2R + E反I,其中 UI 就是电动机的输入电功率,I2R 只是电路中产生的电热功率,E反I 是电动机输出的机械功率。
(2)分析直流电动机的输入功率 UI 随负载的增大而增大
当电动机两端电压 U 一定,电动机匀速转动时,安培力矩等于阻力矩。当负载加大时,阻力矩增大,引起转速减小,则反电动势 E反 减小。根据 I = \(\frac{{U - {E_反}}}{R}\) 可知,电路电流增大,安培力矩增大,电动机的输入功率 UI 增加。
4.电磁灶
电磁灶主要由励磁装置、铁磁材料做锅底的炊具及控制部分等组成。电磁灶加热的工作原理如下:当励磁线圈通过交变电流时,线圈周围产生交变磁场,即电能变成了磁能,这一交变磁场的磁感线经过锅底形成回路,就在锅底产生感应电动势,因锅底是良导电材料,从而在锅底产生涡旋状感应电流——涡流,这样将磁能又转化为电能。然后,这一涡流在锅底内通过锅底本身材料的电阻产生焦耳热,把电能又转化为内能。
电磁灶的特点:
①热效率高。一般电阻式电灶的热效率只有 50% ~ 55%,由于电磁灶是锅底的涡流产生的热效应直接给锅底加热,所以热效率高,可达 70% ~ 80%,因此它能节约能量,经济性好。
②温控准确。它的热惯性小,断电后立即断磁,不再发热,热响应速度非常快,因此能方便、准确地控制发热量及烹饪的温度。同时锅温比较均匀,烹饪效果好。
③安全性好。使用时不必点火,因此不必担心像煤气灶那样因燃烧不充分或微火熄灭易引起空气污染、中毒。电磁灶在使用时没有明火,灶台本身不发热,因此不必像电灶那样担心烫伤,更无火灾的危险。
④清洁卫生。灶台表面平滑,清洁十分方便,如果食品溢到灶上也绝不会烧煳,很容易擦净。
⑤因为在电磁灶上用的锅担负着将磁能转化为感应电流后再转化为内能的双重任务,故对锅的材料和形状应有一定的要求。
电磁灶按感应线圈中电流频率分为低频和高频两类。低频电磁灶因为直接用工频电流(50 Hz 或 60 Hz),所以又称工频电磁灶;而高频电磁灶是利用工频变成高频后的电流(15 kHz 以上),因此两种电磁灶的结构、电路和性能各小相同。
(1)工频电磁灶
①基本结构
工频电磁灶的基本结构如图 2–14 所示。它由励磁线圈、励磁铁芯、灶台台面、烹调容器、控制元件等几部分所组成。工作原理如前述,不再重复。

②励磁线圈和励磁铁芯
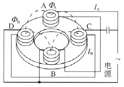
为解决工频电磁灶的震动和噪声问题,常采用如图 2–15 所示的四个等距磁极和一个共同的轭铁相联,每个磁极上都有自己的励磁线圈,相对的两个磁极线圈串联成一组,其中一个线圈串联一个电容器,使两组电流有 90° 的相位差,并使 IA = IB,此时,两个磁路 ΦA 与 ΦB 的相位差也是 90°。由于磁通产生的交变力的频率为电源频率的两倍,因此这两个励磁电路产生的力 FA 和 FB 的相位差约 180°,而它们的大小是相等的,FA 与 FB 的两个分量互相抵消,仅有直流分量 F0(见图 2–16),即专用锅只受直流吸引力的作用,使锅体上下振动的交变力抵消,从而避免了锅体产生的振动和噪声。


锅体产生的涡流除产生有用的热量外,还产生洛伦兹力,使锅底向上悬浮或转动。为了克服这一现象,采用了一个有中心磁极和外围多对磁极组成的励磁系统,如图 2–17 所示,中心磁极对锅体产生的电磁力抵消涡流产生的洛伦兹力,从而有效地防止了锅体的悬浮和转动。

工频电磁灶对烹饪容器的结构和材料有一定的要求。一般烹饪容器采用单一材料,如铝、陶瓷、不锈钢、铁、铜等。但铝、铜本身的电阻低,涡流效应差,不锈钢导磁性差,热效应也受影响;铁的导磁性好,电阻也大,但容易锈蚀,不合卫生要求,因此应该使用复合结构的烹饪容器。从热效率、发热量等方面考虑,采用铝铁复合板做基材;再从耐腐蚀、卫生、美观等方面考虑,采用不锈钢包装,形成了不锈钢—铁—不锈钢—铝四层复合结构锅体,如图 2–18 所示。

(2)高频电磁灶
图 2–19 为高频电磁灶的工作示意图。灶台台板是一块高强度、耐冲压的钢化陶瓷平板或石英结晶玻璃,它的下面装有高频感应加热线圈(即励磁线圈)、高频感应电力转换装置及控制系统,灶面上配有平底烹调锅。工作时,将工频电流转换为高频电流。高频电流流过扁平空心螺旋状的感应加热器,产生高频变变磁场,其磁感线穿过灶面作用于金属烹调锅产生涡流而发热。

高频电磁灶对钢体材料没有像工频电磁灶那样严格,但也有一定要求。由于铜、铝的电阻较小,不能满足需要的发热功率,因此不宜作锅底材料。普通铁锅的磁导率大,且有很大的表面电阻,为铜、铝的 20 ~ 50 倍,特别是使用铁磁性不锈钢锅体,可以使锅体具有良好的加热特性,与采用复合锅相比,它小巧省料,且有较高的机械强度、较大的发热功率和美观的外表。
5.感应加热
感应加热是利用感应电流使工件加热。在工业应用中,采用的感应加热方式有两种,一种是有铁芯的感应加热方式(图 2–20 甲),这时被加热的材料相当于次级线圈。另一种是无铁芯的感应加热方式(图 2–20 乙),这时被加热材料相当于芯棒。
由于感应电流有趋肤效应,交变电流的频率越高,趋肤效应越显著,材料的受热层越薄。因而采用感应加热时,要根据加热的目的、要求、被加热物体的材料和尺寸,选择适当的频率。感应加热的电源按频率可分为工频、中频和高频三种。

工频即 50 Hz 的电源,可直接从供电网中取得,不需要特殊的频率变换装置。中频是 50 ~ 10 000 Hz 的频率。常用的中频频率为 500 Hz、1000 Hz、2 500 Hz、4 000 Hz、8 000 Hz、10 000 Hz。获得中频电流有两种方法,一种方法是利用旋转变频机,它是用感应电动机来驱动中频发电机。另一种方法是利用可控硅变频器,它是利用硅整流元件将工频交流变为直流,再利用可控硅元件将直流变为所要求的中频交流。高频电源一般指 20 000 Hz 以上的电源,它是通过电子管振荡器获得的。
感应加热的应用范围很广,主要用于合金钢、铸铁、有色金属的熔炼、钢制零件的表面热处理和焊接等。
(1)金属熔炼设备
①有芯感应熔炼炉有一个用硅钢片叠成的闭合铁芯,采用 50 Hz 工频电源。主要用于铜、锌、铝、黄铜、青铜等低熔点金属和合金的熔炼、保温。在铸铁生产过程中,可用于铁水的加热、保温和调整化学成分。有芯感应炉的容量为几百千克到几百吨。
②无芯感应炉的熔炼室一般做成坩埚形状。用紫铜管绕在坩埚四周作为感应线圈。主要用于熔炼钢、铸铁和铜、铝、镁、锌等有色金属及其合金。有工频、中频和高频三种。一般说来,炉子的装料容量越大,所用的电源频率就越低。高频炉的装料容量只有几十千克,输入功率只有几十千瓦,用于熔炼少量的特种合金和合金钢。中频炉容量从几十千克到二十吨左右,输入功率可达几千千瓦,用于熔炼钢及有色金属。工频炉主要用于熔炼铸铁。合金钢保温炉的容量可达一百多吨。
将无芯感应炉的坩埚放在真空室里,就成为真空感应炉。炉料在真空中熔炼,可除去材料中的氢、氮、氧等气体,并减少材料的氧化损失。这种感应炉可用于熔炼耐热合金、磁性材料、电工材料、高强度钢和核燃料。大型的真空感应炉容量可达几十吨。
(2)感应加热设备
采用感应加热的设备有透热、淬火、焊接等。金属材料的锻造、冲压、挤压、轧制等热加工之前需要加热,使材料整体被热透,称为透热。图 2–21 是感应透热设备的示意图。这种设备还可以用于金属部件的退火等加工工艺。

(3)感应淬火
利用交变电流的趋肤效应,采用感应加热的方法使金属零件表面加热,随即进行淬火,能使零件表面达到高的硬度、耐磨度和抗疲劳强度,而内部仍保持原有的韧性。利用感应淬火比用一般的火焰淬火加热速度快,零件表面氧化损失少,加工成本低,劳动条件好,已成为机械加工行业主要的表面淬火方法。图 2–22 是感应淬火的装置示意图。

6.自感现象的演示实验
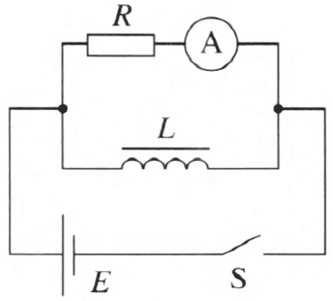
(1)通电自感
实验中注意以下问题:
①如果使用成品实验仪器,一般不需要调整就可以清楚地看到现象。电路如图 2–23 所示。与灯泡 A2 串联的电阻 R 的大小与电感 L 的纯电阻相等。灯泡 A1 与 A2 规格相同,但是也需要挑选,可以用欧姆表测灯泡的冷态电阻,选择相同的使用。
电源要用稳压电源或电池,不能用整流后的脉动直流做电源。
②没有成品仪器,可以用 J 2425 型变压器的红色原线圈 l 600 匝套在闭合铁芯上替代图 2–23 中的电感线圈 L,用欧姆表实测电感线圈的电阻,将电阻 R 的大小调至与电感线圈电阻相同。实验装置的电路图如图 2–23 所示。电源电压使用直流 12 V 稳压电源或电池(不能用整流后的脉动直流电源)。图中灯泡为“6.3 V 0.15 A”,选择方法与前述相同。
③需要向学生说明实验中用灯泡延迟发光表现通电线圈的自感现象比较形象、直观。将灯泡换成电流表或发光二极管同样可以观察电感线圈的自感现象。如果灯泡选配不合适,观察不到灯泡延迟发光现象,但是自感现象依然存在。
(2)断电自感
电路如图 2–24 所示。成品仪器实验现象明显,如果灯泡损坏要选择同规格的灯泡。在通电状态下,灯泡发出微弱的光,这样在断电时的闪亮会更加明显。

没有成品仪器,则用可拆变压器绿色线圈的 400 匝套在闭合铁芯上作为电感线圈 L,仍用前述灯泡,电源用直流 4 V,断开开关的速度要快,才能产生较大的自感电动势。
说明:通电自感实验所用的电源不能用整流后的脉动电流,因为脉动电流含有交流成分,电感 L 对其有较大的阻抗,不仅在通电的瞬间产生自感电动势,而且在通电后仍然有阻碍作用,稳压电源或电池其电流恒定,电感 L 只在通电的瞬间有阻碍作用,电流达到稳定状态时只有纯电阻的作用而无自感电动势。
7.用示波器观察通电自感与断电自感
(1)用计算机教学辅助系统做断电自感实验,如图 2–25 所示,将电流传感器与电阻串联,开关断开前后可以看到电阻 R 的电流方向相反,与后文中图 2–29 乙相仿。

(2)可以用示波器观察通电自感与断电自感,其曲线和用传感器、计算机看到的曲线相同。所不同的是用电流传感器实验,在计算机屏幕上看到的是电流变化曲线,而用示波器实验输入到示波器的是电压信号,观察的是电压变化曲线。在示波器上同样可以测量电压的大小。
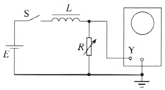
①通电自感的实验电路如图 2–26 所示,电感 L 仍选择可拆变压器红色初级线圈(1 600 匝,直流电阻约为 26 Ω,套在闭合铁芯上)或日光灯镇流器(40 W、30 W均可,直流电阻约为 50 Ω),电阻 R 用电阻箱调至 60 Ω,电源用 6 V 稳压电源或干电池(不能用整流后的脉动直流电源),示波器为 J24158–1 型或其他型号。实验时首先调整示波器方波电压,使正负半周相距半格,从示波器说明书可知此时每格为 200 mV。然后将 Y 轴调至衰减“×10”挡,则每格电压为 2 000 mV,即 2.0 V。将 X 轴微调旋钮逆时针旋到频率最低位置,凋整扫描线至屏幕中央与横坐标轴吻合。示波器 Y 输入的耦合方式取“DC”。当闭合开关 S 的瞬间,可以看到电阻 R 两端的电压变化曲线如图 2–27 所示,电压的最大值为 1.7×2.0 V = 3.4 V,通过电感 L 和电阻 R 的最大电流为 5.7×10−2 A,通过电阻 R 的电流变化曲线形状与电压变化曲线一致。由于示波器显示的图线时间较短(一般示波器为中余辉),不能将电压变化曲线驻留在屏幕上,可重复做几次,画出大致的曲线形状进行分析。

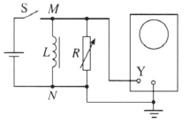
②断电自感的实验电路图如图 2–28 所示,电感 L、电阻 R、电源电压以及示波器的调整都和通电自感实验相同。当闭合开关 S 扫描线上升至 X 轴的上方约 2. 2格,即电压为 4.4 V(图 2–29 甲)。当断开 S 的瞬间,自感电动势通过电阻 R 放电,其电压曲线如图 2–29 乙所示,放电曲线在 X 轴的下方并逐渐衰减到 0,最大值为 2.8 格即电压最大值为 5.6 V,在电阻两端断电自感电压变化总值达 10 V 左右。电阻 R 上的放电电流方向与通电电流方向相反。

③一般的学校都有足够数量的学生用示波器,可以按图 2–26 和图 2–28 所示的实验器材和电路开展实验活动。
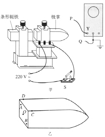
8.用示波器观察铁芯中涡流形成的电压波形和涡流电压的大小
(1)如图 2–30 所示,将 1 600 匝红色线圈套在 U 形铁芯上,条形轭铁、极掌分别安放在 U 形铁芯上,条形轭铁与极掌之间留下 0.5 ~ 1 cm 的距离后固定在铁芯上。用多用电表电阻挡测试一下线圈接线柱与极掌是否连接,指针不偏转,说明线圈与极掌之间是断路。

(2)将示波器 Y 轴调整在衰减“×1”挡成“×10”挡,X 轴扫描频率调整在 10 ~ 100 Hz 范围。Y 轴和地之间的输入导线可用多用电表的表笔,作为探针。
(3)红色线圈经过开关 S 接在 220 V 交流电源上。闭合开关 S。因为极掌由一整块软铁做成,所以在极掌铁芯内部产生涡流,并形成涡流电压。将示波器 Y 轴和地的探针 P、Q 与极掌上不同的两个点接触,如 AO、AB、AC 或 CD。在示波器屏幕上都可以看到涡流交流电压的正弦波波形。
如果示波器事先调整好每小格所测量的电压大小,根据涡流电压的幅度,还可以测出不同的两点之间涡流电压的大小。条形轭铁是用硅钢片制成,每一片硅钢片之间是绝缘的,其涡流电流控制在每一片硅钢片的最小范围内,在条形轭铁的端面检测不到明显的涡流电压波形。
(4)断开开关 S,探针 P、Q 仍与上述各点接触则在示波器上看不到涡流电压波形。可知实验步骤(3)中所看到的正弦电压波形是极掌中由于电磁感应形成的涡流电压波形,而不是线圈中 220 V 交流电压波形。
(5)注意安全。线圈的输入接线柱接在 220 V 交流电源上,最好用绝缘胶布裹上防止误碰而触电。通电时间要短些,避免线圈过热。
另外,用计算机教学辅助系统也可以完成涡流电压波形的观测。用电压传感器检测极掌上任意两点涡流电压,计算机屏幕同样可以显示涡流电压波形,并能够测量其大小。
发布时间:2025/9/6 上午10:27:36 阅读次数:343