第九节、电磁波的接收(二) 检波
由无线电台发射出的是经过调制的载有信号的电磁波,在调谐电路中因电谐振而产生的也是经过调制的高频振荡电流。这种电流通过收音机的耳机或扬声器,并不能使它们振动而发声。为什么呢?假定某一个半周期电流的作用是使振动片向某个方向运动,下一个半周期电流就以几乎同样大的作用使振动片向反方向运动,高频电流的周期非常短,半周期更短,而振动片的惯性相当大,所以在振动片还没有来得及在电流的作用下向某个方向运动的时候,就立刻有一个几乎同样大的作用要使它向反方向运动,结果振动片实际上不发生振动,因此,在电磁波的接收中还必须设法从经过调制的高频振荡电流中取出发射时加上去的调制信号。
从经过调制的高频振荡电流中取出调制信号的过程,叫做检波。检波是调制的逆过程,也叫做解调。由于调制的方法不同,检波的方法也不同,下面介绍收音机中对调幅波的检波。
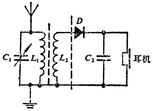
图 4–18 虚线的右边是晶体二极管的检波电路,是利用晶体二极管的单向导电性来进行检波的。L1C1 调谐电路中产生的是经过调幅的高频振荡电流(图 4–19 甲)。L1 和 L2 绕在同一磁棒上,由于互感作用,在 L2 上产生的是高频交变电压。由于晶体二极管 D 有单向导电性,通过它的是单向脉动电流(图 4–19 乙)。这个单向脉动电流既含有高频成分,又含有音频成分。由于电容器有通高频阻低频的作用,高频成分基本上从电容器 C2 通过,剩下的音频电流(图 4–19 丙)通过耳机,使耳机的振动片随着信号而振动发声。


图 4–18 实际上就是一个晶体二极管收音机的电路图。这种收音机声音很小,只能用耳机收听本地电台。为了提高收音机的接收性能,需要用放大器把微弱的信号放大,图 4–20 是加有放大器的收音机方框图。由天线和调谐电路接收到的高频调幅电流,先通过放大器进行高频放大,然后进行检波和低频放大,放大后的音频电流通过耳机或扬声器,使它们发出声音,在学生实验中,我们将熟悉这种收音机的电路图,并且要根电路图进行收音机的安装和调试。

练习四
(1)有一台收音机,把它的调谐电路中的可变电容器的动片从完全旋入到完全旋出,仍然接收不到某一较高频率电台的信号,要想接收到该电台的信号,应该增加谐振线圈的数,还是减小谐振线圈的匝数?为什么?
(2)收音机由收听某一较高频率的电台改为收听某一较低频率的电台,调谐电路中可变电容器的动片应该旋进一些还是旋出一些?为什么?
(3)某收音机调谐电路的可变电容器的动片完全旋入时,电容是 390 皮法,这时能接收到 520 千赫的无线电波。动片完全旋出,电容变为 39 皮法,这时能接收到的无线电波的频率是多大?在这两种情形下,接收到的电磁波的波长分别是多长?
发布时间:2025/4/19 上午11:29:23 阅读次数:533