第十一节、交流电的整流
由供电线路供给的通常都是交流电,但在生产和生活中也要用直流电,如电解、电镀、蓄电池充电、直流电动机等都要用直流电,这就需要把交流电变成直流电。把交流电变成直流电的过程叫做整流。晶体二极管(简称二极管)具有单向导电性,只许电流单方向通过,可以用来整流。常用的整流电路有半波整流、全波整流和桥式整流。
一、半波整流
图 3–31 是半波整流电路。B 是电源变压器,D 是二极管,R 是用电器的电阻,也叫负载电阻或负载。

当变压器的原线圈有交流电输入时,变压器的副线圈就有交变电压输出,设输出的交变电压为 u = Umsinωt,它的波形如图 3–32 甲所示。

当变压器输出的交变电压处于正半周时,a 正 b 负,二极管因加正向电压而导通,电流方向由 a 经 D、R 到 b、二极管导通时正向电阻很小,与负载电阻相可以忽略,因而电压全部加在负载电阻上,这时负载电阻上的电压波形与变压器输出的电压波形相同。
当变压器输出的交变电压处于负半周时,a 负 b 正,二极管因加反向电压而截止,二极管截止时,它的反向电阻可以看作无限大,电路中的电流近似为零。这时电压全部加在二极管上,负载电阻上的电压为零。
图 3–32 乙是负载电阻的电压波形,图 3–32 丙是负载电阻的电流波形,可见,整流后负载电阻获得的是强度随时间变化的直流电,也叫脉动直流电。半波整流电路简单,使用元件少,但只利用交流电的半个周期,负载获得的直流电脉动性大,变压器的利用率低,只适宜在小功率和要求不高的设备中使用。
二、全波整流
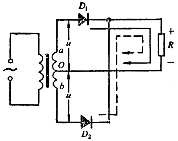
图 3–33 是全波整流电路,两只二极管的负极都通过负载电阻 R 与变压器副线圈中心抽头 O 连接,当变压器输出的变电压处于正半周时,a 正 b 负,O 点电势介于 a、b 之间,二极管 D1 因加正向电压而导通,D2 因加反向电压而截止,这时电流方向是由 a 经 D1、R 到 O,如图中实线箭头所示。当变压器输出的交变电压处于负半周时,a 负 b 正,二极管 D1 截止,D2 导通,这时电流方向是由 b 经 D2、R 到 O,如图中虚线箭头所示,可见,无论正半周或负半周,通过负载电阻 R 的电流方向总是相同的。图 3–34 是全波整流的波形,其中甲是变压器副线圈 a、O 间或 O、b 间的交变电压波形,乙是负载电阻的电压波形,丙是负载电阻的电流波形。


全波整流使交流电的两个半周期都得到利用,负载获得的直流电脉动性比较小,但变压器副线圈要有中心抽头,副线圈的圈数是半波整流的二倍,变压器利用率也不高,二极管在截止状态时承受的反向电压是副线圈 a、b 间的全部电压,因此要选用耐压性能较高的二极管。
三、桥式整流
图 3–35 是桥式整流电路,当变压器输出的交变电压处于正半周时,a 正 b 负,二极管 D1、D3,因加正向电压而导通,D2、D4 因加反向电压而截止,这时电流方向是由 a 经 D1、R、D3、到 b。当变压器输出的交变电压处于负半周时,a 负 b 正,二极管 D1、D3 因加反向电压而截止,D2、D4 因加正向电压而导通。这时电流方向是由 b 经 D2、R、D4 到 a。可见,无论正半周或负半周,通过负载电阻 R 的电流方向也总是相同的。桥式整流的波形跟全波整流的波形相似。
桥式整流克服了半波整流和全波整流的缺点,在无线电技术中应用较广,它的缺点是需要的整流元件较多。

发布时间:2025/3/22 下午8:53:34 阅读次数:1174