第八节、交流电的功率*
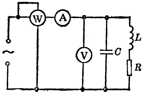
由于电感和电容对交流电的相位有影响,交流电在功率向题上也表现出跟直流电不同的特点,在一般的交流电路中,功率的表达式 P = UI 不再成立。这一点从图 3–23 所示的实验中就可以看出来,把电阻和电感串联在电路中,接通电路后,用仪表分别测出电流、电压和功率,从仪表的读数可以知道,P < UI。计算表明,交流电的功率表达式是
\[P = UI\cos \phi \]
其中,ϕ 是电流和电压之间的相差,cosϕ 叫做功率因数。P 是交流电路中实际消耗的功率,叫做有功功率,单位用瓦或千瓦,乘积 UI 叫做视在功率,单位用伏安或千伏安。

功率因数的大小,决定于电路的性质。在白炽电灯、电炉等纯电阻电路中,电流和电压同相,ϕ = 0,cosϕ = 1,P = UI。在电动机、日光灯的电路中,不仅有电阻,还有电感,电流和电压不是同相,ϕ ≠ 0,cosϕ < 1,P < UI。
发电机或变压器都有一定的额定电流和额定电压,通常所说的发电机或变压器的容量,就是指它的额定电流和额定电压的乘积,也就是它的额定视在功率,在正常情况下,电流和电压都不允许超过额定值,否则发电和变压器就会损坏或缩短寿命,由公式 P = UIcosϕ 知道,如果 cosϕ 很小,即使电流和电压都已达到额定值,有功功率 P 还是很小,供电设备的利用率就很低。为了充分利用供电设备的容量,必须提高电路的功率因数。
怎样才能提高功率因数呢?让我们来做一个实验,在图 3–23 的电路中,并联一个适当的电容器,如图 3–24 所示,接通电路后,从仪表的读数可以知道,P 跟 UI 的比值,比没接电容器以前大了,即功率因数提高了,在有电感的电路中,电流落后于电压,并联上电容器以后,由于电容有使电流超前于电压的作用,这个作用跟电感使电流落后的作用抵消或部分抵消,所以电流和电压之间的相差减小,功率因数就提高了。

我国规定,工厂用电的功率因数不得低于 0.85。在变电所或工厂的配电室里,常装有电容器,并联在电路中,就是为了提高电路的功率因数。
发布时间:2025/3/14 上午11:39:43 阅读次数:886