实验七十六 多谐振荡研究
实验器材
朗威电压传感器(LW-E841)、电学实验板 EXB-15(LW-6337)、多功能学生电源(LW-Q708)、导线、计算机。
实验装置
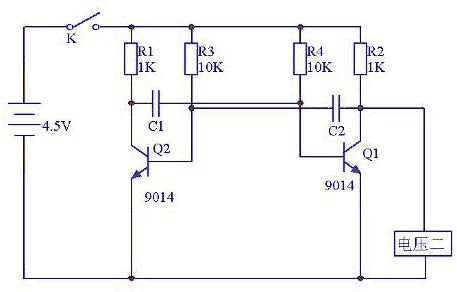
实验装置如图 76 – 1,实验原理如图 76 – 2。

实验操作(通用软件)
1 根据实验电原理图(图 76 – 2)将电压传感器接入电学实验板 EXB-15;

2 打开通用软件,调整控制界面为“示波”显示方式,设置“采样频率”为 1 kHz;
3 接入电源,将开关 K 拨到 2 端,得到振荡波形(图 76 – 3);

4 在“A+ A− ”或“B+ B− ”之间分别接入 2.2 μF 的电容,可以观察到两电容的大小决定了电路输出波形的振荡频率和占空比,如图 76 – 4 所示。

视频地址:http://llongwill.qybee.com/lecture/14596。
文件下载(已下载 20 次)发布时间:2023/5/14 上午10:12:17 阅读次数:1673