实验七十五 双稳态电路研究
实验器材
朗威电压传感器(LW-E841)、电学实验板EXB-14(LW-6337)、多功能学生电源(LW-Q708)、导线、计算机。
实验装置
如图 75 – 1。

实验操作(通用软件)
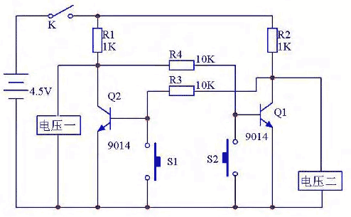
1.根据实验电原理图(图 75 – 2)将两只电压传感器与电学实验板 EXB-14 相连;

2.打开通用软件,添加两条“电压 – 时间”曲线,观察到一路电压信号高于 4 V,而另一路电压信号接近 0 V;
3.闭合开关 S1、S2,系统显示两路电压测量信号“高 – 低”转换(图75 – 3)。

视频地址:http://llongwill.qybee.com/lecture/14465。
文件下载(已下载 19 次)发布时间:2023/5/13 上午11:24:10 阅读次数:1866