实验七十四 简单门电路研究
实验器材
朗威电压传感器 (LW-E841)×3、电学实验板 EXB-20、EXB-21、EXB-22(LW-6337)、多功能学生电源(LW-Q708)、计算机。
实验装置
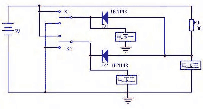
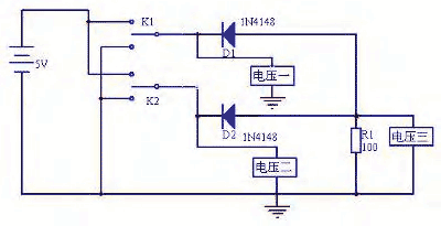
实验装置如图 74 – 1 ~ 图 74 – 3,实验原理如图 74 – 4 ~ 图 74 – 6。



实验操作(通用软件)
1 根据电原理图(图 74 – 4 ~ 图 74 – 6),将电压传感器接入电学实验板;



2 打开通用软件,调整通道为示波显示;调整相应开关,得到“与门”电路输入端电平信号的四种组合:“00”、“01”、“10”、“11”,记录“与门”输出端电平信号(U3)的变化如图 74 – 7 所示;

3 更换“或门”电路实验板,重复操作,获得实验果如图 74 – 8;

4 更换成“非门”电路实验板,通过调整输入端电平信号 U2 出现两种情况:0、1,观察“非门”输出端电平信号变化,如图 74 – 9 所示。

发布时间:2023/5/12 下午9:30:47 阅读次数:1964