实验六十七 研究整流与滤波
实验器材
朗威电压传感器(LW-E841)×2、电学实验板 EXB-01、EXB-02(LW-6337)、多功能学生电源(LW-Q708)、导线、计算机。
实验装置
如图 67 – 1。

实验操作(通用软件)
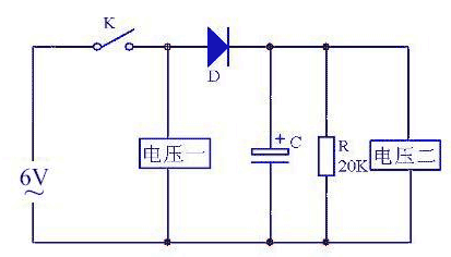
1 根据实验原理图(图 67 – 2、图 67 – 3)将电压传感器与半波整流电学实验板的 U1、U2 连接;


2 打开通用软件,将两传感器“采样频率”设为“1 K”,单击“组合图线”,添加两条“电压 – 时间”图线,得到半波整流实验图(图 67 – 4);
3 分别闭合 K1、K2,观察容量为 2.2 微法与 47 微法的电容的滤波效果(图 67– 5、67 – 6);
4 将两只电压传感器的测量夹分别与全波整流实验板的 U1、U2 连接,重复上述步骤,得到全波整流实验结果(图 67 – 7)。
发布时间:2023/5/5 下午8:57:10 阅读次数:1936