多段数码管显示
数码管是一种半导体发光器件,其基本单元是发光二极管。数码管按段数分为七段数码管和八段数码管,八段数码管比七段数码管多一个发光二极管单元(多一个小数点显示),本实验所使用的是八段数码管。
按发光二极管单元连接方式分为共阳极数码管和共阴极数码管。共阳数码管是指将所有发光二极管的阳极接到一起形成公共阳极(COM)的数码管。共阳数码管在应用时应将公共极 COM接到+5V,当某一字段发光二极管的阴极为低电平时,相应字段就点亮。当某一字段的阴极为高电平时,相应字段就不亮。共阴数码管是指将所有发光二极管的阴极接到一起形成公共阴极(COM)的数码管。共阴数码管在应用时应将公共极COM接到地线GND上,当某一字段发光二极管的阳极为高电平时,相应字段就点亮。当某一字段的阳极为低电平时,相应字段就不亮。

数码管的每一段是由发光二极管组成,所以在使用时跟发光二极管一样,也要连接限流电阻,否则电流过大会烧毁发光二极管的。本实验用的是共阴极的数码管,共阴数码管在应用时应将公共极接到GND,当某一字段发光二极管的阳极为低电平时,相应字段就点熄灭。当某一字段的阳极为高电平时,相应字段就点亮。
数码管共有七段显示数字的段,还有一个显示小数点的段。当让数码管显示数字时,只要将相应的段点亮即可。例如:让数码管显示数字1,则将b、c段点亮即可。
所需器材

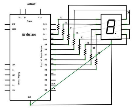
原理图

实物连接图

程序代码
//设置控制各段的数字IO脚
int a = 7; //定义数字接口7连接a段数码管
int b = 6; // 定义数字接口6连接b段数码管
int c = 5; // 定义数字接口5连接c段数码管
int d = 11; // 定义数字接口11连接d段数码管
int e = 10; // 定义数字接口10连接e段数码管
int f = 8; // 定义数字接口8连接f段数码管
int g = 9; // 定义数字接口9连接g段数码管
int dp = 4; // 定义数字接口4连接dp段数码管
void digital_1(void) //显示数字1
{
unsigned char j;
digitalWrite(c, HIGH); //给数字接口5引脚高电平,点亮c段
digitalWrite(b, HIGH); //点亮b段
for (j = 7; j <= 11; j++) //熄灭其余段
digitalWrite(j, LOW);
digitalWrite(dp, LOW); //熄灭小数点DP段
}
void digital_2(void) //显示数字2
{
unsigned char j;
digitalWrite(b, HIGH);
digitalWrite(a, HIGH);
for (j = 9; j <= 11; j++)
digitalWrite(j, HIGH);
digitalWrite(dp, LOW);
digitalWrite(c, LOW);
digitalWrite(f, LOW);
}
void digital_3(void) //显示数字3
{
unsigned char j;
digitalWrite(g, HIGH);
digitalWrite(d, HIGH);
for (j = 5; j <= 7; j++)
digitalWrite(j, HIGH);
digitalWrite(dp, LOW);
digitalWrite(f, LOW);
digitalWrite(e, LOW);
}
void digital_4(void) //显示数字4
{
digitalWrite(c, HIGH);
digitalWrite(b, HIGH);
digitalWrite(f, HIGH);
digitalWrite(g, HIGH);
digitalWrite(dp, LOW);
digitalWrite(a, LOW);
digitalWrite(e, LOW);
digitalWrite(d, LOW);
}
void digital_5(void) //显示数字5
{
unsigned char j;
for (j = 7; j <= 9; j++)
digitalWrite(j, HIGH);
digitalWrite(c, HIGH);
digitalWrite(d, HIGH);
digitalWrite(dp, LOW);
digitalWrite(b, LOW);
digitalWrite(e, LOW);
}
void digital_6(void) //显示数字6
{
unsigned char j;
for (j = 7; j <= 11; j++)
digitalWrite(j, HIGH);
digitalWrite(c, HIGH);
digitalWrite(dp, LOW);
digitalWrite(b, LOW);
}
void digital_7(void) //显示数字7
{
unsigned char j;
for (j = 5; j <= 7; j++)
digitalWrite(j, HIGH);
digitalWrite(dp, LOW);
for (j = 8; j <= 11; j++)
digitalWrite(j, LOW);
}
void digital_8(void) //显示数字8
{
unsigned char j;
for (j = 5; j <= 11; j++)
digitalWrite(j, HIGH);
digitalWrite(dp, LOW);
}
void digital_9(void) //显示数字9.
{
unsigned char j;
for (j = 4; j <= 11; j++)
digitalWrite(j, HIGH);
digitalWrite(e, LOW);
}
void setup()
{
int i;//定义变量
for (i = 4; i <= 11; i++)
pinMode(i, OUTPUT); //设置4~11引脚为输出模式
}
void loop()
{
while (1)
{
digital_1();//显示数字1
delay(2000);//延时2s
digital_2();//显示数字2
delay(1000); //延时1s
digital_3();//显示数字3
delay(1000); //延时1s
digital_4();//显示数字4
delay(1000); //延时1s
digital_5();//显示数字5
delay(1000); //延时1s
digital_6();//显示数字6
delay(1000); //延时1s
digital_7();//显示数字7
delay(1000); //延时1s
digital_8();//显示数字8
delay(1000); //延时1s
digital_9();//显示数字9.
delay(1000); //延时1s
}
}
文件下载(已下载 4 次)
发布时间:2019/7/7 下午8:54:58 阅读次数:3590
