交通灯设计实验
此实验模拟交通灯的亮暗,其中红灯、路灯亮1秒,而黄灯亮0.2秒。使用Arduino的delay()函数来控制延时时间。
所需硬件

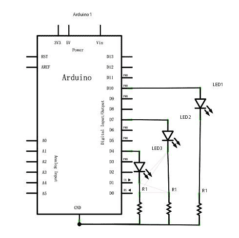
电路

原理图

代码
int redled =10; //定义数字10接口
int yellowled =7; //定义数字7接口
int greenled =4; //定义数字4接口
void setup()
{
pinMode(redled, OUTPUT);//定义红色小灯接口为输出接口
pinMode(yellowled, OUTPUT); //定义黄色小灯接口为输出接口
pinMode(greenled, OUTPUT); //定义绿色小灯接口为输出接口
}
void loop()
{
digitalWrite(redled, HIGH);//点亮红色小灯
delay(1000);//延时1秒
digitalWrite(redled, LOW); //熄灭红色小灯
digitalWrite(yellowled, HIGH);//点亮黄色小灯
delay(200);//延时0.2秒
digitalWrite(yellowled, LOW);//熄灭黄色小灯
digitalWrite(greenled, HIGH);//点亮绿色小灯
delay(1000);//延时1秒
digitalWrite(greenled, LOW);//熄灭绿色小灯
}
文件下载(已下载 3 次)
发布时间:2019/7/3 下午8:48:24 阅读次数:3557
