第6章 第4节 传感器
现代信息技术的三大基础是信息的拾取、传输和处理,也就是传感技术、通信技术和计算机技术。现代电子技术和计算机为信息转换与处理提供了十分完善的手段,但如果没有各种精确可靠的传感器去检测原始数据并提供准确的信息,那么,计算机将无法发挥作用。
什么是传感器
在前面几章中,我们已经学习和使用了一些传感器。再看以下几个实例。
晚上,当你进入黑洞洞的楼道时,一跺脚,楼道灯自动开启,但是这种情况在白天却不会发生。这是为什么?原来,楼道的灯安装了“声控-光控开关”。这个开关会感知环境的亮度和声音的强弱。只有环境的亮度低于某一数值,同时声强高于某一数值时,“声控-光控开关”才会接通,灯才会亮。
一些宾馆安装了自动门,当人走近时,自动门上的传感器检测出反射红外线的变化,使自动门的开关启动(图6.4-1)。

你到商店购买散装糖果时,售货员将糖果放到电子秤上,将这种糖果的单价输入,电子秤会立即显示出糖果的重量和总价(图6.4-2),打印机会自动打出价签。这又是为什么?原来,电子秤上安装了“力传感器”,它能感知被称物的重量,并将其转变为电信号,输入电子秤的计算机系统,完成以上操作。

你从电视新闻中经常看到,交通警察在检查司机是否酒后开车时,让司机对着“便携式酒精检测仪”呼气,这个仪器即显示呼出气体中的酒精浓度(图6.4-3)。这是因为检测仪上装有“乙醇传感器”,它能感知乙醇的浓度。

以上器材都安装了传感器,它们的功能与人的视觉、听觉、触觉、嗅觉等功能相似。
实际上,有些传感器还具有“超人”的本领。这里所说的“超人”的本领是因为传感器不仅可应用于高温、高压、辐射等恶劣环境,还可以检测出人类“五官”不能感知的各种信息,如微弱的磁、电、离子和射线的信息等。利用传感器的这些本领,可以制成形形色色的机器人,承担人类难以完成的任务。
常见传感器
传感器的种类很多,原理各异,下面介绍两种常用的传感器。
(1)双金属温度传感器
温度是一个与人们日常生活环境有密切关系的物理量,也是人们在科学实验和生产活动中需要控制的重要物理量。因此,在各种传感器中,温度传感器是应用最广泛的一种。这里介绍常用的温度传感器之一——双金属温度传感器。
双金属温度传感器是将两种具有不同热膨胀系数的金属用压延的方法贴合在一起制成的。当它受热时,会因为两种金属伸长不一样而发生弯曲变形,从而使接点接通或断开。
双金属片常用镍铁合金和黄铜来制作,并要求其弯曲度均匀,且具有良好的弹性。
图6.4-4所示为控温用的双金属温度传感器。它由双金属片、接电簧片及调温旋钮等组成,控温用的电开关信号从双金属片和接电簧片输出。由于双金属片和接电簧片上装有大容量银质触点,可以直接控制执行机构的工作。双金属片温度传感器具有结构简单、成本低等优点,广泛应用于工农业生产的温度检测、控制及报警。

大家做
将日光灯启动器从日光灯上拿下,去掉启动器的外壳。在确认日光灯开关断开的情况下,将去掉外壳的启动器安放在启动器底座上。闭合开关,观察启动器双金属片的变化情况,体会双金属传感器的工作原理。
(2)光敏电阻
光传感器是利用光敏元件将光信号转换为电信号的传感器,它的敏感波长在可见光附近。光传感器是目前产量最多、应用最广的传感器之一。这里介绍一种常用的光敏元件——光敏电阻。
光敏电阻又叫光导管,它是由半导体材料制成的。光敏电阻没有极性,纯粹是一个电阻,可以在直流电压下工作,也可以在交流电压下工作。无光照时,光敏电阻的阻值(暗电阻)很大,流过电路中的电流(暗电流)很小。当光敏电阻受到光照时,它的阻值(亮电阻)减小。
光敏电阻的结构很简单。图6.4-5为金属封装的硫化隔(CdS)光敏电阻,它是在玻璃底板上均匀地涂上一层薄薄的半导体物质而制成的。表面做成梳状图案,目的是提高灵敏度。由于半导体材料怕潮湿,因而光敏电阻常用带透光窗口的外壳密封起来。

大家做
按图6.4-6把光敏电阻连接在电路中,观察有光照和没有光照时灵敏电流表指针的变化。根据灵敏电流表测出的电流值,便可得知光线的强弱。

实验
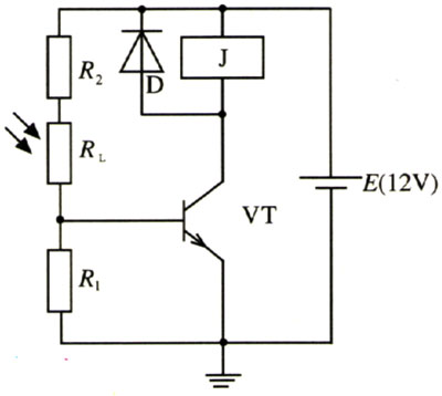
光控路灯开关
光控路灯开关的原理如图6.4-7所示。无光照时,光敏电阻RL的阻值很大(大于1 MΩ),因此三极管的基极电流Ib很小,集电极电流Ic也很小,继电器J不会动作,此时可利用继电器的常闭触点作为路灯的开关,使路灯点亮;天亮了有光照射时,RL的阻值变得很小(小于3 kΩ),于是Ic也增大,从而使继电器工作,吸动衔铁,使常闭触点断开,路灯也就关闭了。

先设计并制作线路板,按电路图将元件一一焊好。全部完成后,需通电试验调试。接通电源后,当光线照射光敏电阻时,观察继电器是否吸合。然后用手遮盖光线,看继电器是否释放,并重复几次。调试结束后,把线路板装入合适的小盒内,并让光敏电阻的感光面伸出盒外。以继电器触点引线代替开关与外面安装的路灯电路连接,最后将小盒固定在某一合适的位置就可以了。
表6-3 光控路灯开关基本元件及参数表
|
序号 |
名称 |
规格型号 |
数量 |
|
1 |
电阻R1 |
1/8W 10 kΩ |
1 |
|
2 |
电阻R2 |
1/8W 68 kΩ |
1 |
|
3 |
光敏电阻RL |
暗电阻>1 MΩ,亮电阻<3 kΩ |
1 |
|
4 |
三极管VT |
9014 |
1 |
|
5 |
继电器J |
4098 12V |
1 |
|
6 |
二极管D |
IN4001 |
1 |
|
7 |
电源 |
直流稳压电源 |
1 |
问题与练习
1.日光灯启动器内的氖泡中有一个双金属温度传感器(图6.4-8)。找一个失效的启动器,拆开外壳,小心敲破玻璃泡,可以看到一个弯曲的金属片连在启动器的一个接线柱上,另一个接线柱固定着一根硬金属丝,作为双金属片的触点,常温下它们是分离的。用打火机的火焰靠近双金属片,可以看到双金属片的形状明显变化,两接线柱被接通。火熄灭后,双金属片逐渐恢复原状,两接线柱断开。

把这个启动器作为开关,用导线、电池和一个小灯泡串联,把打火机的火焰靠近双金属片时,小灯泡被点亮,熄灭打火机,过一会儿,小灯泡熄灭。
2.你认为“力传感器”可以用在哪些场合?提出应用“力传感器”的设想。
3.以“传感器”为关键字在因特网上搜索有关网页,看看传感器在哪些方面有应用。
4.请你利用学过的物理学原理,自己制作一个传感器。
5.调查你家中用到了哪些传感器。哪些装置中可能有传感器?它们可能是怎样工作的?设计实验,在不破坏设备的情况下,证实或否定你的判断。
6.请你利用本章第二节“问题与练习”中的音乐集成电路以及干簧管和磁铁,制作一个防盗报警装置。
文件下载(已下载 393 次)发布时间:2017/12/25 下午12:41:56 阅读次数:3178
