第六章 3 实验:传感器
本节提供了两个实验,同学们可以根据兴趣和器材的条件从中选择一个。只有自己动手进行组装和调试,才会对传感器的作用有更深切的体会。
传感器的工作离不开其他电子元器件。在初中课程和《物理选修3-1》中同学们已经学习过诸如二极管、门电路等的特性。但那些知识对于电子技术方面的制作来说是不够的,所以本书后面附上了一些常用电子元器件的原理和使用要点,同学们可以在实验前学习,也可以在实验中查阅。当然,要想更好地应用传感器,还要在更多的资料中找到自己需要的知识和信息。
实验1 光控开关
怎样能够在天色暗到一定程度时让路灯自动开启,而在天明时自动熄灭?现在提供两种模仿的光控开关电路。
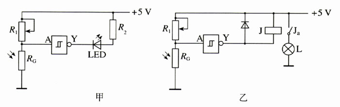
我们使用型号为74LS14的集成块,它里面有六个非门,实验时只使用其中的一个。74LS14的引脚如图6.3-1所示,实验电路如图6.3-2所示。这种非门由于性能特别,称为斯密特触发器[1]。当加在它的输入端A的电压逐渐上升到某个值(1.6 V)时,输出端Y会突然从高电平跳到低电平(0.25 V),而当输入端A的电压下降到另一个值的时候(0.8 V),Y会从低电平跳到高电平(3.4 V)。斯密特触发器可以将连续变化的模拟信号转换为突变的数字信号,而这正是进行光控所需要的。

图6.3-2甲所示的光控电路用发光二极管LED模仿路灯,RG为光敏电阻,R1的最大电阻为51 kΩ,R2为330 Ω。电路原理比较简单,请同学们自行分析[2]。

要想在天更暗时路灯才会点亮,应该把R的阻值调大些还是调小些?说明这样做的道理,然后试一试,看看你想的对不对。
由于集成电路允许通过的电流比较小,要用白炽灯泡模仿路灯,就要使用继电器来启闭另外的供电电路。如图6.3-2乙,灯泡可用“6 V 0.3 A”的,继电器可以使用HRS1H-S型微型继电器以便能够插在实验板上。图中J为继电器的线圈,工作电压为5 V,Ja为它的常开触点。为了防止继电器释放衔铁时线圈中的自感电动势损坏集成电路,必须给线圈并联一只二极管,以提供自感电流的通路。
自从初中学过直流电路的知识后大家就已经形成一个观念:电路只有“闭合”才能形成电流。研究图6.3-2启应该出现这样的疑问:使二极管发光和使继电器动作的电流是怎样构成通路的?难道是由电源的正极“+5 V”经过二极管(或继电器J),再经过光敏电阻RG到达电源负极而形成通路吗?不是的,通过电阻RG的电流不可能达到这样大的数值。
实际上,集成块74LS14还有电源正极的引脚Vcc和共同接地点的引脚GND(图6.3-1),电源通过这两个引脚向发光二极管或继电器提供了工作电流。与物理学中的电路图不同,在涉及门电路的电路图中,我们表示的是电路中的逻辑关系,通常不把电流的通路完整地画出来。
实验2 温度报警器
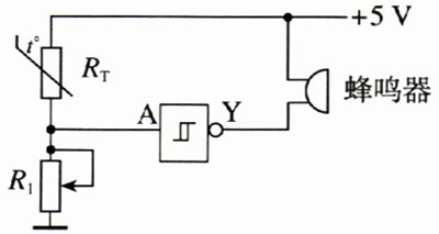
图6.3-3是一个温度报警器的电路图。RT为热敏电阻,常温下阻值为2 kΩ左右,温度升高时阻值减小。R1为可调电阻,最大阻值选1 kΩ比较合适。蜂呜器可以选用YMD或HMB型,当它两端的直流电压为4~6V时会发出呜叫声。

接通电源后,先调节R1使蜂鸣器在常温下不发声。再用热水使热敏电阻的温度上升,到达某一温度时就会发出报警声。
请你说明这个电路的工作原理。想一想:怎样能够使热敏电阻在感测到更高的温度时才报警?试一试,看你想的对不对。
问题与练习
1.图6.3-4是一个简单的磁控防盗报警装置。门的上沿嵌入一小块永磁体M,门框内与M相对的位置嵌入干簧管H,并且将干簧管接入图示的电路。睡觉前连接好电路,当盗贼开门时,蜂鸣器就会叫起来。

请说明它的工作原理,最好通过实验模拟这个电路的工作。
2.请你设计一个电热水器的控制方案。要求水烧开时自动断电,而在水温低于沸点约10℃时又自动加热。同时还要有手动开关,必要时可以在任何温度下立即加热。
3.调查研究:你的家庭、学校和附近的公共设施中.有哪些地方使用了传感器?这些传感器各是什么类型的?各起了什么作用?它们为我们提供了哪些方便?带来了哪些经济效益?写出一篇文章,并且配图说明。如果做成计算机的演示文稿就更好了。
文件下载(已下载 87 次)发布时间:2017/8/26 下午4:52:42 阅读次数:1277
表示。