第五章 4 变压器
思考与讨论
把两个没有导线相连的线圈套在同一个闭合铁芯上,一个线圈连到交流电源的两端,另一个线圈连到小灯泡上(图5.4-1)。小灯泡可能发光吗?说出你的道理。

连接电路,接通电源,看看你的判断对不对。
变压器的原理
变压器是由闭合铁芯和绕在铁芯上的两个线圈组成的(图5.4-2)。一个线圈与交流电源连接,叫做原线圈(primary coil),也叫初级线圈;另一个线圈与负载连接,叫做副线圈(secondary coil),也叫次级线圈。

互感现象是变压器工作的基础。电流通过原线圈时在铁芯中激发磁场,由于电流的大小、方向在不断变化,铁芯中的磁场也在不断变化。变化的磁场在副线圈中产生感应电动势,所以尽管两个线圈之间没有导线相连,副线圈也能够输出电流。
在输入电压一定时,原线圈、副线圈取不同的匝数,副线圈输出的电压也不一样,变压器由此得名。
实验
探究变压器线圈两端的电压与匝数的关系
根据前面“思考与讨论”中看到的现象。以及你对变压器原理的理解,你认为线圈两端的电压与线圈的匝数可能有什么关系?能不能简单地说,线圈的匝数越多,它两端的电压就越高?也许两个线圈的匝数都对副线圈两端的电压有影响?也许……
可以利用教学用的可拆变压器进行探究。可拆变压器能方便地从不同接线柱上选取不同匝数的线圈(图5.4-3)。

探究时要注意下面几点。
1.先写出操作步骤,画出电路图。
建议先保持原线圈的匝数不变,改变副线圈的匝数,研究其对副线圈电压的影响。然后再保持副线圈的匝数不变,研究原线圈的匝数对副线圈电压的影响。
电路图上要标出两个线圈的匝数、原线圈欲加电压的数值。要事先推测副线圈两端电压的可能数值。操作前要画好记录数据的表格。
2.连接电路后要由同组的几位同学分别独立检查,然后请老师确认。只有这时才能接通电源。
3.为了人身安全,只能使用低压交流电源,所用电压不要超过12 V;即使这样,通电时也不要用手接触裸露的导线、接线柱。
4.为了多用电表的安全,使用交流电压挡测电压时,先用最大量程挡试测,大致确定被测电压后再选用适当的挡位进行测量。
5.得出探究的结果后,要力求用准确而精练的语言把它表述出来。如果可能,最好用数学式来表述。
电压与匝数的关系
实验和理论分析都表明,原、副线圈的电压之比,等于两个线圈的匝数之比,即
\(\frac{{{U_1}}}{{{U_2}}}\)=\(\frac{{{n_1}}}{{{n_2}}}\) (1)
电流通过变压器线圈时会发热;铁芯在交变磁场的作用下也会发热;此外,交变电流产生的磁场也不可能完全局限在铁芯内。所以,变压器工作时有能量损失。没有能量损失的变压器叫做理想变压器。(1)式只适用于理想变压器。但是,实际上变压器的效率都是比较高的,特别是电力设备中的巨大变压器,在满负荷工作时效率可以达到95%以上。所以,在中学物理的计算中应用(1)式是可以的。
理想变压器也是一个理想化模型。
变压器的输出功率与输入功率之比,叫做变压器的效率。
实际应用中需要改变交流电压的场合是很多的。大型发电机发出的交流,电压为几万伏,而远距离输电却需要几十万伏以上的电压。各种用电设备所需的电压也不相同。电灯、电饭锅、洗衣机等家用电器需要220 V的电压,机床上的照明灯需要36 V或24 V的安全电压。一般半导体收音机的电源电压不超过10 V,而电视机显像管却需要10 kV以上的高电压。由于有了变压器,交流的电压容易改变,所以交流得到了广泛的应用。
如果副线圈的电压比原线圈的电压低,这样的变压器叫做降压变压器,反之则叫升压变压器。

科学漫步
互感器
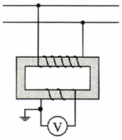
交流电压表有一定的量度范围,它的绝缘能力也有限,不能直接连到电压过高的电路。用变压器把高电压变成低电压再接到交流电压表上,这个问题就解决了(图5.4-5)。这样的变压器叫做电压互感器。为了安全,互感器的铁壳和副线圈应该接地。

另外,也可以把变压器上原线圈的匝数做得较少,而副线圈的匝数做得较多,这时副线圈的电流比原线圈的电流小。如果把原线圈串联在电路中,副线圈的两端接在普通的交流电流表上,就可流以测量很大的电流了。这样的变压器叫做电流互感器(图5.4-6)。


测量电流时要把电路断开,把电流表串联到电路中,不方便。有一种钳式电流表,按下手柄时,它的铁芯可以分开,把被测的载流导线放入后,松开手柄,铁芯闭合。导线中的交流在铁芯中产生交变磁场,电流表与套在铁芯上的线圈相连,可以间接得知导线中的电流。被测导线-铁芯-线圈也构成一个互感器,不过它的原线圈只有一匝!钳式电流表使用方便,但测量准确度较差,多用于大电流的估测。

问题 如果图5.4-6中电流互感器的效率是100%,请推导两个线圈中电流之比与它们的圈数之比的关系。
问题与练习
1.变压器为什么不能改变恒定电流的电压?
2.有些机床为了安全,照明电灯用的电压是36V,这个电压是把380V的电压降压后得到的。如果变压器的原线圈是1140匝,副线圈是多少匝?
3.当变压器一个线圈的匝数已知时,可以用下面的方法测量其他线圈的匝数:把被测线圈作为原线圈,用匝数已知的线圈作为副线圈,通入交流,测出两线圈的电压,就可以求出被测线圈的匝数。已知副线圈有400匝,把原线图接到220V的线路中,测得副线圈的电压是55V,求原线圈的匝数。
4.变压器线圈中的电流越大,所用的导线应当越粗。街头见到的变压器是降压变压器,假设它只有一个原线圈和一个副线圈,哪个线圈应该使用较粗的导线?为什么?
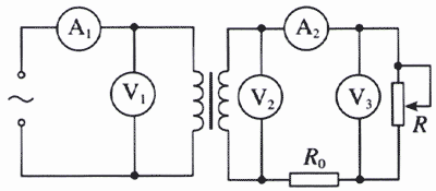
5.图5.4-9是街头变压器通过降压给用户供电的示意图。变压器的输入电压是市区电网的电压,负载变化时输入电压不会有大的波动。输出电压通过输电线输送给用户.两条输电线的总电阻用R0表示,变阻器R代表用户用电器的总电阻,当用电器增加时,相当于R的值减小(滑动片向下移)。如果变压器上的能量损失可以忽略,当用户的用电器增加时,图中各表的读数如何变化?

发布时间:2017/8/17 下午7:32:27 阅读次数:2576
