第五章 3 电感和电容对交变电流的影响
演示
如图5.3-1,把带铁芯的线圈L与小灯泡串联起来,先把它们接到直流电源上,再把它们接到交流电源上。取直流电源的电压与交流电压的有效值相等。观察两种情况下灯泡的亮度。
这个实验说明了什么?

电感器对交变电流的阻碍作用
在直流电路中,当电压一定时,影响电流强弱的只是电阻;但在交流电路中,电感器对交变电流也有阻碍作用。也就是说,如果把线圈接入交流电路,即使绕制线圈的导线的电阻可以忽略,线圈仍然对交流有阻碍作用。电感器对交流的阻碍作用的大小用感抗表示。实验和理论分析都表明,线圈的自感系数越大、交流的频率越高,电感对交流的阻碍作用就越大,也就是说,线圈的感抗就越大。
扼流圈是电工技术和电子技术常用的元件,它利用了电感对交流的阻碍作用。

扼流圈分为两大类。一类是低频扼流圈,线圈绕在铁芯上,匝数为几千甚至超过一万,自感系数为几十亨。即使交流的频率较低,例如家庭电路中的交流,这种线圈产生的感抗也很大。由于线圈是用铜线绕制的,对直流的阻碍作用较小,所以这种扼流圈可以用来“通直流,阻交流”。

另一类是高频扼流圈,线圈有的绕在铁氧体芯上,有的是空心的,匝数为几百或几十,自感系数为几毫亨。这种扼流圈只对高频交变电流有较大的阻碍作用,对低频交变电流的阻碍作用较小,对直流的阻碍作用更小,因此可以用来“通直流、通低频,阻高频”。
演示
如图5.3-4,把白炽灯和电容器串联起来,先把它们接到直流电源上,再把它们接到交流电源上。观察灯泡的发光情况。
这个实验说明了什么?

交变电流能够通过电容器
直流不能通过电容器,这是容易理解的,因为电容器的两个极板被绝缘介质隔开了。
金属中的电流是由负电荷的定向移动引起的,它等效于正电荷向相反方向的移动。图中用到了这种等效画法。
当电容器接到交流电源的两端时,实际上自由电荷也没有通过两极板间的绝缘介质。不过,瞬时电压在不断变化,当电压升高时,电容器充电,电荷向电容器的极板上聚集,形成充电电流;当电压降低时,电容器放电,电荷从极板上退出,形成放电电流(图5.3-5)。电源加在两极板上电压的大小和正负在不断地变化,电容器交替地进行充电和放电,电路中就有了电流,表现为交流“通过”了电容器。

电容器对交变电流的阻碍作用
在图5.3-4的实验中,如果把电容器从电路中取下来,使灯泡直接与交流电源相连,灯泡要比接有电容器时更亮。这表明电容器对交流有阻碍作用。
电容器对交流阻碍作用的大小用容抗表示。实验和理论分析都表明,电容器的电容越大,交流的频率越高,电容器对交流的阻碍作用就越小,也就是说,电容器的容抗就越小。
说一说
有些电源输出的电流既有交流成分又有直流成分,而我们只需要稳定的直流,不希望其中混有太多的交流成分.这时可以采用图5.3-3的电路。现在我们又知道,电容具有“隔直流、通交流”的作用,如果同时使用电感器和电容器,是不是可以使负载电阻R2上的交流成分更少?
试着在图5.3-3的基础上在右侧虚框中画出这样的电路图。
为了尽量减少R2上的交流成分,应该怎样选择线圈的自感和电容器的电容?
使用220 V交流电源的电气设备和电子仪器,金属外壳与电源之间都有良好的绝缘。但是,有时候用手触摸外壳仍会感到“麻手”,用试电笔测试时氖管也会发光,这是为什么?
原来,与电源相连的机芯和金属外壳可以看做电容器的两个极板,电源中的交变电流能够“通过”这个“电容器”。当用手触摸金属外壳时,可能有一点点电流经人体流入大地。虽然这点“漏电”一般不会造成人身伤害,但是为了确保安全,电气设备和电子仪器的金属外壳都应该接地。
电容不仅存在于成型的电容器中,也存在于电路的导线、元件及机壳间。有时候这种电容的影响是很大的,当交流的频率很高时更是这样。
同样,电感也不仅存在于成型的线圈中。下面将要讲到远距离输电,输电线的电感和电容都很大,它们造成的损失常常比电阻造成的还要大。
问题与练习
1.如图5.3-6所示,交流电流表A1、A2、A3分别与电容器C、线圈L和电阻R串联后接在同一个交流电源上,供电电压瞬时值为u1=Umsinω1t,三个电流表各有不同的读数。现换另一个电源供电,供电电压瞬时值为u2=Umsinω2t,ω2=2ω1。改换电源后,三个电流表的读数是否变化?如果有变化,各是增大还是减小?为什么?

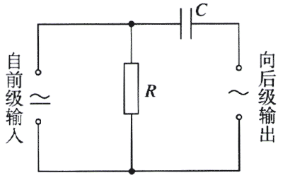
2.在电子技术中,声音、图像等信号都要变成交变电流来处理。微弱的信号电流往往需要经过几级放大。在某级放大之后,要把信号送到下一级,但两级的直流工作状态不能相互影响。这时可以在两级之间接入图5.3-7所示的电路,图中的电容称为耦合电容。说一说,这个电路怎样起到了“隔直流、通交流”的作用。

3.在电子技术中,从某一装置输出的交流常常既有高频成分,又有低频成分。如果只需要把低频成分输送到下一级装置,可以在下一级电路的输入端井联一个电容器(图5.3-8),这样,进入下一级的高频成分就很少了。这种电容器叫做高频旁路电容器。说一说,这个电容器怎样起到高频旁路的作用。

发布时间:2017/7/31 下午9:11:35 阅读次数:3709
