第二章 10 简单的逻辑电路
以数字信号为特征的现代信息技术在迅猛发展,计算机、数码相机、移动电话、数字电视等与数字信号相关的电子产品,已经进入我们的生活。数字信号在变化中只有两个对立的状态:“有”,或者“没有”(图2.10-1)。

处理教字信号的电路叫做数字电路,数字电路主要研究电路的逻辑功能。现在我们学习数字电路中最基本的逻辑电路——门电路。
“与”门
所谓“门”,就是一种开关,在一定条件下它允许信号通过;如果条件不满足,信号就被阻挡在“门”外。
如图2.10-2,两个开关A、B串联起来控制同一个灯泡L,显然,只有A“与”B同时闭合时,灯L才会亮。在这个事件中,A、B闭合是条件,灯L亮是结果。如果一个事件的几个条件都满足后,该事件才能发生,我们把这种关系叫做“与”逻辑关系。

思考与讨论
某单位财务室为了安全,规定不准一个人单独进入。为此,在门上以图2.10-3的方式安装了两把锁。只有甲与乙两个人同时打开各自的锁时,门才打开。它体现了“与”逻辑关系。

谈谈看,生活中还有哪些事例体现了“与”逻辑关系?
具有“与”逻辑关系的电路称为“与”门电路,简称“与”门。
一个开关有通、断两种情况,图2.10-2中两个开关的通、断组合起来就有4种情况,我们把这4种情况以及每种情况灯泡的亮熄都列在表l中。
用数学语言描述表1中的关系,就是:把开关接通定义为1,断开定义为0,灯泡亮为1,熄为0。
再把这种描述制成表2,表2就用数字表示了各种控制条件和控制结果,这种表格称为真值表。表2就是具有两个输入端的“与”门真值表。
图2.10-4是“与”门的电路符号,它有两个输入端A和B,Y是它的输出端。
在图2.10-2中,A、B是两个机械开关,这是用来说明“与”逻辑关系的。实用的门电路是由半导体材料制成。
|
条件 |
结果 |
|
|
开关A |
开关B |
灯泡L |
|
断 |
断 |
熄 |
|
断 |
通 |
熄 |
|
通 |
断 |
熄 |
|
通 |
通 |
亮 |
|
条件 |
结果 |
|
|
开关A |
开关B |
灯泡L |
|
0 |
0 |
0 |
|
0 |
1 |
0 |
|
1 |
0 |
0 |
|
1 |
1 |
1 |

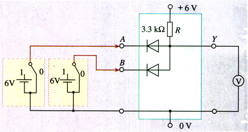
演示
图2.10-5中右边的色块内是用晶体二极管组成的有两个输入端的“与”门电路,用于教学演示。A、B是它的输入端,Y是输出端。电压表显示输出电压的值。
左边两个虚线框内是两个信号源,分别从A、B接入门电路。当信号源的开关接1时,信号源将一个电压输入门电路,接0时没有电压输入。可以从电压表上看到,只有当A、B都输入1时,输出端才有输出电压。

“或”门
图2.10-6中,两个开关A、B并联,控制同一个灯泡Y,在这个电路中,A“或”B闭合时,灯Y就亮。像本例这样:如果几个条件中,只要有一个条件得到满足,某事件就会发生,这种关系叫做“或”逻辑关系。具有“或”逻辑关系的电路叫做“或”门。

思考与讨论
某寝室的4名同学每人都配了一把门钥匙,各人都可以用自己的钥匙单独开门,它体现了“或”逻辑关系。
谈谈看,生活中还有哪些事例体现了“或’逻辑关系?
我们把图2.10-6中开关A、B的四种可能组合以及灯泡亮熄的情况列成表3,表3排列了该电路的控制条件和控制结果的全部关系。
用1表示开关接通、0表示断开,用1表示灯泡亮、0表示灯泡熄,根据表3制成表4。
表4就是反映“或”门输入、输出关系的真值表。
图2.10-7是“或”门的电路符号,A和B是它的两个输入端,Y是它的输出端。
|
条件 |
结果 |
|
|
开关A |
开关B |
灯泡L |
|
断 |
断 |
熄 |
|
断 |
通 |
亮 |
|
通 |
断 |
亮 |
|
通 |
通 |
亮 |
|
条件 |
结果 |
|
|
开关A |
开关B |
灯泡L |
|
0 |
0 |
0 |
|
0 |
1 |
1 |
|
1 |
0 |
1 |
|
1 |
1 |
1 |

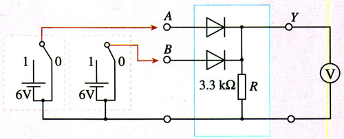
演示
图2.10-8中,右边的色块是用晶体二极管组成的有两个输入端的“或”门电路,用于教学演示。A、B是输入端,Y为输出端。电压表显示输出电压的值。

左边两个虚线框内是两个信号源,分别从A、B接入门电路。当信号源的开关接1时,信号源将一个直流电压输入门电路,接0时没有电压输入。可以从电压表中看到,只要A或B输入1,输出端就有输出电压。
“非”门
在图2.10-9的电路中,我们沿用以上讨论“与”门和“或”门时的研究方法:开关闭合为1、断开为0,灯泡亮为1、熄为0。开关通断是控制的条件,即输入;灯泡亮熄是控制的结果,即输出。
|
输入 A |
输出 Y |
|
0 |
1 |
|
1 |
0 |

通过实验很容易发现:当开关闭合而输入为1时,灯泡熄灭,输出为0;当开关断开而输入为0时,灯泡点亮,输出为1。像这样输出状态和输入状态相反的逻辑关系,叫做“非”逻辑关系,具有“非”逻辑关系的电路叫做“非”门。表5是“非”门的真值表。图2.10-10是“非”门的电路符号。

前面演示用的晶体管“与”门和“或”门电路,是用晶体管、电阻等元件临时装配的,体积大,可靠性、稳定性差。目前广泛应用的是将元件集成在一块硅片上的集成电路。例如,如果把图2.10-5右边色块中的“与”门做成集成块,所有元件都被集成在电路中,外面露出的只有正、负电源、输入(2个)、输出共5条引线,这样既缩小了体积,又方便、可靠,而且适于系列化、标准化生产。图2.10-11是一个真实的集成电路块的外引线图:四个2输入“与”门集成电路装在一个壳内,共有14条引线,其中12条引线内部连接着4个独立的2输入“与”门,第14号引线是公共电源线,第7号引线是公共地线。图2.10-12是由6个独立的“非”门组成的集成电路的外引线图。


演示

用图2.10-12所示的集成电路中的一个“非”门进行实验,按产品说明书的要求接好电源,输出端接一个电压表。如图2.10-13,当输入端加一电压A时,可以看到输出端输出图中Y所示的电压。
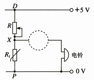
【例题】图2.10-14是一个火警报警装置的逻辑电路图。Rt是热敏电阻,低温时电阻值很大,高温时电阻值很小,R是阻值较小的分压电阻。
(1)要做到低温时电铃不响,火警时产生高温,电铃响起。在图中虚线处应接入怎样的元件?
(2)为什么温度高时电铃会被接通?
(3)为了提高该电路的灵敏度,即要把报警温度调得较低,R的值应大一些还是小一些?

解(1)温度较低时Rt的阻值很大,R比Rt小得多,因此P、X之间电压较大。要求此时电铃不发声,也就是要求输出给电铃的电压较小。这里输出端的需求写输入端的状态相反,可见虚线处元件应是“非”门。
(2)当高温时Rt阻值减小,X、P之间电压降低。这时由于输入了低电压,所以从“非”门输出的是高电压,电铃响起。
(3)为了提高电路的灵敏度,应该使电路在温度还没有升得很高时就能输出高电压,也就是说,应该在温度还没有升得很高时X点的电压就已经降得足够低。根据分压电路的性质,对于同一个热敏电阻Rt,增大可变电阻R的电阻值就能达到目的。
科学漫步
集成电路
电阻、电容、晶体管等元件,在使用时总是需要以各种各样的方式组装成一定的电路。对于稍微复杂一些的电路,还要经过一定的调试才能使用,这就降低了工作效率。为了解决这一问题,集成电路(integrated circuits,IC)应运而生。它是以半导体材料为基片,将组成电路的各种元器件和连线集成在同一基片上,成为具有一定功能的微电路系统。从宏观上来看,已经分不清集成电路中哪些部分是元件,哪些部分是连线,它们已经成为一个统一体。
集成电路具有分立元件电路无可比拟的优点。与最紧凑的分立元件电路相比,集成电路的体积小了几个数量级,重量轻了几个数量级。现代微电子技术可以在手指甲大小的半导体硅片上,制造出20亿~30亿个晶体管(图2.10-15)。由超大规模集成电路制成的超轻、超薄笔记本电脑,质量只有1 kg左右,厚度不到2 cm。而世界上第一台电子管式电子计算机,仅用1.8万只电子管,就占地170 m2,质量为30余吨。集成电路还具有可靠性高、运算速度快、成本低廉等许多优点。

目前,集成电路已经广泛应用于国民经济的各个领域以及人们日常的工作和生浯中。比如卫星、导弹的控制系统,汽车、船舶的电子装置,电视、手机等家用电器的核心部件,无一不采用集成电路。
随着微电子技术的发展,微电子产品的功能越来越强大,价格越来越低廉。手机、计算机已经走入千家万户,各种功能广泛、质量可靠、体积小、重量轻的微电子产品,越来越受消费者的青睐。

问题与练习
1.图2.10-17左边表示输入端A、B的电势随时间变化的关系。

(1)如果它是与门的输入端,请在中间方框内画出输出端的电势随时间变化的关系;
(2)如果它是或门的输入端,请在右边方框内画出输出端的电势随时间变化的关系。
2.一个机要仓库有一扇很大的电动门,门上装有三把电动锁,三个机要员各有一把锁的钥匙,只有三人同时转动自己的钥匙(闭合自己的开关),才能通过一个继电器把门打开。图2.10-18中的S1、S2、S3是三个锁内的开关,J为继电器(图中未画电动机的电路),请在方框内画出符合要求的具有3个输入端的门电路符号。

3.某同学设计了一个路灯自动控制门电路(如图2.10-19):天黑了,让路灯自动接通,天亮了,让路灯自动熄灭。图中RG是光敏电阻,有光线照射时,光敏电阻的阻值会显著地减小。R是可调电阻,起分压作用。J为路灯开关控制继电器(图中未画路灯电路)。

(1)请在虚线框内填入需要的门电路符号。
(2)如果路灯开关自动接通时天色还比较亮,需要调节自动控制装置,使得它在天色更暗时才会自动接通开关,应如何调节R?说明道理。
4.如图2.10-20甲,一个与门的输出端和一个非门的输入端相连,形成一个组合的门电路。与门的输入端就是这个组合电路的总输入端,非门的输出端Y2就是它的总输出端。为了应用方便,实际中把这两个基本门电路在制作时便复合在一起,做成一个复合门电路,称为“与非”门。图乙就是与非门的符号。同样的道理,由一个或门和一个非门可构成一个或非门。图丁是或非门的符号。

请在表中填写与非门和或非门的真值表。
|
输入 |
输出 |
|
|
A |
B |
Y |
|
|
|
|
|
|
|
|
|
|
|
|
|
|
|
|
|
输入 |
输出 |
|
|
A |
B |
Y |
|
|
|
|
|
|
|
|
|
|
|
|
|
|
|
|
发布时间:2017/4/25 下午9:47:52 阅读次数:2893
