低成本 高智慧 深探究(一)——低成本实验在物理教学中的开发与运用
选自《教学仪器与实验》2006年第2期 浙江省富阳中学 赵力红
在当前世界各国的理科教学改革中,可以看到这样一种趋势,这就是无论在发展中国家还是发达国家,都倡导采用低成本的器材,对低成本教具表现出浓厚的兴趣。这主要是因为这些低成本实验具有如下特点:①价廉;②亲切;③简单明了,且易于揭示学科的本质特征。
低成本实验(low-cost experiment)按其字面意义指的是价廉、花费少的实验,低成本实验可以通过简易材料的制作、科技玩具、运用新材料组合和对高新产品的移植得到。基于对这个问题的思考、研究和教学实践,笔者认为低成本物理实验真正的魅力是它可以做到:实验成本低而运用的智慧不低,成本低而具有的内涵并不低,成本低而教育价值并不低。
这些所谓的“非常规低成本实验”,具有以下特点:①现象新奇、有趣,易激发学生的兴趣;②材料易取,成本不高,极易动手制作;③内含物理内涵丰富,具有探究的价值;④对掌握概念、拓展知识有其独特功效。心理学研究与教学实践表明:如果实验所用的材料是学生所熟悉的,就会富有亲切感,从而较易克服思维障碍,较快地达到掌握物理概念的目的。如果学生亲手摆弄过或制作过器具,不仅能培养学生的动手能力,而且还能建立起牢固的相关物理表象,敏锐地洞察其中发生的物理过程,使知识理解得更为透彻。
基于这样的认识,笔者认为:对低成本实验进行的开发和运用,体现了现代教育思想的本质特征,它的许多教学功能往往是实验室里的“正规”实验器材所不能替代的。它与厂制仪器的发展并驾齐驱,具有旺盛的生命力。
笔者与本地爱好实验的物理教师们一起合作,对高中物理低成本实验做了一些有益的探究,目的是为高中的学生们构建一个学与做、学与玩相结合的生动活泼的物理学习情景,也为物理课的教学和学生的活动提供丰富多彩的素材。本文就低成本、高智慧物理实验的话题谈一些在教学中进行探究教学的心得体会,希望能引发一些更深入的思考和讨论。
1.攻克物理概念教学的难点
高中物理有许多较难懂的概念,如静摩擦力、瞬时速度、向心力、熵(热力学第二定律)、电势、相位、冲量和动量、电场强度等,针对这些概念进行教学的厂制仪器很少,我们运用低成本实验攻克物理概念教学的难点,取得了很好的教学效果。
(1)静摩擦力显示器(由富阳二中吕仕明老师设计)
该显示器根据“物体具有惯性”的原理制作,主要由底座、惯性摆、检测开关、显示屏、显示控制电路组成。它能自动检测物体是否受静摩擦力,并直观显示静摩擦力的方向。
整体构造如图1a所示,显示屏构造如图1b所示。

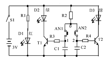
显示控制电路如图2所示。图中S1为电源开关,AN1、AN2为检测开关,发光管D1(红色)为电源指示,D2、D3为静摩擦力的方向指示。

当“静摩擦力显示器”不受静摩擦力作用时(如它在水平方向静止或作匀速直线运动),惯性摆处于自由下垂,与底座间无相对运动,不会挤压左右的检测开关,从而无摩擦力指示;当“静摩擦力显示器”受静摩擦力作用(如加速或减速)时,惯性摆与底座间发生相对运动,就会挤压左侧或右侧的检测开关,从而接通显示电路指出摩擦力的方向。
演示静止物体所受的静摩擦力:
①如图3a所示,将“静摩擦力显示器”(以下用A表示)置于水平地面上,用水平力F推A,没推动,A会指示此时它所受的静摩擦力方向,以演示水平面上的物体所受的静摩擦力情况。

②如图3b所示,演示物体静止在斜面上时所受静摩擦力的情况。
③如图3c所示,演示静止在斜面上的物体,在水平推力F作用下所受静摩擦力的情况。当水平推力由零逐渐变大时,用以研究静摩擦力f方向与外力F的大小有关。通过这样的演示,使学生对静摩擦力的方向有了直接的感受。
④如图4a所示,物体在皮带作匀速运动时,所受的静摩擦力为零,这个问题一直是高一学生难以接受的,运用该装置来演示,教学效果很好。

⑤如图4b,4c和4d所示,用以研究物体随小车一起沿斜面或皮带向上或向下作变速运动时所受静摩擦力的情况。
⑥如图5a所示,研究物体随转盘一起作匀速圆周运动时在切线方向和法线方向所受静摩擦力的情况。(注意:切向不受摩擦力!只有法向受摩擦力!)

⑦如图5b所示,研究物体随滑块一起在气垫导轨上作简谐运动时,在运动的各个位置所受静摩擦力的情况。
(2)温差热机(说明熵的增加原理、热力学第二定律)
温差发电机是由一块半导体热电堆和两块紫铜片组成,如图6所示。把两铜片分别插入在冷水和热水中,半导体热电堆两个侧面就有一定的温差(一般温差为40℃~80℃),其原理是根据塞贝尔效应(略)。这样,半导体热电堆中的电子就会移动起来,热电堆上两根引出导线上即可产生1V以上的电压,稍等片刻,小风扇即可飞快的旋转起来。

这是一个非常新奇的实验,学生们感到异常有兴趣。在高中新课程中,特别适合于演示热力学第二定律和热电效应,说明熵增原理。
热力学第二定律认为,不可能从单一热源吸收热量并把它全部用来做功,而不引起其它变化。即任何热机都必须兼备一个热源和一个冷源,冷源用于吸热。把本实验的两个铜脚都浸入相同温度的热水中,小风扇是不会旋转的。可见同温度的单一热源是不可能做功的。如果把铜脚分别插入一杯热水和一杯冷水,稍等片刻,小风扇快速转动起来了。但随后,转速逐渐减慢,最后慢慢停止转动,这时冷水变热了,热水变冷了,可见单一热源的热机的确是不可能做功的。
在教学中,教师要充分运用这一装置,引导学生就以下问题进行适时的探究:
①电扇工作的能量从何而来?电扇会持续地转动下去吗?
②要使电扇持续转动下去,应如何?
③为什么热机工作一定要冷凝器?你知道什么是单一热源了吗?
④如果将冷水杯和热水杯的位置互换一下,小风扇的转动方向会发生什么变化?
⑤地球上的海洋底部的温度明显低于海洋表面的温度。现在,你可以设计一个方案,利用海洋的温差来发电了,好吗?
(3)小课题探究
小热机两端产生的电压随温差的变化关系,实验装置和测量数据(见表1)及它们的图线关系如图7a和7b所示。
| 温差ΔT(℃) | 42.0 | 39.0 | 36.1 | 34.0 | 31.0 | 28.0 | 26.0 | 24.5 | 21.0 | 18.0 | 15.0 | 11.5 |
|---|---|---|---|---|---|---|---|---|---|---|---|---|
| 电压U(V) | 0.90 | 0.85 | 0.80 | 0.75 | 0.70 | 0.65 | 0.60 | 0.55 | 0.50 | 0.45 | 0.40 | 0.35 |

发布时间:2014/1/8 上午9:08:08 阅读次数:9170
