检验干电池的电动势是否变化?
山东淄博实验中学 朱桂兰 选自《物理教学》2012年第12期
中学物理中每当学到恒定电流这一章,总有人疑惑干电池的电动势是否随新旧程度的不同而发生变化。原因是这个量的变与不变涉及一个题目的解答。题目是这样的:
一个多用电表内的电池已使用很久了,但是转动调零旋钮时,仍可使表针调至零欧姆刻度处。用这只多用表测出的电阻值R测与被测电阻的真实值R真相比( )
(A)R测=R真 (B)R测>R真
(C)R测<R真 (D)无法确定
不同教师甚至不同资料提供的答案各不相同,其实解答这个题目的关键点,就是电池的电动势是否发生变化。由这个题目的设问,若反过来想,倒为我们检验干电池的电动势是否发生变化提供了一种实验方法——多用电表测电阻法检验电池的电动势是否变化。于是我与学生们一起设计并最终做了这个实验,得出了我们的结论:干电池的电动势是不随电池新旧程度而变化的,这样题目的正确答案当然就是A。
一、实验原理

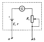
欧姆表的原理电路如图1所示,G为电流表(表头),其电阻为Rg,量程为I,,R0为调零电阻,干电池电源电动势为E,内阻为r。当两表笔短接时,调节R0使电路中电流达满偏值\({I_g} = \frac{E}{{{R_g} + r + {R_0}}}\) ,此时对应的电阻刻度值为零(电阻调零)。之后将两表笔间接入阻值Rx的电阻,表中电流为\(I = \frac{E}{{{R_g} + r + {R_0} + {R_x}}}\),此电流刻度对应标称电阻为Rx,若Rx=Rg+r+R0,则电流为Ig/2 ,此刻度对应的电阻称为中值电阻,其值即为Rx=Rg+r+R0=R中。当电池用旧时,内阻增大为rʹ,若E不变,则通过调节R0的阻值使其达到R0ʹ,只要表中电流仍能达到满偏值,则有R+rʹ+R0ʹ=R十r+R0=R中不变,则刻度的标称值仍为准确值,反之,若电池用旧时电动势E变小为Eʹ,则达满偏电流\({I_g} = \frac{{E'}}{{{R_g} + r' + {R_0}^{\prime \prime }}}\)时,R十rʹ+R0ʺ=R中ʹ<Rg+r+R0=R中,而刻度的标称值仍为原来的R中,用此表的测量值就比真实值偏大。即用同一个量程测量同一个电阻值时,换用旧电池后,指针所指位置将在原来位置的左侧。
由以上分析可知,若用同一多用表的同一欧姆挡,换用新旧程度不同的电池进行电阻调零后,测量同一固定电阻的阻值,若测量值不同(指针所指位置变化),说明干电池的电动势是变化的,若测量值相同(指针所指位置不变),则说明干电池的电动势是不变的。
所用的实验器材为:J0411-JY0330-93指针式多用表(欧姆挡中值标值40)、J2361-1型电阻箱、J2354型滑动变阻器、双鹿1号干电池8节(新旧程度不同)、双鹿5号干电池1节、带接线夹的导线5条。
二、实验步骤
(1)多用电表调整到直流电压2.5V挡,用两表笔直接接触干电池的两极,测量每节干电池的空载电压值见下表,从测量值可知,编号1至8号电池由新变旧程度逐渐增加。
| 编号 | 1 | 2 | 3 | 4 | 5 | 6 | 7 | 8 |
| 空载电压(V) | 1.64 | 1.47 | 1.45 | 1.43 | 1.41 | 1.40 | 1.39 | 1.37 |
(2)用指针式多用电表欧姆挡的×1挡测电阻。
①将多用表的功能旋钮调整到欧姆挡的×1挡。②用编号为1的千电池为欧姆表供电。③将两表笔短接进行电阻调零。④将滑动变阻器与电阻箱串联形成电阻。⑤将欧姆表的两接线夹接到电阻的两端,调整电阻箱到适当位置,再用滑动变阻器进行微调(调整电阻值使指针恰指在某一个刻度线上),使欧姆表读数为36Ω。⑥将欧姆表中的电池换为编号中的2号干电池,欧姆调零后重新测量上述电阻,发现阻值仍为36Ω(指针所指位置不变)。⑦再依次换用编号中的3到8号干电池按正确步骤重新测量上述电阻,读数均为36Ω(指针所指位置均不变)。
(3)用指针式多用电表欧姆挡的×10挡测电阻。
将多用电表的功能旋钮调到欧姆挡的×10挡,按步骤2中的(2)至(5)步骤进行实验,调整电阻箱及滑线变阻器使欧姆表读数为34,则测量电阻为340Ω。再依次将编号2到8的干电池为欧姆表供电,按正确步骤测量该电阻,测量值没有变化。
(4)用指针式多用电表欧姆挡的×100挡测电阻。
选档后按类似步骤实验,调整电阻箱及滑线变阻器使欧姆表读数为38,测量电阻即为3800Ω,换用不同编号的电池供电,按步骤测量,测量值也不变。
注意事项:(1)为减小因接触电阻变化而引起的实验误差,特选用接线夹代替测量表笔进行实验,并且每次更换电池时其他位置接线柱的接线不需改变。
(2)由于欧姆表刻度不均匀,为尽量减少数字估读引起的误差,特选用滑动变阻器与电阻箱串联构造一个电阻,利用滑动变阻器作微调,调整电阻阻值,使表头指针恰指在某一刻度线上,每次测量只需看表针是否仍指在同一位置上即可。
三、实验说明
(1)本实验理应用一节干电池将其使用不同时间之后进行上述实验,但为缩短实验时间,我选用了同一型号的8节新旧程度不同的干电池做此实验。实验结果显示,对同一电阻的测量值是完全相同的,这也进一步证明了同一型号的干电池电动势是完全相同的。
(2)上述实验做完后,我又用原型号(5号)的干电池为欧姆表供电测量最后一组实验的电阻,结果测量值仍不变,从而也说明同一类型的干电池电动势是相同的。
(3)实验中没有对欧姆表的×1K与×10K的挡进行实验,原因是它的供电电源为层叠电池,若换多节干电池串联后进行实验意义不大,因为前三个量程的实验结果已足以说明问题。
四、实验结论
因为针对欧姆表的同一量程换用新旧程度不同的干电池,测量同一个固定电阻的阻值,测量结果阻值相同,并且换用同类但型号不同(1号与5号)的干电池,测量结果也相同。据此得出结论:干电池电动势大小是由电动势的产生机制决定的,并不随电池新旧程度的变化而变化。但从欧姆表的同一挡更换电池后要重新进行欧姆调零可知,电池内阻将随新旧程度的变化而变化,并且电池越旧,内阻越大。
实验做完之后,大家兴致勃勃,又进一步对涉及电源的一些问题进行了讨论,给出了清楚的解释。
(1)实验步骤1中,用电压表直接测量干电池的空载电压,为什么电池越旧,电压表读数就越小呢?原因是所用实际电压表并非理想电压表,其内阻不是无穷大,这样电压表读数实际为路端电压\(U = \frac{E}{{{R_V} + r}}{R_V}\),其中E为电池的电动势,RV是电压表内阻,r为电池内阻。电池的E不变,但越旧,r越大,则U越小。
(2)电池旧到什么程度就不能再用到万用表中了呢?由欧姆挡的工作原理知,测量电阻前,需进行电阻调零,满足调节R0后使电路中电流达满偏值\({I_g} = \frac{E}{{{R_g} + r + {R_0}}}\) 。但若电池内阻r太大,即使R0=0也不能使表中电流达到满偏,则此电池就不能使用。反之也就是说,只要这节电池能使欧姆挡可以实现电阻调零,就可以使用。
(3)曾有一句电池的广告词:某某电池“电动车用完了,收音机还能用”,为什么会这样呢?
综合\(I = \frac{E}{{R + r}}\)及\(U = \frac{E}{{R + r}}R\)可知(当然此两式仅对纯电阻用电器成立,但并不影响帮助学生理解上述问题),电池的电动势E不变,电池越旧,r越大,导致电池的输出电压、电流均变化。但是不同的用电器所需的工作电压、电流不同,或者说功率不同而已。
通过这个小实验,不但使学生明确了干电池电动势不随新旧程度变化,更使学生经历了一次探究实验的全过程,有了一些意想不到的收获。
文件下载(已下载 2090 次)发布时间:2013/10/25 上午8:11:31 阅读次数:9424
