实验十八 动量定理(变力)
实验目的
探究物体在变力的作用下,物体所受合力的冲量与物体动量变化的关系。
实验原理
由动量定理:物体所受合力的冲量等于物体动量变化,即Ft=mv’-mv。
在轨道上用小车与力传感器的测钩碰撞,测出小车碰前和碰后返回通过光电门的时间计算出小车速度的变化,从而得出小车动量的变化。从力传感器测得的“F-t”图线上,通过对图线的积分处理得出冲量大小。比较小车在变力的作用下冲量与动量的变化关系。
实验器材
朗威DISLab、计算机、DISLab力学轨道及其附件、天平等。
实验装置图
见图18-1。

图18-1 实验装置图
实验过程与数据分析
1.在小车上安装“I”型挡光片(本次实验所用挡光片的宽度为0.020m)并在其前端安装弹簧圈,用天平称出小车的总质量m(kg);
2.将光电门传感器和力传感器分别接入数据采集器的第一、二通道,将光电门传感器用支架固定在轨道的一侧;
3.将力传感器通过力学轨道上的固定柱固定在轨道上,调整其高度使测钩与滑块弹簧圈的触碰点刚好位于测钩中心线上;
4.打开“组合图线”,添加“力-时间”图线,将采样频率设置为“500”。打开“计算表格”,点击“开始”;
5.推动小车通过光电门传感器后与力传感器的测钩碰撞,经反弹后又通过光电门传感器,则挡光片两次通过光电门传感器的挡光时间t1记录在表格中;
6.在计算表格中,增加变量“t2”,将t1列中的第二行的数据复制后粘贴到t2列中的第一行中。增加变量“m”表示小车的总质量(本次实验为0.3175kg);
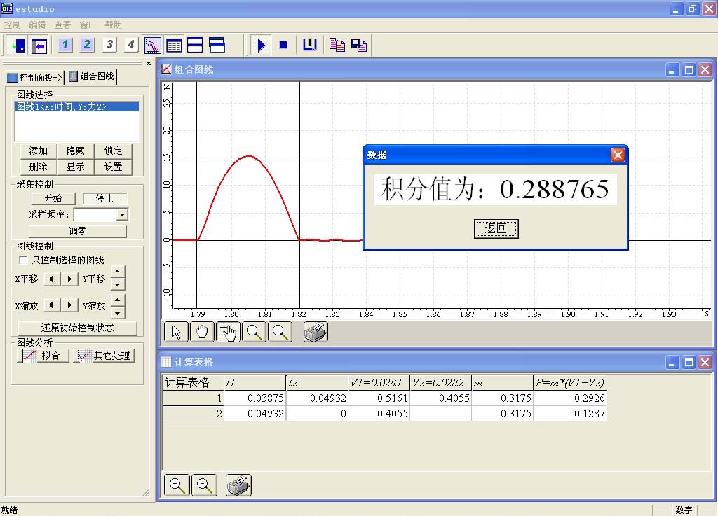
7.输入代表“碰前速度”、“碰后速度”和“动量变化”的公式“v1=0.020/t1”、“v2=0.020/t2”和“p=m*(v1+v2)”,计算得出动量变化分别为0.2926(图18-2);

图18-2 冲量与动量变化实验结果
8.在“组合图线”窗口中,用图线控制功能,将碰撞时的“F-t”图线回放,选取有效区域后,启用“其它处理”中的“积分”功能,计算出力与时间的积分值(即冲量Ft),得出碰撞的冲量是:0.2888(图18-2);
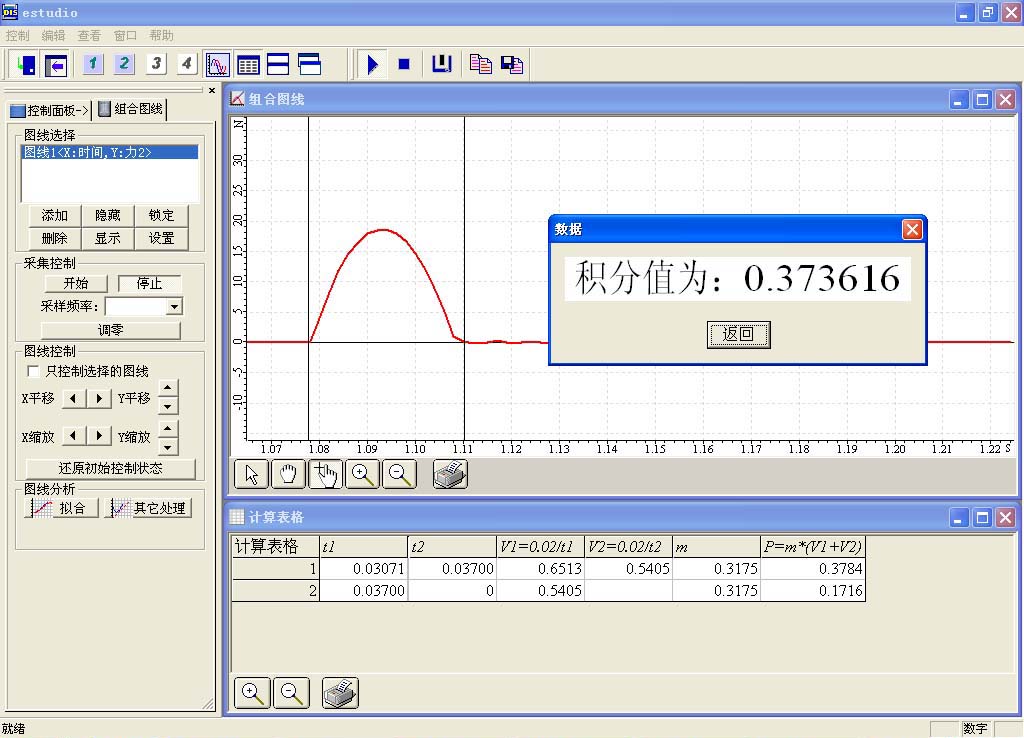
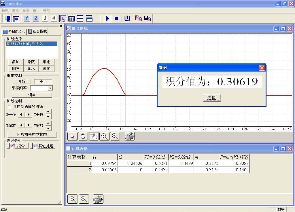
9.重复步骤4~10,得到多次实验结果,见图18-3。


图18-3 两次实验结果
10.计算三次实验冲量与动量变化量的相对误差,分别是1.31%、1.28%、0.68%,充分说明了在误差允许范围内二者相等。
建议
本实验亦可使用朗威DISLab教材专用软件来做,实验操作将大为简化。
本实验亦可使用气垫导轨。
实验器材
朗威DISLab、计算机、气垫导轨、天平、铁架台等。
实验装置图
见图18-4。

图18-4 实验装置图
实验过程与数据分析
同上。
文件下载(已下载 2393 次)发布时间:2013/1/16 上午11:11:43 阅读次数:9528